2. Đề thi khảo sát chất lượng đầu năm lớp 12 môn Lí – Đề số 2

Đề bài

Câu 1 :

Nguyên tử trung hòa về điện, khi nhận thêm electron sẽ trở thành:

  • A.

    Ion

  • B.

    Ion+

  • C.

    Không xác định được

  • D.

    Không có gì thay đổi

Câu 2 :

Chọn câu sai

  • A.

     Ở điều kiện bình thường, không khí là điện môi.

  • B.

    Khi bị đốt nóng chất khí trở nên dẫn điện.

  • C.

    Nhờ tác nhân ion hóa, trong chất khí xuất hiện các hạt tải điện.

  • D.

    Khi nhiệt độ hạ đến dưới \(0^0C\) các chất khí dẫn điện tốt.

Câu 3 :

Theo nội dung của thuyết electron, phát biểu nào sau đây là sai?

  • A.

    Electron có thể rời khỏi nguyên tử để di chuyển từ nơi này đến nơi khác

  • B.

    Vật nhiễm điện âm khi chỉ số electron mà nó chứa lớn hơn số proton

  • C.

    Nguyên tử nhận thêm electron sẽ trở thành ion dương

  • D.

    Nguyên tử bị mất electron sẽ trở thành ion dương

Câu 4 :

Chọn một đáp án sai:

  • A.

    cường độ dòng điện đo bằng ampe kế

  • B.

    để đo cường độ dòng điện phải mắc nối tiếp ampe kế với mạch

  • C.

    dòng điện qua ampe kế đi vào chốt dương, đi ra chốt âm của ampe kế

  • D.

    dòng điện qua ampe kế đi vào chốt âm, đi ra chốt dương của ampe kế

Câu 5 :

Phát biểu nào sau đây là đúng?

  • A.

    Công của lực điện tác dụng lên một điện tích phụ thuộc vào dạng đường đi của điện tích và  không phụ thuộc vào vị trí điểm đầu và điểm cuối của đoạn đường đi trong điện trường.

  • B.

    Hiệu điện thế giữa hai điểm trong điện trường là đại lượng đặc trưng cho tác dụng mạnh hay yếu của điện trường làm dịch chuyển điện tích giữa hai điểm đó.

  • C.

    Hiệu điện thế giữa hai điểm trong điện trường là đại lượng đặc trưng cho mức điện thế tại hai điểm đó.

  • D.

    Điện trường tĩnh là một trường thế.

Câu 6 :

Trong các ứng dụng sau đây, ứng dụng của hiện tượng phản xạ toàn phần là:

  • A.

     Gương phẳng

  • B.

    Gương cầu

  • C.

    Thấu kính

  • D.

    Cáp dẫn sáng trong nội soi

Câu 7 :

Hiện tượng khúc xạ là hiện tượng

  • A.

     Ánh sáng bị gãy khúc khi truyền xiên góc qua mặt phân cách giữa hai môi trường trong suốt.

  • B.

    Ánh sáng bị giảm cường độ khi truyền qua mặt phân cách giữa hai môi trường trong suốt.

  • C.

    Ánh sáng bị hắt lại môi trường cũ khi truyền tới mặt phân cách giữa hai môi trường trong suốt.

  • D.

    Ánh sáng bị thay đổi màu sắc khi truyền qua mặt phân cách giữa hai môi trường trong suốt.

Câu 8 :

Chọn phương án đúng?

  • A.
  • B.
  • C.
  • D.
Câu 9 :

Khi nói về đường đi của một tia sáng qua thấu kính hội tụ, phát biểu nào sau đây là sai?

  • A.

    một chùm tia sáng song song với trục chính thì chùm tia ló hội tụ ở tiêu điểm ảnh sau thấu kính

  • B.

    Tia sáng đi qua quang tâm của thấu kính thì truyền thẳng qua thấu kính

  • C.

     Một chùm tia sáng hội tụ tại tiêu điểm vật tới thấu kính thì chùm tia ló đi qua song song với trục hoành

  • D.

    Tia sáng đi song song với trục chính thì tia ló có đường kéo dài đi qua tiêu điểm chính của thấu kính

Câu 10 :

Hệ số tự cảm của ống dây được xác định bởi biểu thức nào sau đây?

  • A.

    \(L = {2.10^{ – 7}}{n^2}V\)

  • B.

    \(L = 2\pi {.10^{ – 7}}{n^2}V\)

  • C.

    \(L = 4\pi {.10^{ – 7}}{n^2}V\)

  • D.

    \(L = 4\pi {.10^{ – 7}}\frac{{{n^2}}}{V}\)

Câu 11 :

Hai dây dẫn thẳng song song mang dòng điện I1 và I2 đặt cách nhau một khoảng r trong không khí. Trên mỗi đơn vị dài của mỗi dây chịu tác dụng của lực từ có độ lớn là:

  • A.

    \(F = {2.10^{ – 7}}\frac{{{I_1}{I_2}}}{{{r^2}}}\)

  • B.

    \(F = 2\pi {.10^{ – 7}}\frac{{{I_1}{I_2}}}{{{r^2}}}\)

  • C.

    \(F = {2.10^{ – 7}}\frac{{{I_1}{I_2}}}{{{r}}}\)

  • D.

    \(F = 2\pi {.10^{ – 7}}\frac{{{I_1}{I_2}}}{{{r}}}\)

Câu 12 :

Lực từ tác dụng lên một đoạn dây dẫn mang dòng điện được xác định bởi biểu thức:

  • A.

    \(F = BI\sin \alpha \)

  • B.

    \(F = BIl\cos \alpha \)

  • C.

    \(F = BIl\sin \alpha \)

  • D.

    \(F = Il\cos \alpha \)

Câu 13 :

Một kính hiển vi được cấu tạo gồm vật kính và thị kính là các thấu kính hội tụ có tiêu cực lần lượt là f1  và f2, kính này có độ dày học là \(\delta \). Mắt một người không có tật có khoảng cách từ mắt tới điểm cực cận là Đ = OCc. Công thức xác định bội giác khi người đó ngắm chừng ở vô cực là:

  • A.

    \({G_\infty } = \frac{Đ}{{{f_2}}}\)

  • B.

    \({G_\infty } = \frac{{{f_1}{f_2}}}{Đ}\)

  • C.

    \({G_\infty } = \frac{{\delta Đ}}{{{f_1}{f_2}}}\)

  • D.

    \({G_\infty } = \frac{{{f_1}}}{{{f_2}}}\)

Câu 14 :

Đặt một một điện tích âm (q < 0) vào trong điện trường có vectơ cường độ điện  trường $\overrightarrow E $ .Hướng của lực điện tác dụng lên điện tích?

  • A.

    Luôn cùng hướng với $\overrightarrow E $

  • B.

    Vuông góc với $\overrightarrow E $

  • C.

    Luôn ngược hướng với $\overrightarrow E $

  • D.

    Không có trường hợp nào

Câu 15 :

Biểu thức nào sau đây xác định cảm ứng từ của dòng điện trong ống dây:

  • A.

    \(B = 2\pi {.10^{ – 7}}\frac{N}{l}I\)

  • B.

    \(B = 4\pi {.10^{ – 7}}\frac{N}{l}I\)

  • C.

    \(B = 4\pi {.10^{ – 7}}\frac{l}{I}N\)

  • D.

    \(B = 4\pi {.10^{ – 7}}\frac{I}{{Nl}}\)

Câu 16 :

Đưa một nam châm mạnh lại gần ống phóng điện tử của máy thu hình thì hình ảnh trên màn hình bị nhiễu. Giải thích nào là đúng:

  • A.

    Từ trường của nam châm tác dụng lên sóng điện từ của đài truyền hình

  • B.

    Từ trường của nam châm tác dụng lên dòng điện trong dây dẫn

  • C.

    Nam châm làm lệch đường đi của ánh sáng trong máy thu hình

  • D.

    Từ trường của nam châm làm lệch đường đi của các electron trong đèn hình

Câu 17 :

Trong một mạch điện kín nếu mạch ngoài thuần điện trở RN thì hiệu suất của nguồn điện có điện trở r được tính bởi biểu thức:

  • A.

    \(H = \;\frac{{{R_N}}}{r}.100\% \)

  • B.

    \(H = \;\frac{r}{{{R_N}}}.100\% \)

  • C.

    \(H = \;\frac{{{R_N}}}{{{R_N} + r}}.100\% \)

  • D.

    \(H = \;\frac{{{R_N} + r}}{{{R_N}}}.100\% \)

Câu 18 :

Đơn vị của cường độ dòng điện, suất điện động, điện lượng lần lượt là:

  • A.

    vôn $(V)$, ampe $(A)$, ampe $(A)$

  • B.

    ampe $(A)$, vôn $(V)$, cu lông $(C)$

  • C.

    niutơn $(N)$, fara $(F)$, vôn $(V)$

  • D.

    fara $(F)$, vôn/mét $(V/m)$, jun $(J)$

Câu 19 :

Một quả cầu nhỏ có khối lượng \(m = 1,6g\), tích điện \({q_1} = {2.10^{ – 7}}C\) được treo bằng một sợi dây tơ mảnh. Ở phía dưới nó cách \(3cm\) cần phải đặt một điện tích \({q_2}\) như thế nào để lực căng dây giảm đi một nửa.

  • A.

    \({q_2} =  – {2.10^{ – 7}}C\)

  • B.

    \({q_2} = {2.10^{ – 7}}C\)

  • C.

    \({q_2} = {4.10^{ – 9}}C\)

  • D.

    \({q_2} = – {4.10^{ – 9}}C\)

Câu 20 :

Biết \({U_{MN}} = 9V\). Đẳng thức nào sau đây là đúng nhất

  • A.

    \({V_M} = 9V\)

  • B.

    \({V_N} = 9V\)

  • C.

    \({V_M} – {V_N} = 9V\)

  • D.

    \({V_N} – {V_M} = 9V\)

Câu 21 :

Nếu đặt vào hai đầu tụ một hiệu điện thế \(4V\) thì tụ tích được điện lượng là \(2\mu C\). Nếu đặt vào hai đầu tụ một hiệu điện thế \(10V\) thì tụ tích được điện lượng là:

  • A.

    \(50\mu C\)

  • B.

    \(1\mu C\)

  • C.

    \(5\mu C\)

  • D.

    \(0,8\mu C\)

Câu 22 :

Trong dây dẫn kim loại có một dòng điện không đổi chạy qua có cường độ là \(1,6mA\). Trong một phút, số lượng electron chuyển qua một tiết diện thẳng là:

  • A.

    \({6.10^{20}}\) electron

  • B.

    \({6.10^{19}}\) electron

  • C.

    \({6.10^{18}}\) electron

  • D.

    \({6.10^{17}}\) electron

Câu 23 :

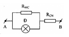
Cho mạch điện như hình vẽ:

Biết trở có điện trở toàn phần \({R_0} = 12\Omega \), đèn Đ có ghi \(6V – 3W\), \({U_{AB}} = 15V\).  Điện trở \({R_{CM}} = ?\) để đèn sáng bình thường.

  • A.

    \(8\Omega \)

  • B.

    \(12\Omega \)

  • C.

    \(4\Omega \)

  • D.

    \(6\Omega \)

Câu 24 :

Hai dòng điện tròn có bán kính R = 10cm có tâm trùng nhau đặt vuông góc với nhau. Cường độ dòng điện trong hai dây \(I = {I_1} = {I_2} = \sqrt 2 \) . Cảm ứng từ tổng hợp tại tâm của hai vòng dây là:

  • A.

    \({4.10^{ – 6}}T\)

  • B.

    \(2\sqrt 2 \pi {.10^{ – 6}}T\)

  • C.

    \(\sqrt 2 \pi {.10^{ – 6}}T\)

  • D.

    \(4\pi {.10^{ – 6}}T\)

Câu 25 :

 Một thanh dẫn điện dài 1m, chuyển động trong từ trường đều có cảm ứng từ B = 0,4T (Véctơ cảm ứng từ \(\overrightarrow B \)vuông góc với thanh) với vận tốc 2m/s, vuông góc với thanh và làm với \(\overrightarrow B \) một góc 300. Suất điện động cảm ứng trong thanh là:

  • A.

    0,4V

  • B.

    0,2V

  • C.

    0,7V

  • D.

    0,8V

Câu 26 :

Tia sáng truyền trong không khí tới gặp mặt thoáng của chất lỏng có chiết suất \(\sqrt 3 \) . Ta được hai tia phản xạ và khúc xạ vuông góc với nhau. Góc tới i = ?

  • A.

    \(\frac{\pi }{6}\)

  • B.

    \(\frac{\pi }{4}\)

  • C.

    \(\frac{\pi }{3}\)

  • D.

    \(\frac{\pi }{{12}}\)

Câu 27 :

Vật sáng AB đặt vuông góc với trục chính của một thấu kính hội tụ có độ tụ 2dp và cách thấu kính một khoảng 25cm. Khoảng cách từ ảnh A’B’ đến AB là:

  • A.

    25cm

  • B.

    35cm

  • C.

    60cm

  • D.

    50cm

Câu 28 :

Một người cận thị về già, khi đọc sách cách mắt gần nhất 25cm phải đeo sát mắt kính số 2. Điểm cực cận của người đó nằm trên trục của mắt và cách mắt

  • A.

    25 cm

  • B.

    50 cm

  • C.

    1 m

  • D.

    2 m

Câu 29 :

Cho mạch điện như hình vẽ:

\(E = 9V,r = 1\Omega \), \({R_1} = {R_2} = {R_3} = 3\Omega \), \({R_4} = 6\Omega \). Tính cường độ dòng điện chạy qua \({R_1}\)

  • A.

    \(\dfrac{1}{2}A\)

  • B.

    \(1A\)

  • C.

    \(\dfrac{1}{3}A\)

  • D.

    \(\dfrac{2}{3}A\)

Câu 30 :

Một máy chiếu sử dụng thấu kính hội tụ có tiêu cự 10 cm tạo ảnh thật trên màn có diện tích gấp 400 lần diện tích vật. Thấu kính cách vật và màn  bao nhiêu cm?

  • A.

    11 cm; 440 cm.

  • B.

    10,5 cm; 210 cm

  • C.

    11 cm; 220 cm

  • D.

    10,5 cm; 420 cm.

Lời giải và đáp án

Câu 1 :

Nguyên tử trung hòa về điện, khi nhận thêm electron sẽ trở thành:

  • A.

    Ion

  • B.

    Ion+

  • C.

    Không xác định được

  • D.

    Không có gì thay đổi

Đáp án : A

Lời giải chi tiết :

Nguyên tử trung hòa về điện mà nhận thêm electron → trở thành ion –

Câu 2 :

Chọn câu sai

  • A.

     Ở điều kiện bình thường, không khí là điện môi.

  • B.

    Khi bị đốt nóng chất khí trở nên dẫn điện.

  • C.

    Nhờ tác nhân ion hóa, trong chất khí xuất hiện các hạt tải điện.

  • D.

    Khi nhiệt độ hạ đến dưới \(0^0C\) các chất khí dẫn điện tốt.

Đáp án : D

Phương pháp giải :

Sử dụng lí thuyết về khả năng dẫn điện của chất khí ở điều kiện thường và tác nhân ion hóa chất khí

Lời giải chi tiết :

A- đúng vì ở điều kiện thường các phân tử khí đều ở trạng thái trung hòa điện, do đó trong chất khí ở điều kiện thường không có các hạt tải điện (không khí là điện môi)

B,C- đúng vì những tác nhân ion hóa đưa vào trong chất khí có năng lượng cao (như ngọn lửa ga, tia tử ngoại..) sẽ ion hóa chất khí, tách phân tử khí trung hòa thành ion dương và electron tự do; electron tự do lại có thể kết hợp với các phân tử khí trung hòa thành ion âm. Các hạt điện tích này (ion dương, electron tự do, ion âm) chính là các hạt tải điện trong chất khí.

D- sai vì ở điều kiện thường các phân tử khí đều ở trạng thái trung hòa điện, do đó trong chất khí ở điều kiện thường không có các hạt tải điện (không khí là điện môi). Khi những tác nhân ion hóa đưa vào trong chất khí có năng lượng cao (như ngọn lửa ga, tia tử ngoại..) sẽ ion hóa chất khí, tách phân tử khí trung hòa thành ion dương và electron tự do; electron tự do lại có thể kết hợp với các phân tử khí trung hòa thành ion âm. Các hạt điện tích này (ion dương, electron tự do, ion âm) chính là các hạt tải điện trong chất khí. Khi nhiệt độ hạ đến dưới \({0^0}C\)các chất khí càng không dẫn điện.

Câu 3 :

Theo nội dung của thuyết electron, phát biểu nào sau đây là sai?

  • A.

    Electron có thể rời khỏi nguyên tử để di chuyển từ nơi này đến nơi khác

  • B.

    Vật nhiễm điện âm khi chỉ số electron mà nó chứa lớn hơn số proton

  • C.

    Nguyên tử nhận thêm electron sẽ trở thành ion dương

  • D.

    Nguyên tử bị mất electron sẽ trở thành ion dương

Đáp án : C

Lời giải chi tiết :

A, B, D – đúng

C – sai vì nguyên tử nhận thêm electron sẽ trở thành ion âm

Câu 4 :

Chọn một đáp án sai:

  • A.

    cường độ dòng điện đo bằng ampe kế

  • B.

    để đo cường độ dòng điện phải mắc nối tiếp ampe kế với mạch

  • C.

    dòng điện qua ampe kế đi vào chốt dương, đi ra chốt âm của ampe kế

  • D.

    dòng điện qua ampe kế đi vào chốt âm, đi ra chốt dương của ampe kế

Đáp án : D

Phương pháp giải :

Vận dụng lí thuyết về dụng cụ đo

Lời giải chi tiết :

A, B, C – đúng

D – sai vì: Dòng điện qua ampe kế đi vào từ cực dương và đi ra từ cực âm

Câu 5 :

Phát biểu nào sau đây là đúng?

  • A.

    Công của lực điện tác dụng lên một điện tích phụ thuộc vào dạng đường đi của điện tích và  không phụ thuộc vào vị trí điểm đầu và điểm cuối của đoạn đường đi trong điện trường.

  • B.

    Hiệu điện thế giữa hai điểm trong điện trường là đại lượng đặc trưng cho tác dụng mạnh hay yếu của điện trường làm dịch chuyển điện tích giữa hai điểm đó.

  • C.

    Hiệu điện thế giữa hai điểm trong điện trường là đại lượng đặc trưng cho mức điện thế tại hai điểm đó.

  • D.

    Điện trường tĩnh là một trường thế.

Đáp án : D

Lời giải chi tiết :

A – sai vì: Công của lực điện tác dụng lên một điện tích không phụ thuộc vào dạng đường đi của điện tích mà chỉ phụ thuộc vào vị trí điểm đầu và điểm cuối của đoạn đường đi trong điện trường.

B, C – sai vì: Hiệu điện thế giữa hai điểm đặc trưng cho khả năng sinh công của điện trường trong sự di chuyển của điện tích q từ điểm nọ đến điểm kia

D – đúng

Câu 6 :

Trong các ứng dụng sau đây, ứng dụng của hiện tượng phản xạ toàn phần là:

  • A.

     Gương phẳng

  • B.

    Gương cầu

  • C.

    Thấu kính

  • D.

    Cáp dẫn sáng trong nội soi

Đáp án : D

Lời giải chi tiết :

Hiện tượng phản xạ toàn phần được ứng dụng làm cáp quang để để truyền tín hiệu trong thông tin và để nội soi trong y học

Câu 7 :

Hiện tượng khúc xạ là hiện tượng

  • A.

     Ánh sáng bị gãy khúc khi truyền xiên góc qua mặt phân cách giữa hai môi trường trong suốt.

  • B.

    Ánh sáng bị giảm cường độ khi truyền qua mặt phân cách giữa hai môi trường trong suốt.

  • C.

    Ánh sáng bị hắt lại môi trường cũ khi truyền tới mặt phân cách giữa hai môi trường trong suốt.

  • D.

    Ánh sáng bị thay đổi màu sắc khi truyền qua mặt phân cách giữa hai môi trường trong suốt.

Đáp án : A

Lời giải chi tiết :

Khúc xạ là hiện tượng chùm tia sáng bị đổi phương đột ngột khi đi qua mặt phân cách hai môi trường truyền ánh sáng.

Câu 8 :

Chọn phương án đúng?

  • A.
  • B.
  • C.
  • D.

Đáp án : C

Phương pháp giải :

Vận dụng quy tăc bàn tay trái: Đặt bàn tay trái sao cho các đường sức từ đâm xuyên vào lòng bàn tay, dòng điện chạy từ cổ tay đến ngón tay, thì ngón cái choãi ra là chiều của lực từ tác dụng lên dòng điện.

Lời giải chi tiết :

Quy tắc bàn tay trái: Đặt bàn tay trái sao cho các đường sức từ đâm xuyên vào lòng bàn tay, dòng điện chạy từ cổ tay đến ngón tay, thì ngón cái choãi ra là chiều của lực từ tác dụng lên dòng điện

Ta suy ra:

Câu 9 :

Khi nói về đường đi của một tia sáng qua thấu kính hội tụ, phát biểu nào sau đây là sai?

  • A.

    một chùm tia sáng song song với trục chính thì chùm tia ló hội tụ ở tiêu điểm ảnh sau thấu kính

  • B.

    Tia sáng đi qua quang tâm của thấu kính thì truyền thẳng qua thấu kính

  • C.

     Một chùm tia sáng hội tụ tại tiêu điểm vật tới thấu kính thì chùm tia ló đi qua song song với trục hoành

  • D.

    Tia sáng đi song song với trục chính thì tia ló có đường kéo dài đi qua tiêu điểm chính của thấu kính

Đáp án : D

Lời giải chi tiết :

A, B, C – đúng

D – sai vì: Tia sáng song song với trục chính cho tia ló (hoặc đường kéo dài) qua tiêu điểm ảnh chính.

Câu 10 :

Hệ số tự cảm của ống dây được xác định bởi biểu thức nào sau đây?

  • A.

    \(L = {2.10^{ – 7}}{n^2}V\)

  • B.

    \(L = 2\pi {.10^{ – 7}}{n^2}V\)

  • C.

    \(L = 4\pi {.10^{ – 7}}{n^2}V\)

  • D.

    \(L = 4\pi {.10^{ – 7}}\frac{{{n^2}}}{V}\)

Đáp án : C

Lời giải chi tiết :

Hệ số tự cảm của ống dây được xác định bởi biểu thức: \(L = 4\pi {.10^{ – 7}}{n^2}V\)

Câu 11 :

Hai dây dẫn thẳng song song mang dòng điện I1 và I2 đặt cách nhau một khoảng r trong không khí. Trên mỗi đơn vị dài của mỗi dây chịu tác dụng của lực từ có độ lớn là:

  • A.

    \(F = {2.10^{ – 7}}\frac{{{I_1}{I_2}}}{{{r^2}}}\)

  • B.

    \(F = 2\pi {.10^{ – 7}}\frac{{{I_1}{I_2}}}{{{r^2}}}\)

  • C.

    \(F = {2.10^{ – 7}}\frac{{{I_1}{I_2}}}{{{r}}}\)

  • D.

    \(F = 2\pi {.10^{ – 7}}\frac{{{I_1}{I_2}}}{{{r}}}\)

Đáp án : C

Lời giải chi tiết :

\(\overrightarrow {{F_t}} \) trên một đơn vị của chiều dài:  \(F = {2.10^{ – 7}}\frac{{{I_1}{I_2}}}{r}\)

Câu 12 :

Lực từ tác dụng lên một đoạn dây dẫn mang dòng điện được xác định bởi biểu thức:

  • A.

    \(F = BI\sin \alpha \)

  • B.

    \(F = BIl\cos \alpha \)

  • C.

    \(F = BIl\sin \alpha \)

  • D.

    \(F = Il\cos \alpha \)

Đáp án : C

Lời giải chi tiết :

Lực từ tác dụng lên một đoạn dây dẫn mang dòng điện được xác định bởi biểu thức: \(F = BIl\sin \alpha \) 

Câu 13 :

Một kính hiển vi được cấu tạo gồm vật kính và thị kính là các thấu kính hội tụ có tiêu cực lần lượt là f1  và f2, kính này có độ dày học là \(\delta \). Mắt một người không có tật có khoảng cách từ mắt tới điểm cực cận là Đ = OCc. Công thức xác định bội giác khi người đó ngắm chừng ở vô cực là:

  • A.

    \({G_\infty } = \frac{Đ}{{{f_2}}}\)

  • B.

    \({G_\infty } = \frac{{{f_1}{f_2}}}{Đ}\)

  • C.

    \({G_\infty } = \frac{{\delta Đ}}{{{f_1}{f_2}}}\)

  • D.

    \({G_\infty } = \frac{{{f_1}}}{{{f_2}}}\)

Đáp án : C

Lời giải chi tiết :

Số bội giác của kính hiển vi khi ngắm chừng ở vô cực: \({G_\infty } = \left| {{k_1}} \right|{G_2} = \frac{{\delta Đ}}{{{f_1}{f_2}}}\)

Câu 14 :

Đặt một một điện tích âm (q < 0) vào trong điện trường có vectơ cường độ điện  trường $\overrightarrow E $ .Hướng của lực điện tác dụng lên điện tích?

  • A.

    Luôn cùng hướng với $\overrightarrow E $

  • B.

    Vuông góc với $\overrightarrow E $

  • C.

    Luôn ngược hướng với $\overrightarrow E $

  • D.

    Không có trường hợp nào

Đáp án : C

Lời giải chi tiết :

Ta có: \(\overrightarrow F  = q.\overrightarrow E \), Nếu:

       + \(q{\text{ }} > {\text{ }}0 \to \overrightarrow F  \uparrow  \uparrow \overrightarrow E \)

       + \(q{\text{ }} < {\text{ }}0 \to \overrightarrow F  \uparrow  \downarrow \overrightarrow E \)

Câu 15 :

Biểu thức nào sau đây xác định cảm ứng từ của dòng điện trong ống dây:

  • A.

    \(B = 2\pi {.10^{ – 7}}\frac{N}{l}I\)

  • B.

    \(B = 4\pi {.10^{ – 7}}\frac{N}{l}I\)

  • C.

    \(B = 4\pi {.10^{ – 7}}\frac{l}{I}N\)

  • D.

    \(B = 4\pi {.10^{ – 7}}\frac{I}{{Nl}}\)

Đáp án : B

Lời giải chi tiết :

Cảm ứng từ của dòng điện trong ống dây được xác định bởi biểu thức: \(B = 4\pi {.10^{ – 7}}\frac{N}{l}I\)

Câu 16 :

Đưa một nam châm mạnh lại gần ống phóng điện tử của máy thu hình thì hình ảnh trên màn hình bị nhiễu. Giải thích nào là đúng:

  • A.

    Từ trường của nam châm tác dụng lên sóng điện từ của đài truyền hình

  • B.

    Từ trường của nam châm tác dụng lên dòng điện trong dây dẫn

  • C.

    Nam châm làm lệch đường đi của ánh sáng trong máy thu hình

  • D.

    Từ trường của nam châm làm lệch đường đi của các electron trong đèn hình

Đáp án : D

Phương pháp giải :

Vận dụng lí thuyết về từ trường

Lời giải chi tiết :

Đưa một nam châm mạnh lại gần ống phóng điện tử của máy thu hình thì hình ảnh trên màn hình bị nhiễu vì từ trường của nam châm làm lệch đường đi của các electron trong đèn hình

Câu 17 :

Trong một mạch điện kín nếu mạch ngoài thuần điện trở RN thì hiệu suất của nguồn điện có điện trở r được tính bởi biểu thức:

  • A.

    \(H = \;\frac{{{R_N}}}{r}.100\% \)

  • B.

    \(H = \;\frac{r}{{{R_N}}}.100\% \)

  • C.

    \(H = \;\frac{{{R_N}}}{{{R_N} + r}}.100\% \)

  • D.

    \(H = \;\frac{{{R_N} + r}}{{{R_N}}}.100\% \)

Đáp án : C

Phương pháp giải :

Vận dụng lí thuyết về hiệu suất của nguồn điện

Lời giải chi tiết :

Mạch ngoài thuần điện trở RN thì hiệu suất của nguồn điện có điện trở r được tính bởi biểu thức:

\(H = \;\frac{{{R_N}}}{{{R_N} + r}}.100\% \)

Câu 18 :

Đơn vị của cường độ dòng điện, suất điện động, điện lượng lần lượt là:

  • A.

    vôn $(V)$, ampe $(A)$, ampe $(A)$

  • B.

    ampe $(A)$, vôn $(V)$, cu lông $(C)$

  • C.

    niutơn $(N)$, fara $(F)$, vôn $(V)$

  • D.

    fara $(F)$, vôn/mét $(V/m)$, jun $(J)$

Đáp án : B

Phương pháp giải :

Áp dụng lí thuyết về các đại lượng

Lời giải chi tiết :

Ta có :  Đơn vị của :

+ Cường độ dòng điện là :  Ampe $(A)$

+ Suất điện động là : Vôn $(V)$

+ Điện lượng : Culông $(C)$

Câu 19 :

Một quả cầu nhỏ có khối lượng \(m = 1,6g\), tích điện \({q_1} = {2.10^{ – 7}}C\) được treo bằng một sợi dây tơ mảnh. Ở phía dưới nó cách \(3cm\) cần phải đặt một điện tích \({q_2}\) như thế nào để lực căng dây giảm đi một nửa.

  • A.

    \({q_2} =  – {2.10^{ – 7}}C\)

  • B.

    \({q_2} = {2.10^{ – 7}}C\)

  • C.

    \({q_2} = {4.10^{ – 9}}C\)

  • D.

    \({q_2} = – {4.10^{ – 9}}C\)

Đáp án : C

Phương pháp giải :

+ Vận dụng tương tác giữa các điện tích

+ Sử dụng biểu thức tính lực tương tác giữa 2 điện tích: \(F = k\dfrac{{\left| {{q_1}{q_2}} \right|}}{{{r^2}}}\)

Lời giải chi tiết :

Ta có:

+ Khi chưa đặt điện tích, lực căng của sợi dây bằng trọng lượng của quả cầu

\(T = P = mg = \dfrac{{1,6}}{{1000}}.10 = 0,016N\)

+ Khi đặt điện tích \({q_2}\) ở dưới điện tích \({q_1}\), để lực căng dây giảm đi một nửa thì lực tương tác giữa hai điện tích phải có chiều như hình vẽ:

=> Tương tác giữa hai điện tích là tương tác đẩy (hai điện tích cùng dấu)

Mà \({q_1} > 0 \Rightarrow {q_2} > 0\)

\(\begin{array}{l}T’ = P – {F_{21}} = \dfrac{T}{2}\\ \Rightarrow {F_{21}} = P – \dfrac{T}{2} = P – \dfrac{P}{2} = \dfrac{P}{2} = \dfrac{{0,016}}{2} = {8.10^{ – 3}}N\end{array}\)

Mặt khác, ta có: \({F_{21}} = k\dfrac{{\left| {{q_1}{q_2}} \right|}}{{{r^2}}} = {8.10^{ – 3}}N\)

Ta suy ra: \({q_2} = \dfrac{{{F_{21}}.{r^2}}}{{k{q_1}}} = \dfrac{{{{8.10}^{ – 3}}.{{\left( {0,03} \right)}^2}}}{{{{9.10}^9}{{.2.10}^{ – 7}}}} = {4.10^{ – 9}}C\)

Câu 20 :

Biết \({U_{MN}} = 9V\). Đẳng thức nào sau đây là đúng nhất

  • A.

    \({V_M} = 9V\)

  • B.

    \({V_N} = 9V\)

  • C.

    \({V_M} – {V_N} = 9V\)

  • D.

    \({V_N} – {V_M} = 9V\)

Đáp án : C

Phương pháp giải :

Sử dụng biểu thức hiệu điện thế giữa hai điểm: \({U_{MN}} = {V_M} – {V_N}\)

Lời giải chi tiết :

Ta có, hiệu điện thế giữa hai điểm M, N trong điện trường; \({U_{MN}} = {V_M} – {V_N} = 9V\)

Câu 21 :

Nếu đặt vào hai đầu tụ một hiệu điện thế \(4V\) thì tụ tích được điện lượng là \(2\mu C\). Nếu đặt vào hai đầu tụ một hiệu điện thế \(10V\) thì tụ tích được điện lượng là:

  • A.

    \(50\mu C\)

  • B.

    \(1\mu C\)

  • C.

    \(5\mu C\)

  • D.

    \(0,8\mu C\)

Đáp án : C

Phương pháp giải :

Vận dụng biểu thức tính điện dung: \(C = \dfrac{Q}{U}\)

Lời giải chi tiết :

Ta có:

+ Khi \({U_1} = 4V\) thì \({Q_1} = 2\mu C\)

Suy ra điện dung \(C = \dfrac{{{Q_1}}}{{{U_1}}} = \dfrac{{{{2.10}^{ – 6}}}}{4} = {5.10^{ – 7}}F\)

+ Khi \({U_2} = 10V\) thì tụ tích được điện lượng \({Q_2} = C{U_2} = {5.10^{ – 7}}.10 = {5.10^{ – 6}}C = 5\mu C\)

Câu 22 :

Trong dây dẫn kim loại có một dòng điện không đổi chạy qua có cường độ là \(1,6mA\). Trong một phút, số lượng electron chuyển qua một tiết diện thẳng là:

  • A.

    \({6.10^{20}}\) electron

  • B.

    \({6.10^{19}}\) electron

  • C.

    \({6.10^{18}}\) electron

  • D.

    \({6.10^{17}}\) electron

Đáp án : D

Phương pháp giải :

Áp dụng biểu thức xác định số electron chuyển qua dây dẫn trong thời gian t: \(n = \dfrac{{I.t}}{{\left| e \right|}}.\)

Lời giải chi tiết :

Ta có, số electron chuyển qua dây dẫn trong \(1p = 60s\) là :

\(n = \dfrac{{I.t}}{{\left| e \right|}} = \dfrac{{{{1,6.10}^{ – 3}}.60}}{{{{1,6.10}^{ – 19}}}} = {6.10^{17}}\) electron.

Câu 23 :

Cho mạch điện như hình vẽ:

Biết trở có điện trở toàn phần \({R_0} = 12\Omega \), đèn Đ có ghi \(6V – 3W\), \({U_{AB}} = 15V\).  Điện trở \({R_{CM}} = ?\) để đèn sáng bình thường.

  • A.

    \(8\Omega \)

  • B.

    \(12\Omega \)

  • C.

    \(4\Omega \)

  • D.

    \(6\Omega \)

Đáp án : D

Phương pháp giải :

+ Vẽ lại mạch điện

+ Sử dụng biểu thức \(P = UI\)

+ Vận dụng biểu thức định luật ôm: \(I = \dfrac{U}{R}\)

+ Vận dụng biểu thức tính cường độ dòng điện của đoạn mạch mắc nối tiếp

Lời giải chi tiết :

+ Mạch điện được vẽ lại như hình:

+ Ta đặt, \({R_{MC}} = x\left( \Omega  \right)\) với điều kiện \(0 < x < 12\)

\( \Rightarrow {R_{CN}} = 12 – x\left( \Omega  \right)\)

+ Khi đèn sáng bình thường, cường độ dòng điện qua đèn \({I_D} = \dfrac{{{P_D}}}{{{U_D}}} = \dfrac{3}{6} = 0,5W\)

+ Ta có \(\left[ {D//{R_{CM}}} \right]nt{R_{CN}}\) nên:

\({U_{CM}} = {U_D} = 6V\)

\({U_{CN}} = {U_{AB}} – {U_D} = 15 – 6 = 9V\)

+ Mặt khác, ta có: \({I_{CN}} = {I_{CM}} + {I_D}\)  (1)

Trong đó: \(\left\{ \begin{array}{l}{I_D} = 0,5\\{I_{CM}} = \dfrac{{{U_{CM}}}}{{{R_{CM}}}} = \dfrac{6}{x}\\{I_{CN}} = \dfrac{{{U_{CN}}}}{{{R_{CN}}}} = \dfrac{9}{{12 – x}}\end{array} \right.\)

Ta suy ra: \(\left( 1 \right) \Leftrightarrow \dfrac{9}{{12 – x}} = \dfrac{6}{x} + 0,5\)

\(\begin{array}{l} \Leftrightarrow 0,5{x^2} + 9x – 72 = 0\\ \Rightarrow \left[ \begin{array}{l}x = 6\Omega \\x =  – 24\Omega \left( {loai} \right)\end{array} \right.\end{array}\)

Vậy với \({R_{CM}} = 6\Omega \) thì khi đó đèn sáng bình thường.

Câu 24 :

Hai dòng điện tròn có bán kính R = 10cm có tâm trùng nhau đặt vuông góc với nhau. Cường độ dòng điện trong hai dây \(I = {I_1} = {I_2} = \sqrt 2 \) . Cảm ứng từ tổng hợp tại tâm của hai vòng dây là:

  • A.

    \({4.10^{ – 6}}T\)

  • B.

    \(2\sqrt 2 \pi {.10^{ – 6}}T\)

  • C.

    \(\sqrt 2 \pi {.10^{ – 6}}T\)

  • D.

    \(4\pi {.10^{ – 6}}T\)

Đáp án : D

Phương pháp giải :

+ Áp dụng các bước giải xác định cảm ứng từ (Xem lí thuyết phần V)

+ Áp dụng biểu thức xác định cảm ứng từ của dòng điện tròn: \(B = 2\pi {.10^{ – 7}}\frac{I}{R}\)

Lời giải chi tiết :

Gọi \(\overrightarrow {{B_1}} ;\overrightarrow {{B_2}} \) lần lượt là cảm ứng từ gây bởi các dòng điện tròn tại tâm O

Dựa vào quy tắc bàn tay phải, ta suy ra véctơ \(\overrightarrow {{B_1}} \) và véctơ \(\mathop {{B_2}}\limits^ \to  \) có chiều như hình vẽ:

+ Vì: \(\left\{ \begin{array}{l}{I_1} = {I_2} = I\\{R_1} = {R_2} = R\end{array} \right. \to {B_1} = {B_2} = 2\pi {.10^{ – 7}}\frac{I}{R} = 2\sqrt 2 \pi {10^{ – 6}}T\)

+ Cảm ứng từ tổng hợp tại tâm O: \(\mathop B\limits^ \to   = \mathop {{B_1}}\limits^ \to   + \mathop {{B_2}}\limits^ \to  \)

+ Vì \(\mathop {{B_1}}\limits^ \to  \) và \(\mathop {{B_2}}\limits^ \to  \) vuông góc với nhau nên: \(B = \sqrt {B_1^2 + B_2^2}  = \sqrt 2 {B_1} = \sqrt 2 .2\sqrt 2 \pi {.10^{ – 6}} = 4\pi {.10^{ – 6}}T\)

Câu 25 :

 Một thanh dẫn điện dài 1m, chuyển động trong từ trường đều có cảm ứng từ B = 0,4T (Véctơ cảm ứng từ \(\overrightarrow B \)vuông góc với thanh) với vận tốc 2m/s, vuông góc với thanh và làm với \(\overrightarrow B \) một góc 300. Suất điện động cảm ứng trong thanh là:

  • A.

    0,4V

  • B.

    0,2V

  • C.

    0,7V

  • D.

    0,8V

Đáp án : A

Phương pháp giải :

Vận dụng biểu thức tính suất điện động cảm ứng trong đoạn dây dẫn: \(\left| {{e_C}} \right| = Blv\sin \theta \)

Lời giải chi tiết :

Ta có, suất điện động cảm ứng trong thanh là: \(\left| {{e_C}} \right| = Blv\sin \theta  = 0,4.1.2.sin{30^0} = 0,4V\)

Câu 26 :

Tia sáng truyền trong không khí tới gặp mặt thoáng của chất lỏng có chiết suất \(\sqrt 3 \) . Ta được hai tia phản xạ và khúc xạ vuông góc với nhau. Góc tới i = ?

  • A.

    \(\frac{\pi }{6}\)

  • B.

    \(\frac{\pi }{4}\)

  • C.

    \(\frac{\pi }{3}\)

  • D.

    \(\frac{\pi }{{12}}\)

Đáp án : C

Phương pháp giải :

+Vận dụng tính chất của góc phản xạ

+ Vận dụng biểu thức định luật khúc xạ ánh sáng: \({n_1}\sin i = {n_2}{\mathop{\rm s}\nolimits} {\rm{inr}}\)

Lời giải chi tiết :

Theo đầu bài, ta có:

\(\left\{ \begin{array}{l}{n_1} = 1\\{n_2} = \sqrt 3 \end{array} \right.\)

Gọi i’ là góc phản xạ, ta có: \(i’ + r = {90^0} \to i + r = {90^0}\)

(Do góc phản xạ bằng góc tới)

Theo định luật khúc xạ ánh sáng, ta có:

${n_1}\sin i = {n_2}\operatorname{s} {\text{inr}} \leftrightarrow 1.\sin i = \sqrt 3 \sin ({90^0} – i) = \sqrt 3 {\text{cos}}i \to \tan i = \sqrt 3 \to i = {60^0} = \frac{{60.\pi }}{{180}} = \frac{\pi }{3}\left( {ra{\text{d}}} \right)$

Câu 27 :

Vật sáng AB đặt vuông góc với trục chính của một thấu kính hội tụ có độ tụ 2dp và cách thấu kính một khoảng 25cm. Khoảng cách từ ảnh A’B’ đến AB là:

  • A.

    25cm

  • B.

    35cm

  • C.

    60cm

  • D.

    50cm

Đáp án : A

Phương pháp giải :

+ Sử dụng công thức tính độ tụ: \(D = \frac{1}{f}\)

+ Áp dụng công thức thấu kính:

\(\frac{1}{f} = \frac{1}{d} + \frac{1}{{d’}}\)

+ Khoảng cách vật ảnh: \(L = \left| {d + d’} \right|\)

Lời giải chi tiết :

Ta có:

+ Tiêu cự của thấu kính: \(f = \frac{1}{D} = \frac{1}{2} = 0,5m = 50cm\)

+ \(\frac{1}{f} = \frac{1}{d} + \frac{1}{{d’}} \to d’ = \frac{{df}}{{d – f}} = \frac{{25.50}}{{25 – 50}} =  – 50cm\)

+ Khoảng cách vật ảnh: \(L = \left| {d + d’} \right| = \left| {25 – 50} \right| = 25cm\)

Câu 28 :

Một người cận thị về già, khi đọc sách cách mắt gần nhất 25cm phải đeo sát mắt kính số 2. Điểm cực cận của người đó nằm trên trục của mắt và cách mắt

  • A.

    25 cm

  • B.

    50 cm

  • C.

    1 m

  • D.

    2 m

Đáp án : B

Phương pháp giải :

+ Áp dụng biểu thức xác định tiêu cự của thấu kính: \(f = \frac{1}{D}\)

+ Sử dụng công thức thấu kính: \(\frac{1}{f} = \frac{1}{d} + \frac{1}{{d’}}\)

Lời giải chi tiết :

+ Kính cận số 2 có \(D =  – 2dp \to f =  – 0,5m\)

+ Quan sát vật cách mắt 25cm qua kính => OCc= -d’=-df/(d+f)=50cm

Câu 29 :

Cho mạch điện như hình vẽ:

\(E = 9V,r = 1\Omega \), \({R_1} = {R_2} = {R_3} = 3\Omega \), \({R_4} = 6\Omega \). Tính cường độ dòng điện chạy qua \({R_1}\)

  • A.

    \(\dfrac{1}{2}A\)

  • B.

    \(1A\)

  • C.

    \(\dfrac{1}{3}A\)

  • D.

    \(\dfrac{2}{3}A\)

Đáp án : D

Phương pháp giải :

+ Sử dụng biểu thức tính điện trở tương đương của các điện trở mắc nối tiếp: \(R = {R_1} + {R_2} + …\)

+ Sử dụng biểu thức tính điện trở tương đương của các điện trở mắc song song: \(\dfrac{1}{R} = \dfrac{1}{{{R_1}}} + \dfrac{1}{{{R_2}}} + …\)

+ Sử dụng biểu thức định luật ôm cho toàn mạch: \(I = \dfrac{E}{{{R_N} + r}}\)

+ Sử dụng biểu thức định luật ôm.

Lời giải chi tiết :

+ Từ mạch điện ta thấy: \(\left( {\left[ {{R_2}nt{R_3}} \right]//{R_1}} \right)nt{R_4}\)

\({R_{23}} = {R_2} + {R_3} = 3 + 3 = 6\Omega \)

\({R_{AB}} = \dfrac{{{R_1}{R_{23}}}}{{{R_1} + {R_{23}}}} = \dfrac{{3.6}}{{3 + 6}} = 2\Omega \)

Tổng trở của mạch ngoài: \({R_N} = {R_{AB}} + {R_4} = 2 + 6 = 8\Omega \)

+ Cường độ dòng điện trong mạch chính: \(I = \dfrac{E}{{{R_N} + r}} = \dfrac{9}{{8 + 1}} = 1A\)

\({I_4} = {I_{AB}} = I = 1A\)

+ Hiệu điện thế giữa hai điểm A, B: \({U_{AB}} = {I_{AB}}.{R_{AB}} = 1.2 = 2V\)

Suy ra: \({U_1} = {U_{23}} = 2V\)

+ Dòng điện chạy qua \({R_1}\): \({I_1} = \dfrac{{{U_1}}}{{{R_1}}} = \dfrac{2}{3}\left( A \right)\)

Vậy, cường độ dòng điện qua \({R_1}\) là \(\dfrac{2}{3}A\)

Câu 30 :

Một máy chiếu sử dụng thấu kính hội tụ có tiêu cự 10 cm tạo ảnh thật trên màn có diện tích gấp 400 lần diện tích vật. Thấu kính cách vật và màn  bao nhiêu cm?

  • A.

    11 cm; 440 cm.

  • B.

    10,5 cm; 210 cm

  • C.

    11 cm; 220 cm

  • D.

    10,5 cm; 420 cm.

Đáp án : B

Phương pháp giải :

+ Sử dụng biểu thức xác định hệ số phóng đại: \(k =  – \frac{{d’}}{d} = \frac{{A’B’}}{{AB}}\)

+ Sử dụng công thức thấu kính: \(\frac{1}{f} = \frac{1}{d} + \frac{1}{{d’}}\)

+ Sử dụng công thức tính khoảng cách vật – ảnh: \(L = d + d’\)  

Lời giải chi tiết :

+ Gọi k là số phóng đại ảnh của thấu kính; \({S_v} = {\rm{ }}a{\rm{ }}x{\rm{ }}b\) là diện tích vật; \({S_a} = {\rm{ }}a'{\rm{ }}x{\rm{ }}b’\)  là diện tích ảnh trên màn.

+ Theo định nghĩa: \(a'{\rm{ }} = {\rm{ }}\left| k \right|a;{\rm{ }}b'{\rm{ }} = {\rm{ }}\left| k \right|b\)

\( \to {S_a} = {k^2}\left( {a{\rm{ }}x{\rm{ }}b} \right) = {k^2}{S_v} \to \left| k \right| = \sqrt {\frac{{{S_a}}}{{{S_v}}}} \)

+ Thay số, lưu ý ảnh thật ngược chiều với vật, ta được k = – 20.

+ Vận dụng công thức thấu kính: \(\frac{1}{f} = \frac{1}{d} + \frac{1}{{d’}}\) và \(k =  – \frac{{d’}}{d}\)

\( \to d = \frac{{f\left( {k – 1} \right)}}{k}\)

Thay số, được d = 10,5 cm; d’ = 210 cm

Các bài khác cùng chuyên mục

TẢI APP ĐỂ XEM OFFLINE

Đề kiểm tra 15 phút

Đề kiểm tra 1 tiết