11. Đề kiểm tra 15 phút chương 4: Dao động và sóng điện từ – Đề số 1

Đề bài

Câu 1 :

Điện trường xoáy là điện trường

  • A.

    Có các đường sức là đường cong kín

  • B.

    Có các đường sức không khép kín.

  • C.

    Giữa hai bản tụ điện có điện tích không đổi

  • D.

    Của các điện tích đứng yên.

Câu 2 :

Biểu thức của cường độ dòng điện trong mạch dao động LC là \(i = {I_0}\cos (\omega t + \varphi )\). Biểu thức của điện tích trong mạch là:

  • A.

    \(q = \omega {I_0}\cos (\omega t + \varphi )\)

  • B.

    \(q = \frac{{{I_0}}}{\omega }\cos (\omega t + \varphi  – \frac{\pi }{2})\)

  • C.

    \(q = \omega {I_0}\cos (\omega t + \varphi  – \frac{\pi }{2})\)

  • D.

    \(q = {Q_0}\sin (\omega t + \varphi – \frac{\pi }{2})\)

Câu 3 :

Những sóng nào sau đây không phải là sóng điện từ ?

  • A.

    Sóng phát ra từ loa phóng thanh.

  • B.

    Sóng của đài phát thanh (sóng radio).

  • C.

    Sóng của đài truyền hình (sóng tivi).

  • D.

    Ánh sáng phát ra từ ngọn nến đang cháy.

Câu 4 :

Nhận xét nào sau đây về đặc điểm của mạch dao động điện từ điều hoà LC là không đúng?

  • A.

    Điện tích trong mạch biến thiên điều hoà.

  • B.

    Năng lượng điện trường tập trung chủ yếu ở tụ điện.

  • C.

    Năng lượng từ trường tập trung chủ yếu ở cuộn cảm.

  • D.

    Tần số dao động của mạch phụ thuộc vào điện tích của tụ điện.

Câu 5 :

Dao động điện từ trong mạch LC tắt càng nhanh khi ?

  • A.

    Tụ điện có điện dung càng lớn.

  • B.

    Mạch có điện trở càng lớn.

  • C.

    Mạch có tần số riêng càng lớn.

  • D.

    Cuộn dây có độ tự cảm càng lớn.

Câu 6 :

Mạch dao động điện từ gồm tụ điện C và cuộn cảm L, dao động tự do với tần số góc

  • A.

    \(\omega = 2\pi \sqrt {LC} \)

  • B.

    \(\omega = \frac{{2\pi }}{{\sqrt {LC} }}\)

  • C.

    \(\omega = \sqrt {LC} \)

  • D.

    \(\omega = \frac{1}{{\sqrt {LC} }}\)

Câu 7 :

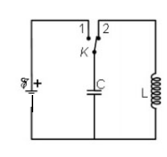
Cho mạch điện như hình vẽ. Biết $C = 500 pF$, $L = 0,2mH$, $E = 1,5 V$. Lấy $π^2= 10$. Tại thời điểm $t = 0$,  khóa K chuyển từ 1 sang 2. Thiết lập phương trình biểu diễn sự phụ thuộc của điện tích trên tụ điện C theo thời gian?

  • A.

    $q = 0,75cos(10^6πt + π) nC$

  • B.

    $q = 0,75cos(10^6πt) nC$

  • C.

    $q = 0,75cos(10^6πt – π) nC$

  • D.

    $q = 0,75cos(10^6πt + \dfrac{π}{2}) nC$

Câu 8 :

Cường độ dòng điện tức thời trong mạch dao động LC có dạng $i= 0,02cos2000t(A)$. Tụ điện trong mạch có điện dung $5μF$. Độ tự cảm của cuộn cảm là:

  • A.

    L = 50mH

  • B.

    L = 50H

  • C.

    L = 5.10-6H

  • D.

    L = 5.10-8H

Câu 9 :

Mạch dao động gồm cuộn dây có độ tự cảm \(L{\rm{ }} = 20\mu H\) , điện trở thuần \(R{\rm{ }} = 4\Omega \) và tụ điện có điện dung C = 2nF .Cần cung cấp cho mạch công suất là bao nhiêu để duy trì dao động điện từ trong mạch , biết rằng hiệu điện thế cực đại giữa hai tụ là 5V :

  • A.

    P = 0,05W

  • B.

    P = 5mW

  • C.

    P = 0,5W

  • D.

    P = 0,5mW

Câu 10 :

Khi điện tích trên tụ tăng từ $0$  lên $0,5{\rm{ }}\left( {\mu C} \right)$  thì đồng thời cường độ dòng điện trong mạch dao động LC lí tưởng giảm từ $3\pi \left( {mA} \right)$  xuống \(\dfrac{{3\sqrt 3 \pi }}{2}mA\) . Khoảng thời gian xảy ra sự biến thiên này là:

  • A.

    \(\dfrac{1}{{18}}\mu s\)

  • B.

    \(\dfrac{1}{6}\mu s\)

  • C.

    \(\dfrac{1}{6}ms\)

  • D.

    \(\dfrac{1}{{18}}ms\)

Câu 11 :

Một mạch dao động gồm một tụ điện có điện dung \(C = 10 pF\) và cuộn dây thuần cảm có độ tự cảm \(L = 0,25 mH\), cường độ dòng điện cực đại là \(50 mA\). Tại thời điểm ban đầu cường độ dòng điện qua mạch bằng không. Biểu thức của điện tích trên tụ là:

  • A.

    $q = {5.10^{ – 10}}cos\left( {{{10}^7}t + \dfrac{\pi }{2}} \right)C$

  • B.

    $q = 2,{5.10^{ – 10}}\sin \left( {{{10}^7}t} \right)C$

  • C.

    $q = {5.10^{ – 9}}cos\left( {{{2.10}^7}t + \dfrac{\pi }{2}} \right)C$

  • D.

    $q = 2,{5.10^{ – 9}}cos\left( {{{2.10}^7}t} \right)C$

Câu 12 :

Một mạch dao động LC đang thu được sóng trung. Để mạch có thể thu được sóng ngắn thì phải

  • A.

    Mắc nối tiếp thêm vào mạch một tụ điện có điện dung thích hợp

  • B.

    Mắc nối tiếp thêm vào mạch một điện trở thuần thích hợp

  • C.

    Mắc nối tiếp thêm vào mạch một cuộn dây thuần cảm thích hợp

  • D.

    Mắc song song thêm vào mạch một tụ điện có điện dung thích hợp

Lời giải và đáp án

Câu 1 :

Điện trường xoáy là điện trường

  • A.

    Có các đường sức là đường cong kín

  • B.

    Có các đường sức không khép kín.

  • C.

    Giữa hai bản tụ điện có điện tích không đổi

  • D.

    Của các điện tích đứng yên.

Đáp án : A

Phương pháp giải :

Xem lí thuyết mục 1 – phần I

Lời giải chi tiết :

Điện trường xoáy là điện trường có các đường sức là đường cong kín

Câu 2 :

Biểu thức của cường độ dòng điện trong mạch dao động LC là \(i = {I_0}\cos (\omega t + \varphi )\). Biểu thức của điện tích trong mạch là:

  • A.

    \(q = \omega {I_0}\cos (\omega t + \varphi )\)

  • B.

    \(q = \frac{{{I_0}}}{\omega }\cos (\omega t + \varphi  – \frac{\pi }{2})\)

  • C.

    \(q = \omega {I_0}\cos (\omega t + \varphi  – \frac{\pi }{2})\)

  • D.

    \(q = {Q_0}\sin (\omega t + \varphi – \frac{\pi }{2})\)

Đáp án : B

Phương pháp giải :

+ Áp dụng độ lệch pha giữa cường độ dòng điện và điện tích

+ Áp dụng biểu thức mối liên hệ giữa cường độ dòng điện cực đại và điện tích cực đại : \({I_0} = \omega {q_0}\) 

Lời giải chi tiết :

Ta có , điện tích q trễ pha hơn cường độ dòng điện 1 góc π/2 và \({I_0} = \omega {q_0}\)

\(i = {I_0}\cos (\omega t + \varphi ) \to q = \frac{{{I_0}}}{\omega }\cos (\omega t + \varphi  – \frac{\pi }{2})\)

Câu 3 :

Những sóng nào sau đây không phải là sóng điện từ ?

  • A.

    Sóng phát ra từ loa phóng thanh.

  • B.

    Sóng của đài phát thanh (sóng radio).

  • C.

    Sóng của đài truyền hình (sóng tivi).

  • D.

    Ánh sáng phát ra từ ngọn nến đang cháy.

Đáp án : A

Phương pháp giải :

Vận dụng lí thuyết về sóng điện từ

Lời giải chi tiết :

A- không phải là sóng điện từ vì sóng phát ra từ loa là sóng cơ vì nó phát ra âm thanh nghe được

B, C, D – là sóng điện từ

Câu 4 :

Nhận xét nào sau đây về đặc điểm của mạch dao động điện từ điều hoà LC là không đúng?

  • A.

    Điện tích trong mạch biến thiên điều hoà.

  • B.

    Năng lượng điện trường tập trung chủ yếu ở tụ điện.

  • C.

    Năng lượng từ trường tập trung chủ yếu ở cuộn cảm.

  • D.

    Tần số dao động của mạch phụ thuộc vào điện tích của tụ điện.

Đáp án : D

Phương pháp giải :

Xem lí thuyết phần I – Nội dung lí thuyết

Lời giải chi tiết :

A, B, C – đúng

D – sai vì: tần số dao động của mạch: $f = \frac{1}{{2\pi \sqrt {LC} }}$

Câu 5 :

Dao động điện từ trong mạch LC tắt càng nhanh khi ?

  • A.

    Tụ điện có điện dung càng lớn.

  • B.

    Mạch có điện trở càng lớn.

  • C.

    Mạch có tần số riêng càng lớn.

  • D.

    Cuộn dây có độ tự cảm càng lớn.

Đáp án : B

Lời giải chi tiết :

Ta có năng lượng mất mát khi trong mạch có điện trở R là : \(Q = {I^2}Rt = \dfrac{{I_0^2}}{2}Rt\)

=> Sự tắt dần nhanh hay chậm phụ thuộc vào điện trở R

Câu 6 :

Mạch dao động điện từ gồm tụ điện C và cuộn cảm L, dao động tự do với tần số góc

  • A.

    \(\omega = 2\pi \sqrt {LC} \)

  • B.

    \(\omega = \frac{{2\pi }}{{\sqrt {LC} }}\)

  • C.

    \(\omega = \sqrt {LC} \)

  • D.

    \(\omega = \frac{1}{{\sqrt {LC} }}\)

Đáp án : D

Phương pháp giải :

Xem lí thuyết mục 1- phần I – Bài Mạch dao động LC

Lời giải chi tiết :

Tần số góc của dao động điện từ tự do được xác định bằng biểu thức: \(\omega  = \frac{1}{{\sqrt {LC} }}\)

Câu 7 :

Cho mạch điện như hình vẽ. Biết $C = 500 pF$, $L = 0,2mH$, $E = 1,5 V$. Lấy $π^2= 10$. Tại thời điểm $t = 0$,  khóa K chuyển từ 1 sang 2. Thiết lập phương trình biểu diễn sự phụ thuộc của điện tích trên tụ điện C theo thời gian?

  • A.

    $q = 0,75cos(10^6πt + π) nC$

  • B.

    $q = 0,75cos(10^6πt) nC$

  • C.

    $q = 0,75cos(10^6πt – π) nC$

  • D.

    $q = 0,75cos(10^6πt + \dfrac{π}{2}) nC$

Đáp án : B

Phương pháp giải :

+ Áp dụng công thức tính tần số góc: \(\omega  = \dfrac{1}{{\sqrt {LC} }}\)

+ Áp dụng biểu thức: \({U_0} = \dfrac{{{q_0}}}{C}\)

+ Xác định pha ban đầu của dao động

+ Viết phương trình điện tích

Lời giải chi tiết :

Ta có:

+ Tần số góc: \(\omega  = \dfrac{1}{{\sqrt {LC} }} = \dfrac{1}{{\sqrt {0,{{2.10}^{ – 3}}{{.500.10}^{ – 12}}} }} = {10^6}\pi (ra{\text{d}}/s)\)

+ Điện tích cực đại: ${U_0} = \dfrac{{{q_0}}}{C} \to {q_0} = {U_0}C = E.C = 1,{5.500.10^{ – 12}} = 0,{75.10^{ – 9}}C$ 

Khi K ở vị trí 1 => Tụ được tích điện

+ Tại t = 0: Khóa K chuyển từ 1 sang 2 => Tụ bắt đầu phóng điện

\( \to t = 0:q = {q_0} \to {\varphi _q} = 0\)

=> Biểu thức điện tích q-t: \(q{\rm{ }} = {\rm{ }}0,75cos({10^6}\pi t){\rm{ }}nC\)

Câu 8 :

Cường độ dòng điện tức thời trong mạch dao động LC có dạng $i= 0,02cos2000t(A)$. Tụ điện trong mạch có điện dung $5μF$. Độ tự cảm của cuộn cảm là:

  • A.

    L = 50mH

  • B.

    L = 50H

  • C.

    L = 5.10-6H

  • D.

    L = 5.10-8H

Đáp án : A

Phương pháp giải :

+ Đọc phương trình cường độ dòng điện trong mạch LC

+ Áp dụng biểu thức xác định tần số góc của mạch dao động LC: $\omega  = \frac{1}{{\sqrt {LC} }}$

Lời giải chi tiết :

Từ phương trình cường độ dòng điện $i = 0,02cos2000t(A)$

Ta có: $ω = 2000 (rad/s)$

Mặt khác, ta có: $\omega = \dfrac{1}{{\sqrt {LC} }} \to L = \dfrac{1}{{{\omega ^2}C}} = \dfrac{1}{{{{2000}^2}{{.5.10}^{ – 6}}}} = 0,05H$

Câu 9 :

Mạch dao động gồm cuộn dây có độ tự cảm \(L{\rm{ }} = 20\mu H\) , điện trở thuần \(R{\rm{ }} = 4\Omega \) và tụ điện có điện dung C = 2nF .Cần cung cấp cho mạch công suất là bao nhiêu để duy trì dao động điện từ trong mạch , biết rằng hiệu điện thế cực đại giữa hai tụ là 5V :

  • A.

    P = 0,05W

  • B.

    P = 5mW

  • C.

    P = 0,5W

  • D.

    P = 0,5mW

Đáp án : B

Phương pháp giải :

Sử dụng các công thức xác định:

  • Cường độ dòng điện cực đại trong mạch: \({I_0} = {U_0}\sqrt {\frac{C}{L}} \)
  • Công suất cần cung cấp để duy trì dao động của mạch: \(P = \frac{Q}{t} = \frac{{{I^2}Rt}}{t} = {I^2}R = \frac{{I_0^2}}{2}R\)

Lời giải chi tiết :

Cường độ dòng điện cực đại trong mạch: \({I_0} = {U_0}\sqrt {\frac{C}{L}}  = 5\sqrt {\frac{{{{2.10}^{ – 9}}}}{{{{20.10}^{ – 6}}}}}  = 0,05{\rm{A}}\)

Công suất cần cung cấp để duy trì dao động của mạch: \(P = \frac{Q}{t} = \frac{{{I^2}Rt}}{t} = {I^2}R = \frac{{I_0^2}}{2}R = \frac{{{{\left( {0,05} \right)}^2}}}{2}4 = {5.10^{ – 3}}{\rm{W}} = 5m{\rm{W}}\)

Câu 10 :

Khi điện tích trên tụ tăng từ $0$  lên $0,5{\rm{ }}\left( {\mu C} \right)$  thì đồng thời cường độ dòng điện trong mạch dao động LC lí tưởng giảm từ $3\pi \left( {mA} \right)$  xuống \(\dfrac{{3\sqrt 3 \pi }}{2}mA\) . Khoảng thời gian xảy ra sự biến thiên này là:

  • A.

    \(\dfrac{1}{{18}}\mu s\)

  • B.

    \(\dfrac{1}{6}\mu s\)

  • C.

    \(\dfrac{1}{6}ms\)

  • D.

    \(\dfrac{1}{{18}}ms\)

Đáp án : D

Phương pháp giải :

+ Sử dụng vòng tròn lượng giác

+ Áp dụng công thức mối liên hệ giữa q0 và I0: \(\omega  = \dfrac{{{I_0}}}{{{q_0}}}\)

+ Áp dụng công thức: \(\Delta \varphi  = \omega \Delta t\)

Lời giải chi tiết :

Ta có:

– Khi $q = 0,i = 3\pi (mA) = {I_0}$

=> khi \(i = \dfrac{{3\sqrt 3 \pi }}{2}mA = \dfrac{{{I_0}\sqrt 3 }}{2}\)

Vẽ vòng tròn lượng giác, ta được:

Từ vòng tròn lượng giác, ta có: ${\rm{cos}}\Delta \varphi {\rm{ = }}\dfrac{{\dfrac{{{I_0}\sqrt 3 }}{2}}}{{{I_0}}} = \dfrac{{\sqrt 3 }}{2} \to \Delta \varphi  = \dfrac{\pi }{6}$

\(\begin{array}{l} \to q’ = {q_0}\sin \Delta \varphi  = {q_0}\sin \dfrac{\pi }{6} = \dfrac{{{q_0}}}{2} = 0,5\mu C \to {q_0} = 1\mu C\\ \to \omega  = \dfrac{{{I_0}}}{{{q_0}}} = \dfrac{{3\pi {{.10}^{ – 3}}}}{{{{10}^{ – 6}}}} = 3\pi {.10^3}({\rm{r}}a{\rm{d}}/s)\end{array}\)

Ta có: \(\Delta \varphi  = \omega \Delta t \to \Delta t = \dfrac{{\Delta \varphi }}{\omega } = \dfrac{{\dfrac{\pi }{6}}}{{3\pi {{.10}^3}}} = \dfrac{1}{{18}}{.10^{ – 3}} = \dfrac{1}{{18}}ms\)

Câu 11 :

Một mạch dao động gồm một tụ điện có điện dung \(C = 10 pF\) và cuộn dây thuần cảm có độ tự cảm \(L = 0,25 mH\), cường độ dòng điện cực đại là \(50 mA\). Tại thời điểm ban đầu cường độ dòng điện qua mạch bằng không. Biểu thức của điện tích trên tụ là:

  • A.

    $q = {5.10^{ – 10}}cos\left( {{{10}^7}t + \dfrac{\pi }{2}} \right)C$

  • B.

    $q = 2,{5.10^{ – 10}}\sin \left( {{{10}^7}t} \right)C$

  • C.

    $q = {5.10^{ – 9}}cos\left( {{{2.10}^7}t + \dfrac{\pi }{2}} \right)C$

  • D.

    $q = 2,{5.10^{ – 9}}cos\left( {{{2.10}^7}t} \right)C$

Đáp án : D

Phương pháp giải :

– Cách 1:

+ Áp dụng công thức tính tần số góc: \(\omega  = \dfrac{1}{{\sqrt {LC} }}\)

+ Áp dụng công thức tính điện tích cực đại trên bản tụ: \({q_0} = \dfrac{{{I_0}}}{\omega }\)

+ Xác định \(\varphi \), tại \(t{\rm{ }} = {\rm{ }}0\):  \(q = {q_0}cos\varphi \)

Cách 2: 

+ Sử dụng vòng tròn lượng giác

+ Ta có: \(i = q’\) => điện tích \(q\) trễ pha \(\dfrac{\pi }{2}\) so với cường độ dòng điện hay \({\varphi _q} = {\varphi _i} – \dfrac{\pi }{2}\)

+ Viết phương trình điện tích \(q = {q_0}cos\left( {\omega t + {\varphi _q}} \right)\)

Lời giải chi tiết :

+ Tần số góc: \(\omega  = \dfrac{1}{{\sqrt {LC} }} = \dfrac{1}{{\sqrt {0,{{25.10}^{ – 3}}{{.10.10}^{ – 12}}} }} = {2.10^7}(ra{\rm{d}}/s)\)

+ Điện tích cực đại trên tụ: \({q_0} = \dfrac{{{I_0}}}{\omega } = \dfrac{{{{50.10}^{ – 3}}}}{{{{2.10}^7}}} = 2,{5.10^{ – 9}}C\)

+ Tại t = 0: \(i = 0 \to q = {q_{max}} = {q_0} = {q_0}c{\rm{os}}\varphi  \to c{\rm{os}}\varphi {\rm{ = 1}} \to \varphi {\rm{ = 0}}\)

=> \(q{\text{ }} = {\text{ }}2,{5.10^{ – 9}}cos\left( {{{2.10}^7}t} \right){\text{ }}C\)

Cách 2:

Ta có:

+ Tần số góc: \(\omega  = \dfrac{1}{{\sqrt {LC} }} = \dfrac{1}{{\sqrt {0,{{25.10}^{ – 3}}{{.10.10}^{ – 12}}} }} = {2.10^7}(ra{\rm{d}}/s)\)

+ Cường độ dòng điện cực đại: \({I_0} = \omega {q_0} \to {q_0} = \dfrac{{{I_0}}}{\omega } = \dfrac{{{{50.10}^{ – 3}}}}{{{{2.10}^7}}} = 2,{5.10^{ – 9}}C\)

+ Tại thời điểm ban đầu \(t = 0\), \(i = 0\) và đang tăng, vẽ trên vòng tròn lượng giác, ta được:

\( \to {\varphi _i} =  – \dfrac{\pi }{2}\)

\( \to {\varphi _q} = {\varphi _i} – \dfrac{\pi }{2} = \dfrac{\pi }{2} – \dfrac{\pi }{2} = 0\)

=> Phương trình điện áp: \(q = {q_0}cos\left( {\omega t + {\varphi _q}} \right) = 2,{5.10^{ – 9}}cos\left( {{{2.10}^7}t} \right)C\)

Câu 12 :

Một mạch dao động LC đang thu được sóng trung. Để mạch có thể thu được sóng ngắn thì phải

  • A.

    Mắc nối tiếp thêm vào mạch một tụ điện có điện dung thích hợp

  • B.

    Mắc nối tiếp thêm vào mạch một điện trở thuần thích hợp

  • C.

    Mắc nối tiếp thêm vào mạch một cuộn dây thuần cảm thích hợp

  • D.

    Mắc song song thêm vào mạch một tụ điện có điện dung thích hợp

Đáp án : A

Phương pháp giải :

+ Vận dụng lí thuyết về sóng trung và sóng ngắn

+ Vận dụng biểu thức tính bước sóng

+ Vận dụng lí thuyết về mạch có C nối tiếp, song song

Lời giải chi tiết :

Ta có:

+ Sóng trung có bước sóng dài hơn sóng ngắn

+ Bước sóng: \(\lambda  = 2\pi c\sqrt {LC} \) tỉ lệ thuận với \(\sqrt C ,\sqrt L \) 

=> Mạch đang thu được sóng trung, để mạch có thể thu được sóng ngắn thì ta cần mắc thêm vào mạch một tụ điện có điện dung hoặc cuộn cảm có độ tự cảm thích hợp sao cho bước sóng của mạch giảm

A- Khi mắc nối tiếp thêm tụ điện : \(\frac{1}{{{C_{nt}}}} = \frac{1}{{{C_1}}} + \frac{1}{{{C_2}}} \to {C_{nt}} < {C_1} \to \lambda  \downarrow \) thỏa mãn

B- Bước sóng không phụ thuộc vào điện trở => không thỏa mãn

C- Khi mắc nối tiếp thêm cuộn cảm: \({L_{nt}} = {L_1} + {L_2} > {L_1} \to \lambda  \uparrow \) không thỏa mãn

D- Khi mắc song song thêm tụ điện: \({C_{//}} = {C_1} + {C_2} > {C_1} \to \lambda  \uparrow \)không thỏa mãn

TẢI APP ĐỂ XEM OFFLINE

Đề kiểm tra 15 phút

Đề kiểm tra 1 tiết