10. Đề kiểm tra 1 tiết chương 4: Dao động và sóng điện từ – Đề số 1

Đề bài

Câu 1 :

Mắc mạch dao động LC vào một nguồn điện ngoài, nguồn này có hiệu điện thế biến thiên theo thời gian u = U0cosωt. Nhận xét nào sau đây về dòng điện trong mạch LC là đúng:

  • A.

    Dòng điện trong mạch LC biến thiên theo tần số \({\omega _0} = \frac{1}{{\sqrt {LC} }}\)

  • B.

    Biên độ dòng điện trong mạch chỉ phụ thuộc biên độ điện áp u và điện trở thuần của mạch.

  • C.

    Biên độ dòng điện trong mạch LC đạt cực đại nếu LC = 1/ω2

  • D.

    Dao động điện từ trong mạch LC là một dao động điện từ duy trì của một hệ tự dao động.

Câu 2 :

Những sóng nào sau đây không phải là sóng điện từ ?

  • A.

    Sóng phát ra từ loa phóng thanh.

  • B.

    Sóng của đài phát thanh (sóng radio).

  • C.

    Sóng của đài truyền hình (sóng tivi).

  • D.

    Ánh sáng phát ra từ ngọn nến đang cháy.

Câu 3 :

Bước sóng sóng điện từ được xác định bởi biểu thức nào?

  • A.

    \(\lambda  = 2\pi c\sqrt {LC} \)

  • B.

    \(\lambda  = \frac{{2\pi }}{{\sqrt {LC} }}\)

  • C.

    \(\lambda  = \frac{{\sqrt {LC} }}{{2\pi }}\)

  • D.

    \(\lambda  = 2\pi \sqrt {\frac{L}{C}} \)

Câu 4 :

Nhận xét nào sau đây về đặc điểm của mạch dao động điện từ điều hoà LC là không đúng?

  • A.

    Điện tích trong mạch biến thiên điều hoà.

  • B.

    Năng lượng điện trường tập trung chủ yếu ở tụ điện.

  • C.

    Năng lượng từ trường tập trung chủ yếu ở cuộn cảm.

  • D.

    Tần số dao động của mạch phụ thuộc vào điện tích của tụ điện.

Câu 5 :

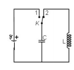
Cho mạch điện như hình vẽ. Biết $C = 500 pF$, $L = 0,2mH$, $E = 1,5 V$. Lấy $π^2= 10$. Tại thời điểm $t = 0$,  khóa K chuyển từ 1 sang 2. Thiết lập phương trình biểu diễn sự phụ thuộc của điện tích trên tụ điện C theo thời gian?

  • A.

    $q = 0,75cos(10^6πt + π) nC$

  • B.

    $q = 0,75cos(10^6πt) nC$

  • C.

    $q = 0,75cos(10^6πt – π) nC$

  • D.

    $q = 0,75cos(10^6πt + \dfrac{π}{2}) nC$

Câu 6 :

Tìm phát biểu sai về điện từ trường?

  • A.

    Một từ trường biến thiên theo thời gian sinh ra một điện trường xoáy ở các điểm lân cận.

  • B.

    Một điện trường biến thiên theo thời gian sinh ra một từ trường xoáy ở các điểm lân cận.

  • C.

    Điện trường và từ trường không đổi theo thời gian cũng có các đường sức là những đường cong khép kín.

  • D.

    Đường sức của điện trường xoáy là các đường cong kín bao quanh các đường sức của từ trường biến thiên.

Câu 7 :

Một máy thu thanh đang thu sóng ngắn. Để chuyển sang thu sóng trung, có thể thực hiện giải pháp nào sau đây trong mạch dao động anten

  • A.

    Giảm C và giảm L

  • B.

    Giữ nguyên C và giảm L

  • C.

    Tăng L và tăng C

  • D.

    Giữ nguyên L và giảm C

Câu 8 :

Phương trình dao động của điện tích trong mạch dao động LC là \(q = {Q_0}\cos (\omega t + \varphi )\). Biểu thức của dòng điện trong mạch là:

  • A.

    \(i = \omega {Q_0}\cos (\omega t + \varphi )\)

  • B.

    \(i = \omega {Q_0}\cos (\omega t + \varphi  + \frac{\pi }{2})\)

  • C.

    \(i = \omega {Q_0}\cos (\omega t + \varphi  – \frac{\pi }{2})\)

  • D.

    \(i = \omega {Q_0}\sin (\omega t + \varphi )\)

Câu 9 :

Điều nào sau đây là sai khi nói về nguyên tắc phát và thu sóng điện từ ?

  • A.

    Không thể có một thiết bị vừa thu và phát sóng điện từ.

  • B.

    Để thu sóng điện từ cần dùng một ăng ten.

  • C.

    Nhờ có ăng ten mà ta có thể chọn lọc được sóng cần thu.

  • D.

    Để phát sóng điện từ phải mắc phối hợp một máy dao động điều hoà với một ăng ten.

Câu 10 :

Nếu quy ước: 1- chọn sóng; 2- tách sóng; 3- khuyếch đại âm tần; 4- khuyếch đại cao tần; 5-chuyển thành sóng âm. Việc thu sóng điện  từ  trong máy thu thanh phải qua các giai đoạn nào, với thứ  tự nào?

  • A.

    1, 2, 5, 4, 3.

  • B.

    1, 3, 2, 4, 5.

  • C.

    1, 4, 2, 3, 5.

  • D.

    1, 2, 3, 4, 5.

Câu 11 :

Trong sơ đồ khối của máy thu thanh vô tuyến điện đơn giản không có bộ phận nào dưới đây?  

  • A.

    Mạch biến điệu

  • B.

    Anten thu

  • C.

    Mạch khuếch đại

  • D.

    Mạch tách sóng

Câu 12 :

Mạch dao động điện từ điều hoà có cấu tạo gồm

  • A.

    Nguồn điện một chiều và tụ điện mắc thành mạch kín.

  • B.

    Nguồn điện một chiều và cuộn cảm mắc thành mạch kín.

  • C.

    Nguồn điện một chiều và điện trở mắc thành mạch kín.

  • D.

    Tụ điện và cuộn cảm mắc thành mạch kín.

Câu 13 :

Mạch dao động điện từ điều hoà LC gồm tụ điện C = 30nF và cuộn cảm L =25mH. Nạp điện cho tụ điện đến hiệu điện thế 4,8V rồi cho tụ phóng điện qua cuộn cảm, cường độ dòng điện hiệu dụng trong mạch là:

  • A.

    I = 3,72mA.

  • B.

    I = 4,28mA.

  • C.

    I = 5,20mA.

  • D.

    I = 6,34mA.

Câu 14 :

Mạch dao động điện từ gồm tụ điện C = 16nF và cuộn cảm L = 25mH. Tần số góc dao động của mạch là:

  • A.

    ω = 200Hz.

  • B.

    ω = 200rad/s.

  • C.

    ω = 5.10-5

  • D.

    ω = 5.104rad/s.

Câu 15 :

Mạch dao động có L = 3,6.10-4 H; C = 18 nF. Mạch được cung cấp một công suất 6mW để duy trì dao động điện từ với hiệu điện thế cực đại trên hai bản tụ là 10V. Điện trở của mạch là:

  • A.

    2 \(\Omega \).

  • B.

    1,2 \(\Omega \).

  • C.

    2,4 \(\Omega \)

  • D.

    1,5 \(\Omega \).

Câu 16 :

Một mạch dao động gồm một tụ điện có điện dung \(C = 10 pF\) và cuộn dây thuần cảm có độ tự cảm \(L = 0,25 mH\), cường độ dòng điện cực đại là \(50 mA\). Tại thời điểm ban đầu cường độ dòng điện qua mạch bằng không. Biểu thức của điện tích trên tụ là:

  • A.

    $q = {5.10^{ – 10}}cos\left( {{{10}^7}t + \dfrac{\pi }{2}} \right)C$

  • B.

    $q = 2,{5.10^{ – 10}}\sin \left( {{{10}^7}t} \right)C$

  • C.

    $q = {5.10^{ – 9}}cos\left( {{{2.10}^7}t + \dfrac{\pi }{2}} \right)C$

  • D.

    $q = 2,{5.10^{ – 9}}cos\left( {{{2.10}^7}t} \right)C$

Câu 17 :

Cho mạch dao động điện từ tự do gồm tụ điện có điện dung C = 1μF. Biết biểu thức cường độ dòng điện trong mạch là i = 20cos(1000t + π/2) mA. Biểu thức điện áp giữa hai bản tụ điện có dạng:

  • A.

    u = 20cos(1000t + π/2) V

  • B.

    u = 20cos(1000t – π/2) V

  • C.

    u = 20cos(1000t) V

  • D.

    u = 20cos(2000t + π/2) V

Câu 18 :

Một mạch dao động điện từ LC lí tưởng gồm cuộn cảm thuần có độ tự cảm 1 H và tụ điện có điện dung 10 μF. Lấy π2 = 10. Lúc đầu, điện tích trên một bản tụ điện đạt giá trị cực đại. Điện tích trên tụ điện có giá trị bằng một nửa giá trị ban đầu sau khoảng thời gian ngắn nhất là:

  • A.

    \(\frac{3}{{400}}s\)

  • B.

    \(\frac{1}{{600}}s\)

  • C.

    \(\frac{1}{{300}}s\)

  • D.

    \(\frac{1}{{1200}}s\)

Câu 19 :

Một mạch dao động LC đang thu được sóng trung. Để mạch có thể thu được sóng ngắn thì phải

  • A.

    Mắc nối tiếp thêm vào mạch một tụ điện có điện dung thích hợp

  • B.

    Mắc nối tiếp thêm vào mạch một điện trở thuần thích hợp

  • C.

    Mắc nối tiếp thêm vào mạch một cuộn dây thuần cảm thích hợp

  • D.

    Mắc song song thêm vào mạch một tụ điện có điện dung thích hợp

Câu 20 :

Mạch chọn sóng của một máy thu vô tuyến điện gồm một tụ điện có điện dung thay đổi từ \(\frac{{10}}{\pi }pF\) đến \(\frac{{160}}{\pi }pF\) và cuộn dây có độ tự cảm \(\frac{{2,5}}{\pi }\mu H\). Mạch trên có thể bắt được sóng điện từ có bước sóng nằm trong khoảng nào ?

  • A.

    \(2m \le \lambda  \le 12m\)

  • B.

    \(3m \le \lambda  \le 12m\)

  • C.

    \(3m \le \lambda  \le 15m\)

  • D.

    \(2m \le \lambda  \le 15m\)      

Câu 21 :

Một mạch chọn sóng gồm cuộn dây có hệ số tự cảm không đổi và một tụ điện có điện dung biến thiên. Khi điện dung của tụ là 20nF thì mạch thu được bước sóng 40m. Nếu muốn thu được bước sóng 60m thì phải điều chỉnh điện dung của tụ

  • A.

    giảm 4nF

  • B.

    giảm 6nF

  • C.

    tăng thêm 25nF

  • D.

    tăng thêm 45nF

Câu 22 :

Mạch chọn sóng của một máy thu thanh gồm cuộn dây có độ tự cảm L = 2.10-6 H, điện trở thuần R = 0. Để máy thu thanh chỉ có thể thu được các sóng điện từ có bước sóng từ 57m đến 753m, người ta mắc tụ điện trong mạch trên bằng một tụ điện có điện dung biến thiên. Hỏi tụ điện này phải có điện dung trong khoảng nào?

  • A.

    2,05.10-7F ≤ C ≤ 14,36.10-7F

  • B.

    0,45.10-9F ≤ C ≤ 79,7.10-9F

  • C.

    3,91.10-10F ≤ C ≤ 60,3.10-10F

  • D.

    0,12.10-8F ≤ C ≤ 26,4.10-8F

Câu 23 :

Mạch dao động ở lối vào của một máy thu thanh gồm một cuộn cảm có độ tự cảm \(5\mu H\)  và tụ điện có điện dung biến thiên. Tính điện dung của tụ khi máy được điều chỉnh để thu sóng có bước sóng 31m. Biết rằng tần số dao động riêng của mạch dao động phải bằng tần số của sóng điện từ cần thu để có cộng hưởng. Lấy \(c = {3.10^8}m/s\)

  • A.

    54pF

  • B.

    54nF

  • C.

    5,4.10-14F

  • D.

    5,4.10-8F

Câu 24 :

Tại Hà Nội, một máy đang phát sóng điện từ. Xét một phương truyền có phương thẳng đứng hướng lên. Vào thời điểm t, tại điểm M trên phương truyền, vectơ cảm ứng từ đang có độ lớn cực đại và hướng về phía Nam. Khi đó vectơ cường độ điện trường có:

  • A.

    Độ lớn cực đại và hướng về phía Tây.

  • B.

    Độ lớn cực đại và hướng về phía Đông.

  • C.

    Độ lớn bằng không.

  • D.

    Độ lớn cực đại và hướng về phía Bắc.

Câu 25 :

Một anten parabol, đặt tại một điểm A trên mặt đất, phát ra một sóng truyền theo phương làm với mặt phẳng ngang góc 450 hướng lên một vệ tinh địa tĩnh V. Coi trái đất là hình cầu, bán kính R=6380km. Vệ tinh địa tĩnh ở độ cao 35800km so với mặt đất. Sóng này truyền từ A đến V mất thời gian:

  • A.

    0,125s

  • B.

    0,119s

  • C.

    0,169s

  • D.

    0,147s

Lời giải và đáp án

Câu 1 :

Mắc mạch dao động LC vào một nguồn điện ngoài, nguồn này có hiệu điện thế biến thiên theo thời gian u = U0cosωt. Nhận xét nào sau đây về dòng điện trong mạch LC là đúng:

  • A.

    Dòng điện trong mạch LC biến thiên theo tần số \({\omega _0} = \frac{1}{{\sqrt {LC} }}\)

  • B.

    Biên độ dòng điện trong mạch chỉ phụ thuộc biên độ điện áp u và điện trở thuần của mạch.

  • C.

    Biên độ dòng điện trong mạch LC đạt cực đại nếu LC = 1/ω2

  • D.

    Dao động điện từ trong mạch LC là một dao động điện từ duy trì của một hệ tự dao động.

Đáp án : C

Lời giải chi tiết :

Ta có mạch được mắc vào nguồn điện ngoài có hiệu điện thế u = U0cosωt => Dao động điện từ trong mạch LC là một dao động cưỡng bức

A – sai vì ω0 là tần số dao động riêng

B – sai vì biên độ dòng điện trong mạch phụ thuộc vào biên độ điện áp ω, U0 nguồn, Rhệ

C – đúng vì khi ω = ω: mạch xảy ra hiện tượng cộng hưởng => Biên độ dòng điện sẽ đạt cực đại

D – sai vì dao động trong mạch là dao động cưỡng bức

Câu 2 :

Những sóng nào sau đây không phải là sóng điện từ ?

  • A.

    Sóng phát ra từ loa phóng thanh.

  • B.

    Sóng của đài phát thanh (sóng radio).

  • C.

    Sóng của đài truyền hình (sóng tivi).

  • D.

    Ánh sáng phát ra từ ngọn nến đang cháy.

Đáp án : A

Phương pháp giải :

Vận dụng lí thuyết về sóng điện từ

Lời giải chi tiết :

A- không phải là sóng điện từ vì sóng phát ra từ loa là sóng cơ vì nó phát ra âm thanh nghe được

B, C, D – là sóng điện từ

Câu 3 :

Bước sóng sóng điện từ được xác định bởi biểu thức nào?

  • A.

    \(\lambda  = 2\pi c\sqrt {LC} \)

  • B.

    \(\lambda  = \frac{{2\pi }}{{\sqrt {LC} }}\)

  • C.

    \(\lambda  = \frac{{\sqrt {LC} }}{{2\pi }}\)

  • D.

    \(\lambda  = 2\pi \sqrt {\frac{L}{C}} \)

Đáp án : A

Lời giải chi tiết :

Bước sóng điện từ được xác định bởi biểu thức: \(\lambda  = 2\pi c\sqrt {LC} \)

Câu 4 :

Nhận xét nào sau đây về đặc điểm của mạch dao động điện từ điều hoà LC là không đúng?

  • A.

    Điện tích trong mạch biến thiên điều hoà.

  • B.

    Năng lượng điện trường tập trung chủ yếu ở tụ điện.

  • C.

    Năng lượng từ trường tập trung chủ yếu ở cuộn cảm.

  • D.

    Tần số dao động của mạch phụ thuộc vào điện tích của tụ điện.

Đáp án : D

Phương pháp giải :

Xem lí thuyết phần I – Nội dung lí thuyết

Lời giải chi tiết :

A, B, C – đúng

D – sai vì: tần số dao động của mạch: $f = \frac{1}{{2\pi \sqrt {LC} }}$

Câu 5 :

Cho mạch điện như hình vẽ. Biết $C = 500 pF$, $L = 0,2mH$, $E = 1,5 V$. Lấy $π^2= 10$. Tại thời điểm $t = 0$,  khóa K chuyển từ 1 sang 2. Thiết lập phương trình biểu diễn sự phụ thuộc của điện tích trên tụ điện C theo thời gian?

  • A.

    $q = 0,75cos(10^6πt + π) nC$

  • B.

    $q = 0,75cos(10^6πt) nC$

  • C.

    $q = 0,75cos(10^6πt – π) nC$

  • D.

    $q = 0,75cos(10^6πt + \dfrac{π}{2}) nC$

Đáp án : B

Phương pháp giải :

+ Áp dụng công thức tính tần số góc: \(\omega  = \dfrac{1}{{\sqrt {LC} }}\)

+ Áp dụng biểu thức: \({U_0} = \dfrac{{{q_0}}}{C}\)

+ Xác định pha ban đầu của dao động

+ Viết phương trình điện tích

Lời giải chi tiết :

Ta có:

+ Tần số góc: \(\omega  = \dfrac{1}{{\sqrt {LC} }} = \dfrac{1}{{\sqrt {0,{{2.10}^{ – 3}}{{.500.10}^{ – 12}}} }} = {10^6}\pi (ra{\text{d}}/s)\)

+ Điện tích cực đại: ${U_0} = \dfrac{{{q_0}}}{C} \to {q_0} = {U_0}C = E.C = 1,{5.500.10^{ – 12}} = 0,{75.10^{ – 9}}C$ 

Khi K ở vị trí 1 => Tụ được tích điện

+ Tại t = 0: Khóa K chuyển từ 1 sang 2 => Tụ bắt đầu phóng điện

\( \to t = 0:q = {q_0} \to {\varphi _q} = 0\)

=> Biểu thức điện tích q-t: \(q{\rm{ }} = {\rm{ }}0,75cos({10^6}\pi t){\rm{ }}nC\)

Câu 6 :

Tìm phát biểu sai về điện từ trường?

  • A.

    Một từ trường biến thiên theo thời gian sinh ra một điện trường xoáy ở các điểm lân cận.

  • B.

    Một điện trường biến thiên theo thời gian sinh ra một từ trường xoáy ở các điểm lân cận.

  • C.

    Điện trường và từ trường không đổi theo thời gian cũng có các đường sức là những đường cong khép kín.

  • D.

    Đường sức của điện trường xoáy là các đường cong kín bao quanh các đường sức của từ trường biến thiên.

Đáp án : C

Phương pháp giải :

Xem lí thuyết mục 1 – phần I

Lời giải chi tiết :

A, B, D – đúng

C – sai vì:  Đường sức của điện trường đều (không đổi theo thời gian) là đường không khép kín  

Câu 7 :

Một máy thu thanh đang thu sóng ngắn. Để chuyển sang thu sóng trung, có thể thực hiện giải pháp nào sau đây trong mạch dao động anten

  • A.

    Giảm C và giảm L

  • B.

    Giữ nguyên C và giảm L

  • C.

    Tăng L và tăng C

  • D.

    Giữ nguyên L và giảm C

Đáp án : C

Phương pháp giải :

+ Vận dụng lí thuyết về sóng trung và sóng ngắn

+ Vận dụng biểu thức tính bước sóng

Lời giải chi tiết :

Ta có:

+ Sóng trung có bước sóng dài hơn sóng ngắn

+ Bước sóng: \(\lambda  = 2\pi c\sqrt {LC} \) tỉ lệ thuận với \(\sqrt C ,\sqrt L \) 

=> Mạch đang thu được sóng ngắn, để mạch có thể thu được sóng trung thì ta cần mắc thêm vào mạch một tụ điện có điện dung hoặc cuộn cảm có độ tự cảm thích hợp sao cho bước sóng của mạch tăng

A- Khi giảm C và giảm L => λ giảm => không thỏa mãn

B- Khi giữ nguyên C và giảm L => λ giảm => không thỏa mãn

C- Khi tăng L và tăng C => λ tăng => thỏa mãn

D- Khi giữ nguyên L và giảm C => λ giảm => không thỏa mãn

Câu 8 :

Phương trình dao động của điện tích trong mạch dao động LC là \(q = {Q_0}\cos (\omega t + \varphi )\). Biểu thức của dòng điện trong mạch là:

  • A.

    \(i = \omega {Q_0}\cos (\omega t + \varphi )\)

  • B.

    \(i = \omega {Q_0}\cos (\omega t + \varphi  + \frac{\pi }{2})\)

  • C.

    \(i = \omega {Q_0}\cos (\omega t + \varphi  – \frac{\pi }{2})\)

  • D.

    \(i = \omega {Q_0}\sin (\omega t + \varphi )\)

Đáp án : B

Phương pháp giải :

Xem lí thuyết mục 1

Lời giải chi tiết :

\(q = {Q_0}\cos (\omega t + \varphi )\)

Biểu thức của cường độ dòng điện trong mạch: \(i = q’ = \omega {Q_0}\cos (\omega t + \varphi  + \frac{\pi }{2})\)

Câu 9 :

Điều nào sau đây là sai khi nói về nguyên tắc phát và thu sóng điện từ ?

  • A.

    Không thể có một thiết bị vừa thu và phát sóng điện từ.

  • B.

    Để thu sóng điện từ cần dùng một ăng ten.

  • C.

    Nhờ có ăng ten mà ta có thể chọn lọc được sóng cần thu.

  • D.

    Để phát sóng điện từ phải mắc phối hợp một máy dao động điều hoà với một ăng ten.

Đáp án : A

Phương pháp giải :

Vận dụng kiến thức thực tế về thu phát sóng điện từ

Lời giải chi tiết :

A – sai vì: có thiết bị có thể vừa thu và phát sóng điện từ như điện thoại, ..

B, C, D -đúng

Câu 10 :

Nếu quy ước: 1- chọn sóng; 2- tách sóng; 3- khuyếch đại âm tần; 4- khuyếch đại cao tần; 5-chuyển thành sóng âm. Việc thu sóng điện  từ  trong máy thu thanh phải qua các giai đoạn nào, với thứ  tự nào?

  • A.

    1, 2, 5, 4, 3.

  • B.

    1, 3, 2, 4, 5.

  • C.

    1, 4, 2, 3, 5.

  • D.

    1, 2, 3, 4, 5.

Đáp án : C

Phương pháp giải :

Xem lí thuyết phần 2

Lời giải chi tiết :

Các giai đoạn trong máy thu thanh:

Anten thu: Thu sóng điện từ cao tần biến điệu.

Mạch khuyếch đại dao động điện từ cao tần: Khuếch đại dao động điện từ cao tần.

Mạch tách sóng: Tách dao động điện từ âm tần ra khỏi dao động điện từ cao tần.

Mạch khuếch đại dao động điện từ âm tần: Khuếch đại dao động điện từ âm tần  từ mạch tách sóng gửi đến.

– Loa: Biến dao động điện thành dao động âm

=> Thứ tự ta cần sắp xếp là: 1 – 4 – 2 – 3 – 5

Câu 11 :

Trong sơ đồ khối của máy thu thanh vô tuyến điện đơn giản không có bộ phận nào dưới đây?  

  • A.

    Mạch biến điệu

  • B.

    Anten thu

  • C.

    Mạch khuếch đại

  • D.

    Mạch tách sóng

Đáp án : A

Phương pháp giải :

Xem lí thuyết phần 2

Lời giải chi tiết :

Trong sơ đồ khối của máy thu thanh vô tuyến điện đơn giản không có bộ phận mạch biến điệu

Câu 12 :

Mạch dao động điện từ điều hoà có cấu tạo gồm

  • A.

    Nguồn điện một chiều và tụ điện mắc thành mạch kín.

  • B.

    Nguồn điện một chiều và cuộn cảm mắc thành mạch kín.

  • C.

    Nguồn điện một chiều và điện trở mắc thành mạch kín.

  • D.

    Tụ điện và cuộn cảm mắc thành mạch kín.

Đáp án : D

Lời giải chi tiết :

Mạch dao động LC bao gồm một tụ điện có điện dung C và cuộn cảm có độ tự cảm L tạo thành mạch kín, gọi là mạch dao động hay khung dao động.

Câu 13 :

Mạch dao động điện từ điều hoà LC gồm tụ điện C = 30nF và cuộn cảm L =25mH. Nạp điện cho tụ điện đến hiệu điện thế 4,8V rồi cho tụ phóng điện qua cuộn cảm, cường độ dòng điện hiệu dụng trong mạch là:

  • A.

    I = 3,72mA.

  • B.

    I = 4,28mA.

  • C.

    I = 5,20mA.

  • D.

    I = 6,34mA.

Đáp án : A

Phương pháp giải :

Áp dụng biểu thức mối liên hệ giữa cường độ dòng điện cực đại và hiệu điện thế cực đại trong mạch dao động LC: \({I_0} = {U_0}\sqrt {\frac{C}{L}} \)

Lời giải chi tiết :

Ta có:

Cường độ dòng điện cực đại trong mạch: \({I_0} = \omega {q_0} = \frac{{{q_0}}}{{\sqrt {LC} }} = \frac{{{U_0}C}}{{\sqrt {LC} }} = {U_0}\sqrt {\frac{C}{L}} \)

=> Cường độ dòng điện hiệu dụng trong mạch: \(I = U\sqrt {\frac{C}{L}}  = \frac{{{U_0}}}{{\sqrt 2 }}\sqrt {\frac{C}{L}}  = \frac{{4,8}}{{\sqrt 2 }}\sqrt {\frac{{{{30.10}^{ – 9}}}}{{{{25.10}^{ – 3}}}}}  = 3,{72.10^{ – 3}}A = 3,72mA\)

Câu 14 :

Mạch dao động điện từ gồm tụ điện C = 16nF và cuộn cảm L = 25mH. Tần số góc dao động của mạch là:

  • A.

    ω = 200Hz.

  • B.

    ω = 200rad/s.

  • C.

    ω = 5.10-5

  • D.

    ω = 5.104rad/s.

Đáp án : D

Phương pháp giải :

Áp dụng biểu thức xác định tần số góc của mạch dao động điện từ LC: $\omega  = \frac{1}{{\sqrt {LC} }}$ 

Lời giải chi tiết :

Ta có, tần số góc của mạch LC dao động tự do: $\omega = \frac{1}{{\sqrt {LC} }} = \frac{1}{{\sqrt {{{25.10}^{ – 3}}{{.16.10}^{ – 9}}} }} = {5.10^4}(ra{\rm{d}}/s)$

 

Câu 15 :

Mạch dao động có L = 3,6.10-4 H; C = 18 nF. Mạch được cung cấp một công suất 6mW để duy trì dao động điện từ với hiệu điện thế cực đại trên hai bản tụ là 10V. Điện trở của mạch là:

  • A.

    2 \(\Omega \).

  • B.

    1,2 \(\Omega \).

  • C.

    2,4 \(\Omega \)

  • D.

    1,5 \(\Omega \).

Đáp án : C

Phương pháp giải :

Sử dụng các công thức xác định:

  • Cường độ dòng điện cực đại trong mạch: \({I_0} = {U_0}\sqrt {\frac{C}{L}} \)
  • Công suất cần cung cấp để duy trì dao động của mạch: \(P = \frac{Q}{t} = \frac{{{I^2}Rt}}{t} = {I^2}R = \frac{{I_0^2}}{2}R\)

Lời giải chi tiết :

Ta có: Cường độ dòng điện cực đại trong mạch: \({I_0} = {U_0}\sqrt {\frac{C}{L}}  = 10\sqrt {\frac{{{{18.10}^{ – 9}}}}{{3,{{6.10}^{ – 4}}}}}  = 0,05\sqrt 2 A\)

Công suất cần cung cấp để duy trì dao động của mạch: \(P = \frac{Q}{t} = \frac{{{I^2}Rt}}{t} = {I^2}R = \frac{{I_0^2}}{2}R \to R = \frac{{2P}}{{I_0^2}} = \frac{{{{2.6.10}^{ – 3}}}}{{{{\left( {0,05\sqrt 2 } \right)}^2}}} = 2,4\Omega \)

Câu 16 :

Một mạch dao động gồm một tụ điện có điện dung \(C = 10 pF\) và cuộn dây thuần cảm có độ tự cảm \(L = 0,25 mH\), cường độ dòng điện cực đại là \(50 mA\). Tại thời điểm ban đầu cường độ dòng điện qua mạch bằng không. Biểu thức của điện tích trên tụ là:

  • A.

    $q = {5.10^{ – 10}}cos\left( {{{10}^7}t + \dfrac{\pi }{2}} \right)C$

  • B.

    $q = 2,{5.10^{ – 10}}\sin \left( {{{10}^7}t} \right)C$

  • C.

    $q = {5.10^{ – 9}}cos\left( {{{2.10}^7}t + \dfrac{\pi }{2}} \right)C$

  • D.

    $q = 2,{5.10^{ – 9}}cos\left( {{{2.10}^7}t} \right)C$

Đáp án : D

Phương pháp giải :

– Cách 1:

+ Áp dụng công thức tính tần số góc: \(\omega  = \dfrac{1}{{\sqrt {LC} }}\)

+ Áp dụng công thức tính điện tích cực đại trên bản tụ: \({q_0} = \dfrac{{{I_0}}}{\omega }\)

+ Xác định \(\varphi \), tại \(t{\rm{ }} = {\rm{ }}0\):  \(q = {q_0}cos\varphi \)

Cách 2: 

+ Sử dụng vòng tròn lượng giác

+ Ta có: \(i = q’\) => điện tích \(q\) trễ pha \(\dfrac{\pi }{2}\) so với cường độ dòng điện hay \({\varphi _q} = {\varphi _i} – \dfrac{\pi }{2}\)

+ Viết phương trình điện tích \(q = {q_0}cos\left( {\omega t + {\varphi _q}} \right)\)

Lời giải chi tiết :

+ Tần số góc: \(\omega  = \dfrac{1}{{\sqrt {LC} }} = \dfrac{1}{{\sqrt {0,{{25.10}^{ – 3}}{{.10.10}^{ – 12}}} }} = {2.10^7}(ra{\rm{d}}/s)\)

+ Điện tích cực đại trên tụ: \({q_0} = \dfrac{{{I_0}}}{\omega } = \dfrac{{{{50.10}^{ – 3}}}}{{{{2.10}^7}}} = 2,{5.10^{ – 9}}C\)

+ Tại t = 0: \(i = 0 \to q = {q_{max}} = {q_0} = {q_0}c{\rm{os}}\varphi  \to c{\rm{os}}\varphi {\rm{ = 1}} \to \varphi {\rm{ = 0}}\)

=> \(q{\text{ }} = {\text{ }}2,{5.10^{ – 9}}cos\left( {{{2.10}^7}t} \right){\text{ }}C\)

Cách 2:

Ta có:

+ Tần số góc: \(\omega  = \dfrac{1}{{\sqrt {LC} }} = \dfrac{1}{{\sqrt {0,{{25.10}^{ – 3}}{{.10.10}^{ – 12}}} }} = {2.10^7}(ra{\rm{d}}/s)\)

+ Cường độ dòng điện cực đại: \({I_0} = \omega {q_0} \to {q_0} = \dfrac{{{I_0}}}{\omega } = \dfrac{{{{50.10}^{ – 3}}}}{{{{2.10}^7}}} = 2,{5.10^{ – 9}}C\)

+ Tại thời điểm ban đầu \(t = 0\), \(i = 0\) và đang tăng, vẽ trên vòng tròn lượng giác, ta được:

\( \to {\varphi _i} =  – \dfrac{\pi }{2}\)

\( \to {\varphi _q} = {\varphi _i} – \dfrac{\pi }{2} = \dfrac{\pi }{2} – \dfrac{\pi }{2} = 0\)

=> Phương trình điện áp: \(q = {q_0}cos\left( {\omega t + {\varphi _q}} \right) = 2,{5.10^{ – 9}}cos\left( {{{2.10}^7}t} \right)C\)

Câu 17 :

Cho mạch dao động điện từ tự do gồm tụ điện có điện dung C = 1μF. Biết biểu thức cường độ dòng điện trong mạch là i = 20cos(1000t + π/2) mA. Biểu thức điện áp giữa hai bản tụ điện có dạng:

  • A.

    u = 20cos(1000t + π/2) V

  • B.

    u = 20cos(1000t – π/2) V

  • C.

    u = 20cos(1000t) V

  • D.

    u = 20cos(2000t + π/2) V

Đáp án : C

Phương pháp giải :

+ Đọc phương trình cường độ dòng điện

+ Áp dụng công thức tính tần số góc : \(\omega  = \frac{1}{{\sqrt {LC} }}\)

+ Áp dụng biểu thức mối liên hệ giữa hiệu điện thế cực đại và cường độ dòng điện cực đại: \({U_0} = {I_0}\sqrt {\frac{L}{C}} \)

+ Áp dụng biểu thức mối liên hệ giữa pha của cường độ dòng điện và điện áp giữa 2 bản tụ : \({\varphi _i} = {\varphi _u} + \frac{\pi }{2}\)

Lời giải chi tiết :

Từ phương trình : i = 20cos(1000t + π/2) mA, ta có:

+ Tần số góc: \(\omega  = 1000 = \frac{1}{{\sqrt {LC} }} \to L = \frac{1}{{{\omega ^2}C}} = \frac{1}{{{{1000}^2}{{.10}^{ – 6}}}} = 1H\) 

+ Cường độ dòng điện cực đại: I0 = 20mA

– Ta có: \(CU_0^2 = LI_0^2 \to {U_0} = \sqrt {\frac{{LI_0^2}}{C}}  = \sqrt {{{\frac{{1.({{20.10}^{ – 3}})}}{{{{10}^{ – 6}}}}}^2}}  = 20V\) 

– Dòng điện trong mạch dao động nhanh pha\(\frac{\pi }{2}\) so với điện áp trong mạch: \({\varphi _i} = {\varphi _u} + \frac{\pi }{2} \to {\varphi _u} = {\varphi _i} – \frac{\pi }{2} = \frac{\pi }{2} – \frac{\pi }{2} = 0\) 

=> u = 20cos(1000t) V

Câu 18 :

Một mạch dao động điện từ LC lí tưởng gồm cuộn cảm thuần có độ tự cảm 1 H và tụ điện có điện dung 10 μF. Lấy π2 = 10. Lúc đầu, điện tích trên một bản tụ điện đạt giá trị cực đại. Điện tích trên tụ điện có giá trị bằng một nửa giá trị ban đầu sau khoảng thời gian ngắn nhất là:

  • A.

    \(\frac{3}{{400}}s\)

  • B.

    \(\frac{1}{{600}}s\)

  • C.

    \(\frac{1}{{300}}s\)

  • D.

    \(\frac{1}{{1200}}s\)

Đáp án : C

Phương pháp giải :

+ Áp dụng công thức tính chu kì dao động của mạch LC: \(T = 2\pi \sqrt {LC} \) 

+ Sử dụng trục thời gian suy ra từ vòng tròn

Lời giải chi tiết :

Ta có

+ Chu kì dao động của mạch: \(T = 2\pi \sqrt {LC}  = 2\pi \sqrt {{{1.10.10}^{ – 6}}}  = 0,02{\rm{s}}\)

+ Khoảng thời gian ngắn nhất đi từ q0 đến q0/2 là : \(\frac{T}{6} = \frac{{0,02}}{6} = \frac{1}{{300}}s\) 

Câu 19 :

Một mạch dao động LC đang thu được sóng trung. Để mạch có thể thu được sóng ngắn thì phải

  • A.

    Mắc nối tiếp thêm vào mạch một tụ điện có điện dung thích hợp

  • B.

    Mắc nối tiếp thêm vào mạch một điện trở thuần thích hợp

  • C.

    Mắc nối tiếp thêm vào mạch một cuộn dây thuần cảm thích hợp

  • D.

    Mắc song song thêm vào mạch một tụ điện có điện dung thích hợp

Đáp án : A

Phương pháp giải :

+ Vận dụng lí thuyết về sóng trung và sóng ngắn

+ Vận dụng biểu thức tính bước sóng

+ Vận dụng lí thuyết về mạch có C nối tiếp, song song

Lời giải chi tiết :

Ta có:

+ Sóng trung có bước sóng dài hơn sóng ngắn

+ Bước sóng: \(\lambda  = 2\pi c\sqrt {LC} \) tỉ lệ thuận với \(\sqrt C ,\sqrt L \) 

=> Mạch đang thu được sóng trung, để mạch có thể thu được sóng ngắn thì ta cần mắc thêm vào mạch một tụ điện có điện dung hoặc cuộn cảm có độ tự cảm thích hợp sao cho bước sóng của mạch giảm

A- Khi mắc nối tiếp thêm tụ điện : \(\frac{1}{{{C_{nt}}}} = \frac{1}{{{C_1}}} + \frac{1}{{{C_2}}} \to {C_{nt}} < {C_1} \to \lambda  \downarrow \) thỏa mãn

B- Bước sóng không phụ thuộc vào điện trở => không thỏa mãn

C- Khi mắc nối tiếp thêm cuộn cảm: \({L_{nt}} = {L_1} + {L_2} > {L_1} \to \lambda  \uparrow \) không thỏa mãn

D- Khi mắc song song thêm tụ điện: \({C_{//}} = {C_1} + {C_2} > {C_1} \to \lambda  \uparrow \)không thỏa mãn

Câu 20 :

Mạch chọn sóng của một máy thu vô tuyến điện gồm một tụ điện có điện dung thay đổi từ \(\frac{{10}}{\pi }pF\) đến \(\frac{{160}}{\pi }pF\) và cuộn dây có độ tự cảm \(\frac{{2,5}}{\pi }\mu H\). Mạch trên có thể bắt được sóng điện từ có bước sóng nằm trong khoảng nào ?

  • A.

    \(2m \le \lambda  \le 12m\)

  • B.

    \(3m \le \lambda  \le 12m\)

  • C.

    \(3m \le \lambda  \le 15m\)

  • D.

    \(2m \le \lambda  \le 15m\)      

Đáp án : B

Phương pháp giải :

Áp dụng biểu thức tính bước sóng: \(\lambda  = 2\pi c\sqrt {LC} \)

Lời giải chi tiết :

Ta có: \(\lambda  = 2\pi c\sqrt {LC} \)

+ \({\lambda _{\min }} = 2\pi c\sqrt {L{C_{\min }}}  = 2\pi {.3.10^8}\sqrt {\frac{{{{2,5.10}^{ – 6}}}}{\pi }.\frac{{{{10.10}^{ – 12}}}}{\pi }}  = 3m\)

+ \({\lambda _{{\rm{max}}}} = 2\pi c\sqrt {L{C_{{\rm{max}}}}}  = 2\pi {.3.10^8}\sqrt {\frac{{{{2,5.10}^{ – 6}}}}{\pi }.\frac{{{{160.10}^{ – 12}}}}{\pi }}  = 12m\)

\( \to 3m \le \lambda  \le 12m\)

Câu 21 :

Một mạch chọn sóng gồm cuộn dây có hệ số tự cảm không đổi và một tụ điện có điện dung biến thiên. Khi điện dung của tụ là 20nF thì mạch thu được bước sóng 40m. Nếu muốn thu được bước sóng 60m thì phải điều chỉnh điện dung của tụ

  • A.

    giảm 4nF

  • B.

    giảm 6nF

  • C.

    tăng thêm 25nF

  • D.

    tăng thêm 45nF

Đáp án : C

Phương pháp giải :

Áp dụng biểu thức tính bước sóng: \(\lambda  = 2\pi c\sqrt {LC} \)

Lời giải chi tiết :

Ta có: \(\lambda  = 2\pi c\sqrt {LC} \)

+ Khi C = C1 = 20nF: \({\lambda _1} = 2\pi c\sqrt {L{C_1}} \)

+ Khi C = C2: \({\lambda _2} = 2\pi c\sqrt {L{C_2}} \)

\[ \to \frac{{{\lambda _1}}}{{{\lambda _2}}} = \sqrt {\frac{{{C_1}}}{{{C_2}}}}  = \frac{{40}}{{60}} = \frac{2}{3} \to \frac{{{C_1}}}{{{C_2}}} = \frac{4}{9} \to {C_2} = \frac{9}{4}{C_1} = \frac{9}{4}.20nF = 45nF\]

=> Cần tăng điện dung của tụ lên một khoảng bằng 45nF – 20nF = 25nF

Câu 22 :

Mạch chọn sóng của một máy thu thanh gồm cuộn dây có độ tự cảm L = 2.10-6 H, điện trở thuần R = 0. Để máy thu thanh chỉ có thể thu được các sóng điện từ có bước sóng từ 57m đến 753m, người ta mắc tụ điện trong mạch trên bằng một tụ điện có điện dung biến thiên. Hỏi tụ điện này phải có điện dung trong khoảng nào?

  • A.

    2,05.10-7F ≤ C ≤ 14,36.10-7F

  • B.

    0,45.10-9F ≤ C ≤ 79,7.10-9F

  • C.

    3,91.10-10F ≤ C ≤ 60,3.10-10F

  • D.

    0,12.10-8F ≤ C ≤ 26,4.10-8F

Đáp án : B

Phương pháp giải :

Áp dụng biểu thức xác bước sóng: \(\lambda  = 2\pi c\sqrt {LC} \)

Lời giải chi tiết :

Ta có: \(\lambda  = 2\pi c\sqrt {LC}  \to C = \frac{{{\lambda ^2}}}{{4{\pi ^2}{c^2}L}}\) 

\(\begin{array}{l} \to \frac{{{\lambda _{\min }}^2}}{{4{\pi ^2}{c^2}L}} < C < \frac{{{\lambda _{{\rm{max}}}}^2}}{{4{\pi ^2}{c^2}L}} \leftrightarrow \frac{{{{57}^2}}}{{4{\pi ^2}{{({{3.10}^8})}^2}{{.2.10}^{ – 6}}}} < C < \frac{{{{753}^2}}}{{4{\pi ^2}{{({{3.10}^8})}^2}{{.2.10}^{ – 6}}}}\\ \leftrightarrow 4,{57.10^{ – 10}}F < C < 7,{97.10^{ – 8}}F\end{array}\)

Câu 23 :

Mạch dao động ở lối vào của một máy thu thanh gồm một cuộn cảm có độ tự cảm \(5\mu H\)  và tụ điện có điện dung biến thiên. Tính điện dung của tụ khi máy được điều chỉnh để thu sóng có bước sóng 31m. Biết rằng tần số dao động riêng của mạch dao động phải bằng tần số của sóng điện từ cần thu để có cộng hưởng. Lấy \(c = {3.10^8}m/s\)

  • A.

    54pF

  • B.

    54nF

  • C.

    5,4.10-14F

  • D.

    5,4.10-8F

Đáp án : A

Phương pháp giải :

Vận dụng biểu thức tính bước sóng: \(\lambda  = 2\pi c\sqrt {LC} \) 

Lời giải chi tiết :

Ta có:

\(\lambda  = 2\pi c\sqrt {LC}  \to C = \frac{{{\lambda ^2}}}{{4{\pi ^2}{c^2}L}} = \frac{{{{31}^2}}}{{4{\pi ^2}{{({{3.10}^8})}^2}{{.5.10}^{ – 6}}}} = 5,{4.10^{ – 11}}F\)

Câu 24 :

Tại Hà Nội, một máy đang phát sóng điện từ. Xét một phương truyền có phương thẳng đứng hướng lên. Vào thời điểm t, tại điểm M trên phương truyền, vectơ cảm ứng từ đang có độ lớn cực đại và hướng về phía Nam. Khi đó vectơ cường độ điện trường có:

  • A.

    Độ lớn cực đại và hướng về phía Tây.

  • B.

    Độ lớn cực đại và hướng về phía Đông.

  • C.

    Độ lớn bằng không.

  • D.

    Độ lớn cực đại và hướng về phía Bắc.

Đáp án : A

Phương pháp giải :

+ Vận dụng lí thuyết về phương, chiều của véctơ cường độ điện trường, véctơ cảm ứng từ và vận tốc truyền sóng trong điện từ trường.

+ Áp dụng quy tắc cái đinh ốc

Lời giải chi tiết :

Ta có:

+ Véctơ cường độ điện trường \(\overrightarrow E \) và véctơ cảm ứng từ \(\overrightarrow B \) luôn luôn vuông góc với nhau và vuông góc với phương truyền sóng. 3 véctơ \(\overrightarrow E \), \(\overrightarrow B \) và \(\overrightarrow v \) tại mọi điểm tạo với nhau thành một tam diện thuận.

+ Áp dụng quy tắc đinh ốc theo chiều thuận: từ \(\overrightarrow E  \to \overrightarrow B \), khi đó chiều tiến của đinh ốc là v

+ Do \(\overrightarrow E ,\overrightarrow B \)cùng pha => Khi đó véctơ cường độ điện trường có độ lớn cực đại và hướng về phía Tây

Câu 25 :

Một anten parabol, đặt tại một điểm A trên mặt đất, phát ra một sóng truyền theo phương làm với mặt phẳng ngang góc 450 hướng lên một vệ tinh địa tĩnh V. Coi trái đất là hình cầu, bán kính R=6380km. Vệ tinh địa tĩnh ở độ cao 35800km so với mặt đất. Sóng này truyền từ A đến V mất thời gian:

  • A.

    0,125s

  • B.

    0,119s

  • C.

    0,169s

  • D.

    0,147s

Đáp án : A

Phương pháp giải :

+ Vẽ hình

+ Sử dụng hệ thức lượng trong tam giác

+ Vận dụng công thức : \(s = vt\) 

Lời giải chi tiết :

Ta có:

Áp dụng định lý hàm số cos, ta có:

\(\begin{array}{l}O{V^2} = O{A^2} + A{V^2} – 2OA.AV.c{\rm{os13}}{{\rm{5}}^0}\\ \to AV = 37500km\end{array}\) 

Mặt khác, ta có:

\(\begin{array}{l}AV = ct\\ \to t = \frac{{AV}}{c}=\frac{{37500.1000}}{{{{3.10}^8}}}=0,125{\rm{s}}\end{array}\) 

TẢI APP ĐỂ XEM OFFLINE

Đề kiểm tra 15 phút

Đề kiểm tra 1 tiết