2. Đề kiểm tra học kì 1 – Đề số 02

Đề bài

Câu 1 :

Khi xảy ra hiện tượng cộng hưởng cơ thì vật tiếp tục dao động:

  • A.

    Với tần số bằng tần số dao động riêng

  • B.

    Mà không chịu ngoại lực tác dụng

  • C.

    Với tần số lớn hơn tần số dao động riêng

  • D.

    Với tần số nhỏ hơn tần số dao động riêng.

Câu 2 :

Một vật dao động điều hòa có đồ thị li độ theo thời gian như hình vẽ:

Pha ban đầu của dao động bằng:

  • A.

    \( – \dfrac{\pi }{3}\)

  • B.

    \(\dfrac{\pi }{3}\)

  • C.

    \( – \dfrac{{2\pi }}{3}\)

  • D.

    \(\dfrac{{2\pi }}{3}\)

Câu 3 :

Cuộn sơ cấp và cuộn thứ cấp của một máy biến áp lí tưởng có số vòng dây lần lượt là N1 và N2. Đặt điện áp xoay chiều có giá trị hiệu dụng U1 vào hai đầu cuộn sơ cấp thì điện áp hiệu dụng giữa hai đầu cuộn thứ cấp để hở là U2. Hệ thức đúng là:

  • A.

    \(\dfrac{{{U_1}}}{{{U_2}}} = \dfrac{{{N_2}}}{{{N_1}}}\)

  • B.

    \(\dfrac{{{U_1}}}{{{N_1}}} = {U_2}{N_2}\)

  • C.

    \({U_1}{U_2} = {N_1}{N_2}\).

  • D.

    \(\dfrac{{{U_1}}}{{{U_2}}} = \dfrac{{{N_1}}}{{{N_2}}}\)

Câu 4 :

Một chất điểm dao động điều hòa với phương trình $x = Ac{\rm{os(}}\omega {\rm{t + }}\varphi {\rm{)}}$, trong đó ω có giá trị dương. Đại lượng ω gọi là

  • A.

    Biên độ dao động.

  • B.

    Chu kì của dao động.

  • C.

    Tần số góc của dao động.

  • D.

    Pha ban đầu của dao động.

Câu 5 :

Một mạch điện xoay chiều chỉ chứa cuộn cảm, $i$ là cường độ dòng điện tức thời qua mạch và $u$ là điện áp tức thời. Chọn câu đúng:

  • A.

    i sớm pha hơn u là \(\dfrac{\pi }{2}\)

  • B.

    u trễ pha hơn i là \(\dfrac{\pi }{4}\)

  • C.

    u sớm pha hơn i là \(\dfrac{\pi }{2}\)

  • D.

    i trễ pha hơn u là \(\dfrac{\pi }{4}\)

Câu 6 :

Khi nói về sóng cơ, phát biểu nào sau đây sai?

  • A.
    Sóng cơ lan truyền được trong chân không.
  • B.
    Sóng cơ lan truyền được trong chất rắn.
  • C.
    Sóng cơ lan truyền được trong chất khí. 
  • D.
    Sóng cơ lan truyền được trong chất lỏng. 
Câu 7 :

Chọn phát biểu sai về quan hệ giữa chuyển động tròn đều và dao động điều hoà là hình chiếu của nó.

  • A.

    Biên độ của dao động bằng bán kính quỹ đạo của chuyển động tròn đều

  • B.

    Vận tốc của dao động bằng vận tốc dài của chuyển động tròn đều

  • C.

    Tần số góc của dao động bằng tốc độ góc của chuyển động tròn đều

  • D.

    Li độ của dao động bằng toạ độ hình chiếu của chuyển động tròn đều

Câu 8 :

Một con lắc đơn gồm một vật nhỏ khối lượng \(m\), chiều dài sợi dây là \(\ell \), đang dao động điều hòa tại nơi có gia tốc trọng trường là \(g\). Tần số góc dao động điều hòa là

  • A.

    \(\sqrt {\dfrac{g}{\ell }} .\)

  • B.

    \(\sqrt {\dfrac{\ell }{g}} .\)

  • C.

    \(\sqrt {\dfrac{\ell }{m}} .\)

  • D.

    \(\sqrt {\dfrac{m}{\ell }} .\)

Câu 9 :

Một chất điểm dao động điều hòa trên quỹ đạo MN = 32cm, biên độ dao động của vật là:

  • A.

    16 cm

  • B.

    8 cm

  • C.

    32 cm

  • D.

    4 cm

Câu 10 :

Sóng âm là

  • A.

    Sóng cơ học truyền trong các môi trường rắn, lỏng, khí, chân không

  • B.

    Sóng cơ học truyền trong môi trường rắn, lỏng, khí

  • C.

    Sóng ngang truyền trong môi trường rắn, lỏng, khí

  • D.

    Sóng dọc truyền trong môi trường rắn, lỏng, khí

Câu 11 :

Đặt điện áp xoay chiều vào hai đầu đọa mạch có R, L, C mắc nối tiếp. Khi trong đoạn mạch có cộng hưởng điện thì điện áp giữa hai đầu đoạn mạch

  • A.
    lệch pha so với cường độ dòng điện trong mạch. 
  • B.
    trễ pha  so với dòng điện trong mạch.
  • C.
    cùng pha với cường độ dòng điện trong mạch.
  • D.
    sớm pha  so với cường độ dòng điện trong mạch.
Câu 12 :

Sóng cơ là:

  • A.

    Sự truyền chuyển động cơ trong không khí

  • B.

    Những dao động cơ lan truyền trong môi trường.

  • C.

    Chuyển động tương đối của vật này so với vật khác.

  • D.

    Sự co dãn tuần hoàn giữa các phần tử của môi trường

Câu 13 :

Tần số dao động của con lắc lò xo phụ thuộc vào:

  • A.

    Chiều dài của con lắc lò xo

  • B.

    Biên độ của dao động

  • C.

    Điều kiện kích thích ban đầu

  • D.

    Khối lượng của vật nặng

Câu 14 :

Phát biểu nào sau đây là sai?

  • A.

    Khi xảy ra hiện tượng giao thoa sóng, các gợn sóng có hình các đường hypebol

  • B.

    Sóng kết hợp là hai sóng có độ lệch pha biến thiên theo thời gian

  • C.

    Điều kiện để xảy ra hiện tượng giao thoa sóng là hai nguồn sóng phải là hai sóng kết hợp

  • D.

    Hiện tượng giao thoa sóng xảy ra khi có hai sóng xuất phát từ hai tâm dao động cùng tần số, cùng pha.

Câu 15 :

Mạch RLC có R thay đổi được được mắc vào mạng điện xoay chiều có tần số không thay đổi, R bằng bao nhiêu thì mạch đạt công suất cực đại? (Không có hiện tượng cộng hưởng xảy ra).

  • A.

    \(R = \left| {{Z_L} – {Z_C}} \right|\)

  • B.

    ${Z_L} = 2{Z_C}$

  • C.

    ${Z_L} = R$

  • D.

    ${Z_C} = R$

Câu 16 :

Trong dòng điện xoay chiều, cường độ dòng điện cực đại \({I_0}\) liên hệ với cường độ dòng điện hiệu dụng \(I\) theo công thức 

  • A.

    \(I = {I_0}\sqrt 2 .\)    

  • B.

    \(I = \dfrac{{{I_0}}}{{\sqrt 2 }}.\)                       

  • C.

    \(I = \dfrac{{{I_0}}}{2}.\)        

  • D.

    \(I = 2{I_0}.\)

Câu 17 :

Công suất của một đoạn mạch RLC nối tiếp có tính cảm kháng \(\left( {{Z_L} > {Z_C}} \right)\). Nếu ta giảm tần số của dòng điện thì hệ số công suất của mạch:

  • A.

    Không thay đổi.

  • B.

    Giảm

  • C.

    Tăng

  • D.

    Tăng lên rồi giảm

Câu 18 :

Phát biểu nào sau đây là sai khi nói về biên độ của dao động tổng hợp của hai dao động điều hoà cùng phương cùng tần số ?

  • A.

    Phụ thuộc vào tần số của hai dao động thành phần.

  • B.

    Phụ thuộc vào độ lệch pha của hai dao động thành phần.

  • C.

    Lớn nhất khi hai dao động thành phần cùng pha

  • D.

    Nhỏ nhất khi hai dao động thành phần ngược pha.

Câu 19 :

Một vật dao động điều hòa có phương trình \(x = 5cos(2\pi t – \frac{\pi }{6})cm\). Lấy \({\pi ^2} = 10\). Gia tốc của vật khi có li độ $x= 3 cm$ là:

  • A.

    a=12m/s2

  • B.

    a =-120 cm/s2

  • C.

    a = 1,20 cm/s2

  • D.

    a= 12 cm/s

Câu 20 :

Một vật dao động điều hòa với tần số $5 Hz$ và biên độ $8 cm$. Chọn gốc thời gian lúc vật qua vị trí cân bằng theo chiều âm. Phương trình dao động của là:

  • A.

    $x = 4cos(10 π t – π/2) cm.$

  • B.

    $x = 4cos(10t + π/2) cm.$

  • C.

    $x = 8cos(10 π t + π/2) cm.$

  • D.

    $x = 8cos(10t – π/2) cm.$

Câu 21 :

Vật dao động điều hòa theo phương trình: \(x = 5c{\rm{os}}\left( {2\pi t – \frac{\pi }{3}} \right)cm\). Xác định thời gian ngắn nhất kể từ khi vật bắt đầu chuyển động đến vị trí có li độ \(x = \frac{{5\sqrt 2 }}{2}\)  lần thứ nhất?

  • A.

    \(\frac{5}{{24}}s\)

  • B.

    \(\frac{1}{8}s\)

  • C.

    \(\frac{1}{{24}}s\)

  • D.

    \(\frac{1}{{12}}s\)

Câu 22 :

Khi gắn vật có khối lượng m1 = 4kg vào một lò xo có khối lượng không đáng kể, nó dao động với chu kì T1 = 1s. Khi gắn một vật khác có khối lượng m2 vào lò xo trên nó dao động với chu kì T2 = 0,5s. Khối lượng m2 bằng?

  • A.

    0,5kg

  • B.

    2 kg

  • C.

    1 kg

  • D.

    3 kg

Câu 23 :

Một lò xo có độ cứng \(k\) treo thẳng đứng vào điểm cố định, đầu dưới treo vật có khối lượng \(m = 160g\). Vật dao động điều hòa với tần số \(f = 5Hz\), cơ năng của vật \({\rm{W}} = 0,08J\). Lấy \({\pi ^2} = 10\). Tỉ số động năng và thế năng tại li độ \(x = 2cm\) là:

  • A.

    \(\dfrac{3}{2}\)

  • B.

     \(\dfrac{1}{3}\)

  • C.

    \(4\)

  • D.

    \(\dfrac{1}{4}\)

Câu 24 :

Một con lắc đơn dao động với biên độ góc  α0 = 0,1 rad có chu kì dao động T = 1s. Chọn gốc tọa độ là vị trí cân bằng, khi vật bắt đầu chuyển động vật đi qua vị trí cân bằng theo chiều âm. Phương trình dao động của con lắc là:

  • A.

    \(\alpha = 0,1cos2\pi t\left( {rad} \right)\)

  • B.

    \(\alpha = 0,1cos\left( {2\pi t + \pi } \right)\left( {rad} \right)\)

  • C.

    \(\alpha = 0,1cos(2\pi t + \frac{\pi }{2})(rad)\)

  • D.

    \(\alpha = 0,1cos(2\pi t – \frac{\pi }{2})(rad)\)

Câu 25 :

Xét $2$ dao động điều hòa cùng phương, cùng tần số có phương trình dao động $x_1 = 5cos(3πt + 0,75π)cm$, $x_2= 5sin(3πt – 0,25π)cm$. Pha ban đầu của dao động tổng hợp là:

  • A.

    $0,5π$

  • B.

    $-0,75π$

  • C.

    $-0,5π$

  • D.

    $π$

Câu 26 :

Một nguồn dao động điều hoà với chu kỳ \(0,2s\). Vận tốc truyền sóng bằng \(120cm/s\). Hai điểm nằm trên cùng một phương truyền sóng và cách nhau \(3cm\), có độ lệch pha:

  • A.

    \(\pi \)

  • B.

    \(\dfrac{\pi }{4}\)

  • C.

    \(\dfrac{\pi }{8}\)

  • D.

    \(6\pi \)

Câu 27 :

Sóng truyền từ O đến M với vận tốc \(v = 40cm/s\), phương trình sóng tại O là \({u_0} = 4sin\frac{\pi }{2}t\left( {cm} \right)\). Biết lúc thời điểm \(t\) thì li độ của phần tử M là \( – 3cm\) , vậy lúc \(t{\rm{ }} + 2\left( s \right)\) li độ của M là:

  • A.

    \( – 3{\rm{ }}cm\)

  • B.

    \( – 2{\rm{ }}cm\)

  • C.

    \(2{\rm{ }}cm\)

  • D.

    \(3{\rm{ }}cm\)

Câu 28 :

Một dây đàn hồi AB đầu A được rung nhờ một dụng cụ để tạo thành sóng dừng trên dây, biết phương trình dao động tại đầu A là \({u_A} = {\rm{ }}acos50\pi t\left( {cm} \right)\). Quan sát sóng dừng trên sợi dây ta thấy trên dây có những điểm không phải là điểm bụng dao động với biên độ b \((b \ne 0)\) cách đều nhau và cách nhau khoảng \(0,6m\). Giá trị của b và tốc truyền sóng trên sợi dây lần lượt là:

  • A.

    \(a\sqrt 2 ;v = 120m/s\)

  • B.

    \(a\sqrt 3 ;v = 120m/s\)

  • C.

    \(a\sqrt 2 ;v = 60m/s\)

  • D.

    \(a\sqrt 3 ;v = 60m/s\)

Câu 29 :

Có một số nguồn âm giống nhau với công suất phát âm không đổi trong môi trường đẳng hướng không hấp thụ âm. Nếu tại điểm A đặt \(6\) nguồn âm thì tại điểm B cách A một đoạn \(d\) có mức cường độ âm là \(60dB\). Nếu tại điểm C cách B một đoạn \(\dfrac{d}{3}\)  đặt \(9\) nguồn âm thì tại điểm B có mức cường độ âm bằng:

  • A.

    \(71,3dB\)

  • B.

    \(48,7dB\)

  • C.

    \(67,8dB\)

  • D.

    \(52,2dB\)

Câu 30 :

Điện áp tức thời giữa hai đầu đoạn mạch có biểu thức: $u = 240\sin \left( {100\pi t} \right)V$. Thời điểm gần nhất sau đó để điện áp tức thời đạt giá trị \(120V\) kể từ thời điểm ban đầu là:

  • A.

    $\dfrac{1}{{600}}s$

  • B.

    $\dfrac{1}{{100}}s$

  • C.

    $\dfrac{1}{{50}}s$

  • D.

    $\dfrac{1}{{300}}s$

Câu 31 :

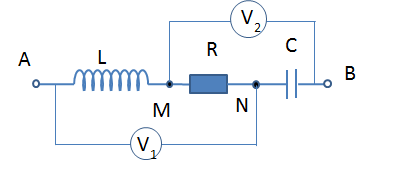
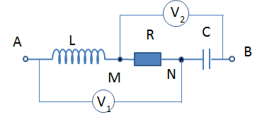
Cho mạch điện xoay chiều như hình vẽ, cuộn dây thuần cảm. Số chỉ các vôn kế \({V_1},{\rm{ }}{V_2}\) lần lượt là \({U_1} = {\rm{ }}30V\); \({U_2} = 40V\). Biết hiệu điện thế tức thời \({u_{AN}}\) biến thiên lệch pha \(\dfrac{\pi }{2}\) với hiệu điện thế tức thời \({u_{MB}}\). Hiệu điện thế hiệu dụng ở hai đầu điện trở thuần là:

  • A.

    50V

  • B.

    18V

  • C.

    32V

  • D.

    24V

Câu 32 :

Một đoạn mạch điện xoay chiều gồm \(R{\rm{ }} = {\rm{ }}60{\rm{ }}\Omega \) , cuộn cảm thuần \(L = \dfrac{{0,2}}{\pi }H\) và \(C{\rm{ }} = \dfrac{{{{10}^{ – 3}}}}{{8\pi }}F\)  mắc nối tiếp. Điện áp giữa hai đầu đoạn mạch là \(u = 100\sqrt 2 cos100\pi tV\). Tìm độ lệch pha giữa điện áp giữa hai đầu đoạn mạch và dòng điện trong mạch?

  • A.

    \(\dfrac{\pi}{4}\)

  • B.

     \( -\dfrac{\pi}{4}\)

  • C.

    \(\dfrac{\pi}{6}\)

  • D.

    \( -\dfrac{\pi}{6}\)

Câu 33 :

Mạch điện xoay chiều RLC nối tiếp. Hai đầu đoạn mạch có một điện áp xoay chiều có tần số và điện áp hiệu dụng không đổi. Dùng vôn kế có điện trở rất lớn, lần lượt đo điện áp ở hai đầu đoạn mạch, hai đầu tụ điện và hai đầu cuộn dây thì số chỉ của vôn kế tương ứng là U, Uvà UL. Biế U = UC = 2UL. Hệ số công suất của mạch là:

  • A.

    \(\cos \varphi = 0,5\)

     

  • B.

    \(\cos \varphi = \sqrt 3 /2\)

     

  • C.

    \(\cos \varphi = \sqrt 2 /2\)

     

  • D.

    \(\cos \varphi = 1\)

     

Câu 34 :

Cho đoạn mạch RLC mắc nối tiếp , cuộn  dây cảm thuần, điện trở R thay đổi được. Đặt hai đầu đoạn mạch một điện áp xoay chiều có điện áp hiệu dụng là 200V. Khi R = R1 và R = R2 thì mạch có cùng công suất. Biết \({R_1} + {\rm{ }}{R_2} = {\rm{ }}100\Omega .\) Khi R = R1 công suất của mạch là:       

  • A.

    400 W     

  • B.

    220 W

  • C.

    440W

  • D.

    880 W    

Câu 35 :

Một đoạn mạch gồm tụ điện mắc nối tiếp với một cuộn dây. Điện áp giữa hai đầu cuộn dây lệch pha \(\dfrac{\pi }{3}\) so với cường độ dòng điện và lệch pha \(\dfrac{\pi }{2}\) so với điện áp hai đầu đoạn mạch. Biết điện áp hiệu dụng giữa hai đầu đoạn mạch bằng \(100V\), khi đó điện áp hiệu dụng trên tụ điện và trên cuộn dây lần lượt là:

  • A.

    \(60V\) và \(60\sqrt 3 V\)

  • B.

    \(200V\) và \(100\sqrt 3 V\)

  • C.

    \(60\sqrt 3 V\) và \(100V\)

  • D.

    \(100\sqrt 3 V\) và \(200V\)

Câu 36 :

Dòng điện chạy qua một đoạn mạch gồm cuộn dây thuần cảm có L = 1/10π (H), mắc nối tiếp với một tụ điện C = 2.10-4/π (F) có biểu thức \(i = 2\sqrt 2 \cos (100\pi t – \pi /6)\) (A). Biểu thức điện áp hai đầu mạch có thể là:

 

  • A.

    \(u = 80\sqrt 2 cos(100\pi t + \frac{\pi }{6}){\rm{ }}\left( V \right)\)

     

  • B.

    \(u = 80\sqrt 2 cos(100\pi t + \frac{\pi }{3}){\rm{ }}\left( V \right)\)

     

  • C.

    \(u = 80\sqrt 2 cos(100\pi t – \frac{{2\pi }}{3}){\rm{ }}\left( V \right)\)

     

  • D.

    \(u = 80\sqrt 2 \sin (100\pi t + \frac{\pi }{6}){\rm{ }}\left( V \right)\)

     

Câu 37 :

Một động cơ điện xoay chiều sản ra công suất cơ học 7,5kW và có hiệu suất 80%. Mắc động cơ nối tiếp với một cuộn cảm rồi mắc chúng vào mạng điện xoay chiều. Giá trị hiệu điện thế hiệu dụng  ở hai đầu động cơ là UM biết rằng dòng điện qua động cơ có cường độ hiệu dụng I = 40A và trễ pha với uM một góc \(\pi /6\). Hiệu điện thế ở hai đầu cuộn cảm UL = 125V và sớm pha so với dòng điện qua cuộn cảm là \(\pi /3\). Tính  điện áp hiệu dụng của mạng điện và độ lệch pha của nó so với dòng điện.

  • A.

    384V; 400                   

  • B.

    834V; 450

  • C.

    384V; 390

     

  • D.

    384184V; 390

Câu 38 :

Hai dao động cùng phương lần lượt có phương trình \({x_1} = {A_1}cos\left( {4\pi t + \dfrac{\pi }{3}} \right)cm\) và \({x_2} = 12cos\left( {4\pi t – \dfrac{\pi }{2}} \right)cm\). Dao động tổng hợp của hai dao động này có phương trình \(x = Acos\left( {4\pi t + \varphi } \right)\). Thay đổi A1 cho đến khi A đạt giá trị cực tiểu thì:

  • A.

    \(\varphi  =  – \dfrac{\pi }{6}rad\)

  • B.

    \(\varphi  = \pi \) rad

  • C.

    \(\varphi = – \dfrac{\pi }{3}rad\)

  • D.

    \(\varphi {\rm{ }} = {\rm{ }}0{\rm{ }}rad\)

Câu 39 :

Hai nguồn sóng $AB$ cách nhau $1 m$ dao động cùng pha với bước sóng $0,5m$. $I$ là trung điểm $AB$. $H$ là điểm nằm trên đường trung trực của $AB$ cách $I$ một đoạn $1,5m$. Gọi $d$ là đường thẳng qua $H$ và song song với $AB$. Tìm điểm $M$ thuộc $d$ và gần $H$ nhất, dao động với biên độ cực đại. (Tìm khoảng cách $MH$)

  • A.

    $0,9m$

  • B.

    \(2,75m\)

  • C.

    $3,25m$

  • D.

    \(0,8125m\)

Câu 40 :

Trên một sợi dây dài có một sóng ngang, hình sin truyền qua. Hình dạng của một đoạn dây tại hai thời điểm \({t_1}\) và \({t_2}\) có dạng như hình vẽ bên. Trục Ou biểu diễn li độ của các phần tử M và N ở các thời điểm. Biết \({t_2} – {t_1} = 0,11s\) và nhỏ hơn một chu kì sóng. Chu kì dao động của sóng là:

  • A.

    \(0,5s\)

  • B.

    \(1s\)

  • C.

    \(0,4s\)

  • D.

    \(0,6s\)

Lời giải và đáp án

Câu 1 :

Khi xảy ra hiện tượng cộng hưởng cơ thì vật tiếp tục dao động:

  • A.

    Với tần số bằng tần số dao động riêng

  • B.

    Mà không chịu ngoại lực tác dụng

  • C.

    Với tần số lớn hơn tần số dao động riêng

  • D.

    Với tần số nhỏ hơn tần số dao động riêng.

Đáp án : A

Lời giải chi tiết :

Khi xảy ra hiện tượng cộng hưởng cơ thì  vật tiếp tục dao động với tần số bằng tần số dao động riêng của vật

Câu 2 :

Một vật dao động điều hòa có đồ thị li độ theo thời gian như hình vẽ:

Pha ban đầu của dao động bằng:

  • A.

    \( – \dfrac{\pi }{3}\)

  • B.

    \(\dfrac{\pi }{3}\)

  • C.

    \( – \dfrac{{2\pi }}{3}\)

  • D.

    \(\dfrac{{2\pi }}{3}\)

Đáp án : D

Phương pháp giải :

+ Đọc đồ thị x – t

+ Thay t = 0 vào phương trình dao động của vật \(\left\{ \begin{array}{l}x = Ac{\rm{os}}\varphi \\{\rm{v =  – A}}\omega {\rm{sin}}\varphi \end{array} \right. \to \left\{ \begin{array}{l}{\rm{cos}}\varphi {\rm{ = }}\dfrac{{{x_0}}}{A}\\\sin \varphi  =  – \dfrac{v}{{A\omega }}\end{array} \right. \to \varphi  = ?\)

Lời giải chi tiết :

Từ đồ thị ta có, biên độ: \(A = 8cm\)

Ta có: tại t = 0: \(\left\{ \begin{array}{l}x = Ac{\rm{os}}\varphi {\rm{ =   –  4cm}}\\v =  – A\omega \sin \varphi  < 0\end{array} \right. \to \left\{ \begin{array}{l}{\rm{cos}}\varphi  =  – \dfrac{4}{8} =  – \dfrac{1}{2}\\\sin \varphi  > 0\end{array} \right. \to \varphi  = \dfrac{{2\pi }}{3}\)

Câu 3 :

Cuộn sơ cấp và cuộn thứ cấp của một máy biến áp lí tưởng có số vòng dây lần lượt là N1 và N2. Đặt điện áp xoay chiều có giá trị hiệu dụng U1 vào hai đầu cuộn sơ cấp thì điện áp hiệu dụng giữa hai đầu cuộn thứ cấp để hở là U2. Hệ thức đúng là:

  • A.

    \(\dfrac{{{U_1}}}{{{U_2}}} = \dfrac{{{N_2}}}{{{N_1}}}\)

  • B.

    \(\dfrac{{{U_1}}}{{{N_1}}} = {U_2}{N_2}\)

  • C.

    \({U_1}{U_2} = {N_1}{N_2}\).

  • D.

    \(\dfrac{{{U_1}}}{{{U_2}}} = \dfrac{{{N_1}}}{{{N_2}}}\)

Đáp án : D

Phương pháp giải :

Sử dụng biểu thức của máy biến áp lí tưởng: \(\dfrac{{{U_1}}}{{{U_2}}} = \dfrac{{{N_1}}}{{{N_2}}}\)

Lời giải chi tiết :

Ta có: \(\dfrac{{{U_1}}}{{{U_2}}} = \dfrac{{{N_1}}}{{{N_2}}}\)

=> Phương án D đúng

Câu 4 :

Một chất điểm dao động điều hòa với phương trình $x = Ac{\rm{os(}}\omega {\rm{t + }}\varphi {\rm{)}}$, trong đó ω có giá trị dương. Đại lượng ω gọi là

  • A.

    Biên độ dao động.

  • B.

    Chu kì của dao động.

  • C.

    Tần số góc của dao động.

  • D.

    Pha ban đầu của dao động.

Đáp án : C

Lời giải chi tiết :

ω: tần số góc của dao động (đơn vị: rad/s)

Câu 5 :

Một mạch điện xoay chiều chỉ chứa cuộn cảm, $i$ là cường độ dòng điện tức thời qua mạch và $u$ là điện áp tức thời. Chọn câu đúng:

  • A.

    i sớm pha hơn u là \(\dfrac{\pi }{2}\)

  • B.

    u trễ pha hơn i là \(\dfrac{\pi }{4}\)

  • C.

    u sớm pha hơn i là \(\dfrac{\pi }{2}\)

  • D.

    i trễ pha hơn u là \(\dfrac{\pi }{4}\)

Đáp án : C

Lời giải chi tiết :

Trong mạch xoay chiều chỉ có cuộn cảm thì điện áp nhanh pha hơn dòng điện góc π/2:

\(\varphi \)u = \(\varphi \)i + π/2

Câu 6 :

Khi nói về sóng cơ, phát biểu nào sau đây sai?

  • A.
    Sóng cơ lan truyền được trong chân không.
  • B.
    Sóng cơ lan truyền được trong chất rắn.
  • C.
    Sóng cơ lan truyền được trong chất khí. 
  • D.
    Sóng cơ lan truyền được trong chất lỏng. 

Đáp án : A

Lời giải chi tiết :

A – sai vì: Sóng cơ không lan truyền được trong chân không

B, C, D – đúng

Câu 7 :

Chọn phát biểu sai về quan hệ giữa chuyển động tròn đều và dao động điều hoà là hình chiếu của nó.

  • A.

    Biên độ của dao động bằng bán kính quỹ đạo của chuyển động tròn đều

  • B.

    Vận tốc của dao động bằng vận tốc dài của chuyển động tròn đều

  • C.

    Tần số góc của dao động bằng tốc độ góc của chuyển động tròn đều

  • D.

    Li độ của dao động bằng toạ độ hình chiếu của chuyển động tròn đều

Đáp án : B

Lời giải chi tiết :

DĐĐH được xem là hình chiếu của một chất điểm chuyển động tròn đều lên một trục nằm trong mặt phẳng quỹ đạo. Với: \(A = R;\omega  = \frac{v}{R}\)

Câu 8 :

Một con lắc đơn gồm một vật nhỏ khối lượng \(m\), chiều dài sợi dây là \(\ell \), đang dao động điều hòa tại nơi có gia tốc trọng trường là \(g\). Tần số góc dao động điều hòa là

  • A.

    \(\sqrt {\dfrac{g}{\ell }} .\)

  • B.

    \(\sqrt {\dfrac{\ell }{g}} .\)

  • C.

    \(\sqrt {\dfrac{\ell }{m}} .\)

  • D.

    \(\sqrt {\dfrac{m}{\ell }} .\)

Đáp án : A

Phương pháp giải :

Tần số góc dao động điều hòa là:  \(\omega  = \sqrt {\dfrac{g}{\ell }} .\)

Lời giải chi tiết :

Tần số góc dao động điều hòa là:  \(\omega  = \sqrt {\dfrac{g}{\ell }} .\)

Câu 9 :

Một chất điểm dao động điều hòa trên quỹ đạo MN = 32cm, biên độ dao động của vật là:

  • A.

    16 cm

  • B.

    8 cm

  • C.

    32 cm

  • D.

    4 cm

Đáp án : A

Phương pháp giải :

Sử dụng biểu thức tính độ dài quỹ đạo của vật dao động điều hòa: \(L = 2A\)

Lời giải chi tiết :

Ta có, độ dài quỹ đạo dao động của vật: \(L = 2A\)

\(\begin{array}{l} \leftrightarrow MN = 2A = 32cm\\ \to A = 16cm\end{array}\)

Câu 10 :

Sóng âm là

  • A.

    Sóng cơ học truyền trong các môi trường rắn, lỏng, khí, chân không

  • B.

    Sóng cơ học truyền trong môi trường rắn, lỏng, khí

  • C.

    Sóng ngang truyền trong môi trường rắn, lỏng, khí

  • D.

    Sóng dọc truyền trong môi trường rắn, lỏng, khí

Đáp án : B

Lời giải chi tiết :

Sóng âm là những sóng cơ học truyền trong các môi trường khí, lỏng, rắn.

Sóng âm trong môi trường lỏng, khí là sóng dọc; trong môi trường rắn là sóng dọc hoặc sóng ngang.

Âm không truyền được trong chân không.

Câu 11 :

Đặt điện áp xoay chiều vào hai đầu đọa mạch có R, L, C mắc nối tiếp. Khi trong đoạn mạch có cộng hưởng điện thì điện áp giữa hai đầu đoạn mạch

  • A.
    lệch pha so với cường độ dòng điện trong mạch. 
  • B.
    trễ pha  so với dòng điện trong mạch.
  • C.
    cùng pha với cường độ dòng điện trong mạch.
  • D.
    sớm pha  so với cường độ dòng điện trong mạch.

Đáp án : C

Phương pháp giải :

Hiện tượng cộng hưởng điện xảy ra khi \(Z_L=Z_C\)

Lời giải chi tiết :

Khi trong mạch xảy ra hiện tượng cộng hưởng điện thì: \(Z_L=Z_C\)

=> điện áp giữa hai đầu đoạn mạch cùng pha với cường độ dòng điện trong mạch

Câu 12 :

Sóng cơ là:

  • A.

    Sự truyền chuyển động cơ trong không khí

  • B.

    Những dao động cơ lan truyền trong môi trường.

  • C.

    Chuyển động tương đối của vật này so với vật khác.

  • D.

    Sự co dãn tuần hoàn giữa các phần tử của môi trường

Đáp án : B

Lời giải chi tiết :

Sóng cơ: là dao động cơ lan truyền trong một môi trường.

Câu 13 :

Tần số dao động của con lắc lò xo phụ thuộc vào:

  • A.

    Chiều dài của con lắc lò xo

  • B.

    Biên độ của dao động

  • C.

    Điều kiện kích thích ban đầu

  • D.

    Khối lượng của vật nặng

Đáp án : D

Phương pháp giải :

Vận dụng biểu thức tính tần số dao động của con lắc lò xo: \(f = \dfrac{1}{{2\pi }}\sqrt {\dfrac{k}{m}}  = \dfrac{1}{{2\pi }}\sqrt {\dfrac{g}{{\Delta l}}} \)

Lời giải chi tiết :

Ta có, tần số dao động của con lắc lò xo \(f = \dfrac{1}{{2\pi }}\sqrt {\dfrac{k}{m}}  = \dfrac{1}{{2\pi }}\sqrt {\dfrac{g}{{\Delta l}}} \)

=> Tần số \(f\) phụ thuộc vào khối lượng m , độ cứng k của lò xo

Câu 14 :

Phát biểu nào sau đây là sai?

  • A.

    Khi xảy ra hiện tượng giao thoa sóng, các gợn sóng có hình các đường hypebol

  • B.

    Sóng kết hợp là hai sóng có độ lệch pha biến thiên theo thời gian

  • C.

    Điều kiện để xảy ra hiện tượng giao thoa sóng là hai nguồn sóng phải là hai sóng kết hợp

  • D.

    Hiện tượng giao thoa sóng xảy ra khi có hai sóng xuất phát từ hai tâm dao động cùng tần số, cùng pha.

Đáp án : B

Lời giải chi tiết :

Ta có:

+ Hai sóng là hai sóng kết hợp tức là hai sóng cùng tần số và có độ lệch pha không đổi theo thời gian (hoặc hai sóng cùng pha).

+ Hiện tượng giao thoa là hiện tượng hai sóng kết hợp khi gặp nhau thì có những điểm ở đó chúng luôn luôn tăng cường lẫn nhau, có những điểm ở đó chúng luôn luôn triệt tiêu nhau.

+ Các gợn sóng có hình các đường hypebol gọi là các vân giao thoa

=> Các phương án:

+ A, C, D – đúng

+ B – sai vì: Sóng kết hợp là sóng có cùng tần số và có độ lệch pha không đổi theo thời gian

Câu 15 :

Mạch RLC có R thay đổi được được mắc vào mạng điện xoay chiều có tần số không thay đổi, R bằng bao nhiêu thì mạch đạt công suất cực đại? (Không có hiện tượng cộng hưởng xảy ra).

  • A.

    \(R = \left| {{Z_L} – {Z_C}} \right|\)

  • B.

    ${Z_L} = 2{Z_C}$

  • C.

    ${Z_L} = R$

  • D.

    ${Z_C} = R$

Đáp án : A

Lời giải chi tiết :

R biến thiên để công suất cực đại khi đó, \(R = \left| {{Z_L} – {Z_C}} \right|\)

Câu 16 :

Trong dòng điện xoay chiều, cường độ dòng điện cực đại \({I_0}\) liên hệ với cường độ dòng điện hiệu dụng \(I\) theo công thức 

  • A.

    \(I = {I_0}\sqrt 2 .\)    

  • B.

    \(I = \dfrac{{{I_0}}}{{\sqrt 2 }}.\)                       

  • C.

    \(I = \dfrac{{{I_0}}}{2}.\)        

  • D.

    \(I = 2{I_0}.\)

Đáp án : B

Lời giải chi tiết :

Trong dòng điện xoay chiều, cường độ dòng điện cực đại \({I_0}\) liên hệ với cường độ dòng điện hiệu dụng I theo công thức \(I = \dfrac{{{I_0}}}{{\sqrt 2 }}.\)

Câu 17 :

Công suất của một đoạn mạch RLC nối tiếp có tính cảm kháng \(\left( {{Z_L} > {Z_C}} \right)\). Nếu ta giảm tần số của dòng điện thì hệ số công suất của mạch:

  • A.

    Không thay đổi.

  • B.

    Giảm

  • C.

    Tăng

  • D.

    Tăng lên rồi giảm

Đáp án : D

Phương pháp giải :

Vận dụng biểu thức tính hệ số công suất: \(cos\varphi  = \dfrac{R}{Z}\)

Lời giải chi tiết :

+ Ta có, hệ số công suất: \(cos\varphi  = \dfrac{R}{Z} = k\)

+ Mạch có tính cảm kháng: \({Z_L} > {Z_C}\)

+ Độ lớn hiệu số cảm kháng và dung kháng: \(\left| {{Z_L} – {Z_C}} \right| = \left| {\omega L – \dfrac{1}{{\omega C}}} \right| = \left| {2\pi fL – \dfrac{1}{{2\pi fC}}} \right|\)

Khi ta giảm tần số của dòng điện thì khi đó:

+ Hiệu số cảm kháng và dung kháng giảm dần về 0, khi đó hệ số công suất tăng dần đến \({k_0}\)

+ Sau đó độ lớn hiệu số cảm kháng và dung kháng tăng dần từ 0 đến giá trị nào đó => hệ số công suất \(k\) giảm từ \({k_0}\)

Vậy khi giảm tần số của dòng điện thì hệ số công suất k tăng lên rồi giảm

Câu 18 :

Phát biểu nào sau đây là sai khi nói về biên độ của dao động tổng hợp của hai dao động điều hoà cùng phương cùng tần số ?

  • A.

    Phụ thuộc vào tần số của hai dao động thành phần.

  • B.

    Phụ thuộc vào độ lệch pha của hai dao động thành phần.

  • C.

    Lớn nhất khi hai dao động thành phần cùng pha

  • D.

    Nhỏ nhất khi hai dao động thành phần ngược pha.

Đáp án : A

Phương pháp giải :

Sử dụng công thức tính biên độ dao động tổng hợp của hai dao động điều hoà cùng phương, cùng tần số:

\(A = \sqrt {A_1^2 + A_2^2 + 2{A_1}{A_2}\cos \Delta \varphi } \)

Lời giải chi tiết :

\(A = \sqrt {A_1^2 + A_2^2 + 2{A_1}{A_2}{\rm{cos}}\Delta \varphi } \)

Biên độ của dao động tổng hợp của hai dao động điều hoà cùng phương cùng tần số không phụ thuộc vào tần số của hai dao động thành phần.

Câu 19 :

Một vật dao động điều hòa có phương trình \(x = 5cos(2\pi t – \frac{\pi }{6})cm\). Lấy \({\pi ^2} = 10\). Gia tốc của vật khi có li độ $x= 3 cm$ là:

  • A.

    a=12m/s2

  • B.

    a =-120 cm/s2

  • C.

    a = 1,20 cm/s2

  • D.

    a= 12 cm/s

Đáp án : B

Phương pháp giải :

Sử dụng công thức xác định gia tốc trong dao động điều hòa: a=-ω2x

Lời giải chi tiết :

Ta có: \(a =  – {\omega ^2}x\)

=> Tại \(x = 3cm{\rm{ }} =  > a =  – {(2\pi )^2}.3 =  – 12{\pi ^2} =  – 120cm/{s^2}\)

Câu 20 :

Một vật dao động điều hòa với tần số $5 Hz$ và biên độ $8 cm$. Chọn gốc thời gian lúc vật qua vị trí cân bằng theo chiều âm. Phương trình dao động của là:

  • A.

    $x = 4cos(10 π t – π/2) cm.$

  • B.

    $x = 4cos(10t + π/2) cm.$

  • C.

    $x = 8cos(10 π t + π/2) cm.$

  • D.

    $x = 8cos(10t – π/2) cm.$

Đáp án : C

Phương pháp giải :

+ Xác định biên độ dao động của vật

+ Sử dụng biểu thức tính tần số góc: \(\omega  = 2\pi f\)

+ Sử dụng vòng tròn lượng giác

+ Viết phương trình dao động của vật: \(x = Acos\left( {\omega t + \varphi } \right)\)

Lời giải chi tiết :

Ta có:

+ Biên độ dao động: \(A{\rm{ }} = {\rm{ }}8cm\)

+ Tần số góc: \(\omega  = 2\pi f = 2\pi .5 = 10\pi rad/s\)

+ Gốc thời gian là lúc vật qua VTCB theo chiều âm:\(\varphi  = \dfrac{\pi }{2}(rad)\)

$ \to x = 8cos\left( {10\pi t + \dfrac{\pi }{2}} \right)cm$

Câu 21 :

Vật dao động điều hòa theo phương trình: \(x = 5c{\rm{os}}\left( {2\pi t – \frac{\pi }{3}} \right)cm\). Xác định thời gian ngắn nhất kể từ khi vật bắt đầu chuyển động đến vị trí có li độ \(x = \frac{{5\sqrt 2 }}{2}\)  lần thứ nhất?

  • A.

    \(\frac{5}{{24}}s\)

  • B.

    \(\frac{1}{8}s\)

  • C.

    \(\frac{1}{{24}}s\)

  • D.

    \(\frac{1}{{12}}s\)

Đáp án : C

Phương pháp giải :

+ Sử dụng công thức xác định chu kỳ: $T = \frac{{2\pi }}{\omega }$

 

+ Sử dụng trục thời gian trên đường thẳng được suy ra từ đường tròn 

Lời giải chi tiết :

Ta có:

Chu kỳ dao động của vật: $T = \frac{{2\pi }}{\omega } = \frac{{2\pi }}{{2\pi }} = 1{\rm{s}}$

Tại thời điểm ban đầu t=0: $\left\{ \begin{array}{l}x = 5c{\rm{os}}\left( { – \frac{\pi }{3}} \right) = 2,5cm\\v =  – 10\pi \sin \left( { – \frac{\pi }{3}} \right) = 5\sqrt 3 \pi  > 0\end{array} \right.$

 

$ \to t = \frac{T}{{24}} = \frac{1}{{24}}s$

Câu 22 :

Khi gắn vật có khối lượng m1 = 4kg vào một lò xo có khối lượng không đáng kể, nó dao động với chu kì T1 = 1s. Khi gắn một vật khác có khối lượng m2 vào lò xo trên nó dao động với chu kì T2 = 0,5s. Khối lượng m2 bằng?

  • A.

    0,5kg

  • B.

    2 kg

  • C.

    1 kg

  • D.

    3 kg

Đáp án : C

Phương pháp giải :

Áp dụng biểu thức xác định chu kì dao động của con lắc lò xo: \(T = 2\pi \sqrt {\dfrac{m}{k}} \)

Lời giải chi tiết :

Chu kì dao động của vật:

\(T = 2\pi \sqrt {\dfrac{m}{k}} \)

\( \to \dfrac{{{T_1}}}{{{T_2}}} = \sqrt {\dfrac{{{m_1}}}{{{m_2}}}}  \to {m_2} = \dfrac{{{m_1}T_2^2}}{{T_1^2}} = \dfrac{{4.0,{5^2}}}{{{1^2}}} = 1kg\)

Câu 23 :

Một lò xo có độ cứng \(k\) treo thẳng đứng vào điểm cố định, đầu dưới treo vật có khối lượng \(m = 160g\). Vật dao động điều hòa với tần số \(f = 5Hz\), cơ năng của vật \({\rm{W}} = 0,08J\). Lấy \({\pi ^2} = 10\). Tỉ số động năng và thế năng tại li độ \(x = 2cm\) là:

  • A.

    \(\dfrac{3}{2}\)

  • B.

     \(\dfrac{1}{3}\)

  • C.

    \(4\)

  • D.

    \(\dfrac{1}{4}\)

Đáp án : A

Phương pháp giải :

+ Sử dụng biểu thức tính tần số góc: \(\omega  = 2\pi f\)

+ Áp dụng biểu thức xác định thế năng của con lắc lò xo: \({{\rm{W}}_t} = \dfrac{1}{2}k{{\rm{x}}^2}\)

+ Áp dụng biểu thức cơ năng: \({\rm{W = }}{{\rm{W}}_t}{\rm{ + }}{{\rm{W}}_d}\)

Lời giải chi tiết :

+ Tần số góc: \(\omega  = 2\pi f = 10\pi (ra{\rm{d}}/s)\)

+ Tại li độ \(x = 2cm\) có:

+ Thế năng: \({{\rm{W}}_t} = \dfrac{1}{2}k{{\rm{x}}^2} = \dfrac{1}{2}m{\omega ^2}{x^2} = \dfrac{1}{2}0,16.{(10\pi )^2}{(0,02)^2} = 0,032J\)

+ Động năng: \({{\rm{W}}_đ}{\rm{ = W}} – {{\rm{W}}_t} = 0,08 – 0,032 = 0,048J\)

\( \to \dfrac{{{{\rm{W}}_{đ}}}}{{{{\rm{W}}_t}}} = \dfrac{{0,048}}{{0,032}} = \dfrac{3}{2}\)

Câu 24 :

Một con lắc đơn dao động với biên độ góc  α0 = 0,1 rad có chu kì dao động T = 1s. Chọn gốc tọa độ là vị trí cân bằng, khi vật bắt đầu chuyển động vật đi qua vị trí cân bằng theo chiều âm. Phương trình dao động của con lắc là:

  • A.

    \(\alpha = 0,1cos2\pi t\left( {rad} \right)\)

  • B.

    \(\alpha = 0,1cos\left( {2\pi t + \pi } \right)\left( {rad} \right)\)

  • C.

    \(\alpha = 0,1cos(2\pi t + \frac{\pi }{2})(rad)\)

  • D.

    \(\alpha = 0,1cos(2\pi t – \frac{\pi }{2})(rad)\)

Đáp án : C

Phương pháp giải :

+ Bước 1: Xác định biên độ góc: α0.

+ Bước 2: Xác định tần số góc ω: \(\omega  = \frac{{2\pi }}{T}\)

+ Bước 3: Xác định pha ban đầu: φ

Tại t=0: \(\left\{ \begin{array}{l}\alpha  = {\alpha _0}{\rm{cos}}\varphi \\v =  – \omega {s_0}\sin \varphi \end{array} \right.\)

+ Bước 4: Viết PTDĐ:

\(\alpha {\rm{ = }}{\alpha _0}{\rm{cos(}}\omega {\rm{t + }}\varphi {\rm{)}}\)

Lời giải chi tiết :

Ta có:

+ α0 = 0,1 rad

+ Tần số góc của dao động:

\(\omega  = \frac{{2\pi }}{T} = 2\pi (ra{\rm{d}}/s)\)

Tại t=0:

\(\left\{ \begin{array}{l}\alpha  = {\alpha _0}{\rm{cos}}\varphi  = 0\\v =  – \omega {s_0}\sin \varphi  < 0\end{array} \right. \to \varphi  = \frac{\pi }{2}\)

\( \to \alpha  = 0,1c{\rm{os}}\left( {2\pi t + \frac{\pi }{2}} \right)\)

Câu 25 :

Xét $2$ dao động điều hòa cùng phương, cùng tần số có phương trình dao động $x_1 = 5cos(3πt + 0,75π)cm$, $x_2= 5sin(3πt – 0,25π)cm$. Pha ban đầu của dao động tổng hợp là:

  • A.

    $0,5π$

  • B.

    $-0,75π$

  • C.

    $-0,5π$

  • D.

    $π$

Đáp án : D

Phương pháp giải :

Áp dụng công thức tính pha ban đầu của hai dao động điều hoà cùng phương, cùng tần số:

\(\tan \varphi  = \dfrac{{{A_1}\sin {\varphi _1} + {A_2}\sin {\varphi _2}}}{{{A_1}{\rm{cos}}{\varphi _1} + {A_2}{\rm{cos}}{\varphi _2}}}\)

Lời giải chi tiết :

$x_2 = 5sin(3πt – 0,25π) = 5cos(3πt – 0,75π)cm$

Dao động tổng hợp có pha ban đầu φ được xác định:

\(\tan \varphi  = \dfrac{{{A_1}\sin {\varphi _1} + {A_2}\sin {\varphi _2}}}{{{A_1}{\rm{cos}}{\varphi _1} + {A_2}{\rm{cos}}{\varphi _2}}} = \dfrac{{5.\sin (0,75\pi ) + 5\sin ( – 0,75\pi )}}{{5.c{\rm{os}}(0,75\pi ) + 5c{\rm{os}}( – 0,75\pi )}} \Rightarrow \varphi  = \pi \)

Câu 26 :

Một nguồn dao động điều hoà với chu kỳ \(0,2s\). Vận tốc truyền sóng bằng \(120cm/s\). Hai điểm nằm trên cùng một phương truyền sóng và cách nhau \(3cm\), có độ lệch pha:

  • A.

    \(\pi \)

  • B.

    \(\dfrac{\pi }{4}\)

  • C.

    \(\dfrac{\pi }{8}\)

  • D.

    \(6\pi \)

Đáp án : B

Phương pháp giải :

+ Áp dụng biểu thức tính bước sóng: \(\lambda  = vT\)

+ Áp dụng biểu thức tính độ lệch pha giữa 2 điểm:  \(\Delta \varphi  = \dfrac{{2\pi d}}{\lambda }\)

Lời giải chi tiết :

Ta có:

+ Bước sóng: \(\lambda  = vT = 120.0,2 = 24cm\)

+ Độ lệch pha của hai dao động tại hai điểm là: \(\Delta \varphi  = \dfrac{{2\pi d}}{\lambda } = \dfrac{{2\pi 3}}{{24}} = \dfrac{\pi }{4}\left( {rad} \right)\)

Câu 27 :

Sóng truyền từ O đến M với vận tốc \(v = 40cm/s\), phương trình sóng tại O là \({u_0} = 4sin\frac{\pi }{2}t\left( {cm} \right)\). Biết lúc thời điểm \(t\) thì li độ của phần tử M là \( – 3cm\) , vậy lúc \(t{\rm{ }} + 2\left( s \right)\) li độ của M là:

  • A.

    \( – 3{\rm{ }}cm\)

  • B.

    \( – 2{\rm{ }}cm\)

  • C.

    \(2{\rm{ }}cm\)

  • D.

    \(3{\rm{ }}cm\)

Đáp án : D

Phương pháp giải :

+ Áp dụng công thức tính góc quét: \(\Delta \varphi  = \omega \Delta t\)

+ Sử dụng vòng tròn lượng giác

Lời giải chi tiết :

Trong khoảng thời gian \(\Delta t = \left( {t + 2} \right) – t = 2s\), ta có:

+ Góc quét được \(\Delta \varphi  = \omega \Delta t = \frac{\pi }{2}.2 = \pi \)

+ Vẽ trên vòng tròn lượng giác, ta được:

Từ vòng tròn lượng giác, ta có: \(t{\rm{ }} + {\rm{ }}2s\) điểm M có li độ \(3cm\)

Câu 28 :

Một dây đàn hồi AB đầu A được rung nhờ một dụng cụ để tạo thành sóng dừng trên dây, biết phương trình dao động tại đầu A là \({u_A} = {\rm{ }}acos50\pi t\left( {cm} \right)\). Quan sát sóng dừng trên sợi dây ta thấy trên dây có những điểm không phải là điểm bụng dao động với biên độ b \((b \ne 0)\) cách đều nhau và cách nhau khoảng \(0,6m\). Giá trị của b và tốc truyền sóng trên sợi dây lần lượt là:

  • A.

    \(a\sqrt 2 ;v = 120m/s\)

  • B.

    \(a\sqrt 3 ;v = 120m/s\)

  • C.

    \(a\sqrt 2 ;v = 60m/s\)

  • D.

    \(a\sqrt 3 ;v = 60m/s\)

Đáp án : C

Phương pháp giải :

+ Sử dụng vòng tròn lượng giác

+ Áp dụng công thức tính tốc độ truyền sóng: v = lf

Lời giải chi tiết :

Các điểm dao động với biên độ \(b \ne 0\) và \(b \ne 2a\) (tức là không phải là điểm nút và điểm bụng) cách đều nhau thì khoảng cách giữa hai điểm bằng \(\frac{\lambda }{4} = 0,6m \to \lambda  = 2,4m\)

Do đó: \(v = \lambda f = \lambda .\frac{\omega }{{2\pi }} = 2,4.\frac{{50}}{{2\pi }} = 60m/s\)

Theo hình vẽ ta thấy: \(b = \frac{{2a\sqrt 2 }}{2} = a\sqrt 2 \)

 (Biên độ của bụng sóng là 2a)

Câu 29 :

Có một số nguồn âm giống nhau với công suất phát âm không đổi trong môi trường đẳng hướng không hấp thụ âm. Nếu tại điểm A đặt \(6\) nguồn âm thì tại điểm B cách A một đoạn \(d\) có mức cường độ âm là \(60dB\). Nếu tại điểm C cách B một đoạn \(\dfrac{d}{3}\)  đặt \(9\) nguồn âm thì tại điểm B có mức cường độ âm bằng:

  • A.

    \(71,3dB\)

  • B.

    \(48,7dB\)

  • C.

    \(67,8dB\)

  • D.

    \(52,2dB\)

Đáp án : A

Phương pháp giải :

+ Áp dụng công thức tính cường độ âm \(I = \dfrac{P}{{4\pi {R^2}}}\)

+ Sử dụng công thức tính mức cường độ âm: \(L = 10\log \dfrac{I}{{{I_0}}}\left( {dB} \right)\)

Lời giải chi tiết :

Gọi công suất mỗi nguồi là P

+ Cường độ âm tại B do A gây ra: \({I_{AB}} = \dfrac{{6P}}{{4\pi {d^2}}}\)  (1)

Cường độ âm tại B do C gây ra: \({I_{CB}} = \dfrac{{9P}}{{4\pi \dfrac{{{d^2}}}{9}}}\) (2)

Mặt khác, ta có:

\(\begin{array}{l}{L_{AB}} = 10\log \dfrac{{{I_{AB}}}}{{{I_0}}} = 60dB\\ \to \log \dfrac{{{I_{AB}}}}{{{I_0}}} = 6 \to {I_{AB}} = {10^6}{I_0}\end{array}\)

Lại có: \(\dfrac{{{I_{AB}}}}{{{I_{CB}}}} = \dfrac{{\dfrac{{6P}}{{4\pi {d^2}}}}}{{\dfrac{{9P}}{{4\pi \dfrac{{{d^2}}}{9}}}}} = \dfrac{2}{{27}} \to {I_{CB}} = \dfrac{{27}}{2}{I_{AB}} = \dfrac{{27}}{2}{.10^6}{I_0}\)

Ta suy ra, mức cường độ âm do C gây ra tại B:

\({L_{CB}} = 10\log \dfrac{{{I_{CB}}}}{{{I_0}}} = 10\log \dfrac{{\dfrac{{27}}{2}{{.10}^6}{I_0}}}{{{I_0}}} \approx 71,3dB\)

Câu 30 :

Điện áp tức thời giữa hai đầu đoạn mạch có biểu thức: $u = 240\sin \left( {100\pi t} \right)V$. Thời điểm gần nhất sau đó để điện áp tức thời đạt giá trị \(120V\) kể từ thời điểm ban đầu là:

  • A.

    $\dfrac{1}{{600}}s$

  • B.

    $\dfrac{1}{{100}}s$

  • C.

    $\dfrac{1}{{50}}s$

  • D.

    $\dfrac{1}{{300}}s$

Đáp án : A

Phương pháp giải :

+ Sử dụng công thức tính chu kì dao động: $T = \dfrac{{2\pi }}{\omega }$

+ Sử dụng vòng tròn lượng giác

Lời giải chi tiết :

Biểu thức điện áp hai đầu đoạn mạch:

\(u = 240\sin 100\pi t\left( V \right)= 240\cos \left( {100\pi t – \frac{\pi }{2}}\right)\left( V \right)\)

Chu kì dao động :

 $T = \dfrac{{2\pi }}{\omega } = \dfrac{{2\pi }}{{100\pi }} = 0,02s$

Tại $t = 0$:

 $u = 0(V)$

Thời điểm gần nhất sau đó để điện áp tức thời đạt giá trị $120V$ kể từ thời điểm ban đầu là: $t = \dfrac{T}{{12}} = \dfrac{{0,02}}{{12}} = \dfrac{1}{{600}}s$

Câu 31 :

Cho mạch điện xoay chiều như hình vẽ, cuộn dây thuần cảm. Số chỉ các vôn kế \({V_1},{\rm{ }}{V_2}\) lần lượt là \({U_1} = {\rm{ }}30V\); \({U_2} = 40V\). Biết hiệu điện thế tức thời \({u_{AN}}\) biến thiên lệch pha \(\dfrac{\pi }{2}\) với hiệu điện thế tức thời \({u_{MB}}\). Hiệu điện thế hiệu dụng ở hai đầu điện trở thuần là:

  • A.

    50V

  • B.

    18V

  • C.

    32V

  • D.

    24V

Đáp án : D

Phương pháp giải :

+Vận dụng công thức khi \({\varphi _1} \pm {\varphi _2} = \left( {2k + 1} \right)\dfrac{\pi }{2}\) thì:  \(\left| {\tan {\varphi _1}\tan {\varphi _2}} \right| = 1\)

+ Vận dụng biểu thức tính hiệu điện thế toàn mạch: \(U = \sqrt {U_R^2 + {{\left( {{U_L} – {U_C}} \right)}^2}} \)

Lời giải chi tiết :

Ta có: \({U_{RL}} \bot {U_{RC}} \to \left| {\tan {\varphi _1}\tan {\varphi _2}} \right| = 1 \to \dfrac{{{Z_L}}}{R}\dfrac{{{Z_C}}}{R} = 1 \to {U_L}{U_C} = U_R^2\)

\(\left\{ \begin{array}{l}U_R^2 + U_L^2 = {30^2}(1)\\U_R^2 + U_C^2 = {40^2}(2)\end{array} \right.\)

Lấy:

\(\begin{array}{l}(1) + (2)\\ \leftrightarrow 2U_R^2 + U_L^2 + U_C^2 = {30^2} + {40^2}\\ \leftrightarrow 2U_R^2 + {\left( {{U_L} + {U_C}} \right)^2} – 2{U_L}{U_C} = {30^2} + {40^2}\\ \to {\left( {{U_L} + {U_C}} \right)^2} = 2500\\ \to \left( {{U_L} + {U_C}} \right) = 50\end{array}\)

Lấy:

\(\begin{array}{l}\left( 2 \right) – \left( 1 \right)\\ \leftrightarrow U_C^2 – U_L^2 = {40^2} – {30^2}\\ \leftrightarrow \left( {{U_C} + {U_L}} \right)\left( {{U_C} – {U_L}} \right) = {40^2} – {30^2}\\ \to \left( {{U_C} – {U_L}} \right) = \dfrac{{{{40}^2} – {{30}^2}}}{{50}} = 14\\ \to \left\{ \begin{array}{l}{U_L} = 18V\\{U_C} = 32V\end{array} \right.\\ \to {U_R} = \sqrt {{{30}^2} – {{18}^2}}  = 24V\end{array}\)

Câu 32 :

Một đoạn mạch điện xoay chiều gồm \(R{\rm{ }} = {\rm{ }}60{\rm{ }}\Omega \) , cuộn cảm thuần \(L = \dfrac{{0,2}}{\pi }H\) và \(C{\rm{ }} = \dfrac{{{{10}^{ – 3}}}}{{8\pi }}F\)  mắc nối tiếp. Điện áp giữa hai đầu đoạn mạch là \(u = 100\sqrt 2 cos100\pi tV\). Tìm độ lệch pha giữa điện áp giữa hai đầu đoạn mạch và dòng điện trong mạch?

  • A.

    \(\dfrac{\pi}{4}\)

  • B.

     \( -\dfrac{\pi}{4}\)

  • C.

    \(\dfrac{\pi}{6}\)

  • D.

    \( -\dfrac{\pi}{6}\)

Đáp án : B

Phương pháp giải :

+ Sử dụng biểu thức tính cảm kháng: \({Z_L} = \omega L\)

+ Sử dụng biểu thức: \(\tan \varphi  = \dfrac{{{Z_L} – {Z_C}}}{R}\)

Lời giải chi tiết :

Ta có:

\({Z_L} = \omega L = 100\pi \dfrac{{0,2}}{\pi } = 20\Omega \)

\({Z_C} = \dfrac{1}{{\omega C}} = \dfrac{1}{{100\pi .\dfrac{{{{10}^{ – 3}}}}{{8\pi }}}} = 80\Omega \)

Độ lệch pha giữa điện áp và cường độ dòng điện trong mạch:

\(\begin{array}{l}\tan \varphi  = \dfrac{{{Z_L} – {Z_C}}}{R} = \dfrac{{20 – 80}}{{60}} =  – 1\\ \to \varphi  =  – \dfrac{\pi }{4}\end{array}\)

Câu 33 :

Mạch điện xoay chiều RLC nối tiếp. Hai đầu đoạn mạch có một điện áp xoay chiều có tần số và điện áp hiệu dụng không đổi. Dùng vôn kế có điện trở rất lớn, lần lượt đo điện áp ở hai đầu đoạn mạch, hai đầu tụ điện và hai đầu cuộn dây thì số chỉ của vôn kế tương ứng là U, Uvà UL. Biế U = UC = 2UL. Hệ số công suất của mạch là:

  • A.

    \(\cos \varphi = 0,5\)

     

  • B.

    \(\cos \varphi = \sqrt 3 /2\)

     

  • C.

    \(\cos \varphi = \sqrt 2 /2\)

     

  • D.

    \(\cos \varphi = 1\)

     

Đáp án : B

Phương pháp giải :

+ Áp dụng công thức tính hiệu điện thế hiệu dụng hai đầu đoạn mạch:

\(U = \sqrt {U_R^2 + {{({U_L} – {U_C})}^2}} \)

+ Áp dụng công thức tính hệ số công suất: \({\rm{cos}}\varphi  = \frac{R}{Z}\)

Lời giải chi tiết :

Ta có:

+ \(\begin{array}{l}U = \sqrt {U_R^2 + {{({U_L} – {U_C})}^2}}  \leftrightarrow {U^2} = U_R^2 + {(\frac{U}{2} – U)^2}\\ \to {U_R} = \frac{{\sqrt 3 U}}{2}\end{array}\)

+ Hệ số công suất:

\({\rm{cos}}\varphi  = \frac{R}{Z} = \frac{{{U_R}}}{U} = \frac{{\frac{{\sqrt 3 U}}{2}}}{U} = \frac{{\sqrt 3 }}{2}\)

Câu 34 :

Cho đoạn mạch RLC mắc nối tiếp , cuộn  dây cảm thuần, điện trở R thay đổi được. Đặt hai đầu đoạn mạch một điện áp xoay chiều có điện áp hiệu dụng là 200V. Khi R = R1 và R = R2 thì mạch có cùng công suất. Biết \({R_1} + {\rm{ }}{R_2} = {\rm{ }}100\Omega .\) Khi R = R1 công suất của mạch là:       

  • A.

    400 W     

  • B.

    220 W

  • C.

    440W

  • D.

    880 W    

Đáp án : A

Phương pháp giải :

Vận dụng biểu thức khi R1 ; R2 có cùng P:

\(\left\{ \begin{array}{l}{R_1} + {R_2} = \frac{{{U^2}}}{P}\\{R_1}{R_2} = {\left( {{Z_L} – {Z_C}} \right)^2} = {R_{Pm{\rm{ax}}}}^2\end{array} \right.\)

Lời giải chi tiết :

Vì có 2 giá trị R1, R2 cho cùng công suất

Nên theo vi- et ta có:

\({R_1} + {\text{ }}{R_2} = {\text{ }}U^2/P\)

\( \to P = \dfrac{{{\text{ }}U^2}}{{\left( {{\text{ }}{R_1} + {\text{ }}{R_2}} \right)}} = {\text{ }}400W\)

Câu 35 :

Một đoạn mạch gồm tụ điện mắc nối tiếp với một cuộn dây. Điện áp giữa hai đầu cuộn dây lệch pha \(\dfrac{\pi }{3}\) so với cường độ dòng điện và lệch pha \(\dfrac{\pi }{2}\) so với điện áp hai đầu đoạn mạch. Biết điện áp hiệu dụng giữa hai đầu đoạn mạch bằng \(100V\), khi đó điện áp hiệu dụng trên tụ điện và trên cuộn dây lần lượt là:

  • A.

    \(60V\) và \(60\sqrt 3 V\)

  • B.

    \(200V\) và \(100\sqrt 3 V\)

  • C.

    \(60\sqrt 3 V\) và \(100V\)

  • D.

    \(100\sqrt 3 V\) và \(200V\)

Đáp án : B

Phương pháp giải :

Sử dụng giản đồ véc-tơ và các hệ thức trong tam giác

Lời giải chi tiết :

Từ giản đồ, ta có:

+ Xét \(\Delta AMB\) vuông tại B, có:

\(\begin{array}{l}\tan {30^0} = \dfrac{{AB}}{{MB}} = \dfrac{U}{{{U_{cd}}}}\\ \Rightarrow {U_{cd}} = \dfrac{U}{{\tan {{30}^0}}} = \dfrac{{100}}{{\dfrac{1}{{\sqrt 3 }}}} = 100\sqrt 3 V\end{array}\)

\(\begin{array}{l}\sin {30^0} = \dfrac{{AB}}{{AM}} = \dfrac{U}{{{U_C}}}\\ \Rightarrow {U_C} = \dfrac{U}{{\sin {{30}^0}}} = \dfrac{{100}}{{\dfrac{1}{2}}} = 200V\end{array}\)  

Câu 36 :

Dòng điện chạy qua một đoạn mạch gồm cuộn dây thuần cảm có L = 1/10π (H), mắc nối tiếp với một tụ điện C = 2.10-4/π (F) có biểu thức \(i = 2\sqrt 2 \cos (100\pi t – \pi /6)\) (A). Biểu thức điện áp hai đầu mạch có thể là:

 

  • A.

    \(u = 80\sqrt 2 cos(100\pi t + \frac{\pi }{6}){\rm{ }}\left( V \right)\)

     

  • B.

    \(u = 80\sqrt 2 cos(100\pi t + \frac{\pi }{3}){\rm{ }}\left( V \right)\)

     

  • C.

    \(u = 80\sqrt 2 cos(100\pi t – \frac{{2\pi }}{3}){\rm{ }}\left( V \right)\)

     

  • D.

    \(u = 80\sqrt 2 \sin (100\pi t + \frac{\pi }{6}){\rm{ }}\left( V \right)\)

     

Đáp án : C

Phương pháp giải :

Casio giải điện xoay chiều

Lời giải chi tiết :

Câu 37 :

Một động cơ điện xoay chiều sản ra công suất cơ học 7,5kW và có hiệu suất 80%. Mắc động cơ nối tiếp với một cuộn cảm rồi mắc chúng vào mạng điện xoay chiều. Giá trị hiệu điện thế hiệu dụng  ở hai đầu động cơ là UM biết rằng dòng điện qua động cơ có cường độ hiệu dụng I = 40A và trễ pha với uM một góc \(\pi /6\). Hiệu điện thế ở hai đầu cuộn cảm UL = 125V và sớm pha so với dòng điện qua cuộn cảm là \(\pi /3\). Tính  điện áp hiệu dụng của mạng điện và độ lệch pha của nó so với dòng điện.

  • A.

    384V; 400                   

  • B.

    834V; 450

  • C.

    384V; 390

     

  • D.

    384184V; 390

Đáp án : C

Phương pháp giải :

+ Vận dụng biểu thức tính công suất

+ Áp dụng định lý hàm số cos trong tam giác

Lời giải chi tiết :

Ta có

\(\begin{array}{l}P{\rm{ }} = {\rm{ }}{P_{cohoc}}.\frac{{100}}{{80}} = 9,375{\rm{ }}KW\\ \to {U_M} = {\rm{ }}\frac{P}{{Ic{\rm{os}}\frac{\pi }{6}}} = 270,633{\rm{ }}V\end{array}\)

Áp dụng định lý cos trong tam giác ta có:  

\(\begin{array}{l}U = {\rm{ }}U{_{RL}}{\rm{ }} + {\rm{ }}U{_M}{\rm{ }} – {\rm{ }}2{U_{RL}}.{U_M}.cos{150^0}\\ \to {\rm{ }}U = 384{\rm{ }}V\end{array}\) 

gọi\(\left( {u;{\rm{ }}{u_M}} \right) = \varphi  \to U{_{RL}}{\rm{ }} = U{\rm{ }} + U{_M} – 2.U.{U_M}.cos\varphi  \to \varphi  = {9^0}\) 

=> góc hợp bởi u và i là 390

Câu 38 :

Hai dao động cùng phương lần lượt có phương trình \({x_1} = {A_1}cos\left( {4\pi t + \dfrac{\pi }{3}} \right)cm\) và \({x_2} = 12cos\left( {4\pi t – \dfrac{\pi }{2}} \right)cm\). Dao động tổng hợp của hai dao động này có phương trình \(x = Acos\left( {4\pi t + \varphi } \right)\). Thay đổi A1 cho đến khi A đạt giá trị cực tiểu thì:

  • A.

    \(\varphi  =  – \dfrac{\pi }{6}rad\)

  • B.

    \(\varphi  = \pi \) rad

  • C.

    \(\varphi = – \dfrac{\pi }{3}rad\)

  • D.

    \(\varphi {\rm{ }} = {\rm{ }}0{\rm{ }}rad\)

Đáp án : A

Phương pháp giải :

+ Sử dụng giản đồ Fresnen

+ Áp dụng định lí hàm số sin: \(\dfrac{a}{{\sin a}} = \dfrac{b}{{\sin b}} = \dfrac{c}{{\sin c}}\)

Lời giải chi tiết :

Ta có:

\({x_1} = {A_1}cos\left( {4\pi t + \dfrac{\pi }{3}} \right)cm\), \({x_2} = 12cos\left( {4\pi t – \dfrac{\pi }{2}} \right)cm\) và \(x = Acos\left( {4\pi t + \varphi } \right)\)

\(\begin{array}{l}\dfrac{A}{{\sin {{30}^0}}} = \dfrac{{{A_1}}}{{\sin \left( {{{90}^0} – \varphi } \right)}} = \dfrac{{{A_2}}}{{\sin \left( {\varphi  + {{60}^0}} \right)}}\\ \leftrightarrow \dfrac{A}{{\sin {{30}^0}}} = \dfrac{{{A_1}}}{{\sin \left( {{{90}^0} – \varphi } \right)}} = \dfrac{{12}}{{\sin \left( {\varphi  + {{60}^0}} \right)}}\\ \to A = \dfrac{{12\sin {{30}^0}}}{{\sin \left( {\varphi  + {{60}^0}} \right)}}\end{array}\)

Để \({A_{min}}\) thì \(\sin {\left( {\varphi  + {{60}^0}} \right)_{max}} = 1 \to \varphi  = {30^0}\)

Vậy dao động tổng hợp có pha ban đầu là \( – {\rm{ }}{30^0}\) hay \( – \dfrac{\pi }{6}\left( {rad} \right)\)

Câu 39 :

Hai nguồn sóng $AB$ cách nhau $1 m$ dao động cùng pha với bước sóng $0,5m$. $I$ là trung điểm $AB$. $H$ là điểm nằm trên đường trung trực của $AB$ cách $I$ một đoạn $1,5m$. Gọi $d$ là đường thẳng qua $H$ và song song với $AB$. Tìm điểm $M$ thuộc $d$ và gần $H$ nhất, dao động với biên độ cực đại. (Tìm khoảng cách $MH$)

  • A.

    $0,9m$

  • B.

    \(2,75m\)

  • C.

    $3,25m$

  • D.

    \(0,8125m\)

Đáp án : A

Phương pháp giải :

Áp dụng điều kiện dao động cực đại của 2 nguồn cùng pha: \({d_2} – {\text{ }}{d_1} = {\text{ }}k\lambda \)

Lời giải chi tiết :

Cách 1:

Vì A và B cùng pha, do đó I dao động với biên độ cực đại.

Gọi N là giao của đường cực đại qua M và đường AB.

Vì M gần H nhất và dao động với biên độ cực đại nên

\(NI = \dfrac{\lambda }{2} = 0,25m\)

Theo tính chất về đường Hypecbol ta có:

Khoảng cách $BI{\rm{ }} = {\rm{ }}c{\rm{ }} = {\rm{ }}0,5m$

Khoảng cách $IN{\rm{ }} = {\rm{ }}a{\rm{ }} = {\rm{ }}0,25m$

Mà ta có ${b^2} + {a^2} = {c^2}$ . Suy ra ${b^2} = {a^2} – {c^2} = 0,{5^2} – 0,{25^2} = 0,1875$

Toạ độ điểm M là x, y thoả mãn:  $\dfrac{{{x^2}}}{{{a^2}}} – \dfrac{{{y^2}}}{{{b^2}}} = 1$

Với $x{\rm{ }} = {\rm{ }}MH,{\rm{ }}y{\rm{ }} = {\rm{ }}HI{\rm{ }} = 1,5m$

$\dfrac{{M{H^2}}}{{0,{{25}^2}}} – \dfrac{{1,{5^2}}}{{0,1875}} = 1 \to MH = 0,9m$

Cách 2:

Vì A và B cùng Hha và M gần H nhất và dao động với

biên độ cực đại nên M thuộc cực đại ứng với $k{\rm{ }} = 1$

Ta có: \(MA – MB = k\lambda  = \lambda \)

Theo hình vẽ ta có: $\sqrt {A{Q^2} + M{Q^2}}  – \sqrt {B{Q^2} + M{Q^2}}  = \lambda $

Đặt $MH{\rm{ }} = {\rm{ }}IQ{\rm{ }} = {\rm{ }}x$ , có $HI{\rm{ }} = {\rm{ }}MQ{\rm{ }} = 1,5m$

Ta có:

$\begin{array}{l}\sqrt {{{(0,5 + x)}^2} + 1,{5^2}}  – \sqrt {{{(0,5 – x)}^2} + 1,{5^2}}  = 0,5\\ \to x = 0,9m\end{array}$

Câu 40 :

Trên một sợi dây dài có một sóng ngang, hình sin truyền qua. Hình dạng của một đoạn dây tại hai thời điểm \({t_1}\) và \({t_2}\) có dạng như hình vẽ bên. Trục Ou biểu diễn li độ của các phần tử M và N ở các thời điểm. Biết \({t_2} – {t_1} = 0,11s\) và nhỏ hơn một chu kì sóng. Chu kì dao động của sóng là:

  • A.

    \(0,5s\)

  • B.

    \(1s\)

  • C.

    \(0,4s\)

  • D.

    \(0,6s\)

Đáp án : A

Phương pháp giải :

+ Đọc đồ thị và áp dụng các công thức sóng cơ học.

+ Sử dụng vòng tròn lượng giác

Lời giải chi tiết :

Từ đồ thị ta xác định được:

Tại \({t_1}\) : \(\left\{ \begin{array}{l}{u_M} = 1,52cm\\{u_N} = 0,35cm\end{array} \right.\)

Tại \({t_2}\): \(\left\{ \begin{array}{l}{u_M} = 1,52mm\\{u_N} =  + Amm\end{array} \right.\)

Ta có:

\(\begin{array}{l}\left\{ \begin{array}{l}{\rm{cos}}\frac{\alpha }{2} = \frac{{1,52}}{A}\\{\rm{cos}}\alpha  = \frac{{0,35}}{A} = {\rm{co}}{{\rm{s}}^2}\left( {\frac{\alpha }{2}} \right) – 1\end{array} \right.\\ \to \frac{{0,35}}{A} = 2.{(\frac{{1,52}}{A})^2} – 1\\ \to \frac{1}{A} = 0,5046 \to A = 1,98cm\end{array}\)

Suy ra

\(\begin{array}{l}cos\alpha  = \frac{{0,35}}{A} = \frac{{0,35}}{{1,98}} = 0,1767\\ \to \alpha  = 79,{82^0} \approx 0,44\pi \left( {rad} \right)\end{array}\)

Mặt khác, ta có: \(\alpha  = \omega \Delta t \to \omega  = \frac{\alpha }{{\Delta t}} = \frac{{0,44\pi }}{{0,11}} = 4\pi \left( {rad/s} \right)\)

=> Chu kì dao động: \(T = \frac{{2\pi }}{\omega } = \frac{{2\pi }}{{4\pi }} = 0,5s\)

TẢI APP ĐỂ XEM OFFLINE

Đề kiểm tra 15 phút

Đề kiểm tra 1 tiết