3. Bài 31. Hiện tượng quang điện trong

Đề bài

Câu 1 :

Phát biểu nào sau đây là đúng?

  • A.

    Hiện tượng quang điện trong là hiện tượng bứt êlectron ra khỏi bề mặt kim loại khi chiếu vào kim loại ánh sáng có bước sóng thích hợp.

  • B.

    Hiện tượng quang điện trong là hiện tượng êlectron bị bắn ra khỏi kim loại khi kim loại bị đốt nóng

  • C.

    Hiện tượng quang điện trong là hiện tượng êlectron liên kết được giải phóng thành êlectron dẫn khi chất bán dẫn được chiếu bằng bức xạ thích hợp.

  • D.

    Hiện tượng quang điện trong là hiện tượng điện trở của vật dẫn kim loại tăng lên khi chiếu ánh sáng vào kim loại.

Câu 2 :

Tìm phát biểu sai về hiện tượng quang dẫn và hiện tượng quang điện ngoài:

  • A.

    Công thoát của kim loại lớn hơn năng lượng kích hoạt của chất bán dẫn.

  • B.

    Phần lớn quang trở hoạt động được khi bị kích thích bằng ánh sáng nhìn thấy.

  • C.

    Ánh sáng tím có thể gây ra hiện tượng quang điện cho kim loại Kali.

  • D.

    Hầu hết các tế bào quang điện hoạt động được khi bị kích thích bằng ánh sáng hồng ngoại.

Câu 3 :

Chọn câu đúng:

  • A.

    Năng lượng kích hoạt trong hiện tượng quang điện trong nhỏ hơn công thoát của electron khỏi kim loại trong hiện tượng quang điện ngoài.

  • B.

    Hiện tượng quang điện trong không bứt electron khỏi khối chất bán dẫn.

  • C.

    Giới hạn quang dẫn của hiện tượng quang điện trong có thể thuộc vùng hồng ngoại.

  • D.

    A, B, C đều đúng.

Câu 4 :

Linh kiện nào sau đây hoạt động dựa vào hiện tượng quang điện trong ?

  • A.

    Tế bào quang điện

     

  • B.

    Điện trở nhiệt.

     

  • C.

    Điôt phát quang.

     

  • D.

    Quang điện trở.

     

Câu 5 :

Chọn câu phát biểu sai về pin quang điện.

  • A.

    Hoạt động dựa vào hiện tượng quang điện trong xảy ra bên cạnh một lớp chắn.

  • B.

    Là nguồn điện biến đối trực tiếp quang năng thành điện năng.

  • C.

    Là nguồn điện biến đổi toàn bộ năng lượng Mặt Trời thành điện năng.

  • D.

    Có suất điện động nằm trong khoảng từ 0,5V đến 0,8V.

Câu 6 :

Điện trở của một quang điện trở có

  • A.

    Giá trị rất lớn.

  • B.

    Giá trị không đổi.

  • C.

    Giá trị thay đổi.

  • D.

    Giá trị rất nhỏ.

Câu 7 :

Chiếu ánh sáng nhìn thấy vào chất nào sau đây có thể gây ra hiện tượng quang điện trong?

 

  • A.

    Điện môi.

     

  • B.

    Kim loại

     

  • C.

    Á kim

  • D.

    Chất bán dẫn.

     

Câu 8 :

Dụng cụ nào sau đây có thể biến quang năng thành điện năng?

 

  • A.

    Pin mặt trời.

  • B.

    Pin Vôn-ta.

  • C.

    Ác quy.

  • D.

    Đinamô xe đạp.

Câu 9 :

Phát biểu nào sau đây là đúng khi nói về hiện tượng quang dẫn ?

  • A.

    Hiện tượng quang dẫn là hiện tượng giảm mạnh điện trở suất của chất bán dẫn khi bị chiếu sáng.

  • B.

    Trong hiện tượng quang dẫn, electron được giải phóng ra khỏi khối bán dẫn.

  • C.

    Một trong những ứng dụng quan trọng của hiện tượng quang dẫn là việc chế tạo đèn ống( đèn Nêon).

  • D.

    Trong hiện tượng quang dẫn, năng lượng cần thiết để giải phóng electron liên kết thành electron dẫn cũng được cung cấp bởi nhiệt.

Câu 10 :

Pin quang điện hoạt động dựa vào.

  • A.

    Hiện tượng quang điện ngoài.

  • B.

    Hiện tượng quang điện trong.

  • C.

    Hiện tượng tán sắc ánh sáng.

  • D.

    Sự phát quang của các chất.

Câu 11 :

Hiện tượng các êlectrôn………………. để cho chúng trở thành các êlectron dẫn gọi là hiện tượng quang điện bên trong.  Hãy chọn các cụm từ sau đây điền vào chỗ trống?

  • A.

    Bị bật ra khỏi catốt

  • B.

    Phá vỡ liên kết để trở thành electrôn dẫn

  • C.

    Chuyển động mạnh hơn

  • D.

    Chuyển lên quỹ đạo có bán kính lớn hơn

Câu 12 :

Điều nào sau đây là sai khi nói về quang trở?

  • A.

    Bộ phận quan trọng của quang trở là một lớp bán dẫn có gắn hai điện cực.

  • B.

    Quang trở thực chất là một điện trở mà giá trị điện trở của nó có thể thay đổi theo nhiệt độ.

  • C.

    Quang trở được dùng nhiều trong các hệ thống tự động, báo động.

  • D.

    Quang trở chỉ hoạt động khi ánh sáng chiếu vào nó có bước sóng ngắn hơn giới hạn quang dẫn của quang trở.

Câu 13 :

Phát biểu nào là sai?

  • A.

    Điện trở của quang trở giảm mạnh khi có ánh sáng thích hợp chiếu vào.

  • B.

    Nguyên tắc hoạt động của tất cả các tế bào quang điện đều dựa trên hiện tượng quang dẫn.

  • C.

    Trong pin quang điện, quang năng biến đổi trực tiếp thành điện năng.

  • D.

    Có một số tế bào quang điện hoạt động khi được kích thích bằng ánh sáng nhìn thấy.

Câu 14 :

Pin quang điện là nguồn điện, trong đó

  • A.

    Hóa năng được biến đổi trực tiếp thành điện năng.

  • B.

    Quang năng được biến đổi trực tiếp thành điện năng.

  • C.

    Cơ năng được biến đổi trực tiếp thành điện năng.

  • D.

    Nhiệt năng được biến đổi trực tiếp thành điện năng.

Câu 15 :

Nguyên tắc hoạt động của quang điện trở dựa vào

 

  • A.

    Hiện tượng quang điện trong

     

  • B.

    Hiện tượng tán sắc ánh sáng.

     

  • C.

    Hiện tượng phát quang của chất rắn.

     

  • D.

    Hiện tượng quang điện ngoài.

     

Câu 16 :

Một tấm pin quang điện gồm nhiều pin mắc nối tiếp. Diện tích tổng cộng của các pin nhận năng lượng ánh sáng là \(0,6\;{m^2}\). Ánh sáng chiếu vào bộ pin có cường độ \(1360\;W/{m^2}.\)Dùng bộ pin cung cấp năng lượng cho mạch ngoài, khi cường độ dòng điện là $4A$ thì điện áp hai cực của bộ pin là $24V$. Hiệu suất của bộ pin là:

  • A.

    14,25% .

     

  • B.

    11,76%.

     

  • C.

    12,54%.

     

  • D.

    16,52%.

     

Câu 17 :

Năng lượng để giải phóng một electron liên kết thành electron dẫn trong chất bán dẫn Ge là 0,66 eV. Giới hạn quang dẫn (hay giới hạn quang điện trong) của Ge thuộc vùng ánh sáng

  • A.

    lam

  • B.

    tử ngoại

  • C.

    đỏ

  • D.

    hồng ngoại

Câu 18 :

Nguồn sáng đơn sắc có công suất \(1,5W\) phát ra bức xạ có bước sóng \(\lambda  = {\rm{ }}546nm\). Số hạt photon mà nguồn sáng phát ra trong 1 phút gần giá trị nào nhất sau đây?

  • A.

    2,6.1020 hạt

  • B.

    8,9.1020 hạt

  • C.

    8,9.1020 hạt

  • D.

    1,8.1020 hạt

Câu 19 :

Trên hình vẽ, bộ pin có suất điện động 9V, điện trở trong 1 Ω; A là ampe kế hoặc miliampe kế có điện trở rất nhỏ; R là quang điện trở (khi chưa chiếu sáng giá trị là R1 và khi chiếu sáng giá trị là R2) và L là chùm sáng chiếu vào quang điện trở. Khi không chiếu sáng vào quang điện trở thì số chỉ của miliampe kế là \(6\,\,\mu A\) và khi chiếu sáng thì số chỉ của ampe kế là 0,6 A. Chọn kết luận đúng

 

  • A.
    \({R_1} = 2\,\,M\Omega ;\,\,{R_2} = 19\,\,\Omega \)
  • B.
    \({R_1} = 1,5\,\,M\Omega ;\,\,{R_2} = 19\,\,\Omega \)
  • C.
    \({R_1} = 1,5\,\,M\Omega ;\,\,{R_2} = 14\,\,\Omega \)
  • D.
    \({R_1} = 2\,\,M\Omega ;\,\,{R_2} = 14\,\,\Omega \)

Câu 20 :

Một chất bán dẫn có giới hạn quang dẫn là 0,62μm. Trong số các chùm bức xạ đơn sắc sau đây (có tần số tương ứng là: f1 = 4,5.1014Hz; f2 = 5.1013Hz; f3 = 6,5.1013Hz; f4 = 6.1014Hz) thì chùm nào có thể gây ra hiện tượng quang điện trong khí chiếu vào chất bán dẫn kể trên?

  • A.
    Chùm bức xạ 1 và chùm bức xạ 4.                         
  • B.
    Chùm bức xạ 2.
  • C.
    Chùm bức xạ 2 và chùm bức xạ 3.                          
  • D.
    Chùm bức xạ 4.

Câu 21 :

Một chất quang dẫn có giới hạn quang điện là 1,88 μm. Lấy c = 3.108m/s. Hiện tượng quang điện trong xảy ra khi chiếu vào chất này ánh sáng có tần số nhỏ nhất là

     

  • A.
    1,452.1014 Hz.    
  • B.
    1,596.1014Hz.   
  • C.
    1,875.1014Hz. 
  • D.
    1,956.1014Hz

Câu 22 :

Một tấm pin quang điện gồm nhiều pin mắc nối tiếp. Diện tích tổng cộng của các pin nhận năng lượng ánh sáng là 0,6 m2. Mỗi mét vuông của tấm pin nhận công suất 1360 W của ánh sáng. Dùng bộ pin cung cấp năng lượng cho mạch ngoài, khi cường độ dòng điện là 4 A thì điện áp hai cực của bộ pin là 24 V. Hiệu suất của bộ pin là

  • A.
    14,25% .
  • B.
    11,76%.
  • C.
    12,54%.
  • D.
    16,52%.

Câu 23 :

Cho đồ thị mô tả sự phụ thuộc của động năng cực đại của electron quang điện vào tần số của bức xạ điện từ chiếu tới cho một số kim loại khác nhau. Nếu sử dụng bức xạ điện từ kích thích có bước sóng 240nm thì có bao nhiêu kim loại trong số các kim loại trên xảy ra hiện tượng quang điện?

  • A.
    5
  • B.
    2
  • C.
    3
  • D.
    1

Câu 24 :

Một bộ pin có điện trở trong không đáng kể được mắc nối tiếp với một điện trở và một quang điện trở như hình vẽ. Cường độ ánh sáng trên quang điện trở giảm, số chỉ của các Vôn kế thay đổi như thế nào?

  • A.
    Số chỉ Vôn kế P giảm, Vôn kế Q giảm.
  • B.
    Số chỉ Vôn kế P giảm, Vôn kế Q tăng.
  • C.
    Số chỉ Vôn kế P tăng, Vôn kế Q tăng.
  • D.
    Số chỉ Vôn kế P tăng, Vôn kế Q giảm.

Câu 25 :

Trên hình vẽ, ta có \(\xi \): bộ pin \(9{\mkern 1mu} {\mkern 1mu} V – 1{\mkern 1mu} {\mkern 1mu} \Omega \); A: có thể là một ampe kế hoặc micrôampe kế; R là một quang điện trở; L à chùm sáng thích hợp chiếu vào quang điện trở. Khi không chiếu sáng vào quang điện trở thì số chỉ của micrôampe kế là \(6{\mkern 1mu} {\mkern 1mu} \mu A\). Khi quang điện trở được chiếu sáng thì ampe kế chỉ \(0,6{\mkern 1mu} {\mkern 1mu} A\). Tính điện trở của quang điện trở khi không được chiếu sáng và khi được chiếu sáng bằng ánh sáng thích hợp. Điện trở của ampe kế và của micrôampe kế coi như nhỏ không đáng kể.

  • A.
    \({R_1} = 2{\mkern 1mu} {\mkern 1mu} M\Omega ;{\mkern 1mu} {\mkern 1mu} {R_2} = 19{\mkern 1mu} {\mkern 1mu} \Omega \)
  • B.
    \({R_1} = 1,5{\mkern 1mu} {\mkern 1mu} M\Omega ;{\mkern 1mu} {\mkern 1mu} {R_2} = 19{\mkern 1mu} {\mkern 1mu} \Omega \)
  • C.
    \({R_1} = 1,5{\mkern 1mu} {\mkern 1mu} M\Omega ;{\mkern 1mu} {\mkern 1mu} {R_2} = 14{\mkern 1mu} {\mkern 1mu} \Omega \)
  • D.
    \({R_1} = 2{\mkern 1mu} {\mkern 1mu} M\Omega ;{\mkern 1mu} {\mkern 1mu} {R_2} = 14{\mkern 1mu} {\mkern 1mu} \Omega \)

Lời giải và đáp án

Câu 1 :

Phát biểu nào sau đây là đúng?

  • A.

    Hiện tượng quang điện trong là hiện tượng bứt êlectron ra khỏi bề mặt kim loại khi chiếu vào kim loại ánh sáng có bước sóng thích hợp.

  • B.

    Hiện tượng quang điện trong là hiện tượng êlectron bị bắn ra khỏi kim loại khi kim loại bị đốt nóng

  • C.

    Hiện tượng quang điện trong là hiện tượng êlectron liên kết được giải phóng thành êlectron dẫn khi chất bán dẫn được chiếu bằng bức xạ thích hợp.

  • D.

    Hiện tượng quang điện trong là hiện tượng điện trở của vật dẫn kim loại tăng lên khi chiếu ánh sáng vào kim loại.

Đáp án : C

Lời giải chi tiết :

Hiện tượng quang điện trong là hiện tượng electron liên kết được giải phóng thành êlectron dẫn khi chất bán dẫn được chiếu bằng bức xạ thích hợp.

Câu 2 :

Tìm phát biểu sai về hiện tượng quang dẫn và hiện tượng quang điện ngoài:

  • A.

    Công thoát của kim loại lớn hơn năng lượng kích hoạt của chất bán dẫn.

  • B.

    Phần lớn quang trở hoạt động được khi bị kích thích bằng ánh sáng nhìn thấy.

  • C.

    Ánh sáng tím có thể gây ra hiện tượng quang điện cho kim loại Kali.

  • D.

    Hầu hết các tế bào quang điện hoạt động được khi bị kích thích bằng ánh sáng hồng ngoại.

Đáp án : D

Lời giải chi tiết :

A, B,C – đúng

D – sai vì các tế bào quang điện hoạt động được khi bị kích thích bằng ánh sáng thích hợp

Câu 3 :

Chọn câu đúng:

  • A.

    Năng lượng kích hoạt trong hiện tượng quang điện trong nhỏ hơn công thoát của electron khỏi kim loại trong hiện tượng quang điện ngoài.

  • B.

    Hiện tượng quang điện trong không bứt electron khỏi khối chất bán dẫn.

  • C.

    Giới hạn quang dẫn của hiện tượng quang điện trong có thể thuộc vùng hồng ngoại.

  • D.

    A, B, C đều đúng.

Đáp án : D

Lời giải chi tiết :

Ta có: A, B, C đều đúng

Câu 4 :

Linh kiện nào sau đây hoạt động dựa vào hiện tượng quang điện trong ?

  • A.

    Tế bào quang điện

     

  • B.

    Điện trở nhiệt.

     

  • C.

    Điôt phát quang.

     

  • D.

    Quang điện trở.

     

Đáp án : D

Lời giải chi tiết :

Trong 4 linh kiện trên thì quang điện trở hoạt động dựa trên hiện tượng quang điện trong

Câu 5 :

Chọn câu phát biểu sai về pin quang điện.

  • A.

    Hoạt động dựa vào hiện tượng quang điện trong xảy ra bên cạnh một lớp chắn.

  • B.

    Là nguồn điện biến đối trực tiếp quang năng thành điện năng.

  • C.

    Là nguồn điện biến đổi toàn bộ năng lượng Mặt Trời thành điện năng.

  • D.

    Có suất điện động nằm trong khoảng từ 0,5V đến 0,8V.

Đáp án : C

Lời giải chi tiết :

A, B, D – đúng

C – sai vì: Pin quang điện là nguồn điện biến đổi trực tiếp quang năng thành điện năng

Câu 6 :

Điện trở của một quang điện trở có

  • A.

    Giá trị rất lớn.

  • B.

    Giá trị không đổi.

  • C.

    Giá trị thay đổi.

  • D.

    Giá trị rất nhỏ.

Đáp án : C

Lời giải chi tiết :

Điện trở của quang điện trở có thể thay đổi từ vài Megaôm (rất lớn) khi không được chiếu sáng xuống vài chục ôm khi được chiếu sáng thích hợp.

Câu 7 :

Chiếu ánh sáng nhìn thấy vào chất nào sau đây có thể gây ra hiện tượng quang điện trong?

 

  • A.

    Điện môi.

     

  • B.

    Kim loại

     

  • C.

    Á kim

  • D.

    Chất bán dẫn.

     

Đáp án : D

Lời giải chi tiết :

Chiếu ánh sáng nhìn thấy vào chất bán dẫn có thể gây ra hiện tượng quang điện trong

Câu 8 :

Dụng cụ nào sau đây có thể biến quang năng thành điện năng?

 

  • A.

    Pin mặt trời.

  • B.

    Pin Vôn-ta.

  • C.

    Ác quy.

  • D.

    Đinamô xe đạp.

Đáp án : A

Lời giải chi tiết :

Trong các dụng cụ trên, dụng cụ có thể biến đổi quang năng thành điện năng là pin mặt trời

Câu 9 :

Phát biểu nào sau đây là đúng khi nói về hiện tượng quang dẫn ?

  • A.

    Hiện tượng quang dẫn là hiện tượng giảm mạnh điện trở suất của chất bán dẫn khi bị chiếu sáng.

  • B.

    Trong hiện tượng quang dẫn, electron được giải phóng ra khỏi khối bán dẫn.

  • C.

    Một trong những ứng dụng quan trọng của hiện tượng quang dẫn là việc chế tạo đèn ống( đèn Nêon).

  • D.

    Trong hiện tượng quang dẫn, năng lượng cần thiết để giải phóng electron liên kết thành electron dẫn cũng được cung cấp bởi nhiệt.

Đáp án : A

Lời giải chi tiết :

Hiện tượng quang dẫn là hiện tượng giảm điện trở suất, tức là tăng độ dẫn điện của bán dẫn khi có ánh sáng thích hợp chiếu vào.

Khi bán dẫn được chiếu sáng bằng chùm sáng có bước sóng thích hợp thì trong bán dẫn có thêm electron dẫn và lỗ trống được tạo thành. Do đó, mật độ hạt tải điện tăng, tức là điện trở suất của nó giảm. Cường độ ánh sáng chiếu vào bán dẫn càng mạnh thì điện trở suất của nó càng nhỏ.

Câu 10 :

Pin quang điện hoạt động dựa vào.

  • A.

    Hiện tượng quang điện ngoài.

  • B.

    Hiện tượng quang điện trong.

  • C.

    Hiện tượng tán sắc ánh sáng.

  • D.

    Sự phát quang của các chất.

Đáp án : B

Lời giải chi tiết :

Pin quang điện hoạt động dựa vào hiện tượng quang điện trong

Câu 11 :

Hiện tượng các êlectrôn………………. để cho chúng trở thành các êlectron dẫn gọi là hiện tượng quang điện bên trong.  Hãy chọn các cụm từ sau đây điền vào chỗ trống?

  • A.

    Bị bật ra khỏi catốt

  • B.

    Phá vỡ liên kết để trở thành electrôn dẫn

  • C.

    Chuyển động mạnh hơn

  • D.

    Chuyển lên quỹ đạo có bán kính lớn hơn

Đáp án : B

Lời giải chi tiết :

Ta có: Hiện tượng quang điện trong là hiện tượng ánh sáng giải phóng các electron liên kết thành các electron dẫn đồng thời tạo ra các lỗ trống tham gia vào quá trình dẫn điện.

Câu 12 :

Điều nào sau đây là sai khi nói về quang trở?

  • A.

    Bộ phận quan trọng của quang trở là một lớp bán dẫn có gắn hai điện cực.

  • B.

    Quang trở thực chất là một điện trở mà giá trị điện trở của nó có thể thay đổi theo nhiệt độ.

  • C.

    Quang trở được dùng nhiều trong các hệ thống tự động, báo động.

  • D.

    Quang trở chỉ hoạt động khi ánh sáng chiếu vào nó có bước sóng ngắn hơn giới hạn quang dẫn của quang trở.

Đáp án : B

Lời giải chi tiết :

A, C, D – đúng

B – sai vì: Điện trở của quang điện trở có thể thay đổi từ vài Megaôm (rất lớn) khi không được chiếu sáng xuống vài chục ôm khi được chiếu sáng thích hợp.

Câu 13 :

Phát biểu nào là sai?

  • A.

    Điện trở của quang trở giảm mạnh khi có ánh sáng thích hợp chiếu vào.

  • B.

    Nguyên tắc hoạt động của tất cả các tế bào quang điện đều dựa trên hiện tượng quang dẫn.

  • C.

    Trong pin quang điện, quang năng biến đổi trực tiếp thành điện năng.

  • D.

    Có một số tế bào quang điện hoạt động khi được kích thích bằng ánh sáng nhìn thấy.

Đáp án : B

Phương pháp giải :

Vận dụng lí thuyết về tính chất lượng tử của ánh sáng

Lời giải chi tiết :

A, C, D – đúng

B – sai vì : Các tế bào quang điện hoạt động dựa trên hiện tượng quang điện ngoài

Câu 14 :

Pin quang điện là nguồn điện, trong đó

  • A.

    Hóa năng được biến đổi trực tiếp thành điện năng.

  • B.

    Quang năng được biến đổi trực tiếp thành điện năng.

  • C.

    Cơ năng được biến đổi trực tiếp thành điện năng.

  • D.

    Nhiệt năng được biến đổi trực tiếp thành điện năng.

Đáp án : B

Lời giải chi tiết :

Pin quang điện là nguồn điện, trong đó quang năng được biến đổi trực tiếp thành điện năng

Câu 15 :

Nguyên tắc hoạt động của quang điện trở dựa vào

 

  • A.

    Hiện tượng quang điện trong

     

  • B.

    Hiện tượng tán sắc ánh sáng.

     

  • C.

    Hiện tượng phát quang của chất rắn.

     

  • D.

    Hiện tượng quang điện ngoài.

     

Đáp án : A

Lời giải chi tiết :

Nguyên tắc hoạt động của quang điện trở dựa vào hiện tượng quang điện trong

Câu 16 :

Một tấm pin quang điện gồm nhiều pin mắc nối tiếp. Diện tích tổng cộng của các pin nhận năng lượng ánh sáng là \(0,6\;{m^2}\). Ánh sáng chiếu vào bộ pin có cường độ \(1360\;W/{m^2}.\)Dùng bộ pin cung cấp năng lượng cho mạch ngoài, khi cường độ dòng điện là $4A$ thì điện áp hai cực của bộ pin là $24V$. Hiệu suất của bộ pin là:

  • A.

    14,25% .

     

  • B.

    11,76%.

     

  • C.

    12,54%.

     

  • D.

    16,52%.

     

Đáp án : B

Phương pháp giải :

+ Công suất ánh sáng nhận được băng cường độ chiếu sáng nhân với diện tích

+ Áp dụng công thức tính công suất điện: P = UI

Lời giải chi tiết :

Ta có:

+ Công suất ánh sáng nhận được:

\({P_{as}} = {\text{ }}0,6.1360{\text{ }} = {\text{ }}816W\)

+ Công suất điện tạo ra:

\({P_d} = {\text{ }}UI{\text{ }} = {\text{ }}4.24{\text{ }} = {\text{ }}96W\)

=> Hiệu suất của bộ pin là:

$H = \frac{{{P_d}}}{{{P_{{\text{as}}}}}} = \frac{{96}}{{816}} = 0,1176 = 11,76\% $ 

Câu 17 :

Năng lượng để giải phóng một electron liên kết thành electron dẫn trong chất bán dẫn Ge là 0,66 eV. Giới hạn quang dẫn (hay giới hạn quang điện trong) của Ge thuộc vùng ánh sáng

  • A.

    lam

  • B.

    tử ngoại

  • C.

    đỏ

  • D.

    hồng ngoại

Đáp án : D

Phương pháp giải :

+ Sử dụng công thức \(A = \dfrac{hc}{\lambda_0}\)

+ Sử dụng thang sóng điện từ

Lời giải chi tiết :

Năng lượng cần thiết để giải phóng một electron liên kết thành electron dẫn:

\(A = \dfrac{{hc}}{{{\lambda _0}}} \Rightarrow {\lambda _0} = \dfrac{{hc}}{A} = 1,{8821.10^{ – 6}}m\)

=> Giới hạn quang dẫn (hay giới hạn quang điện trong) của Ge thuộc vùng ánh sáng hồng ngoại.

Câu 18 :

Nguồn sáng đơn sắc có công suất \(1,5W\) phát ra bức xạ có bước sóng \(\lambda  = {\rm{ }}546nm\). Số hạt photon mà nguồn sáng phát ra trong 1 phút gần giá trị nào nhất sau đây?

  • A.

    2,6.1020 hạt

  • B.

    8,9.1020 hạt

  • C.

    8,9.1020 hạt

  • D.

    1,8.1020 hạt

Đáp án : A

Phương pháp giải :

Sử dụng công thức tính công suất của nguồn sáng: \(P = N\varepsilon  = \dfrac{{Nhc}}{\lambda }\) (N là số photon nguồn phát ra trong 1s)

Lời giải chi tiết :

Số phôtôn mà nguồn sáng phát ra trong 1s: \(N = \dfrac{{P\lambda }}{{hc}} = \dfrac{{1,{{5.546.10}^{ – 9}}}}{{6,{{625.10}^{ – 34}}.3,{{10}^8}}} = 4,{12.10^{18}}(photon/s)\)

=> Số photôn mà nguồn phát ra trong 1 phút là:  60N = 2,47.1020 hạt

Câu 19 :

Trên hình vẽ, bộ pin có suất điện động 9V, điện trở trong 1 Ω; A là ampe kế hoặc miliampe kế có điện trở rất nhỏ; R là quang điện trở (khi chưa chiếu sáng giá trị là R1 và khi chiếu sáng giá trị là R2) và L là chùm sáng chiếu vào quang điện trở. Khi không chiếu sáng vào quang điện trở thì số chỉ của miliampe kế là \(6\,\,\mu A\) và khi chiếu sáng thì số chỉ của ampe kế là 0,6 A. Chọn kết luận đúng

 

  • A.
    \({R_1} = 2\,\,M\Omega ;\,\,{R_2} = 19\,\,\Omega \)
  • B.
    \({R_1} = 1,5\,\,M\Omega ;\,\,{R_2} = 19\,\,\Omega \)
  • C.
    \({R_1} = 1,5\,\,M\Omega ;\,\,{R_2} = 14\,\,\Omega \)
  • D.
    \({R_1} = 2\,\,M\Omega ;\,\,{R_2} = 14\,\,\Omega \)

Đáp án : C

Phương pháp giải :

Định luật Ôm cho toàn mạch: \(I = \dfrac{E}{{r + R}}\)

Lời giải chi tiết :

Khi không chiếu sáng vào quang điện trở, số chỉ của mili ampe kế là:

\({I_1} = \dfrac{E}{{r + {R_1}}} \Rightarrow {6.10^{ – 6}} = \dfrac{9}{{1 + {R_1}}} \Rightarrow {R_1} = 1,{5.10^6}\,\,\left( \Omega  \right) = 1,5\,\,\left( {M\Omega } \right)\)

Khi chiếu sáng vào quang điện trở, số chỉ của ampe kế là:

\({I_2} = \dfrac{E}{{r + {R_2}}} \Rightarrow 0,6 = \dfrac{9}{{1 + {R_2}}} \Rightarrow {R_2} = 14\,\,\left( \Omega  \right)\)

Câu 20 :

Một chất bán dẫn có giới hạn quang dẫn là 0,62μm. Trong số các chùm bức xạ đơn sắc sau đây (có tần số tương ứng là: f1 = 4,5.1014Hz; f2 = 5.1013Hz; f3 = 6,5.1013Hz; f4 = 6.1014Hz) thì chùm nào có thể gây ra hiện tượng quang điện trong khí chiếu vào chất bán dẫn kể trên?

  • A.
    Chùm bức xạ 1 và chùm bức xạ 4.                         
  • B.
    Chùm bức xạ 2.
  • C.
    Chùm bức xạ 2 và chùm bức xạ 3.                          
  • D.
    Chùm bức xạ 4.

Đáp án : D

Phương pháp giải :

Điều kiện xảy ra hiện tượng quang điện \(\lambda  \le {\lambda _0} \Rightarrow f \ge {f_0};{f_0} = {c \over {{\lambda _0}}}\)

Lời giải chi tiết :

Ta có: \({f_0} = {{{{3.10}^8}} \over {{{0,62.10}^{ – 6}}}} = {4,84.10^{14}}Hz\)

Điều kiện xảy ra hiện tương quang điện là : f ≥ f0.

=> Chùm bức xạ 4 gây ra hiện tượng quang điện trong.

Câu 21 :

Một chất quang dẫn có giới hạn quang điện là 1,88 μm. Lấy c = 3.108m/s. Hiện tượng quang điện trong xảy ra khi chiếu vào chất này ánh sáng có tần số nhỏ nhất là

     

  • A.
    1,452.1014 Hz.    
  • B.
    1,596.1014Hz.   
  • C.
    1,875.1014Hz. 
  • D.
    1,956.1014Hz

Đáp án : B

Phương pháp giải :

Sử dụng lí thuyết định luật về giới hạn quang điện λ ≤ λ0 <=> f ≥ f0

Lời giải chi tiết :

Giới hạn quang điện của chất quang dẫn: \(\lambda  = 1,88\mu m = {1,88.10^{ – 6}}m\)

Tần số giới hạn quang điện của chất quang dẫn: \({f_0} = {c \over {{\lambda _0}}} = {1,596.10^{14}}Hz\)

Điều kiện xảy ra hiện tượng quang điện trong: \(\lambda  \le {\lambda _0} \Rightarrow f \ge {f_0} = {1,596.10^{14}}Hz\)

Câu 22 :

Một tấm pin quang điện gồm nhiều pin mắc nối tiếp. Diện tích tổng cộng của các pin nhận năng lượng ánh sáng là 0,6 m2. Mỗi mét vuông của tấm pin nhận công suất 1360 W của ánh sáng. Dùng bộ pin cung cấp năng lượng cho mạch ngoài, khi cường độ dòng điện là 4 A thì điện áp hai cực của bộ pin là 24 V. Hiệu suất của bộ pin là

  • A.
    14,25% .
  • B.
    11,76%.
  • C.
    12,54%.
  • D.
    16,52%.

Đáp án : B

Phương pháp giải :

Áp dụng công thức tính hiệu suất: \(H = {{{P_{ci}}} \over {{P_{tp}}}}.100\% \)

Lời giải chi tiết :

Công suất của pin:

\({P_{pin}} = {P_{tp}} = {P_{1\,{m^2}}}.S = 1360.0,6 = 816{\text{W}}\)

Công suất có ích (cung cấp cho mạch ngoài):

\({P_{mn}} = {P_{ci}} = UI = 24.4 = 96W\)

Hiệu suất của Pin:

\(H = {{{P_{mn}}} \over {{P_{pin}}}}.100\%  = 11,76\% \)

Câu 23 :

Cho đồ thị mô tả sự phụ thuộc của động năng cực đại của electron quang điện vào tần số của bức xạ điện từ chiếu tới cho một số kim loại khác nhau. Nếu sử dụng bức xạ điện từ kích thích có bước sóng 240nm thì có bao nhiêu kim loại trong số các kim loại trên xảy ra hiện tượng quang điện?

  • A.
    5
  • B.
    2
  • C.
    3
  • D.
    1

Đáp án : C

Phương pháp giải :

Điều kiện để xảy ra hiện tượng quang điện là : \(\lambda  \le {\lambda _0} \Rightarrow f \ge {f_0}\)

Lời giải chi tiết :

Bức xạ điện từ kích thích có bước sóng\(\lambda  = 240nm\)

\( \Rightarrow \) Bức xạ điện từ kích thích có tần số:

\(f = \dfrac{c}{\lambda } = \dfrac{{{{3.10}^8}}}{{{{240.10}^{ – 9}}}} = 1,{25.10^{15}}Hz\)

Điều kiện để xảy ra hiện tượng quang điện là :

\(\lambda  \le {\lambda _0} \Rightarrow f \ge {f_0}\)

Từ đồ thị ta thấy : \(f > {f_{0Kem}} > {f_{0Natri}} > {f_{0Kali}}\)

\( \Rightarrow \) Có 3 kim loại xảy ra hiện tượng quang điện.

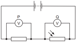
Câu 24 :

Một bộ pin có điện trở trong không đáng kể được mắc nối tiếp với một điện trở và một quang điện trở như hình vẽ. Cường độ ánh sáng trên quang điện trở giảm, số chỉ của các Vôn kế thay đổi như thế nào?

  • A.
    Số chỉ Vôn kế P giảm, Vôn kế Q giảm.
  • B.
    Số chỉ Vôn kế P giảm, Vôn kế Q tăng.
  • C.
    Số chỉ Vôn kế P tăng, Vôn kế Q tăng.
  • D.
    Số chỉ Vôn kế P tăng, Vôn kế Q giảm.

Đáp án : B

Phương pháp giải :

Quang điện trở là ứng dụng của hiện tượng quang điện trong, đó là một tấm bán dẫn có giá trị điện trở thay đổi khi cường độ chùm sáng chiếu vào nó thay đổi

Cường độ dòng điện: \(I = \dfrac{E}{{R + {R_q}}}\)

Số chỉ Vôn kế: \({U_V} = I.R\)

Lời giải chi tiết :

Khi cường độ ánh sáng trên quang điện trở giảm → điện trở của quang biến trở Rq tăng

Số chỉ của các Vôn kế là:

\(\left\{ \begin{array}{l}{U_P} = I.R = \dfrac{{E.R}}{{R + {R_q}}}\\{U_Q} = {R_q}.I = \dfrac{{E.{R_q}}}{{R + {R_q}}} = \dfrac{E}{{\dfrac{R}{{{R_q}}} + 1}}\end{array} \right.\)

Nhận thấy: khi Rq tăng → UP giảm, UQ tăng

Câu 25 :

Trên hình vẽ, ta có \(\xi \): bộ pin \(9{\mkern 1mu} {\mkern 1mu} V – 1{\mkern 1mu} {\mkern 1mu} \Omega \); A: có thể là một ampe kế hoặc micrôampe kế; R là một quang điện trở; L à chùm sáng thích hợp chiếu vào quang điện trở. Khi không chiếu sáng vào quang điện trở thì số chỉ của micrôampe kế là \(6{\mkern 1mu} {\mkern 1mu} \mu A\). Khi quang điện trở được chiếu sáng thì ampe kế chỉ \(0,6{\mkern 1mu} {\mkern 1mu} A\). Tính điện trở của quang điện trở khi không được chiếu sáng và khi được chiếu sáng bằng ánh sáng thích hợp. Điện trở của ampe kế và của micrôampe kế coi như nhỏ không đáng kể.

  • A.
    \({R_1} = 2{\mkern 1mu} {\mkern 1mu} M\Omega ;{\mkern 1mu} {\mkern 1mu} {R_2} = 19{\mkern 1mu} {\mkern 1mu} \Omega \)
  • B.
    \({R_1} = 1,5{\mkern 1mu} {\mkern 1mu} M\Omega ;{\mkern 1mu} {\mkern 1mu} {R_2} = 19{\mkern 1mu} {\mkern 1mu} \Omega \)
  • C.
    \({R_1} = 1,5{\mkern 1mu} {\mkern 1mu} M\Omega ;{\mkern 1mu} {\mkern 1mu} {R_2} = 14{\mkern 1mu} {\mkern 1mu} \Omega \)
  • D.
    \({R_1} = 2{\mkern 1mu} {\mkern 1mu} M\Omega ;{\mkern 1mu} {\mkern 1mu} {R_2} = 14{\mkern 1mu} {\mkern 1mu} \Omega \)

Đáp án : C

Phương pháp giải :

Định luật Ôm cho toàn mạch: \(I = \dfrac{E}{{r + R}}\)

Lời giải chi tiết :

Khi không chiếu sáng vào quang điện trở, số chỉ của mili ampe kế là:

\(\begin{array}{*{20}{l}}{{I_1} = \dfrac{E}{{r + {R_1}}} \Rightarrow {{6.10}^{ – 6}} = \dfrac{9}{{1 + {R_1}}}}\\{ \Rightarrow {R_1} = 1,{{5.10}^6}{\mkern 1mu} {\mkern 1mu} \left( \Omega  \right) = 1,5{\mkern 1mu} {\mkern 1mu} \left( {M\Omega } \right)}\end{array}\)

Khi chiếu sáng vào quang điện trở, số chỉ của ampe kế là:

\({I_2} = \dfrac{E}{{r + {R_2}}} \Rightarrow 0,6 = \dfrac{9}{{1 + {R_2}}} \Rightarrow {R_2} = 14{\mkern 1mu} {\mkern 1mu} \left( {\Omega {\rm{}}} \right)\)

TẢI APP ĐỂ XEM OFFLINE