4. Đề thi học kì 2 – Đề số 3

Đề bài

Trắc nghiệm nhiều đáp án
Câu 1 :

Chọn câu đúng.

  • A.
    Cường độ dòng điện cho biết độ mạnh hay yếu của dòng điện.
  • B.
    Khi nhiệt độ tăng thì cường độ dòng điện tăng.
  • C.
    Cường độ dòng điện qua một đoạn mạch tỉ lệ nghịch với điện lượng dịch chuyển qua đoạn mạch.
  • D.
    Dòng điện là dòng các electron dịch chuyển có hướng.
Câu 2 :

 Một dòng điện chạy 5A qua dây chì trong cầu chì trong thời gian 0,5 giây có thể làm đứt dây chì đó. Điện lượng dịch chuyển qua dây chì trong thời gian trên là bao nhiêu?

  • A.
    25C
  • B.
    2,5 C
  • C.
    0,25 C
  • D.
    0,025C
Câu 3 :

Dòng điện có chiều quy ước là chiều chuyển động của

  • A.
    hạt electron
  • B.
    hạt notron
  • C.
    có điện tích dương
  • D.
    hạt điện tích âm.
Câu 4 :

 Véctơ cường độ điện trường tại mỗi điểm có chiều

  • A.
    cùng chiều với lực điện tác dụng lên điện tích thử dương tại điểm đó.
  • B.
    cùng chiều với lực điện tác dụng lên điện tích thử tại điểm đó.
  • C.
    phụ thuộc độ lớn điện tích thử.
  • D.
    phụ thuộc nhiệt độ của môi trường.
Câu 5 :

 Trong các đơn vị sau, đơn vị của cường độ điện trường là:

  • A.
      V.
  • B.
      V.m.
  • C.
    V/m.
  • D.
      N
Câu 6 :

 Hệ số nhiệt điện trở α của kim loại phụ thuộc vào yếu tố nào sau đây?

  • A.
    Khoảng nhiệt độ và chế độ gia công của vật liệu đó.
  • B.
    Độ sạch của kim loại và chế độ gia công của vật liệu đó.
  • C.
    Độ sạch của kim loại.
  • D.
    Khoảng nhiệt độ, độ sạch của kim loại và chế độ gia công của vật liệu đó.
Câu 7 :

 Khi xảy ra hiện tượng siêu dẫn thì

  • A.
    điện trở suất của kim loại giảm.
  • B.
    điện trở suất của kim loại tăng.
  • C.
    điện trở suất không thay đổi.
  • D.
    điện trở suất tăng rồi lại giảm.
Câu 8 :

. Một acquy có suất điện động là 12V, sinh ra công là 720 J khi dịch chuyển điện tích ở bên trong. Biết thời gian dịch chuyển lượng điện tích này là 5 phút. Cường độ dòng điện chạy qua acquy khi đó là

  • A.
    I = 1,2 A
  • B.
    I = 2 A
  • C.
    I = 0,2 A
  • D.
    I = 12 A.
Câu 9 :

. Hai điện cực trong pin điện hóa gồm

  • A.
    hai vật dẫn điện khác bản chất
  • B.
    hai vật dẫn điện cùng bản chất
  • C.
    hai vật cách điện cùng bản chất
  • D.
    một vật dẫn điện, một vật cách điện.
Câu 10 :

Để trang trí người ta dùng các bóng đèn 12V – 6W mắc nối tiếp với mạng điện có hiệu điện thế U = 120V. Để các đèn sáng bình thường thì số bóng đèn phải sử dụng là

  • A.
    2 bóng
  • B.
    10 bóng
  • C.
    20 bóng
  • D.
    40 bóng.
Câu 11 :

 Một đoạn mạch có hiệu điện thế hai đầu không đổi. Khi chỉnh điện trở của nguồn là 100 Ω thì công suất của mạch là 20 W. Khi chỉnh điện trở của mạch là 50Ω thì công suất của mạch là

  • A.
    10 W
  • B.
    5 W
  • C.
    40 W
  • D.
    80 W.
Câu 12 :

 Công của lực điện trường dịch chuyển một điện tích 5.10-6 C dọc theo chiều một đường sức trong một điện trường đều 1000 V/m trên quãng đường dài 0,5m là

  • A.
    25.10-3 J. 
  • B.
    5.10-3 J. 
  • C.
    2,5.10-3 J. 
  • D.
    5.10-4 J. 
Câu 13 :

 Công của lực điện trường dịch chuyển một điện tích 5.10-6 C ngược chiều một đường sức trong một điện trường đều 1000 V/m trên quãng đường dài 0,5 m là

  • A.
    -2,5.10-3 J. 
  • B.
    -5.10-3 J. 
  • C.
    2,5.10-3 J. 
  • D.
    5.10-3 J. 
Câu 14 :

 Hiệu điện thế giữa hai điểm:

  • A.
    Đặc trưng cho khả năng sinh công của điện trường của điện tích q đứng yên.
  • B.
    Đặc trưng cho khả năng tác tác dụng lực của điện trường của điện tích q đứng yên.
  • C.
    Đặc trưng cho khả năng tạo lực của điện trường trong sự di chuyển của điện tích q từ điểm nọ đến điểm kia.
  • D.
    Đặc trưng cho khả năng sinh công của điện trường trong sự di chuyển của điện tích q từ điểm nọ đến điểm kia.
Câu 15 :

 Đơn vị của điện thế là vôn (V). 1V bằng

  • A.
    1 J.C.              
  • B.
    1 J/C.               
  • C.
    1 N/C.             
  • D.
    1. J/N.
Câu 16 :

 Tụ điện là

  • A.
    hệ thống hai vật dẫn đặt cách nhau một khoảng đủ xa.
  • B.
    hệ thống gồm hai vật đặt gần nhau và ngăn cách nhau bằng một lớp cách điện.
  • C.
    hệ thống gồm hai vật dẫn đặt gần nhau và ngăn cách nhau bằng một lớp cách điện.
  • D.
    hệ thống gồm hai vật dẫn đặt tiếp xúc với nhau và được bao bọc bằng điện môi.
Câu 17 :

 Trường hợp nào sau đây ta không có một tụ điện?

  • A.
    Giữa hai bản kim loại là sứ.
  • B.
    Giữa hai bản kim loại là không khí.
  • C.
    Giữa hai bản kim loại là nước tinh khiết.
  • D.
    Giữa hai bản kim loại là dung dịch NaOH.
Câu 18 :

Đặt một hiệu điện thế không đổi vào hai đầu một biến trở R. Điều chỉnh giá trị R và đo công suất toả nhiệt P trên biến trở. Chọn phát biểu đúng.

  • A.
     P tỉ lệ với R.                                
  • B.
     P tỉ lệ với R2
  • C.
     P tỉ lệ nghịch với R.                     
  • D.
     P tỉ lệ nghịch với R2.
Trắc nghiệm đúng/sai
Câu 1 : Con hãy tích vào ô đúng hoặc sai cho mỗi câu (khẳng định) dưới đây.

Đặt hiệu điện thế U vào hai đầu một điện trở. Khi có điện lượng q chuyển qua điện trở thì năng lượng điện tiêu thụ A của điện trở được xác định bằng công thức A=qU

a) Năng lượng điện tiêu thụ của điện trở không phụ thuộc vào giá trị điện trở.

Đúng
Sai

b) Năng lượng điện tiêu thụ của điện trở phụ thuộc vào giá trị điện trở.

Đúng
Sai

c) Hiệu điện thế U giữa hai đầu điện trở tỉ lệ nghịch với điện lượng q chuyển qua điện trở.

Đúng
Sai

d) Hiệu điện thế U giữa hai đầu điện trở tỉ lệ thuận với điện lượng q chuyển qua điện trở.

Đúng
Sai

Câu 2 : Con hãy tích vào ô đúng hoặc sai cho mỗi câu (khẳng định) dưới đây.

Có 3 điện trở giống nhau được ghép thành bộ theo tât cả các cách và hai đầu bộ điện trở được đặt vào một hiệu điện thế không đổi. Đo cường độ dòng điện chạy qua mạch chính của bộ điện trở, kết quả cho thấy trường hợp cường độ dòng điện có giá trị nhỏ nhất là 0,3 A.

a) Với 3 điện trở giống nhau bằng R thì có tất cả 3 cách ghép khác nhau. Do đó, có 3 giá trị khác nhau của cường độ dòng điện.

Đúng
Sai

b) Trường hợp cường độ dòng điện nhỏ nhất ứng với điện trở của bộ lớn nhất: \({I_{{\rm{min}}}} = 0,5{\rm{A}}\)

Đúng
Sai

c) Trường hợp cường độ dòng điện lớn nhất ứng với điện trở của bộ nhỏ nhất: \({I_{{\rm{max}}}} = 1,5{\rm{\;A}}\)

Đúng
Sai

d) Trường hợp còn lại: \(I = 0,6{\rm{\;A}}\)

Đúng
Sai

Câu 3 : Con hãy tích vào ô đúng hoặc sai cho mỗi câu (khẳng định) dưới đây.

Mắc hai đầu một biến trở vào hai cực của một nguồn điện có suất điện động E. Điều chỉnh biến trở và đo độ lớn hiệu điện thế giữa hai cực nguồn điện U.

a) Tỉ số \(\frac{U}{{\rm{E}}}\) càng lớn nếu giá trị biến trở càng lớn.

Đúng
Sai

b) Tỉ số \(\frac{U}{{\rm{E}}}\)càng lớn nếu giá trị biến trở càng nhỏ.

Đúng
Sai

c) Hiệu (E−U)không đổi khi giá trị biến trở thay đổi.

Đúng
Sai

d) Tổng (E+U)không đổi khi giá trị biến trở thay đổi.

Đúng
Sai

Câu 4 : Con hãy tích vào ô đúng hoặc sai cho mỗi câu (khẳng định) dưới đây.

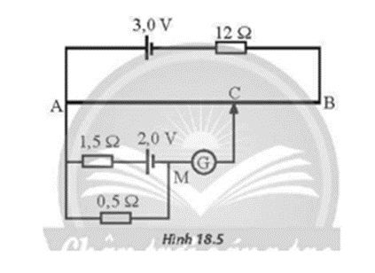
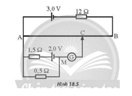
Một mạch chiết áp trong đó các giá trị suất điện động của pin và các điện trở được cho như Hình 18.5. Bỏ qua điện trở trong của các pin và của các dây nối. Đoạn AB là một dây thép đồng chất, tiết diện đều, chiều dài AB = 48cm và có điện trở 3Ω . G là một điện kế lí tưởng. Kim điện kế chỉ 0

a) Vì điện kế G chỉ số 0, nên không có dòng điện chạy qua đoạn MC (qua điện kế).

Đúng
Sai

b) Dòng điện qua AB do nguồn 3 V là: \({I_1} = 0,5{\rm{\;A}}\)

Đúng
Sai

c) Dòng qua điện trở  do nguồn 2 V là: \({I_2} = 1{\rm{\;A}}\)

Đúng
Sai

d) \({\rm{AC}} = 40{\rm{\;cm}}\) thì kim điện kế chỉ số 0

Đúng
Sai

Trắc nghiệm ngắn
Câu 1 :

Đặt một hiệu điện thế không đổi vào hai đầu đoạn dây kim loại đồng chất có tiết diện đều thì khoảng thời gian trung bình một hạt tải điện đi hết chiều dài đoạn dây là 5,0 phút. Nếu tăng chiều dài đoạn dây lên gấp 3 lần thì thời gian trung bình mà hạt tải điện đi bằng bao nhiêu phút?

Câu 2 :

Trong việc thiết kế các mạch điện, để có được các suất điện động thích hợp người ta thường tiến hành ghép các nguồn có sẵn thành các bộ nguồn có suất điện động cần thiết. Xét bốn pin giống nhau được mắc nối tiếp thành bộ nguồn, rồi mắc hai đầu một biến trở vào hai đầu bộ nguồn thành mạch kín. Điều chỉnh giá trị biến trở, đồ thị biểu diễn sự phụ thuộc của điện áp hai đầu bộ nguồn U vào cường độ dòng điện I trong mạch như Hình 18.4. Tìm suất điện động của mỗi pin.

Câu 3 :

Một biến trở được mắc vào hai cực của một nguồn điện không đổi có điện trở trong 2,0Ω.  Khi thay đổi giá trị biến trở, ta thu được đồ thị biểu diễn sự phụ thuộc của công suất toả nhiệt trên biến trở vào cường độ dòng điện chạy trong mạch như Hình 19.3. Bỏ qua điện trở của các dây nối. Giá trị biến trở tương ứng với điểm M trên đồ thị bằng bao nhiêu?

Câu 4 :

Hai điện tích điểm q1 = +3 μC và q2 = -3 μC, đặt trong dầu ( ε = 2) cách nhau một khoảng r = 3 cm. Lực tương tác giữa hai điện tích đó là

Câu 5 :

Bộ tụ điện gồm ba tụ điện: C1 = 10 (μF), C2 = 15 (μF), C3 = 20 (μF) mắc song song với nhau. Điện dung của bộ tụ điện là:

Câu 6 :

Tính công mà lực điện tác dụng lên một điện tích 5 μC sinh ra nó khi nó chuyển động từ điểm A đến điểm B. Biết UAB = 1000 V

Lời giải và đáp án

Trắc nghiệm nhiều đáp án
Câu 1 :

Chọn câu đúng.

  • A.
    Cường độ dòng điện cho biết độ mạnh hay yếu của dòng điện.
  • B.
    Khi nhiệt độ tăng thì cường độ dòng điện tăng.
  • C.
    Cường độ dòng điện qua một đoạn mạch tỉ lệ nghịch với điện lượng dịch chuyển qua đoạn mạch.
  • D.
    Dòng điện là dòng các electron dịch chuyển có hướng.

Đáp án : A

Lời giải chi tiết :

A – đúng.

B – sai vì nhiệt độ tăng thì điện trở tăng, cường độ dòng điện giảm.

C – sai vì cường độ dòng điện qua đoạn mạch có công thức \(I = \frac{q}{t}\) nên cường độ dòng điện tỉ lệ thuận với điện lượng dịch chuyển qua đoạn mạch.

D – sai vì tùy từng môi trường, hạt tải điện sẽ là các hạt khác nhau.

Đáp án A.

Câu 2 :

 Một dòng điện chạy 5A qua dây chì trong cầu chì trong thời gian 0,5 giây có thể làm đứt dây chì đó. Điện lượng dịch chuyển qua dây chì trong thời gian trên là bao nhiêu?

  • A.
    25C
  • B.
    2,5 C
  • C.
    0,25 C
  • D.
    0,025C

Đáp án : B

Lời giải chi tiết :

Áp dụng công thức q = I.t = 5.0,5 = 2,5 C.

Đáp án B

Câu 3 :

Dòng điện có chiều quy ước là chiều chuyển động của

  • A.
    hạt electron
  • B.
    hạt notron
  • C.
    có điện tích dương
  • D.
    hạt điện tích âm.

Đáp án : C

Lời giải chi tiết :

Dòng điện có chiều quy ước là chiều chuyển động của các hạt mang điện dương.

A, D – sai vì đó là các hạt mang điện tích âm.

B – sai vì hạt notron không mang điện.

Đáp án C.

Câu 4 :

 Véctơ cường độ điện trường tại mỗi điểm có chiều

  • A.
    cùng chiều với lực điện tác dụng lên điện tích thử dương tại điểm đó.
  • B.
    cùng chiều với lực điện tác dụng lên điện tích thử tại điểm đó.
  • C.
    phụ thuộc độ lớn điện tích thử.
  • D.
    phụ thuộc nhiệt độ của môi trường.

Đáp án : A

Lời giải chi tiết :

Véctơ cường độ điện trường tại mỗi điểm có chiều cùng chiều với lực điện tác dụng lên điện tích thử dương tại điểm đó.

Đáp án: A

Câu 5 :

 Trong các đơn vị sau, đơn vị của cường độ điện trường là:

  • A.
      V.
  • B.
      V.m.
  • C.
    V/m.
  • D.
      N

Đáp án : C

Lời giải chi tiết :

Đơn vị của cường độ điện trường là V/m

Đáp án: C

Câu 6 :

 Hệ số nhiệt điện trở α của kim loại phụ thuộc vào yếu tố nào sau đây?

  • A.
    Khoảng nhiệt độ và chế độ gia công của vật liệu đó.
  • B.
    Độ sạch của kim loại và chế độ gia công của vật liệu đó.
  • C.
    Độ sạch của kim loại.
  • D.
    Khoảng nhiệt độ, độ sạch của kim loại và chế độ gia công của vật liệu đó.

Đáp án : D

Lời giải chi tiết :

Hệ số nhiệt điện trở không những phụ thuộc vào nhiệt độ, mà còn phụ thuộc vào cả độ sạch và chế độ gia công của vật liệu đó.

Đáp án D

Câu 7 :

 Khi xảy ra hiện tượng siêu dẫn thì

  • A.
    điện trở suất của kim loại giảm.
  • B.
    điện trở suất của kim loại tăng.
  • C.
    điện trở suất không thay đổi.
  • D.
    điện trở suất tăng rồi lại giảm.

Đáp án : A

Lời giải chi tiết :

là hiện tượng điện trở suất của vật liệu giảm đột ngột xuống bằng 0 khi khi nhiệt độ của vật liệu giảm xuống thấp hơn một giá trị Tc nhất định. Giá trị Tc này phụ thuộc vào bản thân vật liệu.

Đáp án A

Câu 8 :

. Một acquy có suất điện động là 12V, sinh ra công là 720 J khi dịch chuyển điện tích ở bên trong. Biết thời gian dịch chuyển lượng điện tích này là 5 phút. Cường độ dòng điện chạy qua acquy khi đó là

  • A.
    I = 1,2 A
  • B.
    I = 2 A
  • C.
    I = 0,2 A
  • D.
    I = 12 A.

Đáp án : C

Lời giải chi tiết :

Ta có

A = E.q = E.I.∆t ⇒ \(I = \frac{A}{{E.\Delta t}} = \frac{{720}}{{12.5.60}} = 0,2A\)

Đáp án C.

Câu 9 :

. Hai điện cực trong pin điện hóa gồm

  • A.
    hai vật dẫn điện khác bản chất
  • B.
    hai vật dẫn điện cùng bản chất
  • C.
    hai vật cách điện cùng bản chất
  • D.
    một vật dẫn điện, một vật cách điện.

Đáp án : A

Lời giải chi tiết :

Hai điện cực trong pin điện hóa là hai vật dẫn điện có bản chất hóa học khác nhau.

Ví dụ như pin Volta có một cực bằng kẽm, một cực bằng đồng.

Đáp án A.

Câu 10 :

Để trang trí người ta dùng các bóng đèn 12V – 6W mắc nối tiếp với mạng điện có hiệu điện thế U = 120V. Để các đèn sáng bình thường thì số bóng đèn phải sử dụng là

  • A.
    2 bóng
  • B.
    10 bóng
  • C.
    20 bóng
  • D.
    40 bóng.

Đáp án : B

Lời giải chi tiết :

Để các đèn sáng bình thường thì hiệu điện thế trên hai đầu mỗi đèn là 12 V

Vậy cần mắc nối tiếp N đèn sao cho hiệu điện thế hai đầu mạch là 120 V, U trên mỗi đèn là 12 V. Ta có N = 120 : 12 = 10 bóng đèn.

Đáp án B.

Câu 11 :

 Một đoạn mạch có hiệu điện thế hai đầu không đổi. Khi chỉnh điện trở của nguồn là 100 Ω thì công suất của mạch là 20 W. Khi chỉnh điện trở của mạch là 50Ω thì công suất của mạch là

  • A.
    10 W
  • B.
    5 W
  • C.
    40 W
  • D.
    80 W.

Đáp án : C

Lời giải chi tiết :

Từ định luật Ôm \(I = \frac{U}{R}\)

Áp dụng công thức P=U.I

Khi R = R1 = 100 Ω thì \({P_1} = U.{I_1} = \frac{{{U^2}}}{{{R_1}}} = \frac{{{U^2}}}{{100}} = 20W\)

=> U2 = 100.20 = 2000

Khi R = R2 = 50 Ω thì \({P_2} = U.{I_2} = \frac{{{U^2}}}{{{R_2}}} = \frac{{{U^2}}}{{50}} = \frac{{2000}}{{50}} = 40W\)

Đáp án C

Câu 12 :

 Công của lực điện trường dịch chuyển một điện tích 5.10-6 C dọc theo chiều một đường sức trong một điện trường đều 1000 V/m trên quãng đường dài 0,5m là

  • A.
    25.10-3 J. 
  • B.
    5.10-3 J. 
  • C.
    2,5.10-3 J. 
  • D.
    5.10-4 J. 

Đáp án : C

Lời giải chi tiết :

A = qEd = qEscosα = 5.10-6.1000.0,5.cos00 = 2,5.10-3 J. 

Đáp án:  C.

Câu 13 :

 Công của lực điện trường dịch chuyển một điện tích 5.10-6 C ngược chiều một đường sức trong một điện trường đều 1000 V/m trên quãng đường dài 0,5 m là

  • A.
    -2,5.10-3 J. 
  • B.
    -5.10-3 J. 
  • C.
    2,5.10-3 J. 
  • D.
    5.10-3 J. 

Đáp án : A

Lời giải chi tiết :

A = qEd = qEscosα = 5.10-6.1000.0,5.cos1800 = -2,5.10-3 J. 

Đáp án:  A.

Câu 14 :

 Hiệu điện thế giữa hai điểm:

  • A.
    Đặc trưng cho khả năng sinh công của điện trường của điện tích q đứng yên.
  • B.
    Đặc trưng cho khả năng tác tác dụng lực của điện trường của điện tích q đứng yên.
  • C.
    Đặc trưng cho khả năng tạo lực của điện trường trong sự di chuyển của điện tích q từ điểm nọ đến điểm kia.
  • D.
    Đặc trưng cho khả năng sinh công của điện trường trong sự di chuyển của điện tích q từ điểm nọ đến điểm kia.

Đáp án : D

Lời giải chi tiết :

Hiệu điện thế giữa hai điểm: đặc trưng cho khả năng sinh công của điện trường trong sự di chuyển của điện tích q từ điểm nọ đến điểm kia.

Đáp án D

Câu 15 :

 Đơn vị của điện thế là vôn (V). 1V bằng

  • A.
    1 J.C.              
  • B.
    1 J/C.               
  • C.
    1 N/C.             
  • D.
    1. J/N.

Đáp án : B

Lời giải chi tiết :

Đáp án B.

Câu 16 :

 Tụ điện là

  • A.
    hệ thống hai vật dẫn đặt cách nhau một khoảng đủ xa.
  • B.
    hệ thống gồm hai vật đặt gần nhau và ngăn cách nhau bằng một lớp cách điện.
  • C.
    hệ thống gồm hai vật dẫn đặt gần nhau và ngăn cách nhau bằng một lớp cách điện.
  • D.
    hệ thống gồm hai vật dẫn đặt tiếp xúc với nhau và được bao bọc bằng điện môi.

Đáp án : C

Lời giải chi tiết :

Tụ điện là hệ thống gồm hai vật dẫn đặt gần nhau và ngăn cách nhau bằng một lớp cách điện.

Đáp án C.

Câu 17 :

 Trường hợp nào sau đây ta không có một tụ điện?

  • A.
    Giữa hai bản kim loại là sứ.
  • B.
    Giữa hai bản kim loại là không khí.
  • C.
    Giữa hai bản kim loại là nước tinh khiết.
  • D.
    Giữa hai bản kim loại là dung dịch NaOH.

Đáp án : D

Lời giải chi tiết :

NaOH là chất dẫn điện, mà tụ điện là hệ thống gồm hai vật dẫn đặt gần nhau và ngăn cách nhau bằng một lớp cách điện.

Đáp án D.

Câu 18 :

Đặt một hiệu điện thế không đổi vào hai đầu một biến trở R. Điều chỉnh giá trị R và đo công suất toả nhiệt P trên biến trở. Chọn phát biểu đúng.

  • A.
     P tỉ lệ với R.                                
  • B.
     P tỉ lệ với R2
  • C.
     P tỉ lệ nghịch với R.                     
  • D.
     P tỉ lệ nghịch với R2.

Đáp án : C

Phương pháp giải :

Vận dụng mối quan hệ giữa công suất và điện trở

Lời giải chi tiết :

Công suất \({\rm{P}} = \frac{{{U^2}}}{R}\)

Đáp án C

Trắc nghiệm đúng/sai
Câu 1 : Con hãy tích vào ô đúng hoặc sai cho mỗi câu (khẳng định) dưới đây.

Đặt hiệu điện thế U vào hai đầu một điện trở. Khi có điện lượng q chuyển qua điện trở thì năng lượng điện tiêu thụ A của điện trở được xác định bằng công thức A=qU

a) Năng lượng điện tiêu thụ của điện trở không phụ thuộc vào giá trị điện trở.

Đúng
Sai

b) Năng lượng điện tiêu thụ của điện trở phụ thuộc vào giá trị điện trở.

Đúng
Sai

c) Hiệu điện thế U giữa hai đầu điện trở tỉ lệ nghịch với điện lượng q chuyển qua điện trở.

Đúng
Sai

d) Hiệu điện thế U giữa hai đầu điện trở tỉ lệ thuận với điện lượng q chuyển qua điện trở.

Đúng
Sai

Đáp án

a) Năng lượng điện tiêu thụ của điện trở không phụ thuộc vào giá trị điện trở.

Đúng
Sai

b) Năng lượng điện tiêu thụ của điện trở phụ thuộc vào giá trị điện trở.

Đúng
Sai

c) Hiệu điện thế U giữa hai đầu điện trở tỉ lệ nghịch với điện lượng q chuyển qua điện trở.

Đúng
Sai

d) Hiệu điện thế U giữa hai đầu điện trở tỉ lệ thuận với điện lượng q chuyển qua điện trở.

Đúng
Sai

Phương pháp giải :

Vận dụng lí thuyết vào công thức đã cho

Lời giải chi tiết :

Với U cho trước và khi có điện lượng q chuyển qua thì năng lượng tiêu thụ là A=qU. Giá trị điện trở R càng lớn thì dòng điện càng nhỏ, như thế sẽ cần thời gian lâu hơn để điện lượng là q và ngược lại nhưng hoàn toàn không ảnh hưởng đến giá trị năng lượng tiêu thụ A. Tóm lại, với một hiệu điện thế cho trước xác định năng lượng tiêu thụ điện của một đoạn mạch chỉ còn phụ thuộc vào điện lượng chuyển qua mạch theo công thức A=qU

a) Năng lượng điện tiêu thụ của điện trở không phụ thuộc vào giá trị điện trở.

Sai

b) Năng lượng điện tiêu thụ của điện trở phụ thuộc vào giá trị điện trở.

Sai

c) Hiệu điện thế U giữa hai đầu điện trở tỉ lệ nghịch với điện lượng q chuyển qua điện trở.

Đúng

d) Hiệu điện thế U giữa hai đầu điện trở tỉ lệ thuận với điện lượng q chuyển qua điện trở.

Sai

Câu 2 : Con hãy tích vào ô đúng hoặc sai cho mỗi câu (khẳng định) dưới đây.

Có 3 điện trở giống nhau được ghép thành bộ theo tât cả các cách và hai đầu bộ điện trở được đặt vào một hiệu điện thế không đổi. Đo cường độ dòng điện chạy qua mạch chính của bộ điện trở, kết quả cho thấy trường hợp cường độ dòng điện có giá trị nhỏ nhất là 0,3 A.

a) Với 3 điện trở giống nhau bằng R thì có tất cả 3 cách ghép khác nhau. Do đó, có 3 giá trị khác nhau của cường độ dòng điện.

Đúng
Sai

b) Trường hợp cường độ dòng điện nhỏ nhất ứng với điện trở của bộ lớn nhất: \({I_{{\rm{min}}}} = 0,5{\rm{A}}\)

Đúng
Sai

c) Trường hợp cường độ dòng điện lớn nhất ứng với điện trở của bộ nhỏ nhất: \({I_{{\rm{max}}}} = 1,5{\rm{\;A}}\)

Đúng
Sai

d) Trường hợp còn lại: \(I = 0,6{\rm{\;A}}\)

Đúng
Sai

Đáp án

a) Với 3 điện trở giống nhau bằng R thì có tất cả 3 cách ghép khác nhau. Do đó, có 3 giá trị khác nhau của cường độ dòng điện.

Đúng
Sai

b) Trường hợp cường độ dòng điện nhỏ nhất ứng với điện trở của bộ lớn nhất: \({I_{{\rm{min}}}} = 0,5{\rm{A}}\)

Đúng
Sai

c) Trường hợp cường độ dòng điện lớn nhất ứng với điện trở của bộ nhỏ nhất: \({I_{{\rm{max}}}} = 1,5{\rm{\;A}}\)

Đúng
Sai

d) Trường hợp còn lại: \(I = 0,6{\rm{\;A}}\)

Đúng
Sai

Phương pháp giải :

Vận dụng công thức mắc điện trở nối tiếp, song song

Lời giải chi tiết :

a) Với 3 điện trở giống nhau bằng R thì có tất cả 3 cách ghép khác nhau. Do đó, có 3 giá trị khác nhau của cường độ dòng điện.

Đúng

b) Trường hợp cường độ dòng điện nhỏ nhất ứng với điện trở của bộ lớn nhất: \({R_{\rm{b}}} = 3R \Rightarrow {I_{{\rm{min}}}} = \frac{U}{{3R}} = 0,3{\rm{\;A}}\)

Sai

c) Trường hợp cường độ dòng điện lớn nhất ứng với điện trở của bộ nhỏ nhất: \({R_{\rm{b}}} = \frac{R}{3} \Rightarrow {I_{{\rm{max}}}} = \frac{{3U}}{R} = \frac{{9U}}{{3R}} = 9.0,3 = 2,7{\rm{\;A}}\)

Sai

d) Trường hợp còn lại: \({R_{\rm{b}}} = \frac{{3R}}{2} \Rightarrow I = \frac{{2U}}{{3R}} = 2.0,3 = 0,6{\rm{\;A}}\)

Đúng

Câu 3 : Con hãy tích vào ô đúng hoặc sai cho mỗi câu (khẳng định) dưới đây.

Mắc hai đầu một biến trở vào hai cực của một nguồn điện có suất điện động E. Điều chỉnh biến trở và đo độ lớn hiệu điện thế giữa hai cực nguồn điện U.

a) Tỉ số \(\frac{U}{{\rm{E}}}\) càng lớn nếu giá trị biến trở càng lớn.

Đúng
Sai

b) Tỉ số \(\frac{U}{{\rm{E}}}\)càng lớn nếu giá trị biến trở càng nhỏ.

Đúng
Sai

c) Hiệu (E−U)không đổi khi giá trị biến trở thay đổi.

Đúng
Sai

d) Tổng (E+U)không đổi khi giá trị biến trở thay đổi.

Đúng
Sai

Đáp án

a) Tỉ số \(\frac{U}{{\rm{E}}}\) càng lớn nếu giá trị biến trở càng lớn.

Đúng
Sai

b) Tỉ số \(\frac{U}{{\rm{E}}}\)càng lớn nếu giá trị biến trở càng nhỏ.

Đúng
Sai

c) Hiệu (E−U)không đổi khi giá trị biến trở thay đổi.

Đúng
Sai

d) Tổng (E+U)không đổi khi giá trị biến trở thay đổi.

Đúng
Sai

Phương pháp giải :

Tính tỉ số \(\frac{U}{{\rm{E}}}\)

Lời giải chi tiết :

Tỉ số: \(\frac{U}{{\rm{E}}} = \frac{R}{{R + r}} = \frac{1}{{1 + \frac{r}{R}}}\)

a) Tỉ số \(\frac{U}{{\rm{E}}}\) càng lớn nếu giá trị biến trở càng lớn.

Đúng

b) Tỉ số \(\frac{U}{{\rm{E}}}\)càng lớn nếu giá trị biến trở càng nhỏ.

Sai

c) Hiệu (E−U)không đổi khi giá trị biến trở thay đổi.

Sai

d) Tổng (E+U)không đổi khi giá trị biến trở thay đổi.

Sai

Câu 4 : Con hãy tích vào ô đúng hoặc sai cho mỗi câu (khẳng định) dưới đây.

Một mạch chiết áp trong đó các giá trị suất điện động của pin và các điện trở được cho như Hình 18.5. Bỏ qua điện trở trong của các pin và của các dây nối. Đoạn AB là một dây thép đồng chất, tiết diện đều, chiều dài AB = 48cm và có điện trở 3Ω . G là một điện kế lí tưởng. Kim điện kế chỉ 0

a) Vì điện kế G chỉ số 0, nên không có dòng điện chạy qua đoạn MC (qua điện kế).

Đúng
Sai

b) Dòng điện qua AB do nguồn 3 V là: \({I_1} = 0,5{\rm{\;A}}\)

Đúng
Sai

c) Dòng qua điện trở  do nguồn 2 V là: \({I_2} = 1{\rm{\;A}}\)

Đúng
Sai

d) \({\rm{AC}} = 40{\rm{\;cm}}\) thì kim điện kế chỉ số 0

Đúng
Sai

Đáp án

a) Vì điện kế G chỉ số 0, nên không có dòng điện chạy qua đoạn MC (qua điện kế).

Đúng
Sai

b) Dòng điện qua AB do nguồn 3 V là: \({I_1} = 0,5{\rm{\;A}}\)

Đúng
Sai

c) Dòng qua điện trở  do nguồn 2 V là: \({I_2} = 1{\rm{\;A}}\)

Đúng
Sai

d) \({\rm{AC}} = 40{\rm{\;cm}}\) thì kim điện kế chỉ số 0

Đúng
Sai

Phương pháp giải :

Áp dụng định luật Ohm cho toàn mạch

Lời giải chi tiết :

a) Vì điện kế G chỉ số 0, nên không có dòng điện chạy qua đoạn MC (qua điện kế).

UMC=0⇒UAM=UAC (điểm M chập với điểm C).

Đúng

b) Dòng điện qua AB do nguồn 3 V là: \({I_1} = \frac{3}{{12 + 3}} = 0,2{\rm{\;A}}\)

Sai

c) Dòng qua điện trở  do nguồn 2 V là: \({I_2} = \frac{2}{{1,5 + 0,5}} = 1{\rm{\;A}}\)

Đúng

d)

\(\begin{array}{l} \Rightarrow {U_{{\rm{AM}}}} = {U_{{\rm{AC}}}} = 2 – 1,5 \cdot 1 = 0,5{\rm{\;V}} \Rightarrow {R_{{\rm{AC}}}} = \frac{{0,5}}{{0,2}} = 2,5{\rm{\Omega }}\\\frac{{{R_{{\rm{AC}}}}}}{{{R_{{\rm{AB}}}}}} = \frac{{{\rm{AC}}}}{{{\rm{AB}}}} \Rightarrow {\rm{AC}} = 40{\rm{\;cm}}\end{array}\)

Đúng

Trắc nghiệm ngắn
Câu 1 :

Đặt một hiệu điện thế không đổi vào hai đầu đoạn dây kim loại đồng chất có tiết diện đều thì khoảng thời gian trung bình một hạt tải điện đi hết chiều dài đoạn dây là 5,0 phút. Nếu tăng chiều dài đoạn dây lên gấp 3 lần thì thời gian trung bình mà hạt tải điện đi bằng bao nhiêu phút?

Phương pháp giải :

Áp dụng công thức tính vận tốc trôi và định luật Ohm

Lời giải chi tiết :

Áp dụng công thức \(I = Snev = {\rm{Sn}}e.\frac{\ell }{t}\) và định luật Ohm:\(I = \frac{U}{R} = \frac{{US}}{{\rho \ell }}\)\( \Rightarrow t = \frac{{ne\rho {\ell ^2}}}{U}\)

Vậy thời gian trung bình mà hạt tải điện di chuyển tăng tỉ lệ với bình phương chiều dài đoạn dây.

Khi tăng chiều dài đoạn dây lên gấp 3 lần thì thời gian trung bình mà hạt tải điện đi là: \(t = {5.3^2} = 45\)phút

Câu 2 :

Trong việc thiết kế các mạch điện, để có được các suất điện động thích hợp người ta thường tiến hành ghép các nguồn có sẵn thành các bộ nguồn có suất điện động cần thiết. Xét bốn pin giống nhau được mắc nối tiếp thành bộ nguồn, rồi mắc hai đầu một biến trở vào hai đầu bộ nguồn thành mạch kín. Điều chỉnh giá trị biến trở, đồ thị biểu diễn sự phụ thuộc của điện áp hai đầu bộ nguồn U vào cường độ dòng điện I trong mạch như Hình 18.4. Tìm suất điện động của mỗi pin.

Phương pháp giải :

Áp dụng định luật Ohm

Lời giải chi tiết :

Gọi suất điện động và điện trở trong mỗi nguồn là và r nên suất điện động và điện trở trong của bộ nguồn tương ứng là 4E  và 4r.

Áp dụng định luật Ohm ⇒U=4E−4rI ta có đường biểu diễn U theo I là một đường thẳng.

Thay hai cặp điểm trên đồ thị, ta được: \(\left\{ {\begin{array}{*{20}{l}}{4,2 = 4{\rm{E}} – 4r.0,5}\\{2,8 = 4{\rm{E}} – 4r.1,0}\end{array}} \right.\)

Giải ra ta được: E=1,4V 

Câu 3 :

Một biến trở được mắc vào hai cực của một nguồn điện không đổi có điện trở trong 2,0Ω.  Khi thay đổi giá trị biến trở, ta thu được đồ thị biểu diễn sự phụ thuộc của công suất toả nhiệt trên biến trở vào cường độ dòng điện chạy trong mạch như Hình 19.3. Bỏ qua điện trở của các dây nối. Giá trị biến trở tương ứng với điểm M trên đồ thị bằng bao nhiêu?

Phương pháp giải :

Quan sát và phân tích đồ thị

Lời giải chi tiết :

Ta có biểu thức P theo I: P=UI=(E−rI)I=−rI2+EI . Đường biểu diễn P theo I là một parabol như Hình 19.3.

Mặt khác, từ các bài tập trước, ta có kết quả: Khi chỉnh R = r thì công suất tiêu thụ trên R đạt cực đại. Suy ra, dòng điện ứng với trường hợp này: \({I_{{\rm{P}}\max }} = \frac{{\rm{E}}}{{R + r}} = \frac{{\rm{E}}}{{2r}}\). Mặt khác, dòng điện ứng với điểm M: \({I_M} = \frac{{\rm{E}}}{{{R_M} + r}}\). Từ đồ thị, ta thấy: IM=4 ô; IPmax=2,5 ô. Nên: \(\frac{{{I_M}}}{{{I_{{\rm{P}}\max }}}} = \frac{{\rm{E}}}{{\left( {{R_M} + r} \right)}} \cdot \frac{{2r}}{{\rm{E}}} = \frac{{2r}}{{{R_M} + r}} = \frac{4}{{2,5}} \Rightarrow {R_M} = 0,5\Omega \)

Câu 4 :

Hai điện tích điểm q1 = +3 μC và q2 = -3 μC, đặt trong dầu ( ε = 2) cách nhau một khoảng r = 3 cm. Lực tương tác giữa hai điện tích đó là

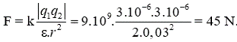
Lời giải chi tiết :

Câu 5 :

Bộ tụ điện gồm ba tụ điện: C1 = 10 (μF), C2 = 15 (μF), C3 = 20 (μF) mắc song song với nhau. Điện dung của bộ tụ điện là:

Lời giải chi tiết :

Cb =  C1 + C2 + C3 = 45 μF

Câu 6 :

Tính công mà lực điện tác dụng lên một điện tích 5 μC sinh ra nó khi nó chuyển động từ điểm A đến điểm B. Biết UAB = 1000 V

Lời giải chi tiết :

Từ biểu thức:

⇒AAB=UAB.q=1000.5.10−6=5.10-3 J = 5mJ

TẢI APP ĐỂ XEM OFFLINE