4. Ôn tập chủ đề 3

Một đoạn dây điện bằng đồng có tiết diện 2,5 mm2 và chiều dài 20 m. Biết đồng có điện trở suất 1,7.10-8 Ω.m. Tính điện trở của đoạn dây điện.

Lựa chọn câu để xem lời giải nhanh hơn

Bài 1

Trả lời câu hỏi bài 1 trang 54 SGK KHTN 9 Chân trời sáng tạo

Một đoạn dây điện bằng đồng có tiết diện 2,5 mm2 và chiều dài 20 m. Biết đồng có điện trở suất 1,7.10-8 Ω.m. Tính điện trở của đoạn dây điện.

Phương pháp giải:

Vận dụng kiến thức đã học về điện trở: \(R = \rho \frac{l}{S}\)

Lời giải chi tiết:

Điện trở của đoạn dây điện là:

\(R = \rho \frac{l}{S} = \frac{{1,{{7.10}^{ – 8}}.20}}{{2,{{5.10}^{ – 6}}}}{\rm{ }} = {\rm{ }}13,6.\;{10^{ – 2}}{\rm{ }}\Omega \)

Bài 2

Trả lời câu hỏi bài 2 trang 54 SGK KHTN 9 Chân trời sáng tạo

Trên nhãn đèn 1 có ghi 220 V – 40 W và đèn 2 có ghi 220 V – 20 W.

a) Tính năng lượng điện mà mỗi đèn tiêu thụ khi sử dụng ở hiệu điện thế 220 V trong 1 giờ.

b) Tính tổng công suất điện của hai đèn tiêu thụ và nêu nhận xét về độ sáng của mỗi đèn trong hai trường hợp:

– Mắc song song hai đèn vào hiệu điện thế 220 V.

– Mắc nối tiếp hai đèn vào hiệu điện thế 220 V.

Phương pháp giải:

Vận dụng kiến thức đã học về các đại lượng của điện và mạch điện:

– Năng lượng điện tiêu thụ: \(W = UIt = {I^2}Rt = \frac{{{U^2}}}{R}t = Pt\)

– Công suất tiêu thụ: \(P = UI = {I^2}R = \frac{{{U^2}}}{R} = \frac{P}{t}\)

Mạch điện mắc nối tiếp:

– Điện trở tương đương của đoạn mạch: R = R1 + R2

– Cường độ dòng điện trong mạch: I = I1 = I2

– Hiệu điện thế: U = U1 + U2

– Mạch điện mắc song song:

– Điện trở tương đương của đoạn mạch: \(\frac{1}{{{R_{td}}}} = \frac{1}{{{R_1}}} + \frac{1}{{{R_2}}}\)

– Cường độ dòng điện trong mạch: I = I1 + I2

– Hiệu điện thế: U = U1 = U2

Lời giải chi tiết:

a) Trong 1 giờ, năng lượng điện mà đèn 1 tiêu thụ được là:

W1 = P1t = 40.1 = 40 Wh

Trong 1 giờ, năng lượng điện mà đèn 2 tiêu thụ được là:

W2 = P2t = 20.1 = 20 Wh

b) Điện trở của đèn 1 là:

R1 = U12/P1 = 2202/40 = 1 210 Ω

Điện trở của đèn 2 là:

R2 = U22/P2 = 2202/20 = 2 420 Ω

TH1: hai đèn mắc song song.

Khi đó hiệu điện thế qua mỗi đèn đúng bằng hiệu điện thế định mức của từng đèn.

Tổng công suất tiêu thụ của hai đèn là:

P = UI = U(I1 + I2) = P1 + P2 = 40 + 20 = 60 W

TH2: hai đèn mắc nối tiếp.

Hai đèn mắc nối tiếp nên U = U1 + U2; I = I1 = I2

Điện trở tương đương của mạch là:

 R = R1 + R2 = 1210 + 2420 = 3 630 Ω

Cường độ dòng điện qua mỗi bóng đèn là:

I = I1 = I2 = U/R = 220/3630 = 0,06 A

Công suất tiêu thụ của hai bóng là:

P = UI = 220.0,06 = 13,3 W

Bài 3

Trả lời câu hỏi bài 3 trang 54 SGK KHTN 9 Chân trời sáng tạo

Trên nhãn một bếp điện có ghi 220 V – 800 W.

a) Để bếp điện hoạt động bình thường thì hiệu điện thế đặt vào bếp điện phải bằng bao nhiêu? Tính cường độ dòng điện chạy qua bếp điện khi đó.

b) Tính năng lượng điện mà bếp điện tiêu thụ khi hoạt động liên tục trong 45 phút theo đơn vị J và số đếm tương ứng của đồng hồ đo điện năng.

Phương pháp giải:

Vận dụng kiến thức đã học về các đại lượng của điện:

– Năng lượng điện tiêu thụ: \(W = UIt = {I^2}Rt = \frac{{{U^2}}}{R}t = Pt\)

– Công suất tiêu thụ: \(P = UI = {I^2}R = \frac{{{U^2}}}{R} = \frac{W}{t}\)

Lời giải chi tiết:

a) Để bếp điện hoạt động bình thường thì hiệu điện thế đặt vào bếp điện phải nhỏ hơn hoặc bằng 220 V.

Khi đó, cường độ dòng điện chạy qua bếp điện là:

\(I = \frac{{{P_{dm}}}}{{{U_{dm}}}} = \frac{{800}}{{220}} = 3,64{\rm{ }}A\)

b) 45 phút = 0,75 h

Trong 45 phút, năng lượng tiêu thụ của bếp điện là:

W = Pt = 800.0,75 = 600 Wh = 0,6 kWh

Số đếm trên đồng hồ điện năng là 0,6 kWh

Bài 4

Trả lời câu hỏi bài 4 trang 54 SGK KHTN 9 Chân trời sáng tạo

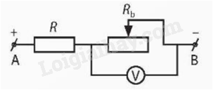
Cho đoạn mạch điện AB như hình bên. Điện trở R có trị số 10 Ω. Khi biến trở Rb được điều chỉnh từ giá trị 0 đến 40 Ω thì số chỉ nhỏ nhất và lớn nhất của vôn kế bằng bao nhiêu? Biết UAB = 12 V.

 

Phương pháp giải:

Vận dụng kiến thức đã học về mạch điện mắc nối tiếp:

– Điện trở tương đương của đoạn mạch: R = R1 + R2

– Cường độ dòng điện trong mạch: I = I1 = I2

– Hiệu điện thế: U = U1 + U2

Lời giải chi tiết:

Mạch AB có hai điện trở mắc nối tiếp:

=> IAB = I = Ib ; UAB = U + Ub.

Chỉ số trên vôn kế là Ub.

\({U_b} = {U_{AB}} – U = {U_{AB}} – IR = {U_{AB}} – \frac{{{U_{AB}}}}{{{R_{td}}}}R = {U_{AB}}\left( {1 – \frac{R}{{R + {R_b}}}} \right) = 12\left( {1 – \frac{{10}}{{10 + {R_b}}}} \right)\)

Số chỉ nhỏ nhất và lớn nhất của vôn kế là:

\({U_{b\min }} = {U_{AB}} – U = {U_{AB}} – IR = {U_{AB}} – \frac{{{U_{AB}}}}{{{R_{td}}}}R = {U_{AB}}\left( {1 – \frac{R}{{R + {R_b}}}} \right) = 12\left( {1 – \frac{{10}}{{10 + 40}}} \right) = 9,6{\rm{ V}}\)

Số chỉ nhỏ nhất và lớn nhất của vôn kế là:

\({U_{bmax}} = {U_{AB}} – U = {U_{AB}} – IR = {U_{AB}} – \frac{{{U_{AB}}}}{{{R_{td}}}}R = {U_{AB}}\left( {1 – \frac{R}{{R + {R_b}}}} \right) = 12\left( {1 – \frac{{10}}{{10 + 0}}} \right) = 0\)

Bài 5

Trả lời câu hỏi bài 5 trang 54 SGK KHTN 9 Chân trời sáng tạo

Cho đoạn mạch điện AB như hình bên. Biết UAB = 6 V, R1 = 4 Ω, R2 = 6 Ω.

a) Xác định số chỉ của ampe kế.

b) Tính công suất điện của đoạn mạch điện AB.

 

Phương pháp giải:

Vận dụng kiến thức đã học về mạch điện mắc song song:

– Điện trở tương đương của đoạn mạch:  \(\frac{1}{{{R_{td}}}} = \frac{1}{{{R_1}}} + \frac{1}{{{R_2}}}\)

– Cường độ dòng điện trong mạch: I = I1 + I2

– Hiệu điện thế: U = U1 = U2

– Năng lượng điện tiêu thụ: \(W = UIt = {I^2}Rt = \frac{{{U^2}}}{R}t = Pt\)

– Công suất tiêu thụ: \(P = UI = {I^2}R = \frac{{{U^2}}}{R} = \frac{W}{t}\)

Lời giải chi tiết:

a) Điện trở tương đương của mạch AB là:

\(\frac{1}{{{R_{AB}}}} = \frac{1}{{{R_1}}} + \frac{1}{{{R_2}}} = \frac{1}{4} + \frac{1}{6} = 0,42\)

=> RAB = 2,4 Ω

Cường độ dòng điện đi qua mạch AB là:

\({I_{AB}} = \frac{{{U_{AB}}}}{{{R_{AB}}}} = \;\frac{6}{{2,4}} = 2,5{\rm{ }}{A_{}}\)

Vậy số chỉ trên ampe kế là 2,5 A.

b) Công suất điện của đoạn mạch điện AB là:

P = UABIAB = 6.2,5 = 15 W

TẢI APP ĐỂ XEM OFFLINE