4. Đề kiểm tra giữa học kì 1 – Đề số 04

Đề bài

Câu 1 :

Phương trình nào sau đây là phương trình cân bằng nhiệt:

  • A.

    \({Q_{toa}} + {Q_{thu}} = 0\)

  • B.

    \({Q_{toa}}.{Q_{thu}} = 0\) 

  • C.

    \({Q_{toa}} – {Q_{thu}} = 0\)

  • D.

    \(\frac{{{Q_{toa}}}}{{{Q_{thu}}}} = 0\)

Câu 2 :

Sử dụng hiệu điện thế nào dưới đây khi làm thí nghiệm là an toan đối với cơ thể người?

  • A.

    Nhỏ hơn hoặc bằng 40V

  • B.

    Nhỏ hơn hoặc bằng 50V

  • C.

    Nhỏ hơn hoặc bằng 60V

  • D.

    Nhỏ hơn hoặc bằng 70V

Câu 3 :

Biểu thức nào sau đây xác định điện trở tương đương của đoạn mạch có hai điện trở \({R_1},{R_2}\) mắc song song?

  • A.

    \(\frac{1}{{{R_{t{\rm{d}}}}}} = \frac{1}{{{R_1}}} + \frac{1}{{{R_2}}}\)

  • B.

    \({R_{t{\rm{d}}}} = \frac{{{R_1}{R_2}}}{{{R_1} – {R_2}}}\)

  • C.

    \({R_{t{\rm{d}}}} = {R_1} + {R_2}\)

  • D.

    \({R_{t{\rm{d}}}} = \left| {{R_1} – {R_2}} \right|\)

Câu 4 :

Cho đoạn mạch gồm điện trở \({R_1}\) mắc nối tiếp với điện trở \({R_2}\) mắc vào mạch điện. Gọi \(I,{I_1},{I_2}\) lần lượt là cường độ dòng điện của toàn mạch, cường độ dòng điện qua \({R_1},{R_2}\). Biểu thức nào sau đây đúng?

  • A.

    \(I = {I_1} = {I_2}\)

  • B.

    \(I = {I_1} + {I_2}\)

  • C.

    \(I \ne {I_1} = {I_2}\)

  • D.

    \({I_1} \ne {I_2}\)

Câu 5 :

Phát biểu nào dưới đây không đúng đối với đoạn mạch gồm các điện trở mắc song song?

  • A.

    Cường độ dòng điện trong mạch chính bằng tổng cường độ dòng điện trong các mạch rẽ.

  • B.

    Hiệu điện thế giữa hai đầu đoạn mạch bằng tổng các hiệu điện thế giữa hai đầu mỗi điện trở mắc trong đoạn mạch.

  • C.

    Hiệu điện thế giữa hai đầu đoạn mạch bằng hiệu điện thế giữa hai đầu mỗi điện trở mắc trong đoạn mạch

  • D.

    Hiệu điện thế giữa hai đầu mỗi điện trở mắc trong đoạn mạch tỉ lệ thuận với điện trở đó.

Câu 6 :

Đồ thị biểu diễn sự phụ thuộc của cường độ dòng điện vào hiệu điện thế giữa hai đầu dây dẫn có dạng là:

  • A.

    Một đường thẳng đi qua gốc tọa độ

  • B.

    Một đường cong đi qua gốc tọa độ

  • C.

    Một đường thẳng không đi qua gốc tọa độ

  • D.

    Một đường cong không đi qua gốc tọa độ

Câu 7 :

Đặt một hiệu điện thế \(U\) vào hai đầu của một biến trở \(R\) thì cường độ dòng điện chạy qua là \(I\). Công thức nào dưới đây không phải là công thức tính nhiệt lượng tỏa ra trên dây dẫn trong thời gian t?

  • A.

    \(Q = \dfrac{{Ut}}{I}\)

  • B.

    \(Q = UIt\)

  • C.

    \(Q = \dfrac{{{U^2}t}}{R}\)

  • D.

    \(Q = {I^2}Rt\)

Câu 8 :

Cường độ dòng điện qua bóng đèn tỉ lệ thuận với hiệu điện thế giữa hai đầu bóng đèn. Điều đó có nghĩa là nếu hiệu điện thế tăng 1,2 lần thì:

  • A.

    Cường độ dòng điện tăng 2,4 lần.

  • B.

    Cường độ dòng điện giảm 2,4 lần.

  • C.

    Cường độ dòng điện giảm 1,2 lần.

  • D.

    Cường độ dòng điện tăng 1,2 lần.

Câu 9 :

Hiệu điện thế trong mạch điện có sơ đồ dưới được giữ không đổi. Khi dịch chuyển con chạy của biến trở dần về đầu N thì số chỉ của ampe kế sẽ thay đổi như thế nào?

  • A.

    Giảm dần đi

  • B.

    Tăng dần lên

  • C.

    Không thay đổi

  • D.

    Lúc đầu giảm dần, sau đó tăng dần lên

Câu 10 :

Điện trở dùng trong kĩ thuật thường có trị số:

  • A.

    Rất lớn

  • B.

    Rất nhỏ

  • C.

    Cỡ vài chục ôm

  • D.

    Có thể lên tới 100 ôm

Câu 11 :

Biểu thức đúng của định luật Ohm là:  

  • A.

     $I = \dfrac{R}{U}$

  • B.

    $I = \dfrac{U}{R}$

  • C.

    $U = \dfrac{I}{R}$

  • D.

    $U = \dfrac{R}{I}$

Câu 12 :

Nếu đồng thời giảm điện trở của dây dẫn, cường độ dòng điện và thời gian dòng điện chạy qua dây dẫn đi một nửa thì nhiệt lượng tỏa ra trên dây sẽ thay đổi như thế nào?

  • A.

    Giảm đi 2 lần

  • B.

    Giảm đi 4 lần

  • C.

    Giảm đi 8 lần

  • D.

    Giảm đi 16 lần

Câu 13 :

Công suất điện cho biết:

  • A.

    Khả năng thực hiện công của dòng điện.

  • B.

    Năng lượng của dòng điện.

  • C.

    Lượng điện năng sử dụng trong một đơn vị thời gian.

  • D.

    Mức độ mạnh – yếu của dòng điện.

Câu 14 :

Đoạn mạch gồm các điện trở mắc nối tiếp là đoạn mạch không có đặc điểm nào dưới đây?

  • A.

    Đoạn mạch có những điểm nối chung của nhiều điện trở

  • B.

    Đoạn mạch có những điểm nối chung chỉ của hai điện trở

  • C.

    Dòng điện chạy qua các điện trở của đoạn mạch có cùng cường độ

  • D.

    Đoạn mạch có những điện trở mắc liên tiếp với nhau và không có mạch rẽ.

Câu 15 :

Dòng điện có cường độ nào dưới đây nếu đi qua cơ thể người là nguy hiểm?

  • A.

    40mA

  • B.

    50mA

  • C.

    60mA

  • D.

    70mA

Câu 16 :

Hiệu suất sử dụng điện là:

  • A.

    Tỷ số giữa phần năng lượng có ích được chuyển hóa từ điện năng và phần năng lượng vô ích.

  • B.

    Tỷ số giữa phần năng lượng có ích được chuyển hóa từ điện năng và toàn bộ điện năng tiêu thụ.

  • C.

    Tỷ số giữa phần năng lượng vô ích được chuyển hóa từ điện năng và toàn bộ điện năng tiêu thụ.

  • D.

    Tỷ số giữa phần năng lượng vô ích được chuyển hóa từ điện năng và phần năng lượng có ích.

Câu 17 :

Chọn câu trả lời sai

Nhiệt lượng \(Q\) được dùng để đun nóng nước có khối lượng \({m_1}\) , nhiệt dung riêng \({c_1}\) và cốc đựng nước có khối lượng \({m_2}\), nhiệt dung riêng \({c_2}\) tăng từ nhiệt độ \({t_1}^0C\) lên \({t_2}^0C\) được liên hệ với nhau bởi công thức:

  • A.

    \(Q = {m_1}{c_1}\left( {{t_2} – {t_1}} \right) + {m_2}{c_2}\left( {{t_2} – {t_1}} \right)\)

  • B.

    \(Q = \left( {{m_1}{c_1} + {m_2}{c_2}} \right)\left( {{t_2} – {t_1}} \right)\)

  • C.

    \(Q = \left( {{m_1} + {m_2}} \right)\left( {{c_1} + {c_2}} \right)\left( {{t_2} – {t_1}} \right)\)

  • D.

    Cả A, B đều đúng

Câu 18 :

Chọn phát biểu đúng về sự chuyển hóa năng lượng trong các dụng cụ dưới đây?

  • A.

    Đèn LED: quang năng biến đổi thành nhiệt năng

  • B.

    Nồi cơm điện: Nhiệt năng biến đổi thành điện năng

  • C.

    Quạt điện: Điện năng biến đổi thành cơ năng và nhiệt năng

  • D.

    Máy bơm nước: Cơ năng biến đổi thành điện năng và nhiệt năng

Câu 19 :

Có thể xác định điện trở của một vật dẫn bằng dụng cụ nào sau đây:

  • A.
    Ampe kế 
  • B.
    Ampe kế và vôn kế 
  • C.
    Vôn kế
  • D.
    Cả A, B, C đều sai.
Câu 20 :

Đặt một hiệu điện thế U = 12V vào hai đầu đoạn mạch gồm điện trở R1 = 40 Ω mắc nối tiếp với điện trở R2 = 80 Ω. Hiệu điện thế ở hai đầu điện trở R1 bằng

  • A.
    6 V.   
  • B.
    4 V.   
  • C.
    8 V. 
  • D.
    12 V.
Câu 21 :

Hai điện trở R1 = 8Ω , R2 = 2Ω mắc song song với nhau vào hiệu điện thế U = 3,2V . Cường độ dòng điện chạy qua mạch chính là :

  • A.
    1A   
  • B.
    1,5A  
  • C.
    2,0A  
  • D.
    2,5A
Câu 22 :

Đường dây dẫn của mạng điện trong một gia đình nếu nối dài liên tiếp với nhau sẽ có chiều dài tổng cộng là 500m và điện trở của mỗi đoạn có chiều dài 1m của đường dây này có điện trở trung bình là 0,02Ω. Tính điện trở tổng cộng của toàn bộ đường dây dẫn nối dài liên tiếp này.

  • A.
  • B.
    10Ω
  • C.
    15Ω
  • D.
    20Ω
Câu 23 :

Một cuộn dây dẫn bằng đồng với khối lượng của dây dẫn là \(0,5kg\) và dây dẫn có tiết diện \(1m{m^2}\). Điện trở của cuộn dây là bao nhiêu biết điện trở suất của đồng là \(1,{7.10^{ – 8}}\Omega m\) và khối lượng riêng của đồng là \(8900kg/{m^3}\).

  • A.

    \(0,955\Omega \)

  • B.

    \(0,85\Omega \)

  • C.

    \(1,25\Omega \)

  • D.

    \(0,69\Omega \)

Câu 24 :

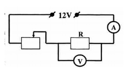
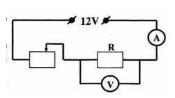
Trong mạch điện có sơ đồ như sau:

Nguồn điện có hiệu điện thế không đổi là 12V, điện trở mạch ngoài \(R = 12\Omega \). Phải điều chỉnh biến trở có điện trở là bao nhiêu để vôn kế chỉ 3V?

  • A.

    \(12\Omega \)

  • B.

    \(24\Omega \)

  • C.

    \(36\Omega \)

  • D.

    \(34\Omega \)

Câu 25 :

Ở công trường xây dựng có sử dụng một máy nâng, để nâng khối vật liệu có trọng lượng \(2000N\) lên tới độ cao \(15m\) trong thời gian \(40\) giây. Phải dùng động cơ điện có công suất nào dưới đây là thích hợp cho máy nâng này nếu tính cả công suất hao phí?

  • A.

    120 kW. 

  • B.

     700 W. 

  • C.

    0,8 kW. 

  • D.

     300 W.

Câu 26 :

Trên bóng đèn có ghi \(6V-3W\). Khi đèn sáng bình thường thì dòng điện chạy qua đèn có cường độ là:

  • A.

    0,5 A

  • B.

    2 A

  • C.

    18 A

  • D.

    1,5 A

Câu 27 :

Mắc một bóng đèn có ghi \(220{\rm{ }}V-100{\rm{ }}W\) vào hiệu điện thế \(220V\). Biết đèn được sử dụng trung bình \(4\) giờ trong \(1\) ngày. Tính điện năng tiêu thụ của bóng đèn trong \(1\) tháng (\(30\) ngày) theo đơn vị \(kWh\)

  • A.

    $12 kWh$

  • B.

    $400 kWh$

  • C.

    $1440 kWh$

  • D.

    $43200 kWh$

Câu 28 :

Một bóng đèn LED giá 40 000 đồng, có công suất 9W, thời gian thắp sáng tối đa là 16 000 giờ. Một bóng đèn compact có giá 60 000 đồng công suất 20W, có độ sáng bằng bóng đèn LED nói trên. Thời gian thắp sáng tối đa 8 000 giờ.

a. Tính điện năng sử dụng của mỗi loại bóng đèn trên trong 16 000 giờ.

b. Tính toàn bộ chi phí ( tiền mua bóng điện và tiền điện phải trả) cho việc sử dụng mỗi loại bóng đèn này trong 16 000 giờ. Nếu giá 1kW.h là 2 000 đồng.

c. Sử dụng loại bóng đèn nào có lợi hơn? Vì sao?

  • A.
    a. A1 = 144kWh; A2 = 160kWh; b. T1 = 328000 đồng; T2 = 440000 đồng; c. sử dụng bóng đèn compact có lợi hơn.
  • B.
    a. A1 = 144kWh; A2 = 160kWh; b. T1 = 328000 đồng; T2 = 440000 đồng; c. sử dụng bóng đèn LED có lợi hơn.
  • C.
    a. A1 = 160kWh; A2 = 144kWh; b. T1 = 328000 đồng; T2 = 440000 đồng; c. sử dụng bóng đèn compact có lợi hơn.
  • D.
    a. A1 = 160kWh; A2 = 144kWh; b. T1 = 328000 đồng; T2 = 440000 đồng; c. sử dụng bóng đèn LED có lợi hơn.
Câu 29 :

Người ta dùng dây Nikêlin (một loại hợp kim) làm dây nung cho một bếp điện. Nếu dùng loại dây này với đường kính tiết diện là 0,6mm thì cần dây có chiều dài là 2,88m. Hỏi nếu không thay đổi điện trở của dây nung, nhưng dùng dây loại này với đường kính tiết diện là 0,4mm thì dây phải có chiều dài là bao nhiêu?

  • A.
    1,12m
  • B.
    1,5m
  • C.
    1,28m
  • D.
    3m
Câu 30 :

Một quạt điện dùng trên xe có ghi 12V-15W. Mắc quạt vào hiệu điện thế 12V cho rằng hiệu suất của quạt là 85%, tính điện trở của quạt? 

               

  • A.
    64 Ω     
  • B.
    2,5 Ω 
  • C.
    9,6 Ω
  • D.
    1,44 Ω

Lời giải và đáp án

Câu 1 :

Phương trình nào sau đây là phương trình cân bằng nhiệt:

  • A.

    \({Q_{toa}} + {Q_{thu}} = 0\)

  • B.

    \({Q_{toa}}.{Q_{thu}} = 0\) 

  • C.

    \({Q_{toa}} – {Q_{thu}} = 0\)

  • D.

    \(\frac{{{Q_{toa}}}}{{{Q_{thu}}}} = 0\)

Đáp án : C

Lời giải chi tiết :

Phương trình cân bằng nhiệt:

\({Q_{toa}} = {Q_{thu}}\)

Câu 2 :

Sử dụng hiệu điện thế nào dưới đây khi làm thí nghiệm là an toan đối với cơ thể người?

  • A.

    Nhỏ hơn hoặc bằng 40V

  • B.

    Nhỏ hơn hoặc bằng 50V

  • C.

    Nhỏ hơn hoặc bằng 60V

  • D.

    Nhỏ hơn hoặc bằng 70V

Đáp án : A

Lời giải chi tiết :

Thực hành, làm thí nghiệm với hiệu điện thế an toàn: \(U < 40V\)

Câu 3 :

Biểu thức nào sau đây xác định điện trở tương đương của đoạn mạch có hai điện trở \({R_1},{R_2}\) mắc song song?

  • A.

    \(\frac{1}{{{R_{t{\rm{d}}}}}} = \frac{1}{{{R_1}}} + \frac{1}{{{R_2}}}\)

  • B.

    \({R_{t{\rm{d}}}} = \frac{{{R_1}{R_2}}}{{{R_1} – {R_2}}}\)

  • C.

    \({R_{t{\rm{d}}}} = {R_1} + {R_2}\)

  • D.

    \({R_{t{\rm{d}}}} = \left| {{R_1} – {R_2}} \right|\)

Đáp án : A

Lời giải chi tiết :

Ta có:

Nghịch đảo điện trở tương đương của đoạn mạch song song bằng tổng các nghịch đảo điện trở các đoạn mạch rẽ: $\frac{1}{{{R_{t{\text{d}}}}}} = \frac{1}{{{R_1}}} + \frac{1}{{{R_2}}}$

Câu 4 :

Cho đoạn mạch gồm điện trở \({R_1}\) mắc nối tiếp với điện trở \({R_2}\) mắc vào mạch điện. Gọi \(I,{I_1},{I_2}\) lần lượt là cường độ dòng điện của toàn mạch, cường độ dòng điện qua \({R_1},{R_2}\). Biểu thức nào sau đây đúng?

  • A.

    \(I = {I_1} = {I_2}\)

  • B.

    \(I = {I_1} + {I_2}\)

  • C.

    \(I \ne {I_1} = {I_2}\)

  • D.

    \({I_1} \ne {I_2}\)

Đáp án : A

Lời giải chi tiết :

Ta có, trong đoạn mạch mắc nối tiếp thì:

Cường độ dòng điện có giá trị như nhau tại mọi điểm: \(I = {I_1} = {I_2} =  \ldots  = {I_n}\)          

Câu 5 :

Phát biểu nào dưới đây không đúng đối với đoạn mạch gồm các điện trở mắc song song?

  • A.

    Cường độ dòng điện trong mạch chính bằng tổng cường độ dòng điện trong các mạch rẽ.

  • B.

    Hiệu điện thế giữa hai đầu đoạn mạch bằng tổng các hiệu điện thế giữa hai đầu mỗi điện trở mắc trong đoạn mạch.

  • C.

    Hiệu điện thế giữa hai đầu đoạn mạch bằng hiệu điện thế giữa hai đầu mỗi điện trở mắc trong đoạn mạch

  • D.

    Hiệu điện thế giữa hai đầu mỗi điện trở mắc trong đoạn mạch tỉ lệ thuận với điện trở đó.

Đáp án : B

Lời giải chi tiết :

A, C, D – đúng

B – sai vì: Hiệu điện thế hai đầu đoạn mạch song song bằng hiệu điện thế hai đầu mỗi đoạn mạch rẽ: \(U = {U_1} = {U_2} =  \ldots  = {U_n}\)

Câu 6 :

Đồ thị biểu diễn sự phụ thuộc của cường độ dòng điện vào hiệu điện thế giữa hai đầu dây dẫn có dạng là:

  • A.

    Một đường thẳng đi qua gốc tọa độ

  • B.

    Một đường cong đi qua gốc tọa độ

  • C.

    Một đường thẳng không đi qua gốc tọa độ

  • D.

    Một đường cong không đi qua gốc tọa độ

Đáp án : A

Lời giải chi tiết :

Ta có: Cường độ dòng điện và hiệu điện thế liên hệ với nhau qua biểu thức:$I = \frac{U}{R}$

R là hằng số => đồ thị biểu diễn sự phụ thuộc của cường độ dòng điện vào hiệu điện thế giữa hai đầu dây dẫn có dạng giống đồ thị hàm số $y = ax$ là một đường thẳng đi qua gốc tọa độ.

Câu 7 :

Đặt một hiệu điện thế \(U\) vào hai đầu của một biến trở \(R\) thì cường độ dòng điện chạy qua là \(I\). Công thức nào dưới đây không phải là công thức tính nhiệt lượng tỏa ra trên dây dẫn trong thời gian t?

  • A.

    \(Q = \dfrac{{Ut}}{I}\)

  • B.

    \(Q = UIt\)

  • C.

    \(Q = \dfrac{{{U^2}t}}{R}\)

  • D.

    \(Q = {I^2}Rt\)

Đáp án : A

Lời giải chi tiết :

Ta có: \(Q = {I^2}Rt\)

Lại có: \(I = \dfrac{U}{R}\)

=> Nhiệt lượng \(Q\) còn được tính bởi các công thức khác:

\(Q = UIt = \dfrac{{{U^2}}}{R}t\)

Câu 8 :

Cường độ dòng điện qua bóng đèn tỉ lệ thuận với hiệu điện thế giữa hai đầu bóng đèn. Điều đó có nghĩa là nếu hiệu điện thế tăng 1,2 lần thì:

  • A.

    Cường độ dòng điện tăng 2,4 lần.

  • B.

    Cường độ dòng điện giảm 2,4 lần.

  • C.

    Cường độ dòng điện giảm 1,2 lần.

  • D.

    Cường độ dòng điện tăng 1,2 lần.

Đáp án : D

Lời giải chi tiết :

Cường độ dòng điện qua bóng đèn tỉ lệ thuận với hiệu điện thế đặt vào hai đầu bóng đèn.

=> khi hiệu điện thế tăng 1,2 lần thì cường độ dòng điện cũng tăng 1,2 lần

Câu 9 :

Hiệu điện thế trong mạch điện có sơ đồ dưới được giữ không đổi. Khi dịch chuyển con chạy của biến trở dần về đầu N thì số chỉ của ampe kế sẽ thay đổi như thế nào?

  • A.

    Giảm dần đi

  • B.

    Tăng dần lên

  • C.

    Không thay đổi

  • D.

    Lúc đầu giảm dần, sau đó tăng dần lên

Đáp án : A

Phương pháp giải :

+ Vận dụng lí thuyết về biến trở

+ Vận dụng biểu thức định luật Ôm: \(I = \frac{U}{R}\)

Lời giải chi tiết :

Khi dịch chuyển con chạy của biến trở dần về đầu N thì điện trở của mạch sẽ tăng lên, mà hiệu điện thế không đổi

=>  Số chỉ ampe kế \({I_A}\) sẽ giảm dần đi

Câu 10 :

Điện trở dùng trong kĩ thuật thường có trị số:

  • A.

    Rất lớn

  • B.

    Rất nhỏ

  • C.

    Cỡ vài chục ôm

  • D.

    Có thể lên tới 100 ôm

Đáp án : A

Lời giải chi tiết :

Điện trở dùng trong kĩ thuật thường có trị số rất lớn, có thể lên tới vài trăm mêgaom

Câu 11 :

Biểu thức đúng của định luật Ohm là:  

  • A.

     $I = \dfrac{R}{U}$

  • B.

    $I = \dfrac{U}{R}$

  • C.

    $U = \dfrac{I}{R}$

  • D.

    $U = \dfrac{R}{I}$

Đáp án : B

Lời giải chi tiết :

Biểu thức của định luật Ôm: $I = \dfrac{U}{R}$

Câu 12 :

Nếu đồng thời giảm điện trở của dây dẫn, cường độ dòng điện và thời gian dòng điện chạy qua dây dẫn đi một nửa thì nhiệt lượng tỏa ra trên dây sẽ thay đổi như thế nào?

  • A.

    Giảm đi 2 lần

  • B.

    Giảm đi 4 lần

  • C.

    Giảm đi 8 lần

  • D.

    Giảm đi 16 lần

Đáp án : D

Phương pháp giải :

Sử dụng công thức tính nhiệt lượng tỏa ra trên dây dẫn: \(Q = {I^2}Rt\)

Lời giải chi tiết :

Ta có: Nhiệt lượng tỏa ra trên dây dẫn: \(Q = {I^2}Rt\)

=> Khi đồng thời giảm điện trở của dây dẫn, cường độ dòng điện và thời gian dòng điện chạy qua dây dẫn đi một nửa: \(I’ = \dfrac{I}{2},R’ = \dfrac{R}{2},t’ = \dfrac{t}{2}\) 

Nhiệt lượng tỏa ra trên dây khi đó: \(Q’ = I{‘^2}R’t’ = \dfrac{{{I^2}}}{4}.\dfrac{R}{2}\dfrac{t}{2} = \dfrac{{{I^2}Rt}}{{16}}\)

=> Nhiệt lượng sẽ giảm đi 16 lần

Câu 13 :

Công suất điện cho biết:

  • A.

    Khả năng thực hiện công của dòng điện.

  • B.

    Năng lượng của dòng điện.

  • C.

    Lượng điện năng sử dụng trong một đơn vị thời gian.

  • D.

    Mức độ mạnh – yếu của dòng điện.

Đáp án : C

Lời giải chi tiết :

Công suất điện cho biết lượng điện năng sử dụng trong một đơn vị thời gian.

Câu 14 :

Đoạn mạch gồm các điện trở mắc nối tiếp là đoạn mạch không có đặc điểm nào dưới đây?

  • A.

    Đoạn mạch có những điểm nối chung của nhiều điện trở

  • B.

    Đoạn mạch có những điểm nối chung chỉ của hai điện trở

  • C.

    Dòng điện chạy qua các điện trở của đoạn mạch có cùng cường độ

  • D.

    Đoạn mạch có những điện trở mắc liên tiếp với nhau và không có mạch rẽ.

Đáp án : A

Lời giải chi tiết :

B, C, D – là các đặc điểm của đoạn mạch mắc nối tiếp

A – không phải là đặc điểm của đoạn mạch mắc nối tiếp vì: đoạn mạch có những điểm nối chung của nhiều điện trở thì có thể là mạch rẽ nhánh, phân nhánh => đó không phải là mạch nối tiếp

Câu 15 :

Dòng điện có cường độ nào dưới đây nếu đi qua cơ thể người là nguy hiểm?

  • A.

    40mA

  • B.

    50mA

  • C.

    60mA

  • D.

    70mA

Đáp án : D

Lời giải chi tiết :

Dòng điện có cường độ 70mA nếu đi qua cơ thể người là nguy hiểm

Câu 16 :

Hiệu suất sử dụng điện là:

  • A.

    Tỷ số giữa phần năng lượng có ích được chuyển hóa từ điện năng và phần năng lượng vô ích.

  • B.

    Tỷ số giữa phần năng lượng có ích được chuyển hóa từ điện năng và toàn bộ điện năng tiêu thụ.

  • C.

    Tỷ số giữa phần năng lượng vô ích được chuyển hóa từ điện năng và toàn bộ điện năng tiêu thụ.

  • D.

    Tỷ số giữa phần năng lượng vô ích được chuyển hóa từ điện năng và phần năng lượng có ích.

Đáp án : B

Lời giải chi tiết :

Tỷ số giữa phần năng lượng có ích được chuyển hóa từ điện năng và toàn bộ điện năng tiêu thụ được gọi là hiệu suất sử dụng điện năng.

Công thức: \(H = \frac{{{A_1}}}{A}.100\% \)

Câu 17 :

Chọn câu trả lời sai

Nhiệt lượng \(Q\) được dùng để đun nóng nước có khối lượng \({m_1}\) , nhiệt dung riêng \({c_1}\) và cốc đựng nước có khối lượng \({m_2}\), nhiệt dung riêng \({c_2}\) tăng từ nhiệt độ \({t_1}^0C\) lên \({t_2}^0C\) được liên hệ với nhau bởi công thức:

  • A.

    \(Q = {m_1}{c_1}\left( {{t_2} – {t_1}} \right) + {m_2}{c_2}\left( {{t_2} – {t_1}} \right)\)

  • B.

    \(Q = \left( {{m_1}{c_1} + {m_2}{c_2}} \right)\left( {{t_2} – {t_1}} \right)\)

  • C.

    \(Q = \left( {{m_1} + {m_2}} \right)\left( {{c_1} + {c_2}} \right)\left( {{t_2} – {t_1}} \right)\)

  • D.

    Cả A, B đều đúng

Đáp án : C

Lời giải chi tiết :

Ta có, nhiệt lượng: \(Q = mc\Delta t\)

Nhiệt lượng \(Q\) được dùng để đun nóng nước có khối lượng \({m_1}\) , nhiệt dung riêng \({c_1}\) và cốc đựng nước có khối lượng \({m_2}\), nhiệt dung riêng \({c_2}\) tăng từ nhiệt độ \({t_1}^0C\) lên \({t_2}^0C\) được liên hệ với nhau bởi công thức:

\(Q = {m_1}{c_1}\left( {{t_2} – {t_1}} \right) + {m_2}{c_2}\left( {{t_2} – {t_1}} \right)\)

=> A, B, D – đúng

C – sai

Câu 18 :

Chọn phát biểu đúng về sự chuyển hóa năng lượng trong các dụng cụ dưới đây?

  • A.

    Đèn LED: quang năng biến đổi thành nhiệt năng

  • B.

    Nồi cơm điện: Nhiệt năng biến đổi thành điện năng

  • C.

    Quạt điện: Điện năng biến đổi thành cơ năng và nhiệt năng

  • D.

    Máy bơm nước: Cơ năng biến đổi thành điện năng và nhiệt năng

Đáp án : C

Lời giải chi tiết :

– Đèn LED: điện năng biến đổi thành quang năng và nhiệt năng.

– Nồi cơm điện: điện năng biến đổi thành nhiệt năng và quang năng.

– Quạt điện, máy bơm nước: điện năng biến đổi thành cơ năng và nhiệt năng.

=> Các phương án:

A, B, D  – sai

C – đúng

Câu 19 :

Có thể xác định điện trở của một vật dẫn bằng dụng cụ nào sau đây:

  • A.
    Ampe kế 
  • B.
    Ampe kế và vôn kế 
  • C.
    Vôn kế
  • D.
    Cả A, B, C đều sai.

Đáp án : B

Phương pháp giải :

+ Biểu thức của định luật Ôm: \(I = \frac{U}{R} \Rightarrow R = \frac{U}{I}\)

+ Đo I bằng ampe kế

+ Đo U bằng vôn kế.

Lời giải chi tiết :

Từ hệ thức của định luật Ôm ta có: \(I = \frac{U}{R} \Rightarrow R = \frac{U}{I}\)

Vậy để xác định R cần biết U và I.

Mà đo cường độ dòng điện I cần ampe kế; đo hiệu điện thế U cần vôn kế.

\( \Rightarrow \) Có thể xác định điện trở của một vật dẫn bằng vôn kế và ampe kế.

Câu 20 :

Đặt một hiệu điện thế U = 12V vào hai đầu đoạn mạch gồm điện trở R1 = 40 Ω mắc nối tiếp với điện trở R2 = 80 Ω. Hiệu điện thế ở hai đầu điện trở R1 bằng

  • A.
    6 V.   
  • B.
    4 V.   
  • C.
    8 V. 
  • D.
    12 V.

Đáp án : B

Phương pháp giải :

Công thức của mạch nối tiếp: \(\left\{ \begin{array}{l}U = {U_1} + {U_2}\\I = {I_1} = {I_2}\\R = {R_1} + {R_2}\end{array} \right.\)

Định luật Ôm: \(I = \dfrac{U}{R}\)

Lời giải chi tiết :

Mạch gồm \({R_1}\,nt\,{R_2}\) nên:

\(I = {I_1} = {I_2} = \dfrac{U}{{{R_{td}}}} = \dfrac{U}{{{R_1} + {R_2}}} = \dfrac{{12}}{{40 + 80}} = 0,1A\)

Hiệu điện thế ở hai đầu điện trở R1: \({U_1} = {I_1}{R_1} = 0,1.40 = 4V\)

Câu 21 :

Hai điện trở R1 = 8Ω , R2 = 2Ω mắc song song với nhau vào hiệu điện thế U = 3,2V . Cường độ dòng điện chạy qua mạch chính là :

  • A.
    1A   
  • B.
    1,5A  
  • C.
    2,0A  
  • D.
    2,5A

Đáp án : C

Phương pháp giải :

+ Mạch mắc song song: \(\left\{ \begin{array}{l}{R_{td}} = \dfrac{{{R_1}{R_2}}}{{{R_1} + {R_2}}}\\I = {I_1} + {I_2}\\U = {U_1} = {U_2}\end{array} \right.\)

+ Định luật Ôm: \(I = \dfrac{U}{{{R_{td}}}}\)

Lời giải chi tiết :

Điện trở tương đương của đoạn mạch:

\({R_{td}} = \dfrac{{{R_1}{R_2}}}{{{R_1} + {R_2}}} = \dfrac{{8.2}}{{8 + 2}} = 1,6\Omega \)

Cường độ dòng điện chạy qua mạch chính: \(I = \dfrac{U}{{{R_{td}}}} = \dfrac{{3,2}}{{1,6}} = 2A\)

Câu 22 :

Đường dây dẫn của mạng điện trong một gia đình nếu nối dài liên tiếp với nhau sẽ có chiều dài tổng cộng là 500m và điện trở của mỗi đoạn có chiều dài 1m của đường dây này có điện trở trung bình là 0,02Ω. Tính điện trở tổng cộng của toàn bộ đường dây dẫn nối dài liên tiếp này.

  • A.
  • B.
    10Ω
  • C.
    15Ω
  • D.
    20Ω

Đáp án : B

Phương pháp giải :

Phương pháp:

Điện trở của các dây dẫn có cùng tiết diện và được làm từ cùng một loại vật liệu thì tỉ lệ thuận với chiều dài của mỗi dây

Lời giải chi tiết :

Cách giải:

Cứ 1m dây có điện trở trung bình là 0,02Ω

500m dây có điện trở trung bình là x (Ω)  \( \Rightarrow x = \frac{{0,02.500}}{1} = 10\Omega \)

Câu 23 :

Một cuộn dây dẫn bằng đồng với khối lượng của dây dẫn là \(0,5kg\) và dây dẫn có tiết diện \(1m{m^2}\). Điện trở của cuộn dây là bao nhiêu biết điện trở suất của đồng là \(1,{7.10^{ – 8}}\Omega m\) và khối lượng riêng của đồng là \(8900kg/{m^3}\).

  • A.

    \(0,955\Omega \)

  • B.

    \(0,85\Omega \)

  • C.

    \(1,25\Omega \)

  • D.

    \(0,69\Omega \)

Đáp án : A

Phương pháp giải :

+ Vận dụng biểu thức khối lượng: \(m = DV = D.Sl\)

+ Áp dụng biểu thức tính điện trở của dây dẫn: \(R = \rho \frac{l}{S}\)

Lời giải chi tiết :

Ta có:

+ \(m = DV = D.Sl \to l = \frac{m}{{D{\rm{S}}}} = \frac{{0,5}}{{{{8900.1.10}^{ – 6}}}} = 56,2m\)

+ Điện trở của cuộn dây : \(R = \rho \frac{l}{S} = 1,{7.10^{ – 8}}.\frac{{56,2}}{{{{10}^{ – 6}}}} = 0,955\Omega \)

Câu 24 :

Trong mạch điện có sơ đồ như sau:

Nguồn điện có hiệu điện thế không đổi là 12V, điện trở mạch ngoài \(R = 12\Omega \). Phải điều chỉnh biến trở có điện trở là bao nhiêu để vôn kế chỉ 3V?

  • A.

    \(12\Omega \)

  • B.

    \(24\Omega \)

  • C.

    \(36\Omega \)

  • D.

    \(34\Omega \)

Đáp án : C

Phương pháp giải :

+ Sử dụng biểu thức định luật Ôm: \(I = \frac{U}{R}\)

+ Sử dụng biểu thức tính hiệu điện thế trong đoạn mạch mắc nối tiếp: \(U = {U_1} + {U_2}\)

Lời giải chi tiết :

Khi số chỉ vôn kế là 3V thì số chỉ ampe kế sẽ là: \({I_A} = \frac{{{U_V}}}{R} = \frac{3}{{12}} = 0,25{\rm{A}}\)

Hiệu điện thế giữa hai đầu biến trở khi đó: \({U_b} = U – {U_V} = 12 – 3 = 9V\)

Điện trở của biến trở khi đó là: \({R_b} = \frac{{{U_b}}}{I} = \frac{9}{{0,25}} = 36\Omega \)

 

Câu 25 :

Ở công trường xây dựng có sử dụng một máy nâng, để nâng khối vật liệu có trọng lượng \(2000N\) lên tới độ cao \(15m\) trong thời gian \(40\) giây. Phải dùng động cơ điện có công suất nào dưới đây là thích hợp cho máy nâng này nếu tính cả công suất hao phí?

  • A.

    120 kW. 

  • B.

     700 W. 

  • C.

    0,8 kW. 

  • D.

     300 W.

Đáp án : C

Phương pháp giải :

Sử dụng biểu thức tính công suất có ích: \(P = \frac{A}{t} = \frac{{Ph}}{t}\)

Lời giải chi tiết :

Ta có:

+ Công suất có ích để nâng vật là: \(P = \frac{A}{t} = \frac{{P.h}}{t} = \frac{{2000.15}}{{40}} = 750W\)

Nếu bỏ qua công suất hao phí, để nâng được vật trên thì phải dùng động cơ điện có công suất:

\(P \ge 750W\)

Ta suy ra, công suất thích hợp cho máy nâng từ các đáp án là: \(P = 0,8k{\rm{W}} = 800{\rm{W}}\)

Câu 26 :

Trên bóng đèn có ghi \(6V-3W\). Khi đèn sáng bình thường thì dòng điện chạy qua đèn có cường độ là:

  • A.

    0,5 A

  • B.

    2 A

  • C.

    18 A

  • D.

    1,5 A

Đáp án : A

Phương pháp giải :

+ Phương pháp đọc các thông số trên dụng cụ tiêu thụ điện

+ Vận dụng biểu thức công xuất tính cường độ dòng điện: \(P = UI\)

Lời giải chi tiết :

Ta có:

+ Số chỉ trên bóng đèn cho biết hiệu điện thế định mức và công suất định mức: \(U = 6V,P = 3{\rm{W}}\)

+ Khi đèn sáng bình thường thì dòng điện chạy qua đèn có giá trị: \(I = \dfrac{P}{U} = \dfrac{3}{6} = 0,5{\rm{A}}\)

Câu 27 :

Mắc một bóng đèn có ghi \(220{\rm{ }}V-100{\rm{ }}W\) vào hiệu điện thế \(220V\). Biết đèn được sử dụng trung bình \(4\) giờ trong \(1\) ngày. Tính điện năng tiêu thụ của bóng đèn trong \(1\) tháng (\(30\) ngày) theo đơn vị \(kWh\)

  • A.

    $12 kWh$

  • B.

    $400 kWh$

  • C.

    $1440 kWh$

  • D.

    $43200 kWh$

Đáp án : A

Phương pháp giải :

+ Xác định các thông số trên dụng cụ tiêu thụ điện

+ Áp dụng biểu thức tính điện năng tiêu thụ (công của dòng điện): \(A = Pt\)

Lời giải chi tiết :

+ Từ các giá trị ghi trên bóng đèn, ta có:

\(\left\{ \begin{array}{l}U = 220V\\P = 100W\end{array} \right.\)

+ Lượng điện năng mà bóng đèn tiêu thụ là:

 \(A = P.t = 100.4.30 = 12000{\rm{W}}h = 12k{\rm{W}}h\)

Câu 28 :

Một bóng đèn LED giá 40 000 đồng, có công suất 9W, thời gian thắp sáng tối đa là 16 000 giờ. Một bóng đèn compact có giá 60 000 đồng công suất 20W, có độ sáng bằng bóng đèn LED nói trên. Thời gian thắp sáng tối đa 8 000 giờ.

a. Tính điện năng sử dụng của mỗi loại bóng đèn trên trong 16 000 giờ.

b. Tính toàn bộ chi phí ( tiền mua bóng điện và tiền điện phải trả) cho việc sử dụng mỗi loại bóng đèn này trong 16 000 giờ. Nếu giá 1kW.h là 2 000 đồng.

c. Sử dụng loại bóng đèn nào có lợi hơn? Vì sao?

  • A.
    a. A1 = 144kWh; A2 = 160kWh; b. T1 = 328000 đồng; T2 = 440000 đồng; c. sử dụng bóng đèn compact có lợi hơn.
  • B.
    a. A1 = 144kWh; A2 = 160kWh; b. T1 = 328000 đồng; T2 = 440000 đồng; c. sử dụng bóng đèn LED có lợi hơn.
  • C.
    a. A1 = 160kWh; A2 = 144kWh; b. T1 = 328000 đồng; T2 = 440000 đồng; c. sử dụng bóng đèn compact có lợi hơn.
  • D.
    a. A1 = 160kWh; A2 = 144kWh; b. T1 = 328000 đồng; T2 = 440000 đồng; c. sử dụng bóng đèn LED có lợi hơn.

Đáp án : B

Phương pháp giải :

Điện năng: \(A=P.t\)

Lời giải chi tiết :

a. Điện năng sử dụng của bóng đèn LED là:

\({{A}_{1}}={{P}_{1}}.t=0,009.16000=144\,\,\left( kWh \right)\)

Điện năng sử dụng của bóng đèn compact là:

\({{A}_{2}}={{P}_{2}}.t=0,02.8000=160\,\,\left( kWh \right)\)

b. Đối với bóng đèn LED, số tiền phải trả là:

\({{T}_{1}}=40000+144.2000=328000\,\,\left( dong \right)\)

Đối với bóng đèn compact, trong 16 000 giờ cần 2 bóng

Số tiền phải trả khi sử dụng bóng đèn compact là:

\({{T}_{2}}=60000.2+160.2000=440000\,\,\left( dong \right)\)

c. Sử dụng bóng đèn LED có lợi hơn vì:

– Tiết kiệm được 112000 đồng cho 16 000 giờ sử dụng

– Hạn chế quá tải điện trong giờ cao điểm

– Tiết kiệm điện năng cho sản xuất

Câu 29 :

Người ta dùng dây Nikêlin (một loại hợp kim) làm dây nung cho một bếp điện. Nếu dùng loại dây này với đường kính tiết diện là 0,6mm thì cần dây có chiều dài là 2,88m. Hỏi nếu không thay đổi điện trở của dây nung, nhưng dùng dây loại này với đường kính tiết diện là 0,4mm thì dây phải có chiều dài là bao nhiêu?

  • A.
    1,12m
  • B.
    1,5m
  • C.
    1,28m
  • D.
    3m

Đáp án : C

Phương pháp giải :

– Điện trở của các dây dẫn có cùng chiều dài và được làm từ cùng một loại vật liệu thì tỉ lệ nghịch với tiết diện của dây.

– Diện tích hình tròn: \(S = \pi {r^2} = \dfrac{{\pi {d^2}}}{4}\)

Lời giải chi tiết :

l1 = 2,88m; d1 = 0,6 mm; R1 = R2 ; d2 = 0,4mm; l2 = ?

+ Đường kính của dây là d1 = 0,6mm, suy ra tiết diện dây là: \({S_1} = \dfrac{{\pi d_1^2}}{4}\)

+ Đường kính dây giảm xuống còn d2 = 0,4mm, suy ra tiết diện dây là: \({S_2} = \dfrac{{\pi d_2^2}}{4}\)

 + Ta có: \(\dfrac{{{l_1}}}{{{R_1}{S_1}}} = \dfrac{{{l_2}}}{{{R_2}{S_2}}}\)

Thay R1 = R2 (vì không thay đổi điện trở của dây nung) ta được:

\(\begin{array}{l}\dfrac{{{l_1}}}{{{R_1}{S_1}}} = \dfrac{{{l_2}}}{{{R_1}{S_2}}} \Leftrightarrow \dfrac{{{l_1}}}{{{S_1}}} = \dfrac{{{l_2}}}{{{S_2}}} \Rightarrow \dfrac{{{l_1}}}{{{l_2}}} = \dfrac{{{S_1}}}{{{S_2}}} = \dfrac{{\dfrac{{\pi d_1^2}}{4}}}{{\dfrac{{\pi d_2^2}}{4}}} = {\left( {\dfrac{{{d_1}}}{{{d_2}}}} \right)^2} = {\left( {\dfrac{{0,6}}{{0,4}}} \right)^2} = \dfrac{9}{4}\\ \Rightarrow {l_2} = \dfrac{{4{l_1}}}{9} = 1,28m\end{array}\)

Câu 30 :

Một quạt điện dùng trên xe có ghi 12V-15W. Mắc quạt vào hiệu điện thế 12V cho rằng hiệu suất của quạt là 85%, tính điện trở của quạt? 

               

  • A.
    64 Ω     
  • B.
    2,5 Ω 
  • C.
    9,6 Ω
  • D.
    1,44 Ω

Đáp án : D

Phương pháp giải :

+ Công suất tiêu thụ của quạt sẽ được chia làm hai phần: Công suất có ích làm quạt quay và công suất hao phí làm quạt nóng lên.

+ Công suất hao phí: \({P_{toa\,nhiet}} = {I^2}R = P – {P_{co\,hoc}} \Rightarrow R\)

Lời giải chi tiết :

– Công suất tiêu thụ của quạt (P = 15W) gồm:

+ Công suất có ích (Công suất cơ học làm quạt quay):

\({P_{co\,hoc}} = 85\% .P\)

+ Công suất hao phí (Công suất tỏa nhiệt làm quạt nóng lên):

\({P_{toa\,nhiet}} = {I^2}R = P – {P_{co\,hoc}}\)

– Cường độ dòng điện qua quạt: \(I = \dfrac{{{P_{dm}}}}{{{U_{dm}}}} = \dfrac{{15}}{{12}} = 1,25A\)

– Công suất cơ học: \({P_{co\,hoc}} = 85\% .P = 85\% .15 = 12,75W\)

– Công suất tỏa nhiệt: \({P_{toa\,nhiet}} = P – {P_{co\,hoc}} = 15 – 12,75 = 2,25W\)

Điện trở của quạt: \(R = \dfrac{{{P_{toa\,nhiet}}}}{{{I^2}}} = \dfrac{{2,25}}{{1,{{25}^2}}} = 1,44\Omega \)

TẢI APP ĐỂ XEM OFFLINE