2. Bài 11. Một số lực trong thực tiễn

Điều nào sau đây là sai khi nói về trọng lực?

Lựa chọn câu để xem lời giải nhanh hơn

Trắc nghiệm 11.1

Điều nào sau đây là sai khi nói về trọng lực?

A. Trọng lực được xác định bằng biểu thức \(\overrightarrow P  = m\overrightarrow g \)  

B. Điểm đặt của trọng lực là trọng tâm của vật.

C. Trọng lực tỉ lệ nghịch với khối lượng của vật.                             

D. Trọng lực là lực hút của Trái Đất tác dụng lên vật.

Phương pháp giải:

Vận dụng kiến thức về trọng lực.

Lời giải chi tiết:

Trọng lực là lực hấp dẫn giữa Trái Đất và vật, có điểm đặt tại trọng tâm của vật, được xác định bằng biểu thức: \(\overrightarrow P  = m\overrightarrow g \) nên độ lớn của trọng lực sẽ tỉ lệ thuận với khối lượng của vật.

=> Chọn C

Trắc nghiệm 11.2

Tại cùng một địa điểm, hai vật có khối lượng m1 < m2, trọng lực tác dụng lên hai vật lần lượt là P1 và P2 luôn thỏa mãn điều kiện

A. P1 = P2.                B. \(\frac{{{P_1}}}{{{P_2}}} < \frac{{{m_1}}}{{{m_2}}}\).                            C. P1 > P2.                D. \(\frac{{{P_1}}}{{{P_2}}} = \frac{{{m_1}}}{{{m_2}}}\)

Phương pháp giải:

Vận dụng biểu thức tính độ lớn của trọng lực: P = m.g.

Lời giải chi tiết:

Ta có: m1 < m2 => P1 < P2.

Và: \(\frac{{{P_1}}}{{{P_2}}} = \frac{{{m_1}.g}}{{{m_2}.g}} = \frac{{{m_1}}}{{{m_2}}}\)

=> Chọn D

Trắc nghiệm 11.3

Chỉ ra phát biểu sai. Độ lớn của lực ma sát trượt

A. phụ thuộc vào diện tích tiếp xúc của vật.                         

B. không phụ thuộc vào tốc độ của vật

C. tỉ lệ với độ lớn của áp lực.

D. phụ thuộc vào vật liệu và tính chất của hai mặt tiếp xúc.

Phương pháp giải:

Vận dụng kiến thức về lực ma sát trượt.

Lời giải chi tiết:

Lực ma sát trượt có điểm đăth trên vật và ngay vị trí tiếp xúc của hai bề mặt, phương tiếp tuyến và ngược chiều với chuyển động của vật. Độ lớn của lực ma sát trượt:

– Không phụ thuộc vào diện tích tiếp xúc và tốc độ chuyển động của vật.

– Phụ thuộc vào vật liệu và tính chất của hai bề mặt tiếp xúc.

– Tỉ lệ với độ lớn của áp lực giữa hai bề mặt tiếp xúc: \(F = \mu .N\)

=> Chọn A

Trắc nghiệm 11.4

Hệ số ma sát trượt

A. không phụ thuộc vào vật liệu và tính chất của hai mặt tiếp xúc.

B. luôn bằng với hệ số ma sát nghỉ.               

C. không có đơn vị.

D. có giá trị lớn nhất bằng 1.

Phương pháp giải:

Vận dụng kiến thức về hệ số ma sát trượt.

Lời giải chi tiết:

Hệ số ma sát trượt phụ thuộc vào vật liệu và tình trạng của hai bề mặt tiếp xúc. Đây là đại lượng không có đơn vị, luôn bé hơn 1.

=> Chọn C

Trắc nghiệm 11.5

Một xe có khối lượng m = 5 tấn đang đứng yên trên mặt phẳng nghiêng 300 so với phương ngang. Độ lớn của lực ma sát tác dụng lên xe

A. lớn hơn trọng lượng của xe.                                  

B. bằng trọng lượng của xe.

C. bằng độ lớn của thành phần trọng lực vuông góc với mặt phẳng nghiêng.

D. bằng độ lớn của thành phần trọng lực song song với mặt phẳng nghiêng.

Phương pháp giải:

Vận dụng kiến thức về phân tích lực.

Lời giải chi tiết:

Xe đang đứng yên trên mặt phẳng nghiêng nhờ sự cân bằng của lực ma sát nghỉ với thành phần song song với mặt phẳng nghiêng của trọng lực (Px ở trên hình vẽ).

=> Chọn D

Trắc nghiệm 11.6

Câu nào sau đây là sai khi nói về lực căng dây?

A. Lực căng dây có bản chất là lực đàn hồi.             

B. Lực căng dây có điểm đặt là điểm mà đầu dây tiếp xúc với vật.              

C. Lực căng dây có phương trùng với chính sợi dây, chiều hướng từ hai đầu vào phần giữa của dây. 

D. Lực căng dây có thể là lực kéo lên hoặc lực nén.            

Phương pháp giải:

Vận dụng kiến thức về lực căng dây.

Lời giải chi tiết:

Thực chất lực căng của sợi dây chính là lực đàn hồi do sự biến dạng đàn hồi của dây tạo ra. Khi một sợi dây bị kéo căng, nó sẽ tác dụng lên 2 vật gắn với 2 đầu dây những lực căng có đặc điểm:

– Điểm đặt: điểm mà đầu dây tiếp xúc với vật.

– Phương trùng với chính sợi dây.

– Chiều hướng từ hai đầu dây vào phần giữa của sợi dây, với những dây có khối lượng không đáng kể thì lực căng ở 2 đầu dây luôn có cùng một độ lớn.

=> Chọn D

Trắc nghiệm 11.7

Khi treo vật trên sợi dây nhẹ cân bằng thì trọng lực tác dụng lên vật

A. cùng hướng với lực căng dây.                               B. cân bằng với lực căng dây.           

C. hợp với lực căng dây một góc 900.                        D. bằng không.

Phương pháp giải:

Vận dụng kiến thức của lực căng dây.

Lời giải chi tiết:

Khi vật nhẹ nằm cân bằng thì trọng lực tác dụng lên vật lúc này cân bằng với lực căng dây.

 

=> Chọn B

Trắc nghiệm 11.8

Một ngọn đèn có khối lượng m = 1 kg được treo dưới trần nhà bằng một sợi dây. Lấy g = 9,8 m/s2. Dây chỉ chịu được lực căng lớn nhất là 8 N. Nếu treo ngọn đèn này vào một đầu dây thì

A. lực căng sợi dây là 9 N và sợi dây sẽ bị đứt.                                

B. lực căng sợi dây là 9,8 N và sợi dây sẽ bị đứt.                             

C. lực căng sợi dây là 9,8 N và sợi dây không bị đứt.                                   

D. lực căng sợi dây là 4,9 N và sợi dây không bị đứt.

Phương pháp giải:

Vận dụng kiến thức về lực căng dây.

Lời giải chi tiết:

Khi ngọn đèn được treo vào sợi dây và nằm cân bằng thì lực căng dây lúc này sẽ cân bằng với trọng lực, do đó, độ lớn của lực căng dây lúc này là: T = P = m.g = 9,8 (N).

Mà dây chỉ chịu được lực căng dây lớn nhất là 8 N nên nếu treo ngọn đèn lên, sợi dây sẽ bị đứt.

=> Chọn B

Trắc nghiệm 11.9

Một vật đang lơ lửng ở trong nước chịu tác dụng của những lực nào?

A. Lực đẩy Archimedes và lực cản của nước.                                  

B. Lực đẩy Archimedes và lực ma sát.                                  

C. Trọng lực và lực cản của nước.                            

D. Trọng lực và lực đẩy Archimedes.

Phương pháp giải:

Vận dụng kiến thức về lực đẩy Archimedes.

Lời giải chi tiết:

Một vật đang lơ lửng trong nước sẽ chịu tức dụng của 2 lực, đó là: lực đẩy Archimedes và trọng lực.

=> Chọn D

Trắc nghiệm 11.10

Thể tích của một miếng sắt là 2 dm3. Cho khối lượng riêng của nước là 1000 kg/m3. Lấy g = 9,8 m/s2. Lực đẩy tác dụng lên miếng sắt khi nhúng chìm trong nước có giá trị là

A. 25 N.                                  B. 20 N.

C. 19,6 N.                               D. 19600 N.

Phương pháp giải:

Vận dụng kiến thức về lực đẩy Archimedes.

Lời giải chi tiết:

Tóm tắt:

V = 2 dm3 = 0,002 m3

\(\rho  = 1000kg/{m^3}\)

g = 9,8 m/s2

FA =?

Lời giải:

Lực đẩy tác dụng lên miếng sắt khi nhúng chìm trong nước có giá trị là:

\({F_A} = \rho .g.V = 1000.9,8.0,002 = 19,6\left( N \right)\)

=> Chọn C

Tự luận 11.1

Theo định luật III Newton, các vật tương tác với nhau bằng các cặp lực trực đối gọi là lực và phản lực. Vậy một vật đặt nằm yên trên mặt bàn nằm ngang như Hình 11.1 thì phản lực của trọng lực \(\overrightarrow P \) là lực nào?

Phương pháp giải:

Vận dụng kiến thức về định luật III Newton.

Lời giải chi tiết:

Phản lực của trọng lực khi vật đặt nằm yên trên mặt bàn nằm ngang là áp lực N do mặt bàn tác dụng lên vật.

Tự luận 11.2

Một nhà du hành vũ trụ có khối lượng 70 kg khi ở trên Trái Đất. Hãy xác định trọng lượng của nhà du hành vũ trụ này trên Mặt Trăng, biết độ lớn gia tốc trong trường trên Mặt Trăng bằng 1/6 gia tốc trọng trường ở Trái Đất (9,8 m/s2).

Phương pháp giải:

Vận dụng kiến thức về độ lớn của trọng lực: P = m.g.

Lời giải chi tiết:

Trọng lượng của nhà du hành vũ trụ trên Mặt Trăng: \(P = m.{g_M} = m.g/6 \approx 114,3\,N\).

Tự luận 11.3

Một vật đang nằm yên trên một mặt phẳng ngang thì có chịu tác dụng của lực ma sát nghỉ hay không? Giải thích.

Phương pháp giải:

Áp dụng kiến thức về lực ma sát nghỉ.

Lời giải chi tiết:

Lực ma sát nghỉ không xuất hiện do vật đang nằm yên và không có xu hướng trượt.

Tự luận 11.4

Một người đi xe đạp trên đường nằm ngang với vận tốc không đổi. Giải thích tại sao người đó có thể đi với vận tốc không đổi.

Phương pháp giải:

Vận dụng kiến thức về lực ma sát.

Lời giải chi tiết:

Lực giúp hệ xe đạp và người hướng về phía trước và lực ma sát tác dụng lên hệ có độ lớn bằng nhau, cùng phương nhưng ngược chiều nên chúng triệt tiêu lẫn nhau. Do đó, hợp lực của hai lực này tác dụng lên hệ bằng 0. Vì vậy, hệ xe đạp và người chuyển động với vận tốc không đổi.

Tự luận 11.5

Đặt một vật nằm yên trên tấm ván ban đầu nằm ngang có một đầu gắn vào bản lề quay được. Nâng chậm đầu còn lại của tấm ván lên cao, ta thấy lúc đầu vật vẫn nằm yên trên mặt phẳng nghiêng và khi nâng tấm ván tới một góc nghiêng \({\alpha _0}\) nào đó thì vật bắt đầu trượt. Lặp lại thí nghiệm nhiều lần, ta vẫn thu được kết quả trên. Hãy giải thích hiện tượng xảy ra.

Phương pháp giải:

Vận dụng kiến thức về lực ma sát giải thích hiện tượng thực tiễn.

Lời giải chi tiết:

Lúc đầu, thành phần trọng lực song song với phương mặt phẳng nghiên cân bằng với lực ma sát nghỉ. Khi góc \(\alpha \) tăng, độ lớn của thành phần này tăng dần, kéo theo độ lớn của lực ma sát nghỉ cũng tăng. Tại góc \({\alpha _0}\), lực ma sát nghỉ đạt cực đại và chuyển thành ma sát trượt. Độ lớn của lực ma sát trượt lúc này nhỏ hơn độ lớn của thành phần trọng lực song song với mặt phẳng nghiêng, do đó, vật bắt đầu trượt xuống.

Tự luận 11.6

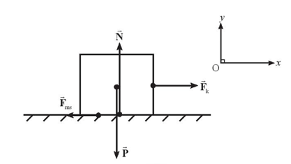
Cho một vật có khối lượng 10 kg đặt trên mặt sàn nằm ngang. Một người tác dụng một lực 30 N kéo vật theo phương ngang, hệ số ma sát trượt giữa vật và sàn có giá trị 0,2. Lấy giá trị của gia tốc trọng trường là 9,8 m/s2. Tính gia tốc của vật.

Phương pháp giải:

Vận dụng kiến thức về định luật II Newton.

Lời giải chi tiết:

Tóm tắt:

m = 10 kg

Fk = 30 N

\(\mu  = 0,2\)

g = 9,8

a =?

Lời giải:

 

Chọn hệ quy chiếu Oxy sao cho chiều dương (+) Ox là chiều chuyển động, Oy vuông góc với Ox.

Áp dụng định luật II Newton: \(\overrightarrow {{F_k}}  + \overrightarrow {{F_{ms}}}  + \overrightarrow N  + \overrightarrow P  = m.\overrightarrow a \)

Chiếu lên trục Oy: N – P = 0 => N = P = 98 N

\({F_{ms}} = \mu .N = 0,2.98 = 19,6\,N.\)

Chiếu lên trục Ox: Fk – Fms = m.a.

Từ đây, ta có: a = 1,04 m/s2.

Tự luận 11.7

Xét một tảng băng có phần thể tích chìm dưới nước khoảng 90%. Hãy ước tính khối lượng riêng của tảng băng, biết khối lượng riêng của nước biển là 1020 kg/m3.

Phương pháp giải:

Vận dụng kiến thức về lực đẩy Archimedes.

Lời giải chi tiết:

Tóm tắt:

Vchìm = 90% V

\({\rho _n} = 1020kg/{m^3}\)

\({\rho _b} = ?\)

Lời giải:

Tảng băng nằm cân bằng:

\({F_A} = P \Rightarrow {\rho _n}.g.\left( {90\% V} \right) = {\rho _b}.g.V \Rightarrow {\rho _b} = 0,9.{\rho _n} = 0,9.1020 = 918\,kg/{m^3}\)

Tự luận 11.8

Một vật có trọng lượng riêng 22000 N/m3. Treo vật vào một lực kế rồi nhúng vật ngập trong nước thì lực kế chỉ 30 N. Hỏi nếu treo vật ở ngoài không khí thì lực kế chỉ bao nhiêu? Lấy trọng lượng riêng của nước là 10000 N/m3.

Phương pháp giải:

Vận dụng kiến thức về lực đẩy Archimedes.

Lời giải chi tiết:

Tóm tắt:

\({d_v} = 22000N/{m^3}\)

F = 30 N

\({d_n} = 10000N/{m^3}\)

P =?

Lời giải:

Khi nhúng vật vào trong nước thì vật chịu thêm lực Archimedes nên số chỉ của lực kế giảm xuống. Số chỉ của lực kế khi để ngoài không khí chính là trọng lượng của vật.

Khi vật cân bằng trong nước: \(P – {F_A} = F \Rightarrow P – \frac{{{d_n}}}{{{d_v}}}P = F\)

Do đó, ta có: \(P = \frac{F}{{1 – \frac{{{d_n}}}{{{d_v}}}}} = 55\,N.\)

Tự luận 11.9

Một vật làm bằng sắt và một vật làm bằng hợp kim có cùng khối lượng được nhúng vào cùng một chất lỏng. Hỏi lực đẩy Archimedes tác dụng lên vật nào lớn hơn và lập tỉ số giữa hai lực đẩy Archimedes này? Biết khối lượng riêng của sắt và hợp kim lần lượt là 7874 N/m3 và 6750 N/m3.

Phương pháp giải:

Vận dụng kiến thức về lực đẩy Archimedes.

Lời giải chi tiết:

Ta có:

ms = mhk

\({\rho _s} = 7874kg/{m^3}\)

\({\rho _{hk}} = 6750kg/{m^3}\)

\({\left( {{F_A}} \right)_s}?{\left( {{F_A}} \right)_{hk}}\)

Theo giả thiết, ms = mhk => \(\frac{{{V_s}}}{{{V_{hk}}}} = \frac{{{\rho _{hk}}}}{{{\rho _s}}} = \frac{{6750}}{{7874}} = 0,857\)

Ta có: \(\frac{{{{\left( {{F_A}} \right)}_s}}}{{{{\left( {{F_A}} \right)}_{hk}}}} = \frac{{{\rho _{cl}}.g.{V_s}}}{{{\rho _{cl}}.g.{V_{hk}}}} = \frac{{{V_s}}}{{{V_{hk}}}} = 0,857.\)

Vậy lực đẩy Archimedes tác dụng lên vật làm bằng hợp kim lớn hơn lực đẩy Archimedes tác dụng lên vật làm bằng sắt khoảng 1,17 lần.

TẢI APP ĐỂ XEM OFFLINE