Đề thi học kì 1 môn vật lí lớp 9 năm 2019 – 2020 Sở GD và ĐT Vĩnh Phúc

Giải chi tiết đề thi học kì 1 môn vật lí lớp 9 năm 2019 – 2020 Sở GD và ĐT Vĩnh Phúc với cách giải nhanh và chú ý quan trọng

I. PHẦN TRẮC NGHIỆM (3,0 điểm). Hãy viết vào tờ giấy thi chữ cái in hoa trước đáp án đúng.

Câu 1 : Hệ thức đúng của định luật Jun-Lenxơ

     A.\(Q = {I^2}Rt\)              B. \(Q = {I^2}R{t^2}\)     C. \(Q = I{R^2}t\)            D. \(Q = IRt\)

Câu 2 : Cách sử dụng nào sau đây tiết kiệm điện năng?

A. Sử dụng các thiết bị đun nấu bằng điện.

B. Sử dụng đèn bàn học có công suất \(100W\).

C. Sử dụng các thiết bị điện để chiếu sáng suốt ngày đêm.

D. Sử dụng các thiết bị điện khi cần thiết.

Câu 3 : Công thức nào dưới đây là đúng đối với đoạn mạch gồm hai điện trở \({R_1}\) và \({R_2}\) mắc song song?

      A.\(I = {I_1} + {I_2}\)

      B.\(I = {I_1} = {I_2}\)

      C.\(\dfrac{{{I_1}}}{{{I_2}}} = \dfrac{{{R_1}}}{{{R_2}}}\)

      D. \(\dfrac{{{I_1}}}{{{I_2}}} = \dfrac{{{U_2}}}{{{U_1}}}\)

Câu 4 : Điện trở của một vật không phụ thuộc vào yếu tố nào dưới đây?

     A. Vật liệu làm dây dẫn.

     B. Khối lượng của dây dẫn.

     C. Tiết diện của dây dẫn.

     D. Chiều dài của dây dẫn.

Câu 5 : Từ trường không tồn tại ở đâu?

      A. Xung quanh Trái Đất.

      B. Xung quanh một nam châm.

      C. Xung quanh dây dẫn có dòng điện chạy qua.

      D. Xung quanh điện tích đứng yên.

Câu 6 : Phát biểu nào dưới đây không đúng khi nói về biến trở?

A. Biến trở là điện trở có thể thay đổi trị số.

B. Biến trở là dụng cụ có thể được dùng để thay đổi cường độ dòng điện.

C. Biến trở là dụng cụ có thể được dùng để đổi chiều dòng điện trong mạch.

D. Biến trở là dụng cụ có thể được dùng để thay đổi hiệu điện thế giữa hai đầu dụng cụ điện.

II. PHẦN TỰ LUẬN (4.0 điểm).

Câu 7. (2,0 điểm)

a) Phát biểu quy tắc nắm bày tay phải.

b) Áp dụng quy tắc nắm bàn tay phải, hãy xác định các cực từ của ống dây (ở hình bên) khi khóa K đóng.

 

Câu 8. (2,0 điểm)

Một nồi cơm điện có ghi \(220V – 400W\) được sử dụng với hiệu điện thế \(220V\), trung bình mỗi ngày dùng trong thời gian \(2\) giờ.

a) Tính điện trở dây nung của nồi và cường độ dòng điện chạy qua nó khi đó.

b) Tính lượng điện năng mà nồi tiêu thụ trong 30 ngày.

Câu 9. (3,0 điểm)

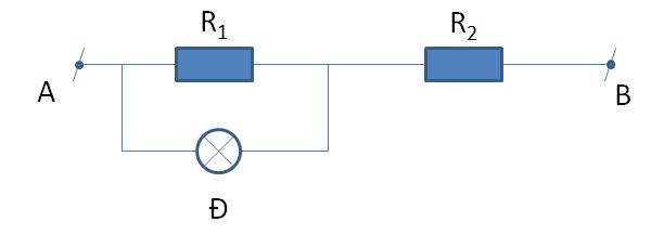
Đoạn mạch AB gồm 2 điện trở \({R_1} = 8\Omega \) và \({R_2} = 4\Omega \) mắc nối tiếp. Đặt vào hai đầu đoạn mạch một hiệu điện thế không đổi \(U = 24V\).

a) Tính điện trở tương đương của đoạn mạch AB và cường độ dòng điện qua mỗi điện trở.

b) Tính công suất tiêu thụ của đoạn mạch AB.

c) Mắc thêm một bóng đèn \(12V – 6W\) song song với \({R_1}\). Nhận xét về độ sáng của đèn.

————– Hết ————–

(Thí sinh không được sử dụng tài liệu, cán bộ coi thi không giải thích gì thêm)

 


 

HƯỚNG DẪN GIẢI CHI TIẾT

THỰC HIỆN: BAN CHUYÊN MÔN LOIGIAIHAY.COM

I. PHẦN TRẮC NGHIỆM

1.A

2.D

3.A

4.B

5.D

6.C

Câu 1 (NB):

Phương pháp:

Xem biểu thức định luật Jun-Len-xơ SGK VL9 trang 44

Cách giải:

Biểu thức định luật Jun-Len-xơ: \(Q = {I^2}Rt\)

Chọn A

Câu 2 (TH):

Phương pháp:

Xem các biện pháp sử dụng tiết kiệm điện năng SGK VL9 trang 52

Cách giải:

Trong các cách trên, cách sử dụng tiết kiệm điện năng là: Sử dụng các thiết bị điện khi cần thiết.

Chọn D

Câu 3 (NB):

Phương pháp:

Vận dụng các biểu thức về mạch gồm 2 điện trở mắc song song:

+ \({U_1} = {U_2} = U\)

+ \(I = {I_1} + {I_2}\)

+ \(\dfrac{1}{R} = \dfrac{1}{{{R_1}}} + \dfrac{1}{{{R_2}}}\)

Cách giải:

Ta có, các biểu thức của mạch điện gồm 2 điện trở mắc song song

+ \({U_1} = {U_2} = U\)

+ \(I = {I_1} + {I_2}\)

+ \(\dfrac{1}{R} = \dfrac{1}{{{R_1}}} + \dfrac{1}{{{R_2}}}\)

A – đúng

B – sai vì: \(I = {I_1} + {I_2}\)

C – sai vì: \({U_1} = {U_2} \Leftrightarrow {I_1}{R_1} = {I_2}{R_2} \Rightarrow \dfrac{{{I_1}}}{{{I_2}}} = \dfrac{{{R_2}}}{{{R_1}}}\)

D – sai vì: \(\dfrac{{{U_2}}}{{{U_1}}} = \dfrac{{{I_2}{R_2}}}{{{I_1}{R_1}}}\)

Chọn A

Câu 4 (NB):

Phương pháp:

Vận dụng biểu thức tính điện trở của dây dẫn: \(R = \rho \dfrac{l}{S}\)

Cách giải:

Ta có, điện trở của dây dẫn: \(R = \rho \dfrac{l}{S}\)

Điện trở của dây dẫn phụ thuộc vào:

+ Điện trở suất của dây dẫn hay nói cách khác là phụ thuộc vào vật liệu làm dây dẫn

+ Chiều dài \(\left( l \right)\) của dây dẫn

+ Tiêt diện \(\left( S \right)\) của dây dẫn

Điện trở của dây dẫn không phụ thuộc vào khối lượng của dây dẫn.

Chọn B

Câu 5 (NB):

Phương pháp:

Vận dụng lí thuyết về từ trường SGK VL trang 61

Cách giải:

+ Từ trường tồn tại xung quanh nam châm, xung quanh dây dẫn có dòng điện chạy qua, xung quanh Trái Đất

+ Từ trường không tồn tại xung quanh điện tích đứng yên.

Chọn D

Câu 6 (TH):

Phương pháp:

Vận dụng lí thuyết về biến trở SGK VL9 trang 28

Cách giải:

A – đúng

B – đúng

C – sai vì: Biến trở có thể điều chỉnh cường độ dòng điện trong mạch chứ không điều chỉnh được chiều dòng điện trong mạch.

D – đúng

Chọn C

II. PHẦN TỰ LUẬN

Câu 7 (VD)

Phương pháp:

a) Xem quy tắc nắm tay phải SGK VL9 trang 66

b) Vận dụng quy tắc nắm tay phải

Cách giải:

a) Quy tắc nắm tay phải:

Nắm bàn tay phải, rồi đặt sao cho bốn ngón tay hướng theo chiều dòng điện chạy qua các vòng dây thì ngón cái choãi ra chỉ chiều của đường sức từ trong lòng ống dây.

b) Áp dụng quy tắc nắm tay phải, ta được các cực từ của ống dây như hình:

 

Đầu A là cực Nam (S)

Đầu B là cực Bắc (N)

Câu 8 (VD)

Phương pháp:

a)

+ Vận dụng biểu thức: \(P = \dfrac{{{U^2}}}{R}\)

+ Áp dụng biểu thức định luật Ôm: \(I = \dfrac{U}{R}\)

b) Áp dụng biểu thức tính điện năng tiêu thụ: \(A = UIt\)

Cách giải:

Ta có:

+ Hiệu điện thế định mức và công suất định mức của nồi: \(\left\{ \begin{array}{l}{U_{dm}} = 220V\\{P_{dm}} = 400W\end{array} \right.\)

+ Hiệu điện thế sử dụng: \(U = 220V\)

+ Thời gian sử dụng mỗi ngày: \(t = 2h\)

a)

+ Điện trở dây nung của nồi: \(R = \dfrac{{U_{dm}^2}}{{{P_{dm}}}} = \dfrac{{{{220}^2}}}{{400}} = 121\Omega \)

+ Cường độ dòng điện chạy qua nồi khi đó là: \(I = \dfrac{U}{R} = \dfrac{{220}}{{121}} = \dfrac{{20}}{{11}}A\)

b)

+ Điện năng nồi tiêu thụ trong 1 ngày là: \({A_1} = UIt = 220.\dfrac{{20}}{{11}}.2 = 800Wh\)

 + Điện năng nồi tiêu thụ trong 30 ngày là: \(A = 30{A_1} = 30.800 = 24000Wh = 24kWh\)

Câu 9 (VD)

Phương pháp:

a) Áp dụng các biểu thức

+ Điện trở của mạch có các điện trở mắc nối tiếp: \(R = {R_1} + {R_2}\)

+ Định luật Ôm: \(I = \dfrac{U}{R}\)

b) Áp dụng biểu thức tính công suất: \(P = UI\)

c) Áp dụng các biểu thức:

+ Điện trở của mạch có các điện trở mắc nối tiếp: \(R = {R_1} + {R_2}\)

+ Điện trở của mạch có các điện trở mắc song song: \(\dfrac{1}{R} = \dfrac{1}{{{R_1}}} + \dfrac{1}{{{R_2}}}\)

+ Mối liên hệ giữa R, U, P: \(R = \dfrac{{{U^2}}}{P}\) 

+ Định luật Ôm: \(I = \dfrac{U}{R}\)

+ So sánh cường độ dòng điện qua đèn với cường độ dòng điện định mức của đèn.

Cách giải:

a)

+ Ta có, mạch gồm \({R_1}nt{R_2}\)

\( \Rightarrow \) Điện trở tương đương của đoạn mạch AB là: \(R = {R_1} + {R_2} = 8 + 4 = 12\Omega \)

+ Cường độ dòng điện qua mạch: \(I = \dfrac{U}{R} = \dfrac{{24}}{{12}} = 2A\)

Do 2 điện trở mắc nối tiếp nên cường độ dòng điện qua mỗi điện trở chính bằng cường độ dòng điện qua mạch: \({I_1} = {I_2} = I = 2A\)

b) 

Công suất tiêu thụ của đoạn mạch AB: \(P = UI = 24.2 = 48W\)

c)

Khi mắc thêm bóng đèn song song với \({R_1}\) ta được mạch như sau:

 

Ta có,

+ Hiệu điện thế định mức và công suất định mức của đèn: \(\left\{ \begin{array}{l}{U_{dmD}} = 12V\\{P_{dmD}} = 6W\end{array} \right.\)

+ Cường độ dòng điện định mức của đèn: \({I_{dmD}} = \dfrac{{{P_{dmD}}}}{{{U_{dmD}}}} = \dfrac{6}{{12}} = 0,5A\)

+ Điện trở của bóng đèn: \({R_D} = \dfrac{{U_{dmD}^2}}{{{P_{dmD}}}} = \dfrac{{{{12}^2}}}{6} = 24\Omega \)

Mạch gồm: \(\left( {{R_1}//{R_D}} \right)nt{R_2}\)

\({R_{1D}} = \dfrac{{{R_1}{R_D}}}{{{R_1} + {R_D}}} = \dfrac{{8.24}}{{8 + 24}} = 6\Omega \)

+ Điện trở tương đương của mạch khi này: \(R = {R_{1D}} + {R_2} = 6 + 4 = 10\Omega \)

+ Cường độ dòng điện qua mạch khi này: \(I = \dfrac{U}{R} = \dfrac{{24}}{{10}} = 2,4A\)

\({I_{AC}} = {I_2} = I = 2,4A\)

\( \Rightarrow {U_{AC}} = {I_{AC}}.{R_{1D}} = 2,4.6 = 14,4V\)

Cường độ dòng điện qua đèn khi này: \({I_D} = \dfrac{{{U_D}}}{{{R_D}}} = \dfrac{{{U_{AC}}}}{{{R_D}}} = \dfrac{{14,4}}{{24}} = 0,6A\)

Nhận thấy \({I_D} > {I_{dmD}} \Rightarrow \) Đèn sáng mạnh dễ cháy.

Webgiaibaitap.com

TẢI APP ĐỂ XEM OFFLINE

CHƯƠNG I. ĐIỆN HỌC