Đề kiểm tra giữa học kì 1 Vật lí 9 – Đề số 02 có lời giải chi tiết

Đề kiểm tra giữa kì 1 vật lí 9 – Đề số 02 được biên soạn theo hình thức trắc nghiệm có lời giải chi tiết giúp các em ôn tập hiệu quả chuẩn bị cho bài kiểm tra trên lớp

Đề bài

PHẦN I – TRẮC NGHIỆM

Câu 1: Một vôn kế có điện trở \(150\Omega \) chỉ chịu được dòng điện có cường độ lớn nhất bằng \(25mA\). Nếu hiệu điện thế giữa hai cực của một ác quy là \(3V\) thì có thể mắc trực tiếp ác quy đó vào vôn kế được không?

A. Mắc được vì cường độ dòng điện qua vôn kế nhỏ hơn cường độ dòng điện cho phép

B. Không mắc được vì vôn kế dễ cháy

C. Không mắc được vì hiệu điện thế tối đa của vôn kế lớn hơn hiệu điện thế của ác quy

D. Chưa xác định được vì còn thiếu một số đại lượng khác có liên quan

Câu 2: Một bóng đèn \(220V-60W\) mắc vào nguồn điện \(200V\). Khi đó độ sáng của đèn như thế nào?

A. đèn sáng bình thường.

B. đèn sáng mạnh hơn bình thường   

C. đèn sáng yếu hơn bình thường

D. đèn sáng lúc mạnh lúc yếu

Câu 3: Sở dĩ ta nói dòng điện có năng lượng vì:

A. Dòng điện có thể thực hiện công cơ học, làm quay các động cơ.

B. Dòng điện có tác dụng nhiệt, có thể đun sôi nước

C. Dòng điện có tác dụng phát sáng.

D. Tất cả các nội dung a, b, c

Câu 4: Mối liên hệ giữa số chỉ của ampe kế với độ sáng của đèn được 4 HS phát biểu như sau. Hỏi phát biểu nào là sai?

A. Đèn sáng càng mạnh thì số chỉ của ampe kế càng lớn.

B. Đèn sáng bình thường khi số chỉ của ampe kế bằng cường độ dòng điện định mức qua đèn.

C. Số chỉ của ampe kế và độ sáng của đèn không liên hệ gì với nhau.

D. Số chỉ của ampe kế giảm đi thì độ sáng của đèn giảm đi.

Câu 5: Bạn Lan dùng vôn kế để đo hiệu điện thế giữa hai cực của một nguồn điện. Kết quả thu được là \(3,25V\). Lan đã dùng vôn kế có GHĐ và ĐCNN là bao nhiêu?

A. 3,5V và 0,1V 

B. 3V và 0,01V

C. 3,5V và 0,01V 

D. 3,5V và 0,2V

Câu 6: Điện trở của dây dẫn không  phụ thuộc vào yếu tố nào dưới đây?

A. Vật liệu làm dây dẫn.

B. Khối lượng của dây dẫn.

C. Chiều dài của dây dẫn.

D. Tiết diện của dây dẫn.

Câu 7: Theo thống kê của Cục Cảnh sát phòng cháy chữa cháy và cứu nạn, cứu hộ, trong 9 tháng đầu năm 2018, cả nước xảy ra 2.989 vụ cháy, khiến 73 người tử vong, bị thương 163 người, thiệt hại về tài sản 1.590 tỷ đồng. Phần nhiều nguyên nhân gây cháy là do sự cố hệ thống điện và thiết bị điện. Theo nguyên nhân nào sau đây có thể gây hỏa hoạn.

A. Dùng điện quá tải 

B. Trong cơn giông bão có tia sét được phóng xuống

C. Hệ thống dây điện chằng chịt các mối nối lỏng lẻo.

D. Cả ba nguyên nhân trên

Câu 8: Một đoạn dây dẫn hình trụ, đồng chất, tiết diện đều có điện trở là R. Nếu cắt đoạn dây đó thành bốn đoạn có chiều dài bằng nhau thì mỗi đoạn có điện trở là

A. 0,25R.                                B. 2R

C. 0,5R.                                  D. 4R.

Câu 9: Một bếp điện hoạt động bình thường có điện trở \(R = 80\Omega \) và cường độ dòng điện chạy qua bếp khi đó là 2A, nhiệt lượng bếp toả ra trong 10 phút là

A. 300J.                                  B. 300kJ

C. 192kJ.                                D. 59 400J.

Câu 10: Để đun sôi một ấm nước cần nhiệt lượng 66kJ. Một bếp điện có điện trở là 440Ω được mắc vào hiệu điện thế 220V có hiệu suất đun là 60% thì thời gian đun sôi ấm nước trên là:

A. 660 s              B. 10 phút 

C. 1320s             D. 16,67 phút

Câu 11: Có 3 điện trở giống nhau có giá trị bằng 20W được mắc như sơ đồ. Công suất tiêu thụ của cả đoạn mạch là:

 

A. 7,2W                                  B. 2,4W

C. 4,8W                                  D. 3,6W

Câu 12: Công suất điện cho biết:

A. Khả năng thực hiện công của dòng điện

B. Năng lượng của dòng điện

C. Lượng điện năng sử dụng trong một đơn vị thời gian

D. Mức độ mạnh, yếu của dòng điện.

Câu 13: Một cần trục thực hiện một công 2000J để nâng một vật nặng lên cao trong thời gian 2 giây. Công suất của cần trục sinh ra là:

A. 2000W                               B. 4000W

C. 1000W                               D. 0,15kW

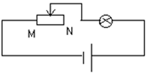
Câu 14: Khi dịch chuyển con chạy từ M sang N, độ sáng của đèn sẽ :

 

A. Ban đầu tăng lên sau đó giảm đi

B. Không thay đổi

C. Tăng lên

D. giảm đi

Câu 15: Một sợi dây làm bằng kim loại dài \({l_1}\; = 150m\), có tiết diện \({S_1}\; = 0,4m{m^2}\;\) và có điện trở \({R_1}\) bằng \(60\Omega \). Hỏi một dây khác làm bằng kim lọai đó dài \({l_2}\; = 30m\) có điện trở \({R_2}\; = 30\Omega \) thì có tiết diện \({S_2}\) là:

A. \({S_2}\; = 0,8m{m^2}\)

B. \({S_2}\; = 0,16m{m^2}\)

C. \({S_2}\; = 1,6m{m^{2\;}}\)

D. \({S_2}\; = 0,08{\rm{ }}m{m^2}\)

Câu 16: Công thức nào sau đây cho phép xác định điện trở của dây dẫn hình trụ, đồng chất:

A. \(R = \rho \frac{\ell }{S}\)               B. \(R = S\frac{\ell }{\rho }\)

C. \(R = \rho \frac{S}{\ell }\)                D. Công thức khác

Câu 17: Đặt cùng một hiệu điện thế vào hai đầu các dây dẫn có điện trở \({R_1}\) và \({R_2}\; = 2.{R_1}\). Cường độ dòng điện chạy qua mỗi dây dẫn có giá trị lần lượt là \({I_1}\)  và \({I_2}\)  thì tỉ số \(\frac{{{I_1}}}{{{I_2}}}\) là bao nhiêu?

A. 2                                        B. 4

C. 0,5                                     D. 1

Câu 18: Trên hình 1 là đồ thị biểu diễn sự phụ thuộc của cường độ dòng điện và hiệu điện thế đối với 1 dây dẫn khác nhau. Dựa vào đồ thị cho biết điện trở \({R_1},{R_2},{R_3}\;\) có giá trị là: 

 

A. \({R_{1\;}} = 20\Omega ;{R_{2\;}} = 120\Omega ;{R_{3\;}} = 60\Omega \)

B. \({R_{1\;}} = 12\Omega ;{R_{2\;}} = 8,3\Omega ;{R_{3\;}} = 4,16\Omega \)

C. \({R_{1\;}} = 60\Omega ;{R_{2\;}} = 120\Omega ;{R_{3\;}} = 240\Omega \)

D. \({R_{1\;}} = 30\Omega ;{R_{2\;}} = 120\Omega ;{R_{3\;}} = 60\Omega \)

PHẦN II – TỰ LUẬN

Câu 19: Đường dây dẫn từ mạng điện chung tới một gia đình có chiều dài tổng cộng là 40m và có lõi đồng vói tiết diện là \(0,5m{m^2}\). Hiệu điện thế ở cuối đường dây (tại nhà) là 220V. Gia đình này sử dụng các đèn dây tóc nóng sáng có tổng công suất là 165W trung bình 3 giờ mỗi ngày. Biết điện trở suất của đồng là \(1,{7.10^{ – 8}}\;\Omega .m.\)

a) Tính điện trở của toàn bộ đường dây dẫn từ mạng điện chung tới gia đình.

b) Tính cường độ dòng điện chạy trong đường dây dẫn khi sử dụng công suất đã cho trên đây.

c) Tính nhiệt lượng tỏa ra trên đường dây dẫn này trong 30 ngày theo đơn vị kW.h.

Câu 20: Đoạn mạch AB gồm 2 điện trở \({R_1} = 8\Omega \) và \({R_2} = 4\Omega \) mắc nối tiếp. Đặt vào hai đầu đoạn mạch một hiệu điện thế không đổi \(U = 24V\).

a) Tính điện trở tương đương của đoạn mạch AB và cường độ dòng điện qua mỗi điện trở.

b) Tính công suất tiêu thụ của đoạn mạch AB.

c) Mắc thêm một bóng đèn \(12V – 6W\) song song với \({R_1}\). Nhận xét về độ sáng của đèn.

Lời giải chi tiết

1.A

2.C

3.D

4.C

5.C

6.A

7.D

8.A

9.C

10.D

11.C

12.C

13.C

14.D

15.B

16.A

17.A

18.C

Câu 1:

Phương pháp giải:

Hệ thức của định luật Ôm: \(I = \frac{U}{R}\)

Lời Giải:

Vôn kế chỉ chịu được dòng điện có cường độ lớn nhất: \({I_{max}}\; = 25mA\)

Khi mắc vôn kế trực tiếp vào ác quy có hiệu điện thế giữa hai cực là 3V thì cường độ dòng điện chạy qua vôn kế là:

 \(I = \frac{U}{R} = \frac{3}{{150}} = 0,02A = 20mA < {I_{\max }}\)

\( \Rightarrow \) Có thể mắc trực tiếp acquy đó vào vôn kế.

Chọn A.

Câu 2:

Phương pháp giải:

Để đèn sáng bình thường thì U = Uđm

Lời Giải:

Bóng đèn có hiệu điện thế định mức là 220V

Khi đèn mắc vào nguồn điện 220V thì đền sáng yếu hơn bình thường

Chọn C.

Câu 3:

Phương pháp giải:

Điện năng có thể chuyển hoá thành cơ năng, nhiệt năng và quang năng

Lời Giải:

Sở dĩ ta nói dòng điện có năng lượng vì:

 + Dòng điện có thể thực hiện công cơ học, làm quay các động cơ.

 + Dòng điện có tác dụng nhiệt, có thể đun sôi nước

 + Dòng điện có tác dụng phát sáng.

Chọn D.

Câu 4:

Khi cường độ dòng điện qua đèn tăng thì độ sáng của đèn tăng, khi cường độ dòng điện qua đèn giảm thì độ sáng của đèn giảm

Chọn C.

Câu 5:

Phương pháp giải:

Khi sử dụng dụ cụ đo để thực hiện các phép đo cần lưu ý :

– Lấy dụng cụ có GHĐ lớn hơn giá trị cần đo

– ĐCNN là khoảng cách giữa hai vạch chia liên tiếp trên dụng cụ đo. Kết quả đo phải là bội của ĐCNN

Lời Giải:

Khi sử dụng dụ cụ đo để thực hiện các phép đo cần lưu ý :

– Lấy dụng cụ có GHĐ lớn hơn giá trị cần đo

– ĐCNN là khoảng cách giữa hai vạch chia liên tiếp trên dụng cụ đo. Kết quả đo phải là bội của ĐCNN

\( \Rightarrow \) Lan đã dùng vôn kế có GHĐ và ĐCNN là 3,5V và 0,01V

Chọn C.

Câu 6:

Phương pháp giải:

Vận dụng biểu thức tính điện trở của dây dẫn: \(R = \rho \frac{l}{S}\)

Lời Giải:

Ta có, điện trở của dây dẫn: \(R = \rho \frac{l}{S}\)

Điện trở của dây dẫn phụ thuộc vào:

+ Điện trở suất của dây dẫn hay nói cách khác là phụ thuộc vào vật liệu làm dây dẫn

+ Chiều dài l của dây dẫn

+ Tiết diện S của dây dẫn

Điện trở của dây dẫn không phụ thuộc vào khối lượng của dây dẫn.

Chọn A.

Câu 7:

Phương pháp giải:

Sử dụng lí thuyết về sử dụng an toàn và tiết kiệm điện năng.

Lời Giải:

Nguyên nhân có thể gây ra hoả hoạn:

 + Dùng điện quá tải

 + Trong cơn giông bão có tia sét được phóng xuống

 + Hệ thống dây điện chằng chịt các mối nối lỏng lẻo

Chọn D.

Câu 8:

Phương pháp giải:

Công thức tính điện trở của dây dẫn: 

\(R = \frac{{\rho l}}{S} \Rightarrow R \sim l\) 

Lời Giải:

Ban đầu chiều dài của dây dẫn là \(l \Rightarrow R = \frac{{\rho l}}{S}\)

Sau đó cắt đoạn dây thành 4 đoạn có chiều dài bằng nhau thì chiều dài của dây dẫn sau đó là:

\(l’ = \frac{l}{4} \Rightarrow R’ = \frac{{\rho \frac{l}{4}}}{S} = \frac{R}{4} = 0,25R\)

Chọn A.

Câu 9:

Phương pháp giải:

Hệ thức của định luật Jun – Lenxơ: \(Q = {I^2}Rt\)

Lời Giải:

Nhiệt lượng bếp tỏa ra trong 10 phút là: \(Q = {I^2}Rt = {2^2}.80.10.60 = 192000J = 192kJ\)

Chọn C.

Câu 10:

Phương pháp giải:

Áp dụng công thức tính nhiệt lượng \(Q = R{I^2}t = \frac{{{U^2}}}{R}.t\)

Hiệu suất: \(H = \frac{{{A_{ci}}}}{{{A_{tp}}}}.100\% \)

Lời Giải:

Nhiệt lượng cần cung cấp để đun sôi nước là:

\(Q’ = \frac{Q}{H} = \frac{{66.1000}}{{60\% }} = 110000J\)

Thời gian cần để đun sôi nước là:

\(Q’ = \frac{{{U^2}}}{R}t \Rightarrow t = \frac{{Q’.R}}{{{U^2}}} \\= \frac{{110000.440}}{{{{220}^2}}} = 1000s = 16,67{\mkern 1mu} phut\)

Chọn D.

Câu 11:

Phương pháp giải:

Điện trở tương đương của đoạn mạch mắc nối tiếp và song song: \(\left\{ {\begin{array}{*{20}{l}}{{R_{nt}} = {R_1} + {R_2}}\\{{R_{ss}} = \frac{{{R_1}.{R_2}}}{{{R_1} + {R_2}}}}\end{array}} \right.\)

Hệ thức định luật Ôm: \(I = \frac{U}{R}\)

Công thức tính công suất tiêu thụ: \(P = U.I = {I^2}.{R_{td}}\)

Lời Giải:

Mạch điện gồm: \(\left( {{R_1}\;//{\rm{ }}{R_2}} \right){\rm{ }}nt{\rm{ }}{R_3}\)

\(\begin{array}{l}{R_{12}} = \frac{{{R_1}.{R_2}}}{{{R_1} + {R_2}}} = \frac{{20.20}}{{20 + 20}} = 10\Omega \\ \Rightarrow {R_{td}} = {R_{12}} + {R_3} = 10 + 20 = 30\Omega \\ \Rightarrow I = \frac{U}{{{R_{td}}}} = \frac{{12}}{{30}} = 0,4A \\\Rightarrow P = U.I = 12.0,4 = 4,8W\end{array}\)

Chọn C.

Câu 12:

Phương pháp giải:

Công suất: \(P = \frac{A}{t}\)

Lời Giải:

Công suất điện cho biết lượng điện năng sử dụng trong một đơn vị thời gian

Chọn C.

Câu 13:

Phương pháp giải:

Công suất: \(P = \frac{A}{t}\)

Lời Giải:

Công suất của cần trục sinh ra là: \(P = \frac{A}{t} = \frac{{2000}}{2} = 1000{\rm{W}}\)

Chọn C.

Câu 14:

Phương pháp giải:

Định luật Ôm: \(I = \frac{U}{{{R_{td}}}}\)

Công thức của mạch mắc nối tiếp : \(\left\{ {\begin{array}{*{20}{l}}{I = {I_D} = {I_b}}\\{{R_{td}} = {R_D} + {R_b}}\\{U = {U_D} + {U_b}}\end{array}} \right.\)

Công thức tính điện trở của biến trở : \({R_b} = \frac{{\rho l}}{S}\)

Lời Giải:

Mạch điện gồm : \({R_b}{\mkern 1mu} {\mkern 1mu} \,nt{\mkern 1mu} {\mkern 1mu} \,{R_D} \Rightarrow I = {I_D}\)

Khi dịch chuyển con chạy từ M sang N thì Rb tăng \( \Rightarrow {R_{td}}\,\,\left( { = {R_b} + {R_D}} \right)\)  tăng

\( \Rightarrow I = \frac{U}{{{R_{td}}}}\) giảm \( \Rightarrow {I_D}\) giảm

Vậy độ sáng của đèn sẽ giảm đi.

Chọn D.

Câu 15:

Phương pháp giải:

Công thức tính điện trở của dây dẫn: \(R = \frac{{\rho l}}{S}\)

Lời Giải:

Ta có: \(\left\{ {\begin{array}{*{20}{l}}{{R_1} = \frac{{{\rho _1}{l_1}}}{{{S_1}}}}\\{{R_2} = \frac{{{\rho _2}{l_2}}}{{{S_2}}}}\\{{\rho _1} = {\rho _2}}\end{array}} \right. \Rightarrow \frac{{{R_1}}}{{{R_2}}} = \frac{{{l_1}}}{{{l_2}}}.\frac{{{S_2}}}{{{S_1}}}\\ \Leftrightarrow 2 = \frac{{150.{S_2}}}{{30.0,4}} \Rightarrow {S_2} = 0,16m{m^2}\)

Chọn B.

Câu 16:

Phương pháp giải:

Công thức tính điện trở của dây dẫn: \(R = \frac{{\rho l}}{S}\)

Lời Giải:

Điện trở của dây dẫn hình trụ, đồng chất: \(R = \rho \frac{\ell }{S}\)

Chọn A.

Câu 17:

Phương pháp giải:

Hệ thức của định luật Ôm: \(I = \frac{U}{R}\)

Lời Giải:

Ta có: \(\left\{ {\begin{array}{*{20}{l}}{{I_1} = \frac{U}{{{R_1}}}}\\{{I_2} = \frac{U}{{{R_2}}}}\\{{R_2} = 2{R_1}}\end{array}} \right. \Rightarrow {I_2} = \frac{U}{{2{R_1}}} = \frac{{{I_1}}}{2} \Rightarrow \frac{{{I_1}}}{{{I_2}}} = 2\)

Chọn A.

Câu 18:

Phương pháp giải:

Định luật Ôm: Cường độ dòng điện chạy qua dây dẫn tỉ lệ thuận với hiệu điện thế đặt vào hai đầu dây và tỉ lệ nghịch với điện trở của dây: \(I = \frac{U}{R}\)

Lời Giải:

Từ đồ thị ứng với hiệu điện thế U = 12V ta có: \(\left\{ {\begin{array}{*{20}{l}}{{I_1} = 200mA = 0,2A}\\{{I_2} = 100mA = 0,1A}\\{{I_3} = 50mA = 0,05A}\end{array}} \right.\)

Áp dụng định luật Ôm ta có: \(\left\{ {\begin{array}{*{20}{l}}{{R_1} = \frac{U}{{{I_1}}} = \frac{{12}}{{0,2}} = 60\Omega }\\{{R_2} = \frac{U}{{{I_2}}} = \frac{{12}}{{0,1}} = 120\Omega }\\{{R_3} = \frac{U}{{{I_3}}} = \frac{{12}}{{0,05}} = 240\Omega }\end{array}} \right.\)

Chọn C.

Câu 19:

Phương pháp giải:

Công thức tính điện trở của dây dẫn:

\(R = \frac{{\rho l}}{S} \Rightarrow R \sim l\)

Công suất: \(P = U.I \Rightarrow I = \frac{P}{U}\)

Công thức tính nhiệt lượng tỏa ra trên dây dẫn: \(Q = {I^2}Rt\)

Lời Giải:

a) Điện trở của toàn bộ đường dây dẫn từ mạng điện chung tới gia đình là:

\(R = \rho \frac{l}{S} = 1,{7.10^{ – 8}}.\frac{{40}}{{0,{{5.10}^{ – 6}}}} = 1,36\Omega {\rm{ }}\)

b) Cường độ dòng điện chạy trong đường đây dẫn khi sử dụng công suất đã cho trên đây là:

\(I = \frac{P}{U} = \frac{{165}}{{220}} = 0,75A\)

c) Nhiệt lượng tỏa ra trên đường dây dẫn này trong 30 ngày theo đơn vị kW.h là:

 \(Q = {I^2}Rt = 0,{75^2}.1,36.30.4 = 91,8W.h \\= 0,0918kW.h.\)

Câu 20:

Phương pháp giải:

a) Áp dụng các biểu thức

+ Điện trở của mạch có các điện trở mắc nối tiếp: \(R = {R_1} + {R_2}\)

+ Định luật Ôm: \(I = \frac{U}{R}\)

b) Áp dụng biểu thức tính công suất: \(P = UI\)

c) Áp dụng các biểu thức:

+ Điện trở của mạch có các điện trở mắc nối tiếp: \(R = {R_1} + {R_2}\)

+ Điện trở của mạch có các điện trở mắc song song: \(\frac{1}{R} = \frac{1}{{{R_1}}} + \frac{1}{{{R_2}}}\)

+ Mối liên hệ giữa R, U, P: \(R = \frac{{{U^2}}}{P}\) 

+ Định luật Ôm: \(I = \frac{U}{R}\)

+ So sánh cường độ dòng điện qua đèn với cường độ dòng điện định mức của đèn.

Cách giải:

a)  Ta có, mạch gồm \({R_1}\,\,nt\,\,{R_2}\)

\( \Rightarrow \) Điện trở tương đương của đoạn mạch AB là: \(R = {R_1} + {R_2} = 8 + 4 = 12\Omega \)

Cường độ dòng điện qua mạch: \(I = \frac{U}{R} = \frac{{24}}{{12}} = 2A\)

Do 2 điện trở mắc nối tiếp nên cường độ dòng điện qua mỗi điện trở chính bằng cường độ dòng điện qua mạch: \[{I_1} = {I_2} = I = 2A\]

b) Công suất tiêu thụ của đoạn mạch AB: \(P = UI = 24.2 = 48W\)

c)  Khi mắc thêm bóng đèn song song với \({R_1}\) ta được mạch như sau:

 

Ta có:

+ Hiệu điện thế định mức và công suất định mức của đèn: \(\left\{ \begin{array}{l}{U_{dmD}} = 12V\\{P_{dmD}} = 6W\end{array} \right.\)

+ Cường độ dòng điện định mức của đèn: \({I_{dmD}} = \frac{{{P_{dmD}}}}{{{U_{dmD}}}} = \frac{6}{{12}} = 0,5A\)

+ Điện trở của bóng đèn: \({R_D} = \frac{{U_{dmD}^2}}{{{P_{dmD}}}} = \frac{{{{12}^2}}}{6} = 24\Omega \)

Mạch gồm: \(\left( {{R_1}//{R_D}} \right)\,\,nt\,\,{R_2}\).

 + Điện trở: \({R_{1D}} = \frac{{{R_1}{R_D}}}{{{R_1} + {R_D}}} = \frac{{8.24}}{{8 + 24}} = 6\Omega \)

+ Điện trở tương đương của mạch khi này: \(R = {R_{1D}} + {R_2} = 6 + 4 = 10\Omega \)

+ Cường độ dòng điện qua mạch khi này: \(I = \frac{U}{R} = \frac{{24}}{{10}} = 2,4A\)

\({I_{AC}} = {I_2} = I = 2,4A\) \( \Rightarrow {U_{AC}} = {I_{AC}}.{R_{1D}} = 2,4.6 = 14,4V\)

Cường độ dòng điện qua đèn khi này: \({I_D} = \frac{{{U_D}}}{{{R_D}}} = \frac{{{U_{AC}}}}{{{R_D}}} = \frac{{14,4}}{{24}} = 0,6A\)

Nhận thấy \({I_D} > {I_{dmD}} \Rightarrow \) Đèn sáng mạnh dễ cháy.

Loigiaihay.com

TẢI APP ĐỂ XEM OFFLINE

CHƯƠNG I. ĐIỆN HỌC