Đề kiểm tra 45 phút (1 tiết) – Đề số 6 – Chương 2 – Vật lí 9

Giải Đề kiểm tra 45 phút (1 tiết) – Đề số 6 – Chương 2 – Vật lí 9

Đề bài

A.TRẮC NGHIỆM

Câu 1. Công thức nào sau đây là công thức tính điện trở tương đương của hai điện trở song song?

A. R = R1 + R2

B. R = 1/ R1 + 1/ R2

C. 1/ R = 1/ R1 +1/R2

D. R = R1 . R2 / (R1 – R2)

Câu 2. Bốn dây dẫn kích thươc giống nhau làm bằng đồng, bạc, nhôm, và sắt. phát biểu nào sau đây là đúng?

A. Điện trở dây đồng là nhỏ nhất, dây sắt là lớn nhất.

B. Điện trở dây bạc là nhỏ nhất, dây sắt là lớn nhất.

C. Điện trở dây nhôm là nhỏ nhất, dây bạc là lớn nhất.

D. Điện trở dây đồng là nhỏ nhất, dây bạc là lớn nhất.

Câu 3. Hai điện trở R1 = 8 Ω và R2 mắc nối tiếp. hiệu điện thế hai đầu mạch là 12V thì cường độ dòng điện chạy qua mạch là 1A. giá trị R2

A. R2 = 2Ω           B. R2 = 4Ω

C. R2 = 6Ω           D. R2 = 8Ω

Câu 4. Hai điện trở R1 = 3 Ω và R2= 6 Ω được mắc nối tiếp với nhau vào hiệu điện thế U thì hiệu điện thế giữa hai đầu R1 là U1 = 4,5. Vậy hiệu điện thế hai đầu đoạn mạch U và 2 đầu R2 là U2 bằng?

A. U = 13,5V và U2 = 7,5V

B. U = 13,5V và U2 = 9V

C. U = 5V và U2 = 11,5V

D. U = 9V và U2 = 4,5V

Câu 5. Điện trở R1 = 2R2 được mắc song song vào nguồn điện. gọi P1, P2 lần lượt là công suất tiêu thụ điện của R1 và R2 thì:

A. P1 = P2                   B. P1 = 2P

C. P1 = P2/2             D. P1= 4 P2

Câu 6. Một dây điện trở R=8Ω được mắc vào hai điểm có hiệu điện thế 12V thì cường độ dòng điện qua điện trở là: 

A. 0,4A            B. 0,8A

C. 1,2A            D. 1,5A

Câu 7: Rơ – le điện từ trong mạch điện đóng vai trò gì?

A. Phát ra tiếng còi báo động khi có dòng điện quá lớn chạy qua mạch điện

B. Tự động đóng, ngắt, bảo vệ và điều khiển sự làm việc của mạch điện

C. Cung cấp điện cho mạch điện

D. Hút tất cả các vật làm bằng kim loại có trong mạch điện.

Câu 8: Khung dây của một động cơ điện 1 chiều quay được vì lý do nào dưới đây?

A. Khung dây bị nam châm hút

B. Khung dây bị nam châm đẩy

C. Hai cạnh đối diện của khung dây bị hai lực từ ngược chiều tác dụng

D. Hai cạnh đối diện của khung dây bị hai lực từ cùng chiều tác dụng        

Câu 9: Lựa chọn định nghĩa nào đúng nhất khi nói về nam châm điện?

A .Nam châm điện gồm 1 ống dây dẫn, trong đó có 1 lõi thép

B. Nam châm điện là 1 thanh thép được dòng điện làm nhiễm từ

C. Nam châm điện là 1 nam châm có từ tính mạnh hơn nam châm vĩnh cửu

D. Nam châm điện gồm 1 dây dẫn có dòng điện 1 chiều chạy qua trong đó có lõi sắt non.

Câu 10. Trường hợp nào sau đây dòng điện cảm ứng trong cuộn dây dẫn kín không đổi chiều:

Số đường sức từ xuyên qua tiết diện S của cuộn dây dẫn kín:

A. Đang tăng mà giảm

B. Đang giảm mà tăng

C. Đang tăng và tăng hơn nữa

D. Trường hợp A, B là đúng

B. TỰ LUẬN

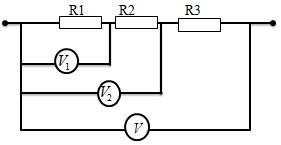
Câu 11. Trên hình 11, biết rằng R1, R2 = 2R1; R3 = 3R1. Các vôn kế có điện trở vô cùng lớn, biết vôn kế V chỉ 12V. Hãy cho biết chỉ số của các vôn kế còn lại?

 

Câu 12. Cho mạch điện như hình vẽ: R2 = 2R1; R3 = 3R1.Vôn kế V2 chỉ 6V. điện trở vôn kế rất lớn. tìm chỉ số của vôn kế V1  và V

Lời giải chi tiết

1. C

2. B

3. B

4. B

5. C

6. D

7. B

8. C

9. D

10. C

Câu 1 : Chọn C

Công thức tính điện trở tương đương của hai điện trở song song là 1/ R = 1/ R1 +1/R2

Câu 2: Chọn B

Điện trở của 1 dây dẫn là R = pl/S

Vậy với các dây dẫn có cùng kích thước thì p của chất nào làm dây nào nhỏ thì giá trị điện trở của dây đó càng nhỏ

Dây bạc có điện trở bé nhất, dây sắt có điện trở lớn nhất.

Câu 3 : Chọn B

Điện trở của mạch là R = U/I = 12/1 = 12 Ω

Vì 2 điện trở mắc nối tiếp nên R = R1 + R2 => R2 = R – R1 = 12 –  8 = 4 Ω

Câu 4 : Chọn B

Cường độ dòng điện là I = U1 / R1 = 4,5/3 = 1,5A

Điện trở của mạch là R = R1 + R2 = 9 Ω

Vậy hiệu điện thế giữa hai đầu mạch là U = I.R = 1,5.9 = 13,5

Hiệu điện thế hai đầu R2 là U2 = U – U1 = 13,5 – 4,5 = 9V

Câu 5 : Chọn C

Công suất tiêu thụ P = U2/R. Vì U bằng nhau và R1 = 2R2 nên P1 = P2/2

Câu 6 : Chọn D

Sử dụng công thức của định luật Ôm và các công thức

=>Từ định luật Ôm để tính toán, cần lưu ý trong việc đổi đơn vị về đơn vị hợp pháp.

Câu 7 : Chọn B

Rơ – le điện từ trong mạch điện đóng vai trò tự động đóng, ngắt, bảo vệ và điều khiển sự làm việc của mạch điện.

Câu 8 : Chọn C

Khung dây của một động cơ điện 1 chiều quay được vì hai cạnh đối diện của khung dây bị hai lực từ ngược chiều tác dụng.

Câu 9 : Chọn D

Định nghĩa nam châm điện: Nam châm điện gồm 1 dây dẫn có dòng điện 1 chiều chạy qua trong đó có lõi sắt non.

Câu 10 : Chọn C

Số đường sức từ xuyên qua tiết diện S của cuộn dây dẫn kín đang tăng và tăng hơn nữa =>Trường hợp này dòng điện cảm ứng có xuất hiện nhưng dòng điện không đổi chiều.

Câu 11 :

Theo tính chất mạch nối tiếp U2 = 2U1; U3 = 2U1

=>U = U1 + 2U1 + 3U3 = 6U1

=>U1 = U/6 = 12/6 = 2V

U2 = 2U1 = 4V

U3=3U1 = 6V

Câu 12 :

Điện trở R12 = R2 + 2R1 = 3R1

Điện trở R= R1 + 2R1 + 3R3= 6R1

Cường độ dòng điện trong mạch:

\(I = \dfrac{{{U_2}}}{{3{R_1}}}\)

Số chỉ vôn kế V1

\({U_1} = I.{R_1} = \dfrac{{{U_2}}}{{3{R_1}}}.{R_1} = \dfrac{{{U_2}}}{3} = \dfrac{6}{3} \)\(\,= 2\,\,V\)

Số chỉ vôn kế V : \(U = I.R = \dfrac{{{U_2}}}{{3{R_1}}}.6{R_1} = 2{U_2} = 12\,\,V\)

Webgiaibaitap.com

TẢI APP ĐỂ XEM OFFLINE

CHƯƠNG I. ĐIỆN HỌC