Đề kiểm tra 45 phút (1 tiết) – Đề số 1 – Chương 1 – Vật lí 9

Giải Đề kiểm tra 45 phút (1 tiết) – Đề số 1 – Chương 1 – Vật lí 9

Đề bài

Câu 1. Trên hình vẽ là đồ thị biểu diễn sự phụ thuộc của cường độ dòng điện vào hiệu điện thế đối với 3 dây dẫn khác nhau. Dựa vào độ thị cho biết điện trở R3 có giá trị là bao nhiêu?

A. R3 = 240Ω             B. R3  = 120Ω

C. R3  = 400Ω            D. R3  = 600Ω

Câu 2. Câu phát biểu nào sau đây là đúng?

Đối với mạch điện gồm các điện trở mắc song song thì

A. cường độ dòng điện qua các điện trở là như nhau.

B. hiệu điện thế giữa hai đầu mỗi điện trở bằng nhau

C. hiệu điện thế hai đầu mạch bằng tổng hiệu điện thế ở hai đầu mỗi điện trở         

D. điện trở tương đương của  mạch bằng tổng các điện trở thành phần

Câu 3. Hai dây dẫn bằng đồng có cùng chiều dài, 1 dây có tiết diện S1 và điện trở 4Ω. Dây kia có tiết diện S2 và điện trở 12Ω. Tỷ số \(\dfrac{{{S_1}}}{{{S_2}}}\) bằng 

A. \(\dfrac{{{1}}}{{{2}}}\)                         B. 2

C. \(\dfrac{{{1}}}{{{3}}}\)                         D. 3

Câu 4. Khi đặt hiệu điện thế 6V vào hai đầu 1 cuộn dây thì dòng điện qua nó có cường độ là 0,3A. biết rằng dây dẫn loại này nếu dài 4m thì có điện trở là 2Ω. Vậy chiều dài của dây dẫn dùng để cuốn cuộn dây này là bao nhiêu?

A. 20m                       B. 30m

C. 40m                       D. 50m

Câu 5. Một đoạn mach có điện trở R được mắc vào hiệu điện thế U thì dòng điện chạy qua nó có cường độ I và công suất điện của nó là P. Điện năng mà đoạn mạch này tiêu thụ trong thời gian t là:

A. A = R.I.t               B. A = P.t/R 

C. A = U.I.t               D. A = P2/R

Câu 6. Điện trở tương đương của đoạn mạch gồm hai điện trở R1 = 3Ω; R2 = 12Ω mắc song song là

A. 36Ω                      B. 15Ω 

C. 4Ω                        D. 2,4Ω

Câu 7: trên một bóng đèn có nghi 6V-3W, cường độ dòng điện qua bóng khi nó sáng bình thường là bao nhiêu?

A. 0,5A                      B. 2A 

C. 18A                       D. 12A

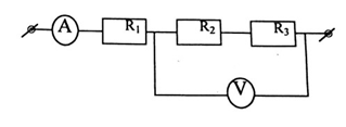
Câu 8: Cho mạch điện như hình vẽ biết A chỉ 1A, V chỉ 12V, R2 = R3 = 2R1. Giá trị các điện trở mạch là:

 

A. R1 = 5 Ω; R2 = R3 = 10 Ω 

B. R1 = 4 Ω; R2 = R3 = 8 Ω 

C. R1 = 3 Ω; R2 = R3 = 6 Ω 

D. R1 = 2 Ω; R2 = R3 = 4 Ω 

Câu 9: Khi nói về biến trở trong một mạch điện có hiệu điện thế không đổi, câu phát biểu nào sau đây là đúng?

Trong một mạch điện có hiệu điện thế không đổi

A. biến trở dùng để thay đổi chiều dòng điện

B. biến trở dùng để thay đổi cường độ dòng điện

C. biến trở được mắc song song với mạch điện

D. biến trở dùng để thay đổi hiệu điện thế

Câu 10. Điện trở của bếp điện làm bằng nikelin R = 48,5 Ω. Bếp được sử dụng ở hiệu điện thế U = 220V. công suất tiêu thụ của bếp điện gần đúng nhất là:

A. 99,79W                 B. 9,979W

C. 997,9W                 D. 0,9979W

Câu 11. Một bàn là được sử dụng với đúng hiệu điện thế định mức,  trong 15 phút thì tiêu thụ một lượng điện năng 720KJ. Công suất của bàn là là bao nhiêu?

A. P = 800W              B. P = 800kW

C. P = 800J                D. P = 800N

Câu 12. Có 4 điện trở R1 = 15Ω ; R2 = 25Ω; R3 = 20Ω; R4 = 30Ω. Mắc 4 điện trở này nối tiếp với nhau rồi đặt vào hai đầu đoạn mạch hiệu điện thế U=90V. Cường độ dòng điện trong mạch là

A. I = 2A            B. I = 1,5A                 

C. I = 1A            D. I = 4,5A

Câu 13. Sử dụng hiệu điện thế nào dưới đây có thể gây nguy hiểm với cơ thể người

A. 6V                B. 12V

C. 39V              D. 220V

Câu 14. Định luật Jun – lenxơ cho biết điện năng biến đổi thành :

A. Cơ năng

B. Hóa năng               

C. Năng lượng ánh sáng 

D. Nhiệt năng

Câu 15. Trong kĩ thuật đơn vị công suất còn được tính bằng

A. kJ                            B. kW

C. W/h                         D.W/s

Câu 16. Khi đặt vào hai đầu dây dẫn một hiệu điện thế 12V thì cường độ dòng điện chạy qua nó là 0,5 A. Nếu hiệu điện thế đặt vào điện trở đó là 36V thì cường độ dòng điện chạy trong dây dẫn là bao nhiêu?

A. I = 1,0 A          B. I = 1,5 A

C. I = 2 A             D. I = 2,5 A

Câu 17: Một bóng đèn có ghi 220V-75W. Công suất điện của bóng đèn băng 75 W nếu bóng đèn được mắc vào hiệu điện thế

A. Nhỏ hơn 220V                              

B. Bằng 220V                        

C. Lớn hơn hoặc bằng 220V             

D. Bất kì

Câu 18: Một động cơ làm việc ở hiệu điện thế 220V, dòng điện chạy qua động cơ là 3A. Hiệu suất của động cơ là 85% . Công có ích mà động cơ đã thực hiện được trong thời gian 1h là bao nhiêu ?

A. 2190,6kJ          B. 2109,6kJ                

C. 2019,6kJ          D. 2106,9kJ

Câu 19: Phát biểu nào đúng nhất khi nói về điện năng

A. Điện năng là năng lượng của dòng điện

B. Điện năng là công của dòng điện sinh ra

C. Điện năng là nhiệt mà dòng điện tỏa ra trên dây dẫn

D. Điện năng chỉ năng lượng chuyển hóa thành dạng khác của năng lượng

Câu 20. Lựa chọn từ thích hợp điền vào chỗ trống:

Dòng điện có … vì có thể thực hiện công và cung cấp nhiệt lượng

A. Năng lượng           B. Điện thế

C. Điện tích                D. Điện lượng

Lời giải chi tiết

1. A

2. B

3. D

4. C

5. C

6. D

7. A

8. C

9. B

10.C

11. A

12. C

13. D

14. D

15. B

16. B

17. B

18. C

19. A

20. A

Câu 1: Chọn A

\({R_3} = \dfrac{{12}}{{0,05}} = 240\,\,\Omega \)

– Ta thấy góc tạo bởi giữa đường biểu diễn mối quan hệ U, I với trục hoành càng lớn thì điện trở càng nhỏ.

– Vận dụng công thức \(R = \dfrac{U}{I}\) và đổi các đơn vị cường độ dòng điện về ampe ta dễ dàng tính được giá trị của các điện trở .

 Câu 2: Chọn B

Đối với mạch điện gồm các điện trở mắc song song thì hiệu điện thế giữa hai đầu mỗi điện trở bằng nhau

Câu 3:  Chọn D

Điện trở tỉ lệ nghịch với tiết diện nên \(\dfrac{{{R_2}} }{ {{R_1}}} =\dfrac {{{S_1}} }{ {{S_2}}} = 3\)

Câu 4: Chọn C

Điện trở dây \(R = \dfrac{U}{I} = \dfrac{6}{{0,3}} = 20\,\Omega \)

Chiều dài của dây dẫn: 

\(l = \dfrac{{20.4}}{2} = 40\,\,m\)

 Câu 5: Chọn C

Điện năng mà đoạn mạch này tiêu thụ \(A = U.I.t\)

Câu 6: Chọn D

Điện trở tương đương:

\(R_{td}=\dfrac{{{R_1}{R_2}} }{ {{R_1} + {R_2}}} = \dfrac{{3.12} }{ {3 + 12}} = 2,4\Omega \)

Câu 7: Chọn A

Cường độ dòng điện :

\(I = \dfrac{P}{U} = \dfrac{3}{6} = 0,5\,A\)

Câu 8: Chọn C

Điện trở: \({R_2} + {R_3} = \dfrac{U}{I} = \dfrac{{12}}{1} = 12\,\,\Omega \)

Vậy \({R_2} = {R_3} = \dfrac{{12}}{2} = 6\,\,\Omega \)

Vì \({R_2} = 2{R_1} \Rightarrow {R_1} = \dfrac{6}{2} = 3\,\,\Omega \)

Câu 9: Chọn B

Trong một mạch điện có hiệu điện thế không đổi biến trở dùng để thay đổi cường độ dòng điện.

Câu 10: Chọn C

\(P = \dfrac{{{U^2}}}{R} = \dfrac{{{{220}^2}}}{{48,5}} = 997,9\;W\)

Câu 11: Chọn A

Công suất bàn là:

\(P = \dfrac{A}{t} = \dfrac{{720000}}{{15.60}} = 800\;W\)

 Câu 12: Chọn C

Điện trở đoạn mach:

\(R = {R_1} + {R_2} + {R_3} + {R_4} \)\(\;= 15 + 25 + 20 + 30 = 90\Omega .\)

Cường độ dòng điện:

\(I = \dfrac{U}{R} = \dfrac{{90}}{{90}} = 1\,A\)

Câu 13: Chọn D

Hiệu điện thế gây nguy hiểm là :

\(U ≥ 40V\). Vậy kết quả là D: 220V

Câu 14: Chọn D

Định luật Jun – lenxơ cho biết điện năng biến đổi thành nhiệt năng.

Câu 15: Chọn B

Trong kĩ thuật đơn vị công suất còn được tính bằng kW = 1000W

Câu 16: Chọn B

Điện trở dây dẫn:

\(R = \dfrac{U}{I} = \dfrac{{12}}{{0,5}} = 24\,\Omega \)

Cường độ dòng điện:

\(I’ = \dfrac{{U’}}{R} = \dfrac{{36}}{{24}} = 1,5\,A\)

Câu 17: Chọn B

Công suất điện của bóng đèn 75W nếu bóng đèn được mắc vào hiệu điện thế 220V

Câu 18: Chọn C

Công toàn phần mà động cơ sinh ra Atp = U.I.t = 220.3.3600 = 2376 kJ.

Công có ích mà động cơ sinh ra A = 85%.Atp = 0,8.2376 = 2019.6 Kj

Câu 19: Chọn A

Điện năng là năng lượng của dòng điện

Câu 20: Chọn A

Dòng điện có năng lượng vì có thể thực hiện công và cung cấp nhiệt lượng.

Webgiaibaitap.com

TẢI APP ĐỂ XEM OFFLINE

CHƯƠNG I. ĐIỆN HỌC