• Lớp 12
    HỌC NGAY
    Môn Toán học Lớp 12
    SGK Toán lớp 12 SGK Toán 12 Nâng cao SBT Toán lớp 12 SBT Toán lớp 12 Nâng cao Đề thi, đề kiểm tra Toán lớp 12 SGK Toán – Kết nối tri thức SGK Toán – Chân trời sáng tạo SGK Toán – Cánh diều
    Môn Ngữ văn Lớp 12
    Soạn văn 12 siêu ngắn Soạn văn 12 chi tiết Tác giả – Tác phẩm lớp 12 Văn mẫu 12 Luyện dạng đọc hiểu Đề thi, đề kiểm tra Ngữ Văn 12 mới Bài tập trắc nghiệm Văn 12 Soạn văn – Kết nối tri thức Soạn văn – Cánh diều Xem thêm
    Môn Tiếng Anh Lớp 12
    Bài tập trắc nghiệm Tiếng Anh 12 mới Bài tập trắc nghiệm Tiếng Anh 12 Đề thi, đề kiểm tra Tiếng Anh 12 mới Tiếng Anh – Global Success Tiếng Anh – Friends Global Tiếng Anh – iLearn Smart World Tiếng Anh – Bright Tiếng Anh – English Discovery SGK Tiếng Anh 12 Mới Xem thêm
    Môn Vật lí Lớp 12
    SGK Vật lí lớp 12 SGK Vật lí lớp 12 Nâng cao SBT Vật lí lớp 12 Bài tập trắc nghiệm Lí 12 Đề thi, kiểm tra Lí lớp 12 SGK Vật Lí – Kết nối tri thức SGK Vật Lí – Cánh diều SGK Vật Lí – Chân trời sáng tạo
    Môn Hóa học Lớp 12
    SGK Hóa lớp 12 SGK Hóa học lớp 12 Nâng cao SBT Hóa lớp 12 Bài tập trắc nghiệm Hóa 12 Đề thi, đề kiểm tra Hóa lớp 12 SGK Hóa – Kết nối tri thức SGK Hóa – Cánh diều SGK Hóa – Chân trời sáng tạo
    Môn Sinh học Lớp 12
    SGK Sinh lớp 12 SGK Sinh lớp 12 Nâng cao SBT Sinh lớp 12 Bài tập trắc nghiệm Sinh 12 Đề thi, đề kiểm tra Sinh lớp 12 SGK Sinh – Kết nối tri thức SGK Sinh – Cánh diều SGK Sinh – Chân trời sáng tạo
    Môn Lịch sử Lớp 12
    Tập bản đồ Lịch sử lớp 12 Đề thi, đề kiểm tra Lịch sử 12 SGK Lịch sử lớp 12 SBT Lịch sử lớp 12
    Môn Địa lí Lớp 12
    SGK Địa lí lớp 12 SBT Địa lí lớp 12 Tập bản đồ Địa lí lớp 12 Đề thi, kiểm tra Địa lí lớp 12
    Môn GDCD Lớp 12
    SGK GDCD
    Môn Công nghệ Lớp 12
    SGK Công nghệ 12
    Môn Tin học Lớp 12
    SGK Tin học lớp 12
  • Lớp 11
    HỌC NGAY
    Môn Toán học Lớp 11
    SGK Toán – Kết nối tri thức SGK Toán – Cánh diều SGK Toán – Chân trời sáng tạo SGK Toán 11 – Cùng khám phá Chuyên đề học tập Toán – Kết nối tri thức Chuyên đề học tập Toán – Cánh diều Chuyên đề học tập Toán – Chân trời sáng tạo SBT Toán – Kết nối tri thức SBT Toán – Cánh diều Xem thêm
    Môn Ngữ văn Lớp 11
    Văn mẫu – Kết nối tri thức Văn mẫu – Cánh diều Văn mẫu – Chân trời sáng tạo Đề thi, đề kiểm tra Văn – Kết nối tri thức Đề thi, đề kiểm tra Văn – Cánh diều Đề thi, đề kiểm tra Văn – Chân trời sáng tạo Tóm tắt, bố cục Văn – Kết nối tri thức Tóm tắt, bố cục Văn – Cánh diều Tóm tắt, bố cục Văn – Chân trời sáng tạo Xem thêm
    Môn Tiếng Anh Lớp 11
    Đề thi, đề kiểm tra Tiếng Anh – Friends Global Đề thi, đề kiểm tra Tiếng Anh – iLearn Smart World Đề thi, đề kiểm tra Tiếng Anh – Bright Đề thi, đề kiểm tra Tiếng Anh – English Discovery SBT Tiếng Anh lớp 11 mới Đề thi, đề kiểm tra Tiếng Anh 11 mới Lý thuyết Tiếng Anh 11 Bài tập trắc nghiệm Tiếng Anh – Friends Global Bài tập trắc nghiệm Tiếng Anh – iLearn Smart World Xem thêm
    Môn Vật lí Lớp 11
    Bài tập trắc nghiệm Lí – Cánh diều Bài tập trắc nghiệm Lí – Chân trời sáng tạo SGK Vật Lí – Kết nối tri thức SGK Vật Lí – Cánh diều SGK Vật Lí – Chân trời sáng tạo Chuyên đề học tập Lí – Kết nối tri thức Chuyên đề học tập Lí – Cánh diều Chuyên đề học tập Lí – Chân trời sáng tạo SBT Vật lí – Kết nối tri thức Xem thêm
    Môn Hóa học Lớp 11
    Bài tập trắc nghiệm Hóa – Cánh diều Bài tập trắc nghiệm Hóa – Chân trời sáng tạo SBT Hóa – Chân trời sáng tạo Lý thuyết Hóa 11 Đề thi, kiểm tra Hóa – Kết nối tri thức Đề thi, kiểm tra Hóa – Cánh diều Đề thi, kiểm tra Hóa – Chân trời sáng tạo Bài tập trắc nghiệm Hóa – Kết nối tri thức SGK Hóa học – Kết nối tri thức Xem thêm
    Môn Sinh học Lớp 11
    Bài tập trắc nghiệm Sinh – Cánh diều Bài tập trắc nghiệm Sinh – Chân trời sáng tạo SGK Sinh – Kết nối tri thức SGK Sinh – Cánh diều SGK Sinh – Chân trời sáng tạo Chuyên đề học tập Sinh – Kết nối tri thức Chuyên đề học tập Sinh – Cánh diều Chuyên đề học tập Sinh – Chân trời sáng tạo SBT Sinh – Kết nối tri thức Xem thêm
    Môn Lịch sử Lớp 11
    SGK Lịch sử – Kết nối tri thức SGK Lịch sử – Chân trời sáng tạo SGK Lịch sử – Cánh diều Đề thi, kiểm tra Lịch sử lớp 11
    Môn Địa lí Lớp 11
    SGK Địa lí – Kết nối tri thức SGK Địa lí – Chân trời sáng tạo Đề thi, kiểm tra Địa lí lớp 11 SGK Địa lí – Cánh diều
    Môn Công nghệ Lớp 11
    SGK Công nghệ – Kết nối tri thức SGK Công nghệ – Cánh diều
    Môn Tin học Lớp 11
    SGK Tin học – Kết nối tri thức SGK Tin học – Cánh diều
    Môn GD kinh tế và pháp luật Lớp 11
    SGK Giáo dục kinh tế và pháp luật – Kết nối tri thức SGK Giáo dục kinh tế và pháp luật – Chân trời sáng tạo SGK Giáo dục kinh tế và pháp luật – Cánh diều
    Môn HĐ trải nghiệm, hướng nghiệp Lớp 11
    SGK Hoạt động trải nghiệm, hướng nghiệp – Kết nối tri thức SGK Hoạt động trải nghiệm, hướng nghiệp – Cánh diều SGK Hoạt động trải nghiệm, hướng nghiệp – Chân trời sáng tạo Bản 1 SGK Hoạt động trải nghiệm, hướng nghiệp – Chân trời sáng tạo Bản 2
    Môn Giáo dục thể chất Lớp 11
    SGK Giáo dục thể chất – Kết nối tri thức SGK Giáo dục thể chất – Cánh diều
    Môn GD Quốc phòng và An ninh Lớp 11
    SGK Giáo dục quốc phòng và an ninh – Kết nối tri thức SGK Giáo dục quốc phòng và an ninh – Cánh diều
  • Lớp 10
    HỌC NGAY
    Môn Toán học Lớp 10
    SBT Toán – Chân trời sáng tạo SBT Toán – Cánh diều Chuyên đề học tập Toán – Kết nối tri thức Chuyên đề học tập Toán – Chân trời sáng tạo Chuyên đề học tập Toán – Cánh diều Đề thi, đề kiểm tra Toán – Kết nối tri thức Đề thi, đề kiểm tra Toán – Chân trời sáng tạo Đề thi, đề kiểm tra Toán – Cánh diều Lý thuyết Toán 10 Xem thêm
    Môn Ngữ văn Lớp 10
    Chuyên đề học tập Văn – Chân trời sáng tạo Chuyên đề học tập Văn – Cánh diều Soạn văn – Kết nối tri thức – siêu ngắn Đề thi, đề kiểm tra Văn – Kết nối tri thức Soạn văn – Kết nối tri thức – chi tiết Đề thi, đề kiểm tra Văn – Cánh diều Soạn văn – Chân trời sáng tạo – siêu ngắn Đề thi, đề kiểm tra Văn – Chân trời sáng tạo Soạn văn – Chân trời sáng tạo – chi tiết Xem thêm
    Môn Tiếng Anh Lớp 10
    Đề thi, đề kiểm tra Tiếng Anh – Global Success Đề thi, đề kiểm tra Tiếng Anh – Friends Global Tiếng Anh – Global Success Đề thi, đề kiểm tra Tiếng Anh – iLearn Smart World Tiếng Anh – Friends Global Đề thi, đề kiểm tra Tiếng Anh – Bright Tiếng Anh – iLearn Smart World Đề thi, đề kiểm tra Tiếng Anh – English Discovery Tiếng Anh – English Discovery Xem thêm
    Môn Vật lí Lớp 10
    Chuyên đề học tập Lí – Chân trời sáng tạo Lý thuyết Vật lí 10 SBT Vật lí – Chân trời sáng tạo SBT Vật lí – Cánh diều Bài tập trắc nghiệm Lí – Kết nối tri thức Bài tập trắc nghiệm Lí – Chân trời sáng tạo Bài tập trắc nghiệm Lí – Cánh diều Đề thi, đề kiểm tra Vật lí – Chân trời sáng tạo Đề thi, đề kiểm tra Vật lí – Kết nối tri thức Xem thêm
    Môn Hóa học Lớp 10
    Đề thi, kiểm tra Hóa – Cánh diều Lý thuyết Hóa 10 SGK Hóa – Kết nối tri thức SGK Hóa – Chân trời sáng tạo SGK Hóa – Cánh diều SBT Hóa – Kết nối tri thức SBT Hóa – Chân trời sáng tạo SBT Hóa 10 – Cánh diều Chuyên đề học tập Hóa – Kết nối tri thức Xem thêm
    Môn Sinh học Lớp 10
    Lý thuyết Sinh 10 SBT Sinh – Chân trời sáng tạo SBT Sinh – Cánh diều Chuyên đề học tập Sinh – Kết nối tri thức Chuyên đề học tập Sinh – Chân trời sáng tạo Bài tập trắc nghiệm Sinh – Kết nối tri thức Bài tập trắc nghiệm Sinh – Chân trời sáng tạo Bài tập trắc nghiệm Sinh – Cánh diều Đề thi, kiểm tra Sinh – Kết nối tri thức Xem thêm
    Môn Lịch sử Lớp 10
    SGK Lịch sử – Kết nối tri thức SGK Lịch sử – Chân trời sáng tạo SGK Lịch sử – Cánh Diều SBT Lịch sử – Kết nối tri thức SBT Lịch sử – Chân trời sáng tạo SBT Lịch sử – Cánh Diều Chuyên đề học tập Lịch sử – Kết nối tri thức Đề thi, đề kiểm tra Lịch sử – Kết nối tri thức Đề thi, đề kiểm tra Lịch sử lớp 10 – Chân trời sáng tạo Xem thêm
    Môn Địa lí Lớp 10
    SGK Địa lí – Kết nối tri thức SGK Địa lí – Cánh Diều SGK Địa lí – Chân trời sáng tạo SBT Địa lí – Kết nối tri thức SBT Địa lí – Chân trời sáng tạo Đề thi, đề kiểm tra Địa lí – Kết nối tri thức Đề thi, đề kiểm tra Địa lí lớp 10 – Chân trời sáng tạo Đề thi, đề kiểm tra Địa lí – Kết nối tri thức
    Môn GDCD Lớp 10
    SGK Giáo dục kinh tế và pháp luật – KNTT SGK Giáo dục kinh tế và pháp luật – CTST SGK Giáo dục kinh tế và pháp luật – Cánh diều
    Môn Công nghệ Lớp 10
    SGK Công nghệ – Kết nối tri thức SGK Công nghệ – Cánh diều
    Môn Tin học Lớp 10
    SGK Tin học – Kết nối tri thức SGK Tin học – Cánh Diều SBT Tin học – Kết nối tri thức
    Môn HĐ trải nghiệm, hướng nghiệp Lớp 10
    SGK Hoạt động trải nghiệm, hướng nghiệp – Kết nối tri thức SGK Hoạt động trải nghiệm, hướng nghiệp – Chân trời sáng tạo SGK Hoạt động trải nghiệm, hướng nghiệp – Cánh Diều
    Môn Giáo dục thể chất Lớp 10
    SGK Giáo dục thể chất – Kết nối tri thức SGK Giáo dục thể chất – Cánh diều
    Môn GD Quốc phòng và An ninh Lớp 10
    SGK Giáo dục quốc phòng và an ninh – Kết nối tri thức SGK Giáo dục quốc phòng và an ninh – Cánh diều
  • Lớp 9
    HỌC NGAY
    Môn Toán học Lớp 9
    SGK Toán lớp 9 SBT Toán lớp 9 Vở bài tập Toán 9 Bài tập trắc nghiệm Toán 9 Tài liệu Dạy – học Toán 9 Đề thi, đề kiểm tra Toán lớp 9 Đề thi vào 10 môn Toán SGK Toán – Kết nối tri thức SGK Toán – Chân trời sáng tạo Xem thêm
    Môn Ngữ văn Lớp 9
    Soạn văn 9 siêu ngắn Soạn văn 9 chi tiết Tác giả – Tác phẩm văn 9 Văn mẫu lớp 9 Vở bài tập Ngữ văn lớp 9 Bài tập trắc nghiệm Văn 9 Đề thi vào 10 môn Văn Đề thi, đề kiểm tra Văn 9 Soạn văn – Kết nối tri thức Xem thêm
    Môn Tiếng Anh Lớp 9
    Tiếng Anh – Friends Plus Tiếng Anh – iLearn Smart World Tiếng Anh – Right on! Tiếng Anh – English Discovery SGK Tiếng Anh lớp 9 Mới SGK Tiếng Anh lớp 9 SBT Tiếng Anh lớp 9 mới Vở bài tập Tiếng Anh 9 Bài tập trắc nghiệm Tiếng Anh 9 mới Xem thêm
    Môn Vật lí Lớp 9
    SGK Vật lí lớp 9 SBT Vật lí lớp 9 Vở bài tập Vật lí 9 Bài tập trắc nghiệm Lí 9 Tài liệu Dạy – Học Vật lí 9 Đề thi, kiểm tra Lí lớp 9
    Môn Hóa học Lớp 9
    SGK Hóa lớp 9 SBT Hóa lớp 9 Vở bài tập Hoá học 9 Bài tập trắc nghiệm Hóa 9 Tài liệu Dạy – học Hóa học 9 Đề thi, đề kiểm tra Hóa lớp 9
    Môn Sinh học Lớp 9
    SGK Sinh lớp 9 SBT Sinh lớp 9 Vở bài tập Sinh học 9 Đề thi, đề kiểm tra Sinh lớp 9 Bài tập trắc nghiệm Sinh 9 Đề thi, đề kiểm tra Sinh lớp 9
    Môn Lịch sử Lớp 9
    SGK Lịch sử lớp 9 VBT Lịch sử lớp 9 Tập bản đồ Lịch sử lớp 9 SBT Lịch sử lớp 9 Đề thi, kiểm tra Lịch sử lớp 9
    Môn Địa lí Lớp 9
    Đề thi, kiểm tra Địa lí lớp 9 SGK Địa lí lớp 9 SBT Địa lí lớp 9 VBT Địa lí lớp 9 Tập bản đồ Địa lí lớp 9
    Môn GDCD Lớp 9
    SGK GDCD lớp 9 Bài tập tình huống GDCD 9
    Môn Công nghệ Lớp 9
    SGK Công nghệ 9
    Môn Tin học Lớp 9
    SGK Tin học lớp 9
    Môn Khoa học tự nhiên Lớp 9
    SGK Khoa học tự nhiên – Cánh diều SGK Khoa học tự nhiên – Chân trời sáng tạo SGK Khoa học tự nhiên – Kết nối tri thức
    Môn Âm nhạc và mỹ thuật Lớp 9
    Âm nhạc và mỹ thuật lớp 9
  • Lớp 8
    HỌC NGAY
    Môn Toán học Lớp 8
    Bài tập trắc nghiệm Toán – Cánh diều SGK Toán – Kết nối tri thức SGK Toán – Chân trời sáng tạo SGK Toán – Cánh diều SGK Toán 8 – Cùng khám phá SBT Toán – Kết nối tri thức SBT Toán – Chân trời sáng tạo SBT Toán – Cánh diều Vở thực hành Toán Xem thêm
    Môn Ngữ văn Lớp 8
    Bài tập trắc nghiệm Văn – Chân trời sáng tạo Văn mẫu – Kết nối tri thức Soạn văn chi tiết – KNTT Văn mẫu – Chân trời sáng tạo Soạn văn siêu ngắn – KNTT Văn mẫu – Cánh Diều Soạn văn chi tiết – CTST Đề thi, đề kiểm tra Văn – Kết nối tri thức Soạn văn siêu ngắn – CTST Xem thêm
    Môn Tiếng Anh Lớp 8
    Đề thi, đề kiểm tra Tiếng Anh – Friends Plus Đề thi, đề kiểm tra Tiếng Anh – iLearn Smart World Đề thi, đề kiểm tra Tiếng Anh – Right on! Đề thi, đề kiểm tra Tiếng Anh – English Discovery Đề thi, đề kiểm tra Tiếng Anh 8 mới Lý thuyết Tiếng Anh 8 Tiếng Anh – Global Success Tiếng Anh – Friends Plus Tiếng Anh – iLearn Smart World Xem thêm
    Môn GDCD Lớp 8
    Giáo dục công dân – Kết nối tri thức Giáo dục công dân – Chân trời sáng tạo Giáo dục công dân – Cánh diều
    Môn Công nghệ Lớp 8
    SGK Công nghệ – Kết nối tri thức SGK Công nghệ – Chân trời sáng tạo SGK Công nghệ – Cánh diều
    Môn HĐ trải nghiệm, hướng nghiệp Lớp 8
    SGK Hoạt động trải nghiệm, hướng nghiệp – Kết nối tri thức SGK Hoạt động trải nghiệm, hướng nghiệp – Cánh diều SGK Hoạt động trải nghiệm, hướng nghiệp – Chân trời sáng tạo Bản 1 SGK Hoạt động trải nghiệm, hướng nghiệp – Chân trời sáng tạo Bản 2
    Môn Giáo dục thể chất Lớp 8
    SGK Giáo dục thể chất – Kết nối tri thức SGK Giáo dục thể chất – Cánh diều SGK Giáo dục thể chất – Chân trời sáng tạo
    Môn Khoa học tự nhiên Lớp 8
    SGK Khoa học tự nhiên – Kết nối tri thức SGK Khoa học tự nhiên – Cánh diều SBT KHTN – Kết nối tri thức SBT KHTN – Cánh diều Vở thực hành Khoa học tự nhiên Đề thi, đề kiểm tra KHTN – Kết nối tri thức Đề thi, đề kiểm tra KHTN – Cánh diều Lý thuyết Khoa học tự nhiên 8 Bài tập trắc nghiệm Khoa học tự nhiên – Kết nối tri thức Xem thêm
    Môn Lịch sử và Địa lí Lớp 8
    SGK Lịch sử và Địa lí – Kết nối tri thức SGK Lịch sử và Địa lí – Cánh diều SGK Lịch sử và Địa lí – Chân trời sáng tạo Đề thi, kiểm tra Lịch Sử và Địa lí – Kết nối tri thức Đề thi, kiểm tra Lịch sử và Địa lí – Chân trời sáng tạo Đề thi, kiểm tra Lịch Sử và Địa lí – Cánh diều
    Môn Âm nhạc Lớp 8
    SGK Âm nhạc – Kết nối tri thức SGK Âm nhạc – Chân trời sáng tạo SGK Âm nhạc – Cánh diều
    Môn Mỹ thuật Lớp 8
    SGK Mĩ thuật – Kết nối tri thức SGK Mĩ thuật – Chân trời sáng tạo bản 1 SGK Mĩ thuật – Cánh diều SGK Mĩ thuật – Chân trời sáng tạo bản 2
  • Lớp 7
    HỌC NGAY
    Môn Toán học Lớp 7
    Vở thực hành SGK Toán – Kết nối tri thức SGK Toán – Chân trời sáng tạo SGK Toán – Cánh diều SBT Toán – Kết nối tri thức SBT Toán – Chân trời sáng tạo SBT Toán – Cánh diều Bài tập trắc nghiệm Toán – Kết nối tri thức Bài tập trắc nghiệm Toán – Chân trời sáng tạo Xem thêm
    Môn Ngữ văn Lớp 7
    Đề thi, đề kiểm tra Văn – Chân trời sáng tạo Đề thi, đề kiểm tra Văn – Cánh diều Bài tập trắc nghiệm Văn – Kết nối tri thức Bài tập trắc nghiệm Văn – Chân trời sáng tạo Bài tập trắc nghiệm Văn – Cánh diều Vở thực hành văn Lý thuyết Văn 7 SBT Văn – Chân trời sáng tạo Đề thi, đề kiểm tra Văn – Kết nối tri thức Xem thêm
    Môn Tiếng Anh Lớp 7
    Đề thi, đề kiểm tra Tiếng Anh – Friends Plus Đề thi, đề kiểm tra Tiếng Anh – iLearn Smart World Đề thi, đề kiểm tra Tiếng Anh – Right on! Đề thi, đề kiểm tra Tiếng Anh – English Discovery Lý thuyết Tiếng Anh 7 Bài tập trắc nghiệm Tiếng Anh – Friends Plus Bài tập trắc nghiệm Tiếng Anh – iLearn Smart World Đề thi, đề kiểm tra Tiếng Anh – Global Success Tiếng Anh – Global Success Xem thêm
    Môn GDCD Lớp 7
    SGK GDCD – KNTT SGK GDCD – CTST SGK GDCD – Cánh diều Bài tập tình huống GDCD 7
    Môn Công nghệ Lớp 7
    SGK Công nghệ – Kết nối tri thức SGK Công nghệ – Chân trời sáng tạo SGK Công nghệ – Cánh diều
    Môn Tin học Lớp 7
    SGK Tin học – Kết nối tri thức SGK Tin học – Cánh Diều SGK Tin học – Chân trời sáng tạo SBT Tin học – Kết nối tri thức
    Môn HĐ trải nghiệm, hướng nghiệp Lớp 7
    SGK Hoạt động trải nghiệm, hướng nghiệp – Kết nối tri thức SGK Hoạt động trải nghiệm, hướng nghiệp – Cánh Diều SGK Hoạt động trải nghiệm, hướng nghiệp – Chân trời sáng tạo
    Môn Khoa học tự nhiên Lớp 7
    SGK Khoa học tự nhiên – Kết nối tri thức SGK Khoa học tự nhiên – Chân trời sáng tạo SGK Khoa học tự nhiên – Cánh diều SBT KHTN – Kết nối tri thức SBT KHTN – Chân trời sáng tạo SBT KHTN – Cánh diều Bài tập trắc nghiệm Khoa học tự nhiên – Kết nối tri thức Bài tập trắc nghiệm Khoa học tự nhiên – Chân trời sáng tạo Bài tập trắc nghiệm Khoa học tự nhiên – Cánh diều Xem thêm
    Môn Lịch sử và Địa lí Lớp 7
    SGK Lịch sử và Địa lí – Kết nối tri thức SGK Lịch sử và Địa lí – Chân trời sáng tạo SGK Lịch sử và Địa lí – Cánh Diều SBT Lịch sử và Địa lí – Kết nối tri thức SBT Lịch sử và Địa lí – Chân trời sáng tạo SBT Lịch sử và Địa lí – Cánh diều Đề thi, kiểm tra Lịch sử và Địa lí lớp 7 – Kết nối tri thức Đề thi, kiểm tra Lịch sử và Địa lí lớp 7 – Chân trời sáng tạo
    Môn Âm nhạc Lớp 7
    Âm nhạc – Kết nối tri thức Âm nhạc – Chân trời sáng tạo Âm nhạc – Cánh diều
  • Lớp 6
    HỌC NGAY
    Môn Toán học Lớp 6
    Vở thực hành Toán 6 SGK Toán – Kết nối tri thức SGK Toán – Chân trời sáng tạo SGK Toán – Cánh diều SBT Toán – Kết nối tri thức SBT Toán – Chân trời sáng tạo SBT Toán – Cánh diều Bài tập trắc nghiệm Toán – Kết nối tri thức Bài tập trắc nghiệm Toán – Chân trời sáng tạo Xem thêm
    Môn Ngữ văn Lớp 6
    Vở thực hành văn Ôn tập hè Văn lớp 6 Đề thi, đề kiểm tra Văn – Cánh diều Đề thi, đề kiểm tra Văn – Chân trời sáng tạo Soạn văn siêu ngắn – KNTT Văn mẫu 6- Kết nối tri thức Soạn văn chi tiết – KNTT Văn mẫu 6 – Cánh diều Soạn văn siêu ngắn – CTST Xem thêm
    Môn Tiếng Anh Lớp 6
    Bài tập trắc nghiệm Tiếng Anh 6 – English Discovery Đề thi, đề kiểm tra Tiếng Anh – Global Success Đề thi, đề kiểm tra Tiếng Anh – Friends Plus Đề thi, đề kiểm tra Tiếng Anh – iLearn Smart World Đề thi, đề kiểm tra Tiếng Anh – Right on! Đề thi, đề kiểm tra Tiếng Anh – English Discovery Ôn tập hè Tiếng Anh lớp 6 Bài tập trắc nghiệm Tiếng Anh – Right on! Global Success (Pearson) Xem thêm
    Môn GDCD Lớp 6
    SGK GDCD – CTST SGK GDCD – Cánh Diều SBT GDCD – Kết nối tri thức SBT GDCD – Chân trời sáng tạo SBT GDCD – Cánh diều SGK GDCD – KNTT
    Môn Công nghệ Lớp 6
    Công nghệ – Kết nối tri thức Công nghệ – Cánh Diều Công nghệ – Chân trời sáng tạo SBT Công nghệ – Kết nối tri thức SBT Công nghệ – Cánh diều SBT Công nghệ – Chân trời sáng tạo
    Môn Tin học Lớp 6
    Tin học – Kết nối tri thức + chân trời sáng tạo Tin học – Cánh Diều SBT Tin học – Kết nối tri thức SBT Tin học – Cánh Diều
    Môn HĐ trải nghiệm, hướng nghiệp Lớp 6
    SGK Trải nghiệm, hướng nghiệp – Kết nối tri thức SGK Trải nghiệm, hướng nghiệp – Chân trời sáng tạo SGK Trải nghiệm, hướng nghiệp – Cánh diều SBT Trải nghiệm, hướng nghiệp – Kết nối tri thức SBT Trải nghiệm, hướng nghiệp – Chân trời sáng tạo Thực hành Trải nghiệm, hướng nghiệp – Cánh diều
    Môn Khoa học tự nhiên Lớp 6
    SGK KHTN – Kết nối tri thức SGK KHTN – Chân trời sáng tạo SGK KHTN – Cánh Diều SBT KHTN – Kết nối tri thức SBT KHTN – Chân trời sáng tạo SBT KHTN – Cánh Diều Bài tập trắc nghiệm Khoa học tự nhiên – Kết nối tri thức Bài tập trắc nghiệm Khoa học tự nhiên – Chân trời sáng tạo Bài tập trắc nghiệm Khoa học tự nhiên – Cánh diều Xem thêm
    Môn Lịch sử và Địa lí Lớp 6
    SGK Lịch sử và Địa lí – KNTT SGK Lịch sử và Địa lí – CTST SGK Lịch sử và Địa lí – Cánh Diều SBT Lịch sử và Địa lí – KNTT SBT Lịch sử và Địa lí – CTST SBT Lịch sử và Địa lí – Cánh diều Đề thi, kiểm tra Lịch sử và Địa lí – Kết nối tri thức Đề thi, kiểm tra Lịch sử và Địa lí – Cánh Diều Đề thi, kiểm tra Lịch sử và Địa lí – Chân trời sáng tạo
    Môn Âm nhạc Lớp 6
    Âm nhạc – Kết nối tri thức Âm nhạc – Cánh Diều Âm nhạc: Chân trời sáng tạo
    Môn Mỹ thuật Lớp 6
    Mĩ thuật – Kết nối tri thức Mĩ thuật – Chân trời sáng tạo Mĩ thuật – Cánh diều
  • Lớp 5
    HỌC NGAY
    Môn Toán học Lớp 5
    SGK Toán 5 – Bình Minh SGK Toán lớp 5 VNEN Toán lớp 5 Vở bài tập Toán 5 Bài tập cuối tuần Toán 5 Cùng em học toán lớp 5 Bài tập trắc nghiệm Toán 5 Đề thi, đề kiểm tra Toán lớp 5 Bài tập phát triển năng lực Toán lớp 5 Xem thêm
    Môn Tiếng Anh Lớp 5
    SGK Tiếng Anh lớp 5 Mới Đề thi vào lớp 6 môn Tiếng Anh Chứng chỉ Cambridge Pre A1 Starters SBT Tiếng Anh lớp 5 Đề thi, đề kiểm tra Tiếng Anh lớp 5 Tiếng Anh – Global Success Tiếng Anh – Family and Friends Tiếng Anh – iLearn Smart Start Tiếng Anh – Explore Our World
    Môn Tin học Lớp 5
    Hướng dẫn học tin học lớp 5 SBT HD học Tin học 5
    Môn Lịch sử và Địa lí Lớp 5
    SGK Lịch sử và Địa lí lớp 5 Vở bài tập Lịch sử lớp 5 Vở bài tập Địa lí lớp 5
    Môn Tiếng việt Lớp 5
    Đề thi, đề kiểm tra Tiếng Việt 5 Bài tập phát triển năng lực Tiếng Việt lớp 5 Đề thi vào lớp 6 môn Tiếng Việt Tiếng Việt – Kết nối tri thức Tiếng Việt – Chân trời sáng tạo Tiếng Việt – Cánh diều SGK Tiếng Việt 5 Cùng em học Tiếng Việt 5 VNEN Tiếng Việt lớp 5 Xem thêm
    Môn Khoa học Lớp 5
    SGK Khoa học lớp 5 VBT Khoa học 5
    Môn Đạo đức Lớp 5
    SGK Đạo đức lớp 5 VBT Đạo Đức 5
  • Lớp 4
    HỌC NGAY
    Môn Toán học Lớp 4
    Toán nâng cao lớp 4 Bài tập trắc nghiệm Toán – Kết nối tri thức SGK Toán – Kết nối tri thức Bài tập trắc nghiệm Toán – Cánh diều SGK Toán – Chân trời sáng tạo Bài tập trắc nghiệm Toán – Chân trời sáng tạo SGK Toán – Cánh diều SGK Toán 4 – Bình Minh VBT Toán – Kết nối tri thức Xem thêm
    Môn Tiếng Anh Lớp 4
    Đề thi, đề kiểm tra Tiếng Anh – Family and Friends Đề thi, đề kiểm tra Tiếng Anh – iLearn Smart Start Tiếng Anh – Global Sucess Đề thi, đề kiểm tra Tiếng Anh – Phonics Smart Tiếng Anh – Family and Friends Đề thi, đề kiểm tra Tiếng Anh – Explore Our World Tiếng Anh – iLearn Smart Start Chứng chỉ Cambridge Pre A1 Starters Tiếng Anh – Phonics Smart Xem thêm
    Môn Công nghệ Lớp 4
    SGK Công nghệ – Kết nối tri thức SGK Công nghệ – Chân trời sáng tạo SGK Công nghệ – Cánh diều
    Môn Tin học Lớp 4
    Hướng dẫn học tin học lớp 4 SBT HD học Tin học 4
    Môn HĐ trải nghiệm, hướng nghiệp Lớp 4
    SGK Hoạt động trải nghiệm – Kết nối tri thức SGK Hoạt động trải nghiệm – Cánh diều SGK Hoạt động trải nghiệm – Chân trời sáng tạo Bản 1 SGK Hoạt động trải nghiệm – Chân trời sáng tạo Bản 2
    Môn Giáo dục thể chất Lớp 4
    SGK Giáo dục thể chất – Kết nối tri thức SGK Giáo dục thể chất – Cánh diều SGK Giáo dục thể chất – Chân trời sáng tạo
    Môn Lịch sử và Địa lí Lớp 4
    SGK Lịch sử và Địa lí – Kết nối tri thức SGK Lịch sử và Địa lí – Chân trời sáng tạo SGK Lịch sử và Địa lí – Cánh diều
    Môn Âm nhạc Lớp 4
    SGK Âm nhạc – Kết nối tri thức SGK Âm nhạc – Chân trời sáng tạo SGK Âm nhạc – Cánh diều
    Môn Mỹ thuật Lớp 4
    SGK Mĩ thuật – Kết nối tri thức SGK Mĩ thuật – Cánh diều SGK Mĩ thuật – Chân trời sáng tạo bản 1 SGK Mĩ thuật – Chân trời sáng tạo bản 2
    Môn Tiếng việt Lớp 4
    Đề thi, đề kiểm tra Tiếng Việt – Kết nối tri thức Đề thi, đề kiểm tra Tiếng Việt – Chân trời sáng tạo Đề thi, đề kiểm tra Tiếng Việt – Cánh diều Tiếng Việt – Kết nối tri thức Tiếng Việt – Chân trời sáng tạo Tiếng Việt – Cánh diều VBT Tiếng Việt – Kết nối tri thức SGK Tiếng Việt 4 Cùng em học Tiếng Việt 4 Xem thêm
    Môn Khoa học Lớp 4
    SGK Khoa học lớp 4 VBT Khoa Học 4
    Môn Đạo đức Lớp 4
    SGK Đạo đức lớp 4 VBT Đạo Đức 4 SGK Đạo đức – Kết nối tri thức
  • Lớp 3
    HỌC NGAY
    Môn Toán học Lớp 3
    Ôn tập hè Toán – Chân trời sáng tạo Đề thi, đề kiểm tra Toán – Kết nối tri thức Bài tập cuối tuần môn Toán 3 Đề thi, đề kiểm tra Toán – Chân trời sáng tạo Đề thi, đề kiểm tra Toán – Cánh diều Cùng em học Toán 3 Bài tập trắc nghiệm Toán – Kết nối tri thức Bài tập trắc nghiệm Toán – Chân trời sáng tạo Bài tập trắc nghiệm Toán – Cánh diều Xem thêm
    Môn Tiếng Anh Lớp 3
    Đề thi, đề kiểm tra Tiếng Anh – Explore Our World Đề thi, đề kiểm tra Tiếng Anh – iLearn Smart Start Đề thi, đề kiểm tra Tiếng Anh – Phonics Smart Chứng chỉ Cambridge Pre A1 Starters Bài tập trắc nghiệm Tiếng Anh – iLearn Smart Start Đề thi, đề kiểm tra Tiếng Anh – Global Success Đề thi, đề kiểm tra Tiếng Anh – Family and Friends Tiếng Anh – Global Success Tiếng Anh – Family and Friends Xem thêm
    Môn Tin học Lớp 3
    SGK Tin học – Kết nối tri thức SGK Tin học – Chân trời sáng tạo SGK Tin học – Cánh diều
    Môn HĐ trải nghiệm, hướng nghiệp Lớp 3
    SGK Hoạt động trải nghiệm- Kết nối tri thức SGK Hoạt động trải nghiệm- Chân trời sáng tạo SGK Hoạt động trải nghiệm – Cánh diều
    Môn Âm nhạc Lớp 3
    Âm nhạc – Kết nối tri thức Âm nhạc – Chân trời sáng tạo Âm nhạc – Cánh diều
    Môn Tiếng việt Lớp 3
    Tiếng Việt – Kết nối tri thức Tiếng Việt – Chân trời sáng tạo Tiếng Việt – Cánh diều VBT Tiếng Việt – Kết nối tri thức VBT Tiếng Việt – Chân trời sáng tạo VBT Tiếng Việt – Cánh diều Văn mẫu – Kết nối tri thức Cùng em học Tiếng Việt 3 Văn mẫu lớp 3
    Môn Đạo đức Lớp 3
    SGK Đạo đức lớp 3 VBT Đạo đức lớp 3
    Môn Tự nhiên và xã hội Lớp 3
    Tự nhiên và xã hội – Kết nối tri thức Tự nhiên và xã hội – Chân trời sáng tạo Tự nhiên và xã hội – Cánh diều
  • Lớp 2
    HỌC NGAY
    Môn Toán học Lớp 2
    SGK Toán – Kết nối tri thức SGK Toán – Chân trời sáng tạo SGK Toán – Cánh Diều VBT Toán – KNTT VBT Toán – CTST Đề thi, đề kiểm tra Toán – Kết nối tri thức Đề thi, đề kiểm tra Toán – Chân trời sáng tạo Đề thi, đề kiểm tra Toán – Cánh diều Cùng em học Toán 2 Xem thêm
    Môn Tiếng Anh Lớp 2
    Đề thi, đề kiểm tra Tiếng Anh – Family and Friends Đề thi, đề kiểm tra Tiếng Anh – iLearn Smart Start Đề thi, đề kiểm tra Tiếng Anh – Phonics Smart Đề thi, đề kiểm tra Tiếng Anh – English Discovery Chứng chỉ Cambridge Pre A1 Starters SBT Kết nối tri thức SBT Family and Friends SBT iLearn Smart Start SBT Phonics Smart Xem thêm
    Môn HĐ trải nghiệm, hướng nghiệp Lớp 2
    VBT Hoạt động trải nghiệm – Chân trời sáng tạo VTH Hoạt động trải nghiệm – Cánh Diều VBT Hoạt động trải nghiệm – Kết nối tri thức
    Môn Âm nhạc Lớp 2
    Âm nhạc 2 – Kết nối tri thức Âm nhạc 2 – Chân trời sáng tạo Âm nhạc 2 – Cánh diều VBT Âm nhạc – Kết nối tri thức VBT Âm nhạc – Chân trời sáng tạo VBT Âm nhạc – Cánh diều
    Môn Mỹ thuật Lớp 2
    Mĩ thuật- Kết nối tri thức Mĩ thuật- Chân trời sáng tạo Mĩ thuật – Cánh Diều
    Môn Tiếng việt Lớp 2
    Tiếng Việt – Kết nối tri thức Tiếng Việt – Chân trời sáng tạo Tiếng Việt – Cánh Diều Văn mẫu – Kết nối tri thức Văn mẫu – Chân trời sáng tạo Văn mẫu – Cánh diều VBT Tiếng Việt – Kết nối tri thức VBT Tiếng Việt – Chân trời sáng tạo VBT Tiếng Việt – Cánh diều Xem thêm
    Môn Đạo đức Lớp 2
    SGK Đạo đức – Kết nối tri thức SGK Đạo đức – Chân trời sáng tạo SGK Đạo đức – Cánh Diều VBT Đạo đức – Kết nối tri thức VBT Đạo đức – Chân trời sáng tạo VBT Đạo đức – Cánh Diều
    Môn Tự nhiên và xã hội Lớp 2
    Tự nhiên và xã hội – Kết nối tri thức Tự nhiên và xã hội – Chân trời sáng tạo Tự nhiên và xã hội – Cánh diều VBT Tự nhiên và xã hội – Kết nối tri thức VBT Tự nhiên và xã hội – Cánh diều VBT Tự nhiên và xã hội – Chân trời sáng tạo
  • Lớp 1
    HỌC NGAY
    Môn Toán học Lớp 1
    SGK Toán – Kết nối tri thức SGK Toán – Cánh diều SGK Toán – Chân trời sáng tạo
    Môn Tiếng Anh Lớp 1
    Chứng chỉ Cambridge Pre A1 Starters
    Môn Tiếng việt Lớp 1
    Đề thi, đề kiểm tra Tiếng Việt 1 SGK Tiếng Việt – Kết nối tri thức SGK Tiếng Việt – Chân trời sáng tạo SGK Tiếng Việt – Cánh diều
    Môn Đạo đức Lớp 1
    VBT Đạo Đức 1
    Môn Tự nhiên và xã hội Lớp 1
    Tự nhiên và Xã hội lớp 1 VBT Tự nhiên và Xã hội 1

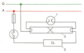
Câu 1 trang 35 SGK Công nghệ 9 – Điện

Hãy hoàn thiện sơ đồ lắp đặt mạch điện đèn ống huỳnh quang sau:

Đề bài

Hãy hoàn thiện sơ đồ lắp đặt mạch điện đèn ống huỳnh quang sau:

Lời giải chi tiết

Webgiaibaitap.com

Bài Tiếp Theo
- Câu 2 trang 35 SGK Công nghệ 9 – Điện
- Thực hành bài 7 trang 34 SGK Công Nghệ 9 – Lắp đặt mạng điện trong nhà
Các bài khác cùng chuyên mục
- Trả lời câu hỏi Bài 1 trang 6 SGK Công nghệ 9
- Câu 1 trang 8 SGK Công Nghệ 9 – Lắp đặt mạng điện trong nhà
- Câu 2 trang 8 SGK Công Nghệ 9 – Lắp đặt mạng điện trong nhà
- Câu 3 trang 8 SGK Công Nghệ 9 – Lắp đặt mạng điện trong nhà

TẢI APP ĐỂ XEM OFFLINE

QUYỂN 1. CẮT MAY – CÔNG NGHỆ 9

Bài 1. Giới thiệu nghề cắt may
Bài 2. Vật liệu và dụng cụ cắt may
Bài 3. Máy may
Bài 4. Thực Hành : Bảo dưỡng và sửa chữa máy may
Bài 5. Các đường may cơ bản
Bài 6. Bản vẽ cắt may
Bài 7. Cắt may quần đùi ,quần dài
Bài 8. Thực Hành : Cắt may quần đùi , quần dài
Bài 9. Cắt may áo tay liền
Bài 10. Cắt may một số kiểu cổ áo không bâu
Bài 11. Cắt may một số kiểu bâu lá sen
Bài 12. Thực Hành : Cắt may tay liên
Ôn tập – Cắt may

QUYỂN 2. NẤU ĂN

Bài 1. Giới thiệu nghề nấu ăn
Bài 2. Sử dụng và bảo quản dụng cụ ,và thiết bị nhà bếp
Bài 3. Sắp xếp và trang trí nhà bếp
Bài 4. An toàn lao đông trong nhà ăn
Bài 5. Thực Hành : Xây dựng thực đơn
Bài 6. Trình bày và trang trí bàn ăn
Bài 7. Thực Hành : Chế biến các món ăn không sử dụng nhiệt, món nộm- cuộn hỗn hợp
Bài 8.Thực Hành : Chế biến các món ăn có sử dụng nhiệt ,nón nấu
Bài 9. Thực Hành : Món hấp
Bài 10. Thực Hành : Món rán
Bài 11. Thực Hành : Món xào
Bài 12. Thực Hành : Món nướng

QUYỂN 3. TRỒNG CÂY ĂN QUẢ

Bài 1. Giới thiệu nghề trồng cây ăn quả
Bài 2. Một số vấn đề chung về cây ăn quả
Bài 3. Các phương pháp nhân giống cây ăn quả
Bài 4. Thực Hành : Giâm cành
Bài 5. Thực Hành : Chiết cành
Bài 6. Thực Hành : Ghép
Bài 7. Kỹ thuật trồng cây ăn quả có múi ( cam,chanh,quýt,bưởi..)
Bài 8. Kỹ thuật trồng cây nhãn
Bài 9. Kỹ thuật trồng cây vải
Bài 10 . Kỹ thuật trồng cây xoài
Bài 11. Kỹ thuật trồng cây chôm chôm
Bài 12. Nhận biết một số loại sâu , bệnh hại cây ăn quả
Bài 13. Thực Hành : Trồng cây ăn quả
Bài 14. Thực hành : Bón phân thúc cho cây ăn quả
Bài 15. Thực Hành : Làm xirô quả
Ôn tập – Trồng cây ăn quả

QUYỂN 4. LẮP ĐẶT MẠNG ĐIỆN TRONG NHÀ

Bài 1. Giới thiệu về nghề điện dân dụng
Bài 2. Vật liệu dùng trong lắp đặt mạng điện trong nhà
Bài 3. Dụng cụ dùng trong lắp đặt mạng điện
Bài 4. Thực hành: Sử dụng đồng hồ đo điện
Bài 5.Thực Hành: Nối dây điện
Bài 6. Thực Hành : Lắp mạch điện bảng điện
Bài 7. Thực Hành: Lắp mạch điện đèn ống huỳnh quang
Bài 8. Thực Hành: Lắp mạch điện hai công tắc hai cực điều khiển hai đèn
Bài 9. Thực Hành: Lắp mạch điện hai công tắc ba cực điều khiển một đèn
Bài 10. Thực Hành : Lắp mạch điện một công tắc ba cực điều khiển hai đèn
Bài 11. Lắp đặt dây dẫn của mạng điện trong nhà
Bài 12.Kiểm tra mạng điện trong nhà
Ôn tập – Lắp đặt mạng điện trong nhà

QUYỂN 5. SỬA CHỮA XE ĐẠP

Bài 1. Giới thiệu nghề sửa chữa xe đạp
Bài 2. Cấu tạo của xe đạp
Bài 3. Nguyên lí chuyển động của xe đạp
Bài 4. Thực Hành : Lau dầu, tra mỡ các ổ trục
Bài 5. Thực hành : Chỉnh phanh, cổ phuốc
Bài 6. Thực Hành : Thay ruột dây phanh, má phanh
Bài 7. Thực Hành : Vá săm, thay lốp
Bài 8.Thực Hành : Thay xích, líp
Ôn tập – Sửa chữa xe đạp
  • Liên hệ
  • Truyện
  • Công Cụ
Copyright © 2020 WebGiaibaitap.com